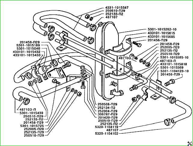
La figura muestra las ubicaciones de instalación de las piezas y sus designaciones según el catálogo de repuestos

Mira la imagen y la tabla muestra el desglose de los detalles

fig. 1. Detalles de montaje del sistema de alimentación del calentador ZIL-5301 según catálogo

Detalles de montaje del sistema de alimentación del calentador ZIL-5301 según catálogo

  • Perno 201420-P29
  • Perno 201456-P29
  • Perno 201458-P29
  • 250508-P29 Tuerca
  • 250510-P29 Tuerca
  • 252004-P29 Lavadora
  • Arandela 252005-P29
  • 252134-P2 Arandela elástica
  • 252135-P2 Arandela elástica
  • 300401-P29 Codo atornillable
  • 306787-P29 Abrazadera
  • 401507 Pezón
  • 4331-1015587 Manguera 10x300
  • 4331-1104525 Funda protectora para abrazadera de sujeción de línea de combustible
  • 433101-1015432 Mitad de abrazadera derecha
  • 433101-1015433 Mitad de abrazadera izquierda
  • 433101-1015615 Soporte del depósito de combustible
  • 433101-1015685 Abrazadera del depósito de combustible
  • 433101-1015818 Conjunto de tubería de combustible
  • 487103-P Abrazadera
  • 487107 Abrazadera
  • 5301-1015040 Bomba de combustible del calentador
  • 5301-1015189 Soporte de bomba dosificadora
  • 5301-1015262-10 Conjunto del tanque de combustible del calentador de arranque
  • 5301-1015439 Manguera
  • 5301-1015569 Tubería de combustible
  • 5301-1015585-10 Manguera
  • 5301-1015725 Soporte del tubo de combustible
  • 5301-1104123-10 Soporte para fijación de tuberías de combustible
  • 5320-1104102 Manguera de conexión para tuberías de combustible
  • 5320-1104119 Soporte de montaje de la línea de combustible