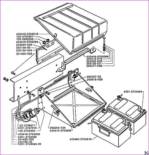
Instalación de la batería ZIL-5301

La batería del automóvil ZIL-5301 consta de dos baterías emparejadas de 12 voltios conectadas en serie.

La batería se instala en una caja especial montada en el bastidor del automóvil.

Hay un interruptor de batería remoto automático cerca de la caja de la batería

La figura muestra las ubicaciones de instalación de las piezas y sus designaciones según el catálogo de repuestos.

Mira la imagen y en la tabla se muestra el desglose de la pieza.

Fig. 1. Instalación de la batería ZIL-5301 según el catálogo de repuestos

Detalles para la instalación de baterías del coche ZIL-5301 según catálogo

Número de pieza Nombre de la pieza

  • 120-3802036 Casquillo para eje flexible del velocímetro, paso pasante
  • 123-3708071 Tapa protectora para cables
  • 130-3703300 Buje a través del paso del protector de la carcasa
  • 130-3703301 Buje
  • Perno 200277-P29
  • Perno 201420-P29
  • Perno 201565-P29
  • Tornillo 220103-P29
  • 250510-P16 Tuerca
  • 250515-P29 Tuerca
  • 252004-P29 Lavadora
  • Arandela 252005-P29
  • 252134-P2 Arandela elástica
  • 252135-P2 Arandela elástica
  • 252137-P2 Arandela elástica
  • 258255-P29 Pasador
  • 431411-3821037 Junta protectora
  • 4331-3724094 Cable de puente entre conjuntos de baterías
  • 4331-3737010 Interruptor remoto de batería 49.3710
  • 433410-3703018 Tapa del zócalo de batería con conjunto de aislamiento térmico
  • 433410-3703056 Toma de batería con conjunto de aislamiento térmico
  • 433410-3703088 Tira de montaje de batería
  • 433410-3703294 Escudo protector con aislamiento térmico montado
  • 433410-3724096 Conjunto de interruptor de masa-batería de cable
  • 433420-3821040 Sensor de temperatura del electrolito 1318.3842
  • 433480-3703010 Batería recargable 6ST-110A3
  • 5301-3724044-20 Arnés de cableado trasero derecho
  • 5301-3724095 Interruptor de tierra por cable - bastidor