Elevalunas de puerta ZIL-5301 - catálogo

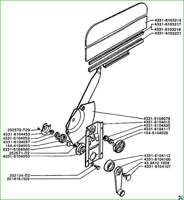
La figura muestra las ubicaciones de instalación de las piezas y sus designaciones según el catálogo de repuestos.

Mira la imagen y en la tabla se muestra el desglose de la pieza.

Fig. 1. Catálogo de elevalunas de puerta ZIL-5301

Piezas del elevalunas de puerta de coche ZIL-5301 según catálogo

Número de pieza/nombre de pieza

  • 164-6104035 Resorte de equilibrio del elevador de ventana
  • 164-6104055 Resorte de freno de elevalunas con conjunto de cabezal
  • Perno 201416-P29
  • 252134-P2 Arandela elástica
  • 252571-P2 Remache
  • 252573-P29 Remache
  • 4331-6103211 Conjunto de vidrio de puerta
  • 4331-6103214 Vidrio de puerta
  • 4331-6103217 Junta de vidrio corrediza, espesor 3 mm
  • 4331-6103218 Junta de vidrio deslizante delgada, 2,5 mm
  • 4331-6103221 Soporte de vidrio deslizante
  • 4331-6104010 Conjunto de elevación de ventana de puerta derecha
  • 4331-6104011 Elevalunas de puerta, izquierda, conjunto
  • 4331-6104015 Alojamiento para elevalunas
  • 4331-6104040 Conjunto de eje de freno
  • 4331-6104050 Caja de freno
  • 4331-6104053 Funda protectora
  • 4331-6104057 Equipo de elevación de ventana
  • 4331-6104079 Sector izquierdo con conjunto de palanca
  • 4331-6104080  Sector con conjunto de palanca derecha
  • 4331-6104100 Conjunto de manija elevadora de ventana
  • 4331-6104107  Tapón de manija
  • 4331-6104112 Toma de mango
  • 4331-6104117 Eje del sector elevalunas
  • 4331-6104435 Buje del eje
  • 4331-6104453 Tapa de freno
  • 45 9412 1608 Tornillo