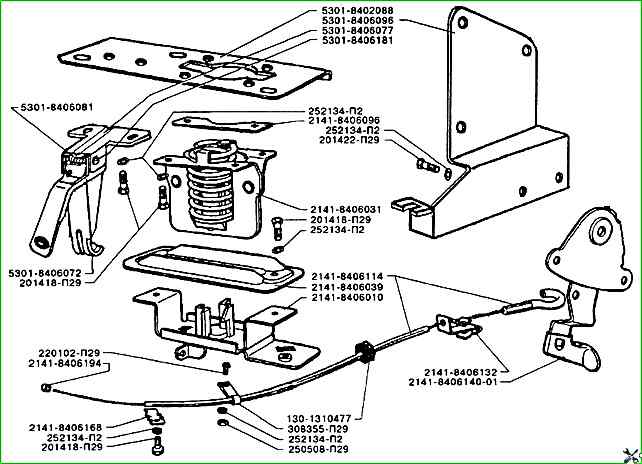
La figura muestra las ubicaciones de instalación de las piezas y sus designaciones según el catálogo de repuestos.

Mira la imagen y en la tabla se muestra el desglose de la pieza.

fig. 1. Detalles de la cerradura del capó y su accionamiento del automóvil ZIL-5301 según el catálogo

Partes de la cerradura del capó y su accionamiento ZIL-5301 según catálogo

  • 130-1310477 Casquillo para varilla de persiana del radiador
  • Perno 201418-P29
  • Perno 201422-P29
  • 2141-8406010 Bloqueo del capó
  • 2141-8406031 Pestillo de bloqueo del capó
  • 2141-8406039 Guía del pestillo de la unidad de bloqueo
  • 2141-8406096 Junta que ajusta el pestillo de bloqueo del capó
  • 2141-8406110 Unidad de bloqueo del capó
  • 2141-8406114 Varilla de accionamiento de bloqueo
  • 2141-8406132 Soporte de fijación de carcasa
  • 2141-8406140-01 Manija de accionamiento de bloqueo del capó
  • 2141-8406168 Tira de soporte para la carcasa de la unidad de bloqueo del capó
  • 2141-8406194 Buje de varilla impulsora de bloqueo
  • Tornillo 220102-P29
  • 250508-P29 Tuerca
  • Arandela 252003-P29
  • 252134-P2 Arandela elástica
  • 258013-P29 Pasador
  • Abrazadera 308355-P29
  • 5301-8402088 Refuerzo del conjunto del panel interior del capó
  • 5301-8406060 Conjunto de fusibles de apertura del capó
  • 5301-8406072 Conjunto de gancho de seguridad
  • 5301-8406077 Soporte de gancho de seguridad
  • 5301-8406081 Resorte gancho de seguridad
  • 5301-8406096 Soporte para conjunto de manija de accionamiento de bloqueo del capó
  • 5301-8406181 Pasador de gancho de seguridad