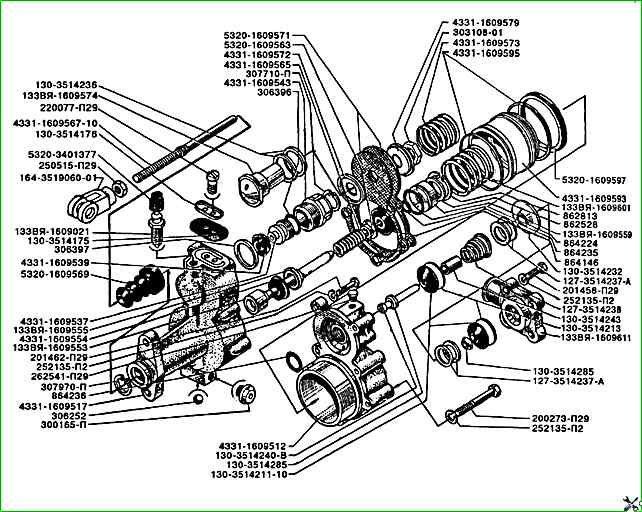
La figura muestra las ubicaciones de instalación de las piezas y sus designaciones según el catálogo de repuestos.

Mira la imagen y en la tabla se muestra el desglose de la pieza.

Figura 1. Piezas del servomotor neumohidráulico del accionamiento de control del embrague ZIL-5301 según catálogo

Partes del amplificador neumohidráulico del accionamiento del control del embrague ZIL-5301 según catálogo

  • 127-3514237-A Junta de ajuste del asiento de válvula
  • 127-3514238 Resorte de válvula
  • 130-3514175 Sello de desbordamiento
  • 130-3514176 Tapa de salida
  • Conjunto de válvula 130-3514210-A2
  • 130-3514211-10 Cono de válvula
  • 130-3514213 Arandela de válvula grande
  • 130-3514232 Asiento de válvula de admisión
  • 130-3514236 Junta del asiento de la válvula de escape
  • 130-3514240-B Vástago de válvula
  • 130-3514243 Tubo del vástago de la válvula reductora
  • 130-3514285 Arandela de válvula pequeña
  • 133ВЯ-1609021 Válvula de derivación de la carcasa trasera
  • 133ВЯ-1609521 Chorro de refuerzo neumohidráulico
  • 133ВЯ-1609553 Pistón de liberación del embrague
  • 133ВЯ-1609555 Manguito espaciador para pistón de liberación del embrague
  • 133ВЯ-1609556 Conjunto de sello del pistón de liberación del embrague
  • 133ВЯ-1609559 Caja del sello del pistón de liberación del embrague
  • 133ВЯ-1609574 Asiento de diafragma de caja de cambios
  • 133ВЯ-1609601 Resorte de pistón neumático
  • 133ВЯ-1609611 Tapa de suministro de aire
  • 164-3519060-01 Horquilla de varilla de empuje
  • Perno 200273-P29
  • Perno 201458-P29
  • Perno 201462-P29
  • Tornillo 220077-P29
  • 250515-P29 Tuerca
  • 252135-P2 Arandela elástica
  • 262541-P29 Tapón
  • Sillín 300165-P
  • 303108-01 Tuerca
  • 306252 Pelota
  • Anillo 306396
  • Anillo 306397
  • 307710-P Anillo de empuje
  • Anillo de retención 307970-P
  • 4331-1609509 Amplificador de potencia neumohidráulico para conjunto de transmisión de control de embrague
  • 4331-1609512 Conjunto de carcasa de dirección asistida neumática delantera
  • 4331-1609516 Conjunto de carcasa de dirección asistida hidráulica trasera
  • 4331-1609517 Vivienda
  • 4331-1609534 Conjunto de pistón con carcasa
  • 4331-1609536 Conjunto de pistón
  • 4331-1609537 Pistón
  • 4331-1609539 Manguito de pistón seguidor
  • 4331-1609543 Vivienda
  • 4331-1609554 Manguito 13,4x28 para pistón de liberación de embrague PSU con IV cuadrado. 1990
  • 4331-1609565 Resorte espaciador del sello del pistón
  • 4331-1609566-10 Conjunto de empujador de pistón de refuerzo neumohidráulico
  • 4331-1609567-10 Empujador de pistón
  • 4331-1609570 conjunto de diafragma de caja de cambios
  • 4331-1609572 Lavadora
  • 4331-1609573 Resorte de diafragma reductor
  • 4331-1609579 Lavadora
  • 4331-1609593 Pistón neumático
  • 4331-1609595 Anillo guía
  • 5320-1609563 Manguito espaciador para sello del pistón de liberación del embrague
  • 5320-1609569 Cubierta protectora para carcasa trasera
  • 5320-1609571 Diafragma de caja de cambios PGU
  • 5320-1609597 Manguito de pistón neumático PGU
  • 5320-3401377 Tapa de válvula de derivación CCGT
  • 862528 Lavadora
  • 862813 Anillo de empuje
  • 864146 Brazalete 13x38
  • 864224 Junta tórica
  • 864235 Junta tórica
  • 864236 Junta tórica

El amplificador de control del embrague neumohidráulico ZIL-5301 es un elemento importante del sistema de control del embrague, que proporciona una interacción más fácil y precisa entre el conductor y esta unidad.

Este amplificador funciona según el principio de combinar mecánica neumática e hidráulica, lo que puede reducir significativamente el esfuerzo necesario para presionar el pedal del embrague.

La figura que acompaña a la descripción muestra las ubicaciones de instalación de las piezas principales del amplificador, así como sus denominaciones según el catálogo de repuestos.