Reparación de la bomba de agua YaMZ-2Z6NE, HE2, BE, BE2 del coche MAZ

Un mal funcionamiento típico de la bomba de agua es la fuga de agua a través del sello del impulsor como resultado del desgaste del anillo de textolita

Un mal funcionamiento del sello del prensaestopas se indica por una fuga de agua desde el orificio de drenaje en el cuerpo de la bomba de agua, que se puede eliminar girando el anillo de textolita con el reverso (sin usar) hacia el extremo del manguito presionado hacia adentro. el cuerpo, o reemplazando el anillo y simultáneamente reemplazando el manguito de goma.

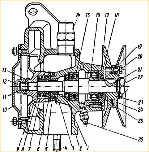
Bomba de agua: 1 - sello de aceite; 2 - carcasa de bomba; 3 - casquillo; 4 - perno para sujetar el tubo de entrada; 5 - anillo de retención del sello de aceite: 6 - anillo de empuje del sello de aceite; 7 - resorte del sello de aceite; 8 - manguito del sello de aceite; 9 - impulsor; 10 - tapa; 11 - rodillo; 12 - nuez; 13 arandela de seguridad; 14 - boquilla de derivación del tubo del termostato de agua; 15,16 - rodamientos de bolas; 17 - juntas; 18 - cuerpo del sello de aceite; 19 - casquillo del sello de aceite; 20 - tuerca para sujetar la pared lateral de la polea; 21 - arandela de seguridad; 22 - nuez; 23 - cubo de polea; 24 - pared lateral de la polea; 25 - cuñas de ajuste; 26 - engrasador

No se permite obstruir el orificio de drenaje para eliminar las fugas del sello de aceite, ya que el agua que se escapa de la bomba ingresa a los cojinetes y los daña.

Para reparar el prensaestopas necesitas:

  • - retire la bomba de agua del motor; desenrosque las tuercas que sujetan la tapa de la carcasa, retire la tapa y la junta;
  • - sujetando el rodillo por la polea para que no gire, desenrosque la tuerca ciega y use un extractor para quitar el impulsor del eje de la bomba, retire el anillo de bloqueo del sello del impulsor y retire todas las piezas del sello.

La idoneidad de las piezas del sello de aceite se determina mediante inspección externa. El anillo de textolita no debe tener astillas ni grietas en la superficie de trabajo.

Se pueden eliminar pequeños rayones y riesgos rectificando el anillo. El retén del retén de aceite debe ser elástico, sin desgarros y ajustarse firmemente al eje y al anillo de textolita.

Monte el sello de aceite del impulsor en el siguiente orden:

- inserte el resorte del sello de aceite en la carcasa del impulsor, luego el manguito de goma ensamblado con las pistas interior y exterior, la textolita y los anillos de retención del sello de aceite.

Después de instalar el anillo de bloqueo, la textolita debe moverse libremente a lo largo de las ranuras del impulsor cuando se presiona con la mano y volver a su posición original bajo la acción de un resorte.

La parte del eje de la bomba sobre la que se asienta el manguito de goma debe lubricarse con jabón antes de instalar el impulsor, y el extremo del manguito en contacto con el anillo de textolita debe lubricarse con una fina capa de lubricante de grafito.

Esto elimina la posibilidad de levantar la superficie de trabajo del manguito y mejora la calidad del lapeado de las superficies de trabajo del anillo de textolita y el extremo del casquillo.

Después de instalar el impulsor en su lugar, la tuerca ciega que asegura el impulsor se debe apretar lo más posible y asegurar con una arandela.

Al desmontar completamente la bomba para reemplazar los cojinetes y el eje, se retira el impulsor del eje de la bomba, como se indica arriba;

  • - desenroscar la tuerca de fijación de la polea y retirar la polea del eje de la bomba mediante un extractor;
  • - desenroscar los tornillos de fijación y quitar la tapa del cojinete;
  • - retire el conjunto de rodillos con cojinetes y casquillos de la carcasa de la bomba.

Si hay grietas de cualquier tamaño y ubicación, la carcasa no se repara, sino que se reemplaza. Durante las reparaciones, las juntas de fieltro se sustituyen por otras nuevas, previamente impregnadas de lubricante.

Monte la bomba en orden inverso. La cavidad de la carcasa entre los rodamientos de bolas debe llenarse con lubricante Litol-24 o CIATIM-201.

Después del montaje, debe agregar grasa a través del engrasador hasta que aparezca grasa por el orificio de inspección. Después del montaje, el eje de la bomba debe girar libremente, sin atascarse.

Al instalar la bomba en el motor, se recomienda reemplazar la junta entre la brida de la bomba y la tapa del engranaje de distribución.

Primero se deben limpiar las superficies de contacto de la brida de la bomba y el techo de los engranajes de distribución de los restos de la junta vieja, y la nueva se debe lubricar por ambos lados con una pasta selladora que no seque.

DESMONTAJE Y MONTAJE DE LA BOMBA DE AGUA

  • 1. Después de aflojar el tensor de la correa de transmisión de la bomba de agua, retire la correa de la polea de la bomba de agua.
  • 2. Drene el refrigerante del motor y del radiador.
  • 3. Retire el tubo de entrada de la bomba de agua.
  • 4. Después de desenroscar la fijación, retire la bomba de agua del motor con cuidado sin dañar la junta.
  • 5. Desenrosque las tuercas 14 (Fig. 2) del tubo 8.
Bomba de agua: 1 - carcasa; 2 - impulsor; 3 - sello mecánico; 4 - casquillo; 5 - eje; 6 - liberación de agua; 7 - enchufe; 8 - tubería de suministro; 9 - anillo de retención; 10 - polea; 11, 12 - anillos de sellado; 13 - rodamientos; 14, 15 - tuercas de fijación y arandelas elásticas
  • 6. Golpeando ligeramente las partes que sobresalen del tubo 8 en la dirección de las flechas B, retire dicho tubo de la carcasa de la bomba 1.
  • 7. Asegure el impulsor 2 (o la polea 10) para que no gire con el eje 5.
  • 8. Desenrosque el tapón 7 del orificio roscado del impulsor 2.
Desmontaje de la bomba de agua: 2 - impulsor; 9 - anillo de retención; 10 - polea; 17 - tuerca extractora; 18 - perno extractor; 19 - carcasa del sello mecánico; 20 - puño de la manga; 21 - manguito de sellado; 22 - manguito con conjunto de resorte
  • 9. Enrosque la tuerca 17 del extractor en el orificio roscado (M22 x 1,5) del impulsor 2 (Fig. 3, 4) y, enroscando el perno 18, presione el impulsor 2 para sacarlo del eje 5.
  • 10. Doble los “bigotes” D de la carcasa del sello mecánico 19 (Fig. 3) y retire el manguito 22 con el conjunto de resorte y marco.
  • 11. Con un extractor, presione la polea 10.
  • 12. Retire el anillo de retención 9 de la ranura de la carcasa de la bomba 1.
  • 13. Presione el eje 5 con la válvula de purga de agua 6 y los cojinetes 13 para sacarlos de la carcasa 1.
  • 14. Si el cuerpo de latón 23 del sello mecánico no está dañado, no se puede retirar del cuerpo 1 y el desmontaje de la bomba se puede considerar completo.

PROCEDIMIENTO DE MONTAJE DE LA BOMBA DE AGUA

  • 1. Lave todas las piezas de la bomba y séquelas con aire comprimido.
  • 2. Presione los cojinetes 13 y el dispensador de agua 6 sobre el eje 5 (Fig. 2). En este caso, es necesario:
  • - prelubricar el eje 5 con gasoil;
  • - instalar los cojinetes 13 de manera que las arandelas de sellado queden hacia el exterior;
  • - aplicar fuerza de presión al aro interior del rodamiento.
  • 3. Llene toda la cavidad entre los rodamientos con grasa Litol-24 (60...70 g).
  • 4. Presione el conjunto del eje con cojinetes y liberación de agua dentro de la carcasa 1 hasta que se detenga. En este caso es necesario:
  • - lubricar previamente el orificio de la carcasa 1 debajo de los cojinetes con aceite de motor limpio;
  • - aplique fuerza de presión al aro exterior del rodamiento.
  • 5. Instale 1 anillo de resorte de retención 9 en la ranura de la carcasa.
  • 6. Presione la polea 10 sobre el eje 5 hasta que se detenga. En este caso es necesario:
  • - lubricar previamente el eje con aceite de motor limpio;
  • - proporcione un tope fijo para el extremo opuesto del eje.
Extractor
  • 7. Instale las piezas del sello mecánico en el cuerpo de latón 19 (Fig. 4);
  • - manguito de goma 22 ensamblado con un resorte y marcos de resorte;
  • - manguito reforzado 20 y manguito de sellado 21.
  • 8. Instale el manguito de goma 23 y el manguito de sellado 21 en el impulsor 2. En este caso, es necesario:
  • - primero coloque el manguito 23 en el manguito de sellado 21;
  • - aplique una fina capa de lubricante en el orificio del impulsor 2 y en la superficie exterior del manguito de goma 23;
  • - tomar con ambas manos el conjunto manguito con el casquillo y, aplicando fuerza en el extremo del casquillo de sellado, introducir estas piezas en el orificio del impulsor hasta el tope, evitando deformaciones.
  • 9. Presione el impulsor 2, completo con manguito y manguito de sellado, sobre el eje 5 (Fig. 2). En este caso es necesario: ​​
  • - prelubricar el eje 5 con aceite de motor limpio;
  • - proporcionar un tope fijo para el extremo opuesto del eje;
  • - instale el impulsor en el eje de un tamaño de 10-0,15 mm (Fig.2) entre el extremo del eje y el extremo del cubo del impulsor, para ello, al presionar, es necesario instalar un disco con un diámetro no superior a 13 mm y una altura de 10-0 en el extremo del eje, 15
  • 10. Asegure el impulsor 2 (o la polea 10) para que no gire.
  • 11. Enrosque el tapón 7 en el orificio roscado del impulsor 2 hasta que haga tope;
  • 12. Instale 1 casquillo 4 y el anillo de goma 12 en el cuerpo.
  • 13. Instale el anillo de goma 11 en la ranura del tubo 3, evitando que se tuerza.
  • 14. Presione el tubo 3 en el orificio del cuerpo 1 hasta que se detenga. En este caso es necesario:
  • - prelubricar el orificio del cuerpo 1 anillo 11 con una fina capa de lubricante Litol-24;
  • - los pernos del cuerpo 1 deben encajar libremente en los orificios de montaje del tubo 8.
  • 15. Asegure el tubo con 3 tuercas 14 y arandelas elásticas 15.
  • 16. Compruebe la calidad del montaje haciendo girar el eje 5 por la polea 10. La rotación del eje debe ser libre, sin atascos.