Los coches están equipados con una caja de cambios de cinco velocidades. Peso (sin repostar) - 32 kg

La presencia de una 5ª sobremarcha proporciona, en condiciones reales de funcionamiento, un ahorro de combustible de 07-1,0 litros cada 100 km en comparación con una caja de cambios de cuatro velocidades, una velocidad máxima de 115 km/h, reduce la velocidad del motor a alta velocidad del vehículo. velocidades, aumentando su durabilidad.

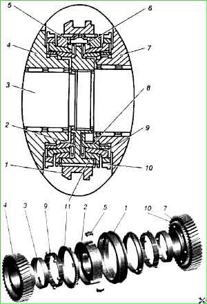
Caja de cambios (sección longitudinal): A - sincronizador de dos conos; 1 - eje de entrada; 2 - tapa del cojinete del eje de entrada; 3 - sello de aceite; 4- rodamiento de bolas del eje de entrada; 5 - anillo de retención; 6 - rodamiento de rodillos del eje secundario; 7 - respiro; 8 - anillo de bloqueo; 9 - embrague de embrague; 10- bloque sincronizador; 11 - cubo de embrague para 3ª, 4ª marcha; 12 - 3ª marcha; 13 - cojinete de agujas del engranaje; 14 - anillo de retención de medias anillas; 15 - medio anillo; 1 6- segunda marcha; 17- anillo de retención; 18 - 1ª marcha; 19 - eje secundario; 20 - marcha atrás; 21 - 5ª marcha y horquilla de marcha atrás; 22 - buje de 5ª marcha y embrague de marcha atrás; 23 - perno que sujeta la placa de retención; 24 - plato; 25 - resorte de sujeción; 26 - bola de abrazaderas; 27- resorte del manguito de bloqueo; 28 - manguito de bloqueo; 29 - cabeza de la 5ª marcha y varilla de marcha atrás; 30 - carcasa de la palanca de cambios; 31 - 5ª marcha; 32 - arandela de empuje; 33- manguito espaciador; 34 - caja de cambios trasera; 35 - sello de aceite; 36 - eje del engranaje intermedio de marcha atrás; 37- cojinete de agujas del engranaje intermedio de marcha atrás; 38 - marcha intermedia de marcha atrás; 39 - pasador; 40 - perno que sujeta el casquillo del eje del engranaje intermedio de marcha atrás; 41 - casquillo para el eje del engranaje intermedio de marcha atrás; 42 - rodamiento de bolas del eje secundario; 43 - anillo de retención del cojinete del eje secundario; 44 - anillo de retención; 45 - rodamiento; 46 - tapón de drenaje de aceite; 47 - bloque de engranajes; 48 - tapón de llenado de aceite; 49 - caja de cambios delantera; 50 - cuñas

La carcasa de la caja de cambios está hecha de aleación de aluminio y consta de dos partes: la carcasa delantera 49 y la trasera 34 con manguitos de montaje presionados en la carcasa delantera y conectados entre sí con diez pernos.

El engranaje del eje de entrada, así como los engranajes 1.º, 2.º, 3.º, 5.º y la marcha atrás montados en el eje secundario 19, están en constante engrane con los engranajes del bloque de engranajes 47, tienen dientes helicoidales y giran sobre agujas. rodamientos con jaulas de plástico.

El engranaje intermedio de marcha atrás gira sobre rodillos a granel con un diámetro de 3 mm a lo largo de un eje, cuyos soportes están ubicados en ambos cárteres.

Todos los engranajes están equipados con sincronizadores de tipo inercial, cuyos bordes dentados están conectados a los engranajes mediante pequeñas estrías.

Los sincronizadores de 3ª, 4ª, 5ª marcha y marcha atrás tienen engranajes integrales con conos.

La igualación de las revoluciones de la marcha engranada con las revoluciones del eje secundario, necesaria para un cambio de marcha sin golpes, se logra utilizando el par de frenado que surge debido a las fuerzas de fricción en la superficie exterior del cono de la corona del engranaje y la interior. superficie cónica del anillo exterior (de bloqueo) 8 del sincronizador, conectado a través de los cubos 11 y 22 con un eje secundario 19.

Los cárteres están centrados para asegurar la necesaria alineación de los soportes del eje y los orificios para las varillas del mecanismo de conmutación

Sincronizador de doble cono de primera y segunda marcha: 1 - embrague; 2 - centro; 3 - eje secundario; 4 - engranaje; 5 - bloque sincronizador; 7 - primera marcha; 8 - anillo interior; 9 - anillo medio; 10 - corona dentada; 11 - anillo exterior

El sincronizador de marchas de 1.ª a 2.ª es de doble cono y tiene un mayor par de frenado debido a la superficie de fricción adicional formada por la superficie cónica exterior del anillo interior 8 conectado al cubo y la superficie cónica interior del anillo central 9. del sincronizador, conectado por tres protuberancias (las protuberancias encajan en los orificios de la corona dentada 10) con la marcha engranada.

Cabe destacar que hasta el 01/06/03 se instalaba en la caja de cambios un sincronizador monocono, unificado con sincronizadores de 3ª, 4ª, 5ª y marcha atrás.

Los engranajes se engranan conectando los dientes internos de los acoplamientos 9 con las llantas externas de los sincronizadores.

Los lados de los dientes de los acoplamientos y llantas sincronizadoras están biselados en el interior en un ángulo de 4° y en la posición de encendido forman un bloqueo que evita que las marchas se apaguen automáticamente.

Las protuberancias en los dientes de las llantas del sincronizador limitan el movimiento de los embragues al engranar las marchas.

Las fuerzas axiales de los dientes oblicuos de los engranajes del eje secundario se perciben mediante los anillos de retención 17 y 44, la arandela de empuje 32, el hombro del eje secundario y dos medios anillos de empuje ubicados en la ranura del eje secundario, que están cubiertos por el anillo 14

Los rodamientos de bolas de los ejes primario y secundario se montan en los ejes mediante resortes y anillos de retención y se fijan en los cárteres mediante anillos de retención externos.

El bloque de engranajes gira sobre cojinetes de bolas o cónicos instalados en casquillos ciegos de los cárteres delantero y trasero.

Mecanismo de cambio de marchas: 1 - carcasa delantera; 2 - horquilla de cambio de primera y tercera marcha; 3 - perno de montaje de la horquilla eléctrica; 4 - horquilla de cambio para primera y segunda marcha; 6 - varilla de cambio de tercera y cuarta marcha; 7 - dedo; 8 - émbolo; 9 - varilla de engrane de quinta marcha y marcha atrás; 10 - quinta marcha y horquilla de marcha atrás; 11 - bola de bloqueo; 12 - resorte de sujeción; 13 - perno de fijación de la placa; 14 - plato; 15 - resorte del manguito de bloqueo; 16 - manguito de bloqueo; 17 - cabeza de la quinta marcha y varilla de marcha atrás; 18 - carcasa de la palanca de cambios; 19 - palanca de cambios - parte inferior; 20 - manguito de bloqueo; 21 - cojín de goma; 22 - manguito espaciador; 23 - cono de empuje; 24 - parte superior de la palanca de cambios; 25 - manija de la palanca de cambios; 26 - junta del piso de la carrocería; 27 - sello protector; 28 - asiento de resorte de palanca; 29 - resorte de palanca; 30 - gorra; 31 - pasador; 32 - fusible; 33 - resorte fusible; 34 - cabeza de la varilla de cambio de primera y segunda marcha; 35 - pasador de límite; 36 - carcasa trasera; 37 - interruptor de luz de marcha atrás; 38 - galleta de tenedor

La precarga se realiza colocando cuñas de ajuste 50 en el casquillo del cárter delantero durante el montaje.

Las llantas de los engranajes de engrane constante de la 2.ª, 3.ª y 5.ª marcha del bloque de engranajes están montadas con un ajuste de interferencia en el eje intermedio, en el que se cortan dientes largos, que sirven simultáneamente como llantas de la 1.ª marcha. y marcha atrás del bloque de engranajes.

La cabeza del eje 36 del engranaje intermedio de marcha atrás está instalada en la bancada de la carcasa de la caja de cambios trasera y se fija en ella con un perno de bloqueo.

El extremo opuesto del eje entra en el casquillo 41 y se fija en él con un pasador elástico partido; el casquillo se fija a la bancada en el cárter delantero también con un perno de bloqueo.

El mecanismo de cambio contiene varillas en las que se montan las horquillas de cambio y los cabezales 29, en cuyas ranuras se encuentra el extremo inferior de la palanca de cambio.

Las varillas se fijan en posición de encendido y apagado mediante bolas 11 (Fig. 3) y resortes 15.

Un dispositivo de bloqueo, que consta de dos émbolos de bloqueo y un pasador de bloqueo, evita que la caja de cambios engrane dos marchas al mismo tiempo.

Además, entre la cabeza de la varilla de marcha atrás y la pared de la carcasa trasera hay un manguito de bloqueo 16 con un resorte 15, lo que hace imposible mover accidentalmente la palanca de cambios desde la posición de 5ª marcha engranada a la marcha atrás. posición.

La palanca de cambios está equipada con un dispositivo amortiguador que elimina su ruido durante la resonancia a altas velocidades del motor y está ubicada en una carcasa especial 18, unida al cárter trasero desde arriba.

Con la ayuda de resortes y fusibles, la cabeza inferior de la palanca de cambios en posición neutral siempre está ubicada en la cabeza de la varilla de cambio de 3ª y 4ª.

El tapón de drenaje de aceite 46 tiene un imán que atrapa pequeñas partículas metálicas contenidas en el aceite, productos de desgaste de las piezas de la caja de cambios.

Las cajas de cambios de cinco velocidades para los turismos Volga y GA3el están unificadas en la mayor parte.

La caja de cambios de los coches GA3el se diferencia en el eje de entrada (el número de dientes es 25 en lugar de 26), el anillo de piñón del bloque de engranajes (36 dientes en lugar de 35) y el engranaje impulsor del velocímetro, una palanca de cambios más alta carcasa y la parte inferior de la palanca de cambios.