El motor ZMZ-406 está equipado con un sistema de encendido por microprocesador, que consta de una unidad de control para los sistemas de encendido e inyección de combustible, dos bobinas de encendido de los tipos 30.3705 o 301.3705, bujías, cables de alto y bajo voltaje

La unidad de control está instalada en el interior del automóvil en el lado derecho debajo del panel de instrumentos, detrás del revestimiento lateral de la carrocería.

Las bobinas de encendido están instaladas en la tapa de la culata.

La unidad de control recibe señales de los sensores instalados en el motor y, en base a esto, ajusta el tiempo de encendido, lo que permite obtener indicadores óptimos de potencia, económicos y de toxicidad.

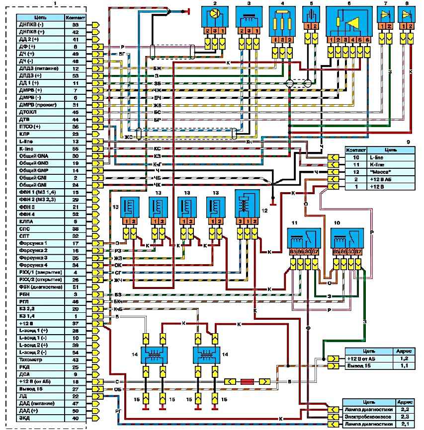
Esquema eléctrico de un sistema de control del motor con microprocesador integrado (KMSUd): 1 - Unidad de control del motor M 1.5.4; sensor bifásico; 3 — sensor de velocidad y sincronización; 9 — conector de diagnóstico; 10 — relé del sistema de control del motor; 11 — relé de la bomba de combustible; 4 — sensor de posición del acelerador de aire; 12 — regulador de ralentí; 5 — sensor de detonación; 6 — sensor de flujo masivo de aire; 7 — sensor de temperatura del refrigerante 8 — sensor de temperatura del aire en el tubo de admisión; 13 - boquilla; 14 — bobina de encendido; 15 - bujía

Sistema de control del motor con microprocesador ZMZ-406:

  • - controla el suministro de energía a la bomba de combustible;
  • - controla el suministro de gasolina al tubo de admisión de cada cilindro de acuerdo con los ciclos de funcionamiento del motor;
  • - proporciona una chispa en las velas y ajusta el tiempo de encendido, asegurando un funcionamiento sin detonaciones del motor;
  • - controla el suministro de aire en el momento del arranque.

El sistema consta de una unidad de control electrónico, un conjunto de sensores, actuadores y cables de conexión con conectores.

Una unidad de control electrónico es una computadora especializada que recibe señales de sensores y controla los actuadores del sistema.

Diagrama del sistema de control del motor: 1 - sensor de posición angular del cigüeñal (sensor de sincronización); 2 - sensor de posición del acelerador; 3 - válvula de mariposa; 4 - sensor de flujo masivo de aire; 5 - inyectores electromagnéticos; 6 - riel de combustible; 7 - regulador de aire adicional; 8 - sensor de temperatura del aire en el colector de admisión; 9 - conector de diagnóstico; 10 - relé del sistema de control del motor; 11 - relé de la bomba de combustible; 12 - unidad de control electrónico del motor; 13 - regulador de presión de combustible; 14 - sensor de detonación; 15 - bobina de encendido 16 - lámpara de advertencia; 17 - bomba de combustible; 18 - sensor de posición del árbol de levas (sensor de fase); 20 - bujías; 21 - sensor de temperatura del refrigerante

El microprocesador de la unidad de control, según el programa ingresado en la memoria de la unidad y en base a los datos recibidos de los sensores, calcula los parámetros de señal necesarios para los actuadores.

Los elementos correspondientes de la unidad de control transmiten estas señales a los actuadores del sistema.

Sensores del sistema de control: sincronización, posición del árbol de levas, detonación, flujo de aire, posición del acelerador, temperatura del refrigerante y aire en el colector de admisión.

Actuadores: inyectores electromagnéticos, bobinas de encendido, regulador de aire secundario, testigo, relé de bomba eléctrica de combustible y relé de descarga.

Si el sensor de posición del acelerador, el sensor de flujo de aire masivo o el sensor de detonación fallan, el sistema cambia a un modo de respaldo, lo que le permite llegar al sitio de reparación.

El sistema informa al conductor sobre la transición al modo de respaldo encendiendo la lámpara indicadora KMSUD en el panel de instrumentos.

El funcionamiento del motor en este modo no tiene un efecto negativo en su estado, pero el arranque es difícil, la respuesta del acelerador se deteriora, el consumo de combustible y la toxicidad de los gases de escape aumentan.

Unidad de control electrónico del motor

La información sobre la configuración y las fallas del sistema de control se almacena en la memoria de la unidad y se puede leer a través del conector de diagnóstico.

Cuando se desconecta la batería, se borra la información sobre fallas. Esto no tiene ningún efecto sobre el rendimiento del motor en el futuro, pero puede provocar un deterioro temporal del motor propiedades operativas.

La unidad de control MIKAS 5.4 está basada en el microprocesador SAB80C517A de SIEMENS.

El software se almacena en una memoria de sólo lectura (ROM) con una capacidad de 32 KB y una memoria de acceso aleatorio (03U).

Los automóviles con motor ZMZ-4062 fabricados antes de mayo de 1997 estaban equipados con unidades de control MIKAS 5.4 201.3763.001, en las que se instaló el chip ROM 201.001.

Desde agosto de 1998 los coches están equipados con unidades MIKAS 5.4 201.3763.003, en las que se instala un chip ROM 201.003 que controla el electroventilador y el compresor del aire acondicionado.

La unidad de control diagnostica circuitos de sensores y actuadores, y también verifica la capacidad de servicio de su propio circuito.

Cuando se detecta un mal funcionamiento, la unidad enciende la lámpara indicadora KMSUL.

El sistema de diagnóstico de la unidad de control tiene varios modos de funcionamiento.

Modo de funcionamiento

Cuando se enciende el encendido, la unidad de control electrónico monitorea constantemente la mayoría de las señales entrantes y salientes.

La unidad informa sobre fallas que aparecen y desaparecen encendiendo brevemente (aproximadamente 0,5 s) la lámpara indicadora. En este caso, los códigos de avería que aparecen más de una vez cada dos minutos se almacenan en la memoria de la unidad electrónica.

Los códigos de falla que no aparecen dentro de dos horas se borrarán de la memoria.

Una falla que está constantemente presente en el sistema se indica mediante una lámpara indicadora encendida constantemente.

Modo de salida de información de diagnóstico

En este modo, la unidad electrónica, mediante una lámpara de advertencia, muestra los códigos de falla registrados y almacenados en la memoria.

Cada falla tiene un código de luz de dos o tres dígitos. Cada dígito del código corresponde a una serie de destellos cortos (0,5 s) de la lámpara. Hay una pausa entre las series (aproximadamente 1,5 s).

Después de que se hayan transmitido todos los dígitos de un código (2 o 3 series de destellos, dependiendo de si el código es de dos o tres dígitos), sigue una pausa larga (aproximadamente 4 s).

Por ejemplo: una falla con código “131” se transmitirá en la siguiente secuencia: un encendido corto, pausa corta, tres encendidos cortos, pausa corta, un encendido corto, pausa larga.

Cada código de error se repite tres veces.

Modo de funcionamiento con equipo de diagnóstico

Para una comprobación más completa del sistema de gestión del motor, se conecta un probador especial 08T-2 al conector de diagnóstico.

Dichos trabajos sólo pueden ser realizados por especialistas que dispongan del equipo necesario.

Modo de borrado de código predeterminado

Los códigos de falla se borran de la memoria cuando se desconecta la batería.