El cigüeñal está fabricado en hierro fundido de alta resistencia, tiene cinco cojinetes y ocho contrapesos para una mejor descarga de los soportes.

La resistencia al desgaste de los muñones principales de la biela y de la superficie de la brida trasera debajo del manguito se garantiza mediante el endurecimiento con corrientes de alta frecuencia.

Los filetes de los muñones principal y de biela del eje están enrollados con rodillos para fortalecerlos. El eje está equilibrado dinámicamente.

El desmontaje y desmontaje del cigüeñal se puede encontrar en el artículo - Cigüeñal ZMZ-4062 para GAZ-2705

El subconjunto del grupo de biela y pistón se puede encontrar en el artículo - Cómo montar el grupo de biela y pistón del motor ZMZ-40524

Se perforan agujeros pasantes en los muñones principal (excepto el medio) y de biela, que están conectados mediante perforaciones oblicuas que pasan a través de los muñones y las mejillas del eje; estos canales sirven para suministrar aceite a los cojinetes de biela.

En el punto de salida de las perforaciones en las mejillas hay cavidades especiales para recoger la suciedad cerradas con tapones roscados.

Durante la rotación del cigüeñal, la suciedad contenida en el aceite se separa por acción de la fuerza centrífuga de inercia y se acumula en estas cavidades. Además del filtro, se realiza una limpieza de aceite adicional.

Al realizar reparaciones en el motor, es necesario quitar las bujías y limpiar las cavidades colectoras de suciedad y los canales de aceite del cigüeñal de suciedad y depósitos.

Los tapones roscados se instalan con sellador anaeróbico Stopor-9 para evitar que se aflojen solos.

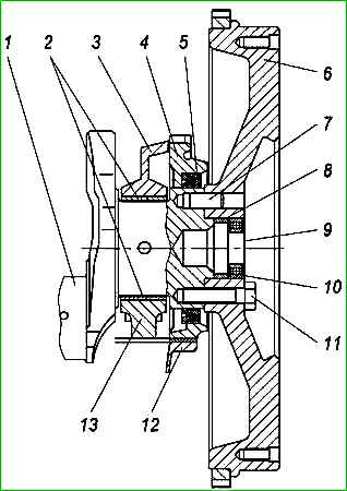
Cojinete medio (de empuje) del cigüeñal: 1 - bloque de cilindros 2 - semicojinetes de bancada; 3 arandelas de empuje: 4 - tapa de cojinete de bancada: 5 - cigüeñal

El movimiento axial del eje está limitado por dos arandelas 3 (Figura 1), ubicadas a ambos lados del (tercer) cojinete principal central.

Cada una de las arandelas de empuje consta de dos medias arandelas: superior e inferior.

La dirección de rotación del cigüeñal es correcta (visto desde el lado de la polea del amortiguador).

En el extremo delantero del cigüeñal están instalados: la rueda dentada de accionamiento 7 para el accionamiento del árbol de levas, el casquillo 6 y la polea - amortiguador 3 con un disco dentado de sincronización, que se fijan con un perno de acoplamiento 1.

Para evitar que el perno de acoplamiento se afloje automáticamente, se utiliza una arandela dentada termoendurecida 15.

La superficie exterior del casquillo de acero 6 está endurecida con corrientes de alta frecuencia para aumentar la resistencia al desgaste.

El extremo delantero del cigüeñal con polea de ranura única: 1 - perno de acoplamiento; 2 - llave paralela; 3 - polea amortiguadora con disco dentado de sincronización; 4 - puño; 5 - tapa de cadena; 6 - casquillo; 7 - asterisco; 8 - clave de segmento; 9 - bloque de cilindros; 10 - casquillos de cojinete de bancada, 11 - cigüeñal; 12 - tapa del cojinete principal; 13 - sumidero de aceite; 14 - junta tórica de goma; 15 - arandela de seguridad

El extremo delantero del cigüeñal está sellado con un manguito de goma reforzado de un solo labio con resorte y funda, así como un anillo de goma 14 (Figura 2), instalado entre el casquillo espaciador y la rueda dentada.

La polea amortiguadora del cigüeñal tiene un elemento de goma elástico especial que sirve para amortiguar las vibraciones de torsión del cigüeñal, reduciendo así el ruido y facilitando las condiciones de funcionamiento de la transmisión por cadena de los árboles de levas.

La polea de compuerta está sometida a equilibrio estático.

El borde dentado de la polea de compuerta sirve para suministrar impulsos al sensor de sincronización, con la ayuda del cual la unidad de microprocesador del sistema de control determina la velocidad del cigüeñal y la posición del cigüeñal con respecto al PMS.

Hay una marca en el disco amortiguador, por cuya coincidencia con el saliente de la tapa de la cadena se determina la ubicación del pistón del primer cilindro en el PMS.

Extremo trasero del cigüeñal: 1 - cigüeñal, 2 - casquillos de cojinete principal, 3 - bloque de cilindros, 4 - soporte del sello de aceite, 5 - sello trasero, 6 - volante, 7 - pasador de montaje del volante, 8 - manguito espaciador, 9 - arandela del perno del volante, 10 - cojinete de punta del eje de entrada de la caja de cambios, 11 - perno del volante, 12 - cárter de aceite, 13 - tapa del cojinete principal

En el saliente cilíndrico del extremo trasero del cigüeñal (Figura 3) y el pasador 7, presionado en la brida trasera del cigüeñal, se instala un volante 6, unido a la brida con seis autoblocantes Atornillo 11 a través de una arandela termoendurecida 9.

La arandela termoendurecida se utiliza para aumentar la confiabilidad de la conexión. En el casquillo del volante están instalados un manguito espaciador 8 y un cojinete 10 de la punta del eje de entrada de la caja de cambios.

El extremo trasero del cigüeñal está sellado con un manguito de goma reforzado de un solo borde 5 con un resorte y una funda instalados en el soporte del sello de aceite 4.

El centrado del manguito trasero 5 con respecto al cigüeñal se consigue gracias a los salientes del soporte del retén de aceite.

El volante está fabricado en fundición gris y tiene un anillo dentado de acero estampado y endurecido mediante corrientes de alta frecuencia.

El volante se centra con respecto al cigüeñal asentándolo en el saliente cilíndrico de la brida trasera del cigüeñal.

El volante está equilibrado estáticamente por separado del cigüeñal.

Los casquillos de cojinete del cigüeñal y las bielas están fabricados de acero-aluminio. Los semicojinetes de bancada superiores tienen ranuras y un orificio de suministro de aceite, los semicojinetes inferiores no tienen ranuras.

Las carcasas superior e inferior de los cojinetes de biela son idénticas, con un orificio para suministrar aceite al canal de aceite de la biela.

La mitad inferior de las arandelas del cojinete de empuje tiene una protuberancia que encaja en una ranura en la tapa del cojinete principal central. Hay ranuras especiales en la capa antifricción de las medias arandelas.

Al realizar la instalación, las medias arandelas deben mirar la superficie ranurada hacia el cigüeñal.

Los parámetros monitorizados del cigüeñal al comprobar el estado técnico se muestran en la tabla.

Si hay grietas, se debe rechazar el cigüeñal.

Para eliminar los depósitos de las cavidades de los muñones de biela y de los canales de aceite, es necesario quitar cuatro tapones de los muñones de biela, enjuagar con una solución de soda cáustica (NaOH) calentada a más 80 °C y limpiar minuciosamente. Limpiar las cavidades y canales con un cepillo metálico.

Enjuague las cavidades con queroseno y seque con aire comprimido, luego atornille los tapones en su lugar con un par de 37-51 Nm (3,8-5,2 kgcm), habiendo aplicado previamente sellador anaeróbico “Stop-9” en su superficie roscada.

Durante el funcionamiento, los muñones principal y de biela del cigüeñal se desgastan, pierden su forma geométrica, lo que reduce el rendimiento del mecanismo del cigüeñal, provoca un mayor desgaste de los cilindros y anillos del pistón, y el pasador del pistón puede empujar los anillos de seguridad. de las ranuras del pistón y hace que el pistón salga de las clavijas del pistón.

Eliminación de desgaste y depósitos de carbón de las cavidades de las muñequillas del cigüeñal: 1 - tapón del canal de aceite, 2 - cigüeñal

Los muñones principal y de biela del cigüeñal toman forma cónica y ovalada como resultado del desgaste.

Si los muñones principal y de biela están desgastados más allá de las dimensiones máximas permitidas y si la conicidad y ovalidad de los muñones es superior a 0,04 mm, entonces los muñones del eje deben rectificarse a uno de los tamaños de reparación.

Todos los diarios del mismo nombre están rectificados al mismo tamaño de reparación. Los bordes afilados de los chaflanes de los canales de aceite se desafilan con una herramienta abrasiva cónica y luego se pulen los cuellos y chaflanes.

Los radios de los filetes de los muñones principal y de biela son de 2 mm.

Si la superficie de la brida trasera o la superficie del cubo de la polea del amortiguador está desgastada debajo del borde de trabajo del manguito, mueva el manguito para hacer contacto su borde de trabajo con la superficie no desgastada y evitar fugas de aceite; para hacer esto, instale un anillo espaciador entre el manguito y el soporte del sello de aceite o la cubierta de la cadena.

Si el hilo de los agujeros está dañado por hasta dos hilos, se restaura cortándolo al tamaño del dibujo de trabajo. Si se rompen dos o más hilos, se realizan reparaciones:

  • - roscar los orificios para los pernos de montaje del volante - instalación de insertos en espiral roscados,
  • - enrosque el orificio para el perno de acoplamiento - cortando una rosca de reparación;
  • - roscas en orificios para tapones - cortando roscas de reparación.

Parámetros controlados al reparar el cigüeñal

Diámetro de los diarios principales:

  • - diámetro nominal 62 -0,035 -0,054 mm;
  • - tamaño máximo permitido 61,92 mm;
  • - dimensiones de reparación: 1 -0,25 mm; 2-0,5 mm; 3-0,75 mm

Diámetro de los muñones de biela:

  • - diámetro nominal 56 -0,025 -0,044 mm;
  • - tamaño máximo permitido 55,92 mm;
  • - dimensiones de reparación: 1 -0,25 mm; 2-0,5 mm; 3-0,75 mm

El mayor descentramiento permitido de los diarios principales:

  • - diámetro nominal 0,02 mm;
  • - tamaño máximo permitido 0,04 mm;

Longitud del tercer muñón principal entre las dos superficies de apoyo del cojinete de empuje:

  • - diámetro nominal 34 +0,050 mm;
  • - tamaño máximo permitido 34,06 mm;

Axiales Holgura del cigüeñal (cojinete de empuje):

  • - diámetro nominal 0,06-0,27 mm;
  • - tamaño máximo permitido 0,36 mm;

La ovalidad máxima permitida de los muñones después del rectificado:

  • - diámetro nominal 0,005 mm;
  • - tamaño máximo permitido 0,01 mm;

Equilibrio

Equilibrado del cigüeñal

El cigüeñal se equilibra mediante el método de equilibrio dinámico.

El desequilibrio permitido es de 18 gcm, en los planos que pasan por los muñones molares más externos.

Eliminar el desequilibrio perforando agujeros de Ø 14 mm, hasta una profundidad no superior a 25 mm en dirección radial desde los contrapesos.

No se permite la intersección de agujeros y salida a la superficie de los extremos de los contrapesos.

Equilibrio de la polea de compuerta: 1 - polea de compuerta; 2 - mandril, 3 - dispositivo de equilibrio estático

La polea amortiguadora del cigüeñal se equilibra mediante el método de equilibrio estático.

Desequilibrio permitido: 15 gcm.

Elimine el desequilibrio perforando agujeros de Ø 10 mm, a una profundidad no superior a 12 mm, teniendo en cuenta el cono de perforación en el disco amortiguador en dirección radial a una distancia de 10,5 mm del plano trasero.

La distancia entre los ejes de los agujeros es de al menos 18 mm.

Equilibrado del volante: 1 – volante, 2 – mandril, 3 – dispositivo para equilibrio estático

El volante se equilibra mediante el método estático. Desequilibrio permitido 15 gcm.

Elimine el desequilibrio perforando agujeros de Ø 14 mm, a una profundidad no superior a 12 mm, teniendo en cuenta el cono de perforación en el lado opuesto al soporte del embrague en un radio de 115 mm.

Perfore no más de 10 agujeros. La distancia entre los ejes es de al menos 18 mm.