Cada tarjeta de diagnóstico consta de dos páginas: “Información adicional” y “Esquemas de localización de averías”
Información adicional" contiene condiciones para ingresar un código de falla, diagramas de cableado y explicaciones para los bloques del diagrama de solución de problemas
La solución de problemas se lleva a cabo de acuerdo con el diagrama de secuencia de solución de problemas.
A la hora de diagnosticar cualquier avería, siempre se debe empezar por comprobar el circuito de diagnóstico.
La verificación del circuito de diagnóstico da como resultado otras tarjetas. No utilice la tarjeta DTC sin comprobar primero el circuito de diagnóstico.
Esto puede provocar un diagnóstico incorrecto y la sustitución de piezas reparables.
El sistema de control del motor utiliza un controlador que se encuentra en un lugar de difícil acceso.
Dado que los terminales dentro de los bloques de conectores no están disponibles para conectar instrumentos de medición externos, para verificar la capacidad de servicio de los circuitos del arnés del sistema de inyección, es necesario utilizar un divisor de señal correspondiente a este tipo de controlador, conectado entre el controlador y el mazo de cables.
Tarjetas de diagnóstico “A” (tarjetas de prueba inicial y tarjetas de códigos de falla)
Mapa “A” Comprobación del circuito de diagnóstico

Descripción de los cheques
La secuencia corresponde a los números de la tarjeta.
Se comprueba la capacidad de servicio del indicador de fallo.
Si el indicador no se enciende cuando se enciende el encendido, entonces debe verificar el suministro de energía al interruptor de encendido y al controlador, así como la conexión del controlador a tierra usando el mapa A-1.
Se verifica la capacidad de transferir datos en serie desde el controlador a la herramienta de diagnóstico.
Si no hay señal, se muestra el símbolo “X” en la esquina superior derecha. Si hay una señal presente, se muestra un símbolo en forma de flechas (arriba y abajo).
Se comprueba la capacidad de servicio del sistema antirrobo del automóvil (ATS).
Se comprueba la capacidad de arrancar el motor.
Se verifica la memoria del controlador en busca de códigos de falla que requieran reparación.
Comprueba si hay desviaciones de parámetros con el encendido puesto y el motor al ralentí.
Si hay desviaciones de parámetros de los valores estándar establecidos, la operatividad de los componentes o sistemas correspondientes se verifica utilizando las tarjetas en la sección "C" - "Tarjetas de diagnóstico para verificar los componentes del sistema de control del motor".

Mapa A-1 El indicador de fallo no se enciende

Descripción de la cadena
El indicador de mal funcionamiento debe encenderse después de encender el encendido y apagarse después de arrancar el motor.
Después de encender el encendido, se suministra voltaje a uno de los terminales del dispositivo de señalización. El controlador controla la activación de la alarma cerrando el segundo terminal a tierra "X1/40" del controlador.
Descripción de los cheques
La secuencia corresponde a los números de la tarjeta.
- 1 - Si el indicador no se enciende durante la verificación, entonces se debe buscar la falla en el cableado del panel de instrumentos.
- 2 - Verifique si hay circuito abierto entre los contactos “X1/40” del controlador y el bloque al arnés del panel de instrumentos.
- 3 - Se revisa el circuito entre los contactos “X1/40” del controlador y el bloque al arnés del panel de instrumentos para detectar un cortocircuito a la fuente de alimentación.
- 4 - Se verifica la capacidad de servicio de los circuitos que conectan el controlador a masa del motor.
- 5 - Verificar la presencia de tensión de alimentación en los contactos del controlador: “X1/16”, “X1/55”, “X1/56”

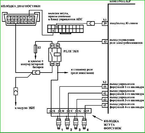
Tarjeta A-2 Sin datos del bloque de diagnóstico

Descripción de la cadena
En el estado inicial, el circuito entre los contactos “9” y “18” de la centralita APS está abierto.
Cuando se conecta de forma diagnóstica del dispositivo al bloque de diagnóstico y al poner el contacto, la centralita APS cierra el circuito.
La unidad de control abre el circuito si el controlador envía una solicitud para comunicarse con el APS. Las sesiones de comunicación ocurren cuando se enciende y apaga el encendido.
Descripción de los cheques
La secuencia corresponde a los números de la tarjeta.
- 1 - Si, después de cerrar los contactos “18” y “9” del bloque de cableado, se restablece la conexión entre la herramienta de diagnóstico y el controlador, entonces es necesario verificar la capacidad de servicio de los elementos APS.
- 2 - Verifique la capacidad de servicio de la conexión entre el bloque de diagnóstico (contacto "7") y el controlador (contacto "X1/39").

Mapa A-3 (Hoja 1 de 2) El motor no arranca

Descripción de los cheques
La secuencia corresponde a los números de la tarjeta.
- 1 - Verificar el estado del ECM usando una herramienta de escaneo.
- 2 - Porque El circuito secundario de las bobinas de encendido está cerrado a través de tierra, el cable de tierra del pararrayos debe estar conectado a tierra del motor.
- 3 - La presión reducida del combustible puede provocar una mezcla pobre. Ver Mapa A-6.
- 4 - Se comprueba la compresión en los cilindros y la sincronización de válvulas.
Información de diagnóstico
A temperaturas ambiente negativas, la imposibilidad de arrancar el motor puede deberse a la presencia de agua o sustancias extrañas en el combustible.

Mapa A-3 (hoja 2 de 2) El motor no arranca

Descripción de la cadena
El sistema de encendido del motor tiene un bloque de dos bobinas de encendido de dos terminales, en el que las salidas de alto voltaje de los devanados secundarios están conectadas mediante cables de alto voltaje a las bujías de los cilindros 1, 4 y 2, 3, respectivamente.
Los circuitos primarios de las bobinas de encendido se activan mediante interruptores electrónicos de potencia ubicados dentro del controlador.
Descripción de los cheques
La secuencia corresponde a los números de la tarjeta.
En el sistema de encendido, dos bujías con cables de alto voltaje forman un circuito para cada bobina. Para producir una chispa, el cable de tierra del explosor debe estar conectado a la tierra del motor.
- 1 - Se determina la presencia de alimentación de +12 V en la bobina de encendido.
- 2 - Se comprueba la capacidad de servicio de los cables de alto voltaje.
- 3 - Se determina la presencia de un circuito abierto o cortocircuito en los circuitos de control de encendido.
- 4 - Como resultado de la prueba, se determina la presencia de un mal funcionamiento en el controlador o en la bobina de encendido.

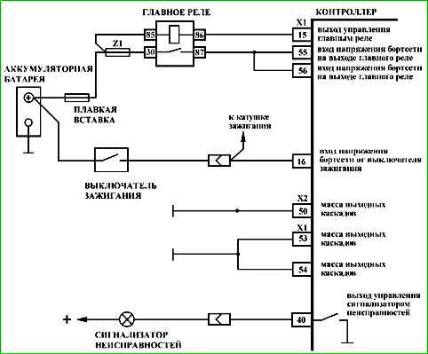
Mapa A-4 Comprobación del relé principal y del circuito de alimentación

Descripción de la cadena
Cuando se enciende el encendido, el voltaje del interruptor de encendido se suministra al contacto “X1/16” del controlador. El controlador, a través del contacto "X1/15", enciende el relé principal, a través del cual se suministra tensión de alimentación a los contactos "X1/55" y "X1/56" del controlador, así como a los sensores y algunos dispositivos controlados. (válvula de purga de canister, inyectores, relés, etc.d.).
Descripción de los cheques
- 1 - Se suministra voltaje al contacto “X1/16” del controlador desde el interruptor de encendido.
- 2 - La herramienta de diagnóstico muestra el voltaje de la red de a bordo, determinado por el controlador a partir del voltaje en los contactos “X1/55” y “X1/56”. No debe diferir en más de 1 V del voltaje de la batería.
- 3 - El voltaje de la batería debe estar presente en los contactos “85” y “30” del bloque de cableado. Si hay energía en ambos contactos, la luz de la sonda conectada a tierra debería encenderse cuando los toques.
- 4 - La prueba anterior determinó la presencia de voltaje en el contacto del bloque de cableado y "85". Esta prueba monitorea el circuito de control del relé principal, que el controlador debe cerrar a tierra.
- 5 - Se comprueba la capacidad de servicio del relé principal.
El motivo del valor incorrecto de la tensión de a bordo, determinado por el controlador a partir de la tensión en los contactos “X1/55” y “X1/56”, puede ser un cortocircuito a tierra en los circuitos de alimentación del relés y actuadores, así como dispositivos antirrobo conectados incorrectamente.

Mapa A-5 Comprobación del circuito eléctrico del sistema de suministro de combustible

Descripción de la cadena
Cuando se enciende el encendido, el controlador enciende el relé de la bomba de combustible eléctrica y la bomba de combustible eléctrica comienza a funcionar. Si no hay pulsos de referencia del sensor de posición del cigüeñal (el motor no está en marcha), el controlador apaga la bomba de combustible eléctrica 2 s después de encender el encendido.
Si la activación a corto plazo de la bomba de combustible eléctrica se repite tres veces seguidas, la siguiente activación de la bomba de combustible eléctrica se producirá solo cuando el controlador reciba señales del sensor de posición del cigüeñal.
Descripción de los cheques
La secuencia corresponde a los números de la tarjeta.
- La bomba de combustible eléctrica se enciende a la fuerza.
- Compruebe la presencia de voltaje de +12 V en los contactos del relé de la bomba eléctrica de combustible.
- Cuando se enciende el encendido y se arranca el motor, el controlador debe encender la bomba de combustible eléctrica.

Mapa A-6 (Hoja 1 de 2) Diagnóstico del sistema de suministro de combustible
Descripción de la cadena
Cuando se enciende el encendido, el controlador enciende la bomba de combustible eléctrica.
Funciona mientras el motor está en marcha y el controlador recibe pulsos de referencia del sensor de posición del cigüeñal.
Si no hay pulsos de referencia, el controlador apaga la bomba de combustible eléctrica 2 s después de encender el encendido.
La bomba de combustible eléctrica suministra combustible al riel de combustible y, utilizando el regulador incorporado, mantiene una presión de combustible constante en los inyectores.
El bloque de diagnóstico tiene contacto “11” para diagnosticar la bomba eléctrica de combustible.
Cuando el motor está parado y el encendido apagado, la bomba de combustible eléctrica se puede encender aplicando energía al contacto de diagnóstico especificado.
Descripción de los cheques
La secuencia corresponde a los números de la tarjeta.
- Se comprueban la presión del combustible y el rendimiento del sistema.
- Se comprueba la estanqueidad y las conexiones de la línea entre la bomba eléctrica de combustible y la rampa de inyectores.
- La mejor forma de determinar si la válvula del inyector está pegada cuando está abierta es comprobar si las bujías tienen depósitos de carbón o humedad.
Si es imposible determinar si un inyector tiene fugas por hollín o bujías mojadas, es necesario comprobar el equilibrio de los inyectores utilizando el mapa C-3.
Información de diagnóstico
Una desviación en la presión del combustible puede causar los siguientes problemas:
- - el motor de arranque hace girar el cigüeñal, pero el motor no arranca;
- - el motor se cala, como si hubiera un problema con el sistema de encendido;
- - alto consumo de combustible, pérdida de potencia;
- - funcionamiento inestable del motor.

Mapa A-6 (Hoja 2 de 2) Diagnóstico del sistema de suministro de combustible
Descripción de los cheques
La secuencia corresponde a los números de la tarjeta.
4 - Para comprobar si el filtro de combustible está contaminado, es necesario medir la presión del combustible en la línea de combustible entre la bomba de combustible eléctrica y el filtro de combustible.
Si el valor de presión obtenido de esta manera difiere del medido anteriormente (etapa 1 del diagrama) en más de 14 kPa, entonces se debe reemplazar el filtro de combustible.

Código P0030 Calentador DC antes del neutralizador, circuito defectuoso

Se ingresa el código P0030 si:
- - el motor está en marcha;
- - el autodiagnóstico del controlador del calentador determinó que no hay carga en la salida.
La luz indicadora de mal funcionamiento se enciende 2 ciclos de manejo después de que ocurre el código de falla.
Descripción de los cheques
La secuencia corresponde a los números de la tarjeta.
- Comprueba si hay una falla permanente.
- Se comprueba el circuito de alimentación del calentador UDC.
- Se verifica el circuito de control del calentador UDC.
- Se comprueba la capacidad de servicio del calentador UDC.
Información de diagnóstico
El controlador ME17.9.71 utiliza un controlador de calentador con sensor de oxígeno con función de autodiagnóstico.
Puede detectar fallas como un circuito abierto, un cortocircuito a tierra o una fuente de alimentación en el circuito de control del calentador.

Código P0031 Calentador de CC antes del neutralizador, circuito de control en cortocircuito a tierra

Se ingresa el código P0031 si:
- - el motor está en marcha;
- - el autodiagnóstico del controlador del calentador ha detectado un cortocircuito a tierra en la salida.
La luz indicadora de mal funcionamiento se enciende 2 ciclos de manejo después de que ocurre el código de falla.
Descripción de los cheques
La secuencia corresponde a los números de la tarjeta.
- Comprueba si hay una falla permanente.
- Se determina la presencia de un cortocircuito a tierra en el circuito de control del calentador UDC.
- Se comprueba la capacidad de servicio del calentador UDC.
Información de diagnóstico
El controlador ME17.9.71 utiliza un controlador de calentador con sensor de oxígeno con función de autodiagnóstico.
Puede detectar fallas como un circuito abierto, un cortocircuito a tierra o una fuente de alimentación en el circuito de control del calentador.

Código P0032 Calentador CC antes del neutralizador, circuito de control en cortocircuito a la red de a bordo

Se ingresa el código P0032 si:
- - el motor está en marcha;
- - el autodiagnóstico del controlador del calentador detectó un cortocircuito en la red de a bordo en la salida.
La luz indicadora de mal funcionamiento se enciende 2 ciclos de manejo después de que ocurre el código de falla.
Descripción de los cheques
La secuencia corresponde a los números de la tarjeta.
- Comprueba si hay una falla permanente.
- Se determina la presencia de un cortocircuito en el circuito de control del calentador UDC a la red de a bordo.
- Se comprueba la capacidad de servicio del calentador UDC.
Información de diagnóstico
El controlador ME17.9.71 utiliza un controlador de calentador con sensor de oxígeno con función de autodiagnóstico.
Puede detectar fallas como un circuito abierto, un cortocircuito a tierra o una fuente de alimentación en el circuito de control del calentador.

Código P0036 Calentador DC después del convertidor, el circuito está defectuoso

Se ingresa el código P0036 si:
- - el motor está en marcha;
- - el autodiagnóstico del controlador del calentador determinó que no hay carga en la salida.
La luz indicadora de mal funcionamiento se enciende 2 ciclos de manejo después de que ocurre el código de falla.
Descripción de los cheques
La secuencia corresponde a los números de la tarjeta.
- Comprueba si hay una falla permanente.
- Se verifica el circuito de alimentación del calentador DDK.
- Se verifica el circuito de control del calentador DDK.
- Se verifica la capacidad de servicio del calentador DDK.
Información de diagnóstico
El controlador ME17.9.71 utiliza un controlador de calentador con sensor de oxígeno con función de autodiagnóstico.
Puede detectar fallas como un circuito abierto, un cortocircuito a tierra o una fuente de alimentación en el circuito de control del calentador.

Código P0037 Calentador de CC después del neutralizador, circuito de control en cortocircuito a tierra

Se ingresa el código P0037 si:
- - el motor está en marcha;
- - el autodiagnóstico del controlador del calentador ha detectado un cortocircuito a tierra en la salida.
La luz indicadora de mal funcionamiento se enciende 2 ciclos de manejo después de que ocurre el código de falla.
Descripción de los cheques
La secuencia corresponde a los números de la tarjeta.
- Comprueba si hay una falla permanente.
- Se determina la presencia de un cortocircuito a tierra en el circuito de control del calentador DDK.
- Se verifica la capacidad de servicio del calentador DDK.
Información de diagnóstico
El controlador ME17.9.71 utiliza un controlador de calentador con sensor de oxígeno con función de autodiagnóstico.
Puede detectar fallas como un circuito abierto, un cortocircuito a tierra o una fuente de alimentación en el circuito de control del calentador.

Código P0038 Calentador de CC después del neutralizador, circuito de control en cortocircuito a la red de a bordo

Se ingresa el código P0038 si:
- - el motor está en marcha;
- - el autodiagnóstico del controlador del calentador detectó un cortocircuito en la red de a bordo en la salida.
La luz indicadora de mal funcionamiento se enciende 2 ciclos de manejo después de que ocurre el código de falla.
Descripción de los cheques
La secuencia corresponde a los números de la tarjeta.
- Comprueba si hay una falla permanente.
- Se determina la presencia de un cortocircuito en el circuito de control del calentador DDK a la red de a bordo.
- Se verifica la capacidad de servicio del calentador DDK.
Información de diagnóstico
El controlador ME17.9.71 utiliza un controlador de calentador con sensor de oxígeno con función de autodiagnóstico.
Puede detectar fallas como un circuito abierto, un cortocircuito a tierra o una fuente de alimentación en el circuito de control del calentador.

Código P0101 Circuito del sensor de flujo de aire masivo, señal fuera de rango

Se ingresa el código P0101 si el flujo de aire, dependiendo de la velocidad del motor NMOT y el ángulo de apertura del acelerador WDKBA, no ese corresponde al calculado.
La luz de advertencia de falla se enciende en el tercer disparo después de que se haya producido una falla permanente.
Descripción de los cheques
La secuencia corresponde a los números de la tarjeta.
1 Comprueba si el controlador está detectando actualmente una falla.
Información de diagnóstico
Debes asegurarte de que no existan las siguientes fallas:
- - Lecturas incorrectas del ángulo de apertura del acelerador.
- - Filtro de aire obstruido en el sistema de admisión de aire. Si es necesario, reemplace el elemento filtrante.
- - Succión de aire no contabilizado. Inspeccione y verifique que el sistema de admisión no tenga succión.
- - Las fases de sincronización están configuradas incorrectamente. Compruebe que la sincronización de la correa de distribución esté configurada correctamente y ajústela si es necesario.

Código P0102 Señal baja del circuito del sensor de flujo de masa de aire

Se ingresa el código P0102 si dentro de 0,5 s el período de la señal TPMSHFM es superior a 850 ms.
La luz de advertencia de falla se enciende en el tercer disparo después de que se haya producido una falla permanente.
Descripción de los cheques
La secuencia corresponde a los números de la tarjeta.
1 Utilizando la herramienta de diagnóstico, se verifica si el código P0102 está activo en el momento del diagnóstico.
Información de diagnóstico
Un mal funcionamiento intermitente puede deberse a un mal contacto, daños al aislamiento o al núcleo del cable, o una conexión poco confiable del sensor a tierra.
Debes asegurarte de que no existan las siguientes fallas:
- - Conexión poco confiable de los contactos “X2/33” del bloque de cableado del sistema de encendido y el controlador. Inspeccione el bloque del arnés y el conector del controlador para verificar que estén completos y alineados correctamente, daños en las cerraduras, presencia de contactos dañados y la calidad de la conexión de los contactos al cable.
- - Daño al torniquete. Compruebe si el arnés está dañado.
- - Filtro de aire obstruido en el sistema de admisión de aire. Si es necesario, reemplace el elemento filtrante.
- - La entrada de agua o polvo en el elemento sensor del sensor de flujo masivo de aire también puede provocar la detección del código P0102.

Código P0103 Circuito del sensor de flujo de aire masivo, señal alta

Se ingresa el código P0103 si dentro de 0,5 s el período de la señal TPMSHFM es menor a 100 ms.
La luz de advertencia de falla se enciende en el tercer disparo después de que se haya producido una falla permanente.
Descripción de los cheques
La secuencia corresponde a los números de la tarjeta.
1 Utilizando la herramienta de diagnóstico, se verifica si el código P0103 está activo en el momento del diagnóstico.
Información de diagnóstico
Un mal funcionamiento intermitente puede deberse a un mal contacto, daños al aislamiento o al núcleo del cable, o una conexión poco confiable del sensor a tierra.
Debes asegurarte de que no existan las siguientes fallas:
- - Conexión poco confiable de los contactos “X2/33” del bloque de cableado del sistema de encendido y el controlador. Inspeccione el bloque del arnés y el conector del controlador para verificar que estén completos y alineados correctamente, daños en las cerraduras, presencia de contactos dañados y la calidad de la conexión de los contactos al cable.
- - Daño al torniquete. Compruebe si el arnés está dañado.

Código P0112 Circuito del sensor de temperatura del aire de admisión, señal baja

Se ingresa el código P0112 si el voltaje de la señal del sensor WTANS es inferior a 0,12 V en 0,2 s.
La luz de advertencia de falla se enciende en el tercer disparo después de que se haya producido una falla permanente.
Descripción de los cheques
La secuencia corresponde a los números de la tarjeta.
- 1 Utilizando una herramienta de diagnóstico, se verifica si el código P0112 está activo en el momento del diagnóstico.
- 2 Verifique la integridad del arnés y la capacidad de servicio del circuito de señal de entrada.
Información de diagnóstico
El controlador suministra al circuito DTV un voltaje de 5 V a través de una resistencia interna.
Si se detecta un mal funcionamiento del sensor de temperatura del aire, el controlador reemplaza las lecturas del sensor con un valor fijo de temperatura del aire (20 °C).
Un mal funcionamiento intermitente puede deberse a daños en el aislamiento o al núcleo del cable, o a un cortocircuito a tierra en el circuito de señal de entrada.
Debes asegurarte de que el arnés no esté dañado.
Si el bloque de cableado no está conectado al sensor de flujo masivo de aire, entonces el código P0102 estará presente en la memoria del controlador junto con el código P0112.

Código P0113 Circuito del sensor de temperatura del aire de admisión, señal alta

Se ingresa el código P0113 si existen las siguientes condiciones:
- - después de arrancar el motor funcionó durante más de 180 s;
- - el motor está en ralentí (B_LL= "Sí") y el suministro de combustible no está cortado (B_SA="Off");
- - en 0,2 s, el voltaje de la señal del sensor WTANS es superior a 4,88 V.
La luz de advertencia de falla se enciende en el tercer disparo después de que se haya producido una falla permanente.
Descripción de los cheques
La secuencia corresponde a los números de la tarjeta.
- 1 Utilizando una herramienta de diagnóstico, se verifica si el código P0113 está activo en el momento del diagnóstico.
- 2 Verifique la integridad del arnés y la capacidad de servicio del circuito de señal de entrada.
Información de diagnóstico
El controlador suministra al circuito DTV un voltaje de 5 V a través de una resistencia interna.
Si se detecta un mal funcionamiento del sensor de temperatura del aire, el controlador reemplaza las lecturas del sensor con un valor fijo de temperatura del aire (20 °C).
Un mal funcionamiento intermitente puede deberse a un mal contacto, daños en el núcleo del cable o un cortocircuito en la red integrada del circuito de señal DTV.
Debes asegurarte de que no existan las siguientes fallas:
- - Conexión poco confiable de los contactos “X2/27”, “X1/47” del bloque de cableado del sistema de encendido y el controlador. Inspeccione el bloque del arnés y el conector del controlador para verificar que estén completos y alineados correctamente, daños en las cerraduras, presencia de contactos dañados y la calidad de la conexión de los contactos al cable.
- - Daño al torniquete. Compruebe si el arnés está dañado.

Código P0116 Circuito del sensor de temperatura del refrigerante, señal fuera del rango aceptable

El código P0116 se ingresa en la memoria del controlador si:
- - el motor está en marcha;
- - la temperatura calculada excede la temperatura medida en el valor umbral.
La luz de advertencia de falla se enciende en el tercer disparo después de que se haya producido una falla permanente.
Descripción de los cheques
La secuencia corresponde a los números de la tarjeta.
- 1 Comprueba el estado del circuito de señal de salida del sensor.
- 2 Se comprueba la capacidad de servicio del circuito de puesta a tierra del sensor.
- 3 Se mide la resistencia del sensor y se determina la causa del código: un mal funcionamiento del sensor o del sistema de refrigeración del motor.
Información de diagnóstico
El controlador suministra al circuito DTOZH una tensión de 5 V a través de una resistencia interna.
Si se detecta una falla, el controlador calcula la temperatura del refrigerante usando un algoritmo especial.
Se debe verificar que el circuito de tierra del sensor no tenga cableado o conexión defectuosos. Verifique los contactos del sensor para ver si hay conexiones confiables.
Es necesario comprobar la resistencia del sensor para garantizar el cumplimiento del valor nominal.
Un mal funcionamiento en el sistema de enfriamiento del motor (termostato abierto, etc.) puede causar el código P0116.

Código P0117 Señal baja del circuito del sensor de temperatura del refrigerante

El código P0117 se ingresa en la memoria del controlador si el voltaje de la señal del sensor WTMOT es inferior a 0,1 V.
La luz indicadora de mal funcionamiento se enciende 2 ciclos de manejo después de que ocurre el código de falla.
Descripción de los cheques
1 Se determina la presencia de un cortocircuito a tierra en el circuito de señal del sensor.
Información de diagnóstico
El controlador suministra al circuito DTOZH una tensión de 5 V a través de una resistencia interna.
Si se detecta una falla, el controlador calcula la temperatura del refrigerante usando un algoritmo especial.
Es necesario comprobar el circuito de señal del sensor en busca de cableado defectuoso y cortocircuito a tierra.
Un mal funcionamiento intermitente puede deberse a un sobrecalentamiento del motor por encima de +130 °C.

Código P0118 Circuito del sensor de temperatura del refrigerante, señal alta

El código P0118 se ingresa en la memoria del controlador si el voltaje de la señal del sensor WTMOT es superior a 4,9 V.
La luz indicadora de mal funcionamiento se enciende 2 ciclos de manejo después de que ocurre el código de falla.
Descripción de los cheques
- 1 Esta prueba simula las condiciones del código P0117: alta temperatura/baja resistencia del sensor.
Si el controlador recibe una señal de bajo voltaje (alta temperatura) y la herramienta de escaneo indica 135 °C o más, entonces el controlador y el circuito del sensor de temperatura del refrigerante están bien.
- 2 Se verifica que el circuito de señal del sensor no tenga un circuito abierto.
- 3 Cuando el sensor está desconectado, el voltaje entre los contactos “1” y “2” del bloque de cableado al DTOZH debe ser de aproximadamente 5 V.
Información de diagnóstico
El controlador suministra al circuito DTOZH una tensión de 5 V a través de una resistencia interna.
Si se detecta una falla, el controlador calcula la temperatura del refrigerante usando un algoritmo especial.
Se debe verificar que el circuito de tierra del sensor no tenga cableado o conexión defectuosos. Verifique los contactos del sensor para ver si hay conexiones confiables

Código P0122 Señal baja del circuito del sensor de posición del acelerador A

Se ingresa el código P0122 si:
- - el encendido está encendido;
- - el voltaje de la señal del sensor de posición del acelerador UDKP1 es inferior a 0,25 V durante 0,12 s.
El indicador de fallo se enciende 5 s después de que aparece el código de fallo.
Descripción de los cheques
La secuencia corresponde a los números de la tarjeta.
- 1: utilizando una herramienta de diagnóstico, se verifica si el código P0122 está activo en el momento del diagnóstico. Si solo se detecta el código P0122, entonces se debe buscar la falla en el circuito de señal del TPS A.
Si se registran los códigos P0122 y P0222 al mismo tiempo, entonces se debe buscar la falla en el circuito de alimentación del TPS A y TPS B.
- 2 - Se verifica el circuito desde el contacto “X2/3” del controlador hasta el contacto “6” del EDP.
- 3 - Se verifica el controlador: cuando puentea los contactos “6” y “2” del bloque al EDP usando una sonda, la señal TPS A en el dispositivo de diagnóstico debería cambiar.
- 4 - Se verifica el circuito desde el contacto “X2/23” del controlador hasta el contacto “2” del EDP.
- 5 - Se verifica el controlador: el contacto “2” del bloque al EDP debe recibir una tensión de referencia de 5 V del controlador.
Información de diagnóstico
Si se detecta una falla en el circuito TPS A, el sistema de control del motor funcionará en modo de emergencia hasta el final del viaje actual.
Son posibles los siguientes modos de emergencia:
- - limitación de potencia del motor, si se usa El circuito B del TPS tiene razón;
- - desactivar el accionamiento del acelerador eléctrico y limitar la velocidad del motor (2500 rpm) si los circuitos TPS A y TPS B están defectuosos.
El dispositivo de diagnóstico en modo "1 - Parámetros; 6 - Parámetros adicionales; 3 - Entradas ADC" muestra las señales de TPS A (UDKP1) y TPS B (UDKP2) en voltios.
Cuando se abre la válvula de mariposa, la señal del TPS A aumenta, la señal del TPS B disminuye.
Con la válvula de mariposa completamente cerrada, la señal del TPS A debe estar en el rango de 0,3...0,6 V, la señal del TPS B debe estar en el rango de 4,4...4,7 V.
La suma de las señales TPS A y TPS B debe ser igual a (5±0,1) V en cualquier posición del acelerador.
Si se reemplaza el EDM o el ECM, o se reinicia el controlador usando una herramienta de diagnóstico (modo "5 - Pruebas adicionales; 1 - Reinicio de la ECU con inicialización"), es necesario realizar el procedimiento de adaptación a cero de la válvula del acelerador.< /p>
Para ello, con el coche parado, hay que poner el contacto, esperar 30 segundos, apagar el contacto, esperar hasta que se apague el relé principal.
La adaptación se cancelará si:
- - el motor arranca;
- - el coche está en movimiento;
- - pedal del acelerador pisado;
- - temperatura del motor inferior a 5 °C o superior a 100 °C;
- - temperatura ambiente inferior a 5 °C.
Si el actuador del acelerador eléctrico está desenergizado, la válvula del acelerador se mantiene en la posición de reposo (7-8%) usando resortes directos y de retorno.

Código P0123 Señal alta del circuito del sensor de posición del acelerador A

Se ingresa el código P0123 si:
- - el encendido está encendido;
- - el voltaje de la señal del sensor de posición del acelerador UDKP1 es superior a 4,75 V durante 0,12 s.
El indicador de fallo se enciende 5 s después de que aparece el código de fallo.
Descripción de los cheques
La secuencia corresponde a los números de la tarjeta.
- 1: utilizando una herramienta de diagnóstico, se verifica si el código P0123 está activo en el momento del diagnóstico. Si solo se detecta el código P0123, entonces se debe buscar la falla en el circuito de señal del TPS A. Si se detectan los códigos P0123 y P0223 al mismo tiempo, entonces se debe buscar la falla en el circuito de tierra de TPS A y TPS B.
- 2 - Se verifica el voltaje en el circuito de señal del TPS A con el sensor desconectado. El voltaje debe ser de alrededor de 0 V.
- 3: prueba el circuito de señal en busca de un cortocircuito a la alimentación.
- 4 - Se está verificando el circuito de tierra de TPS A y TPS B.
Información de diagnóstico
Si se detecta una falla en el circuito TPS A, el sistema de control del motor funcionará en modo de emergencia hasta el final del viaje actual.
Son posibles los siguientes modos de emergencia:
- - limitar la potencia del motor si el circuito TPS B está funcionando;
- - desactivar el accionamiento del acelerador eléctrico y limitar la velocidad del motor (2500 rpm) si los circuitos TPS A y TPS B están defectuosos.
El dispositivo de diagnóstico en modo "1 - Parámetros; 6 - Parámetros adicionales; 3 - Entradas ADC" muestra las señales de TPS A (UDKP1) y TPS B (UDKP2) en voltios.
Cuando se abre la válvula de mariposa, la señal del TPS A aumenta, la señal del TPS B disminuye.
Con la válvula del acelerador completamente cerrada, la señal del TPS A debe estar en el rango de 0,3-0,6 V, la señal del TPS B debe estar en el rango de 4,4-4,7 V.
La suma de las señales TPS A y TPS B debe ser igual a (5±0,1) V en cualquier posición del acelerador.
Si se reemplaza el EDM o el ECM, o se reinicia el controlador usando una herramienta de diagnóstico (modo "5 - Pruebas adicionales; 1 - Reinicio de la ECU con inicialización"), es necesario realizar el procedimiento de adaptación a cero de la válvula del acelerador.< /p>
Para ello, con el coche parado, hay que poner el contacto, esperar 30 segundos, apagar el contacto, esperar hasta que se apague el relé principal.
La adaptación se cancelará si:
- - el motor arranca;
- - el coche está en movimiento;
- - pedal del acelerador pisado;
- - temperatura del motor inferior a 5 °C o superior a 100 °C;
- - temperatura ambiente inferior a 5 °C.
Si el actuador del acelerador eléctrico está desenergizado, la válvula del acelerador se mantiene en la posición de reposo (7-8%) usando resortes directos y de retorno.

Código P0130 El sensor de oxígeno antes del convertidor está defectuoso

Se ingresa el código P0130 si:
- - el motor ha funcionado durante un tiempo suficiente para calentar el sensor de oxígeno (hasta 10 minutos, determinado por la temperatura del refrigerante al arrancar);
- - la señal UDC repite la forma de la señal de control del calentador (cortocircuito del circuito de señal de salida al circuito de control del calentador);
o el voltaje de la señal UDC calentada (parámetro USVKL) está en el rango de 0,6 a 1,5 V, y el voltaje de la señal DDC (parámetro USHKL) es inferior a 0,1 V, mientras el sistema suministra combustible en modo de retroalimentación de señal UDC (В_LR="Sí");
o el voltaje de la señal UDC calentada (parámetro USVKL) está en el rango de 60 a 400 mV, y el voltaje de la señal DDC (parámetro USHKL) es superior a 0,5 V, mientras el sistema suministra combustible en modo de retroalimentación usando la señal UDC (V_LR= "Sí").
La luz de advertencia de falla se enciende en el tercer disparo después de que se haya producido una falla permanente.
Descripción de los cheques
La secuencia corresponde a los números de la tarjeta.
- 1 - El valor de voltaje de la señal del sensor de oxígeno de control se verifica utilizando una herramienta de diagnóstico.
- 2 - Se comprueba la capacidad de servicio del circuito de señal del sensor.
Información de diagnóstico
El voltaje en el pin "A" de un sensor de oxígeno frío es de 1,6 V. Para un sensor caliente, el voltaje cuando funciona en un circuito cerrado varía en el rango de 50-900 mV.

Código P0131 Circuito del sensor de oxígeno al convertidor, señal de salida baja

Se ingresa el código P0131 si:
- - el motor ha funcionado durante un tiempo suficiente para calentar el sensor de oxígeno (hasta 10 minutos, determinado por la temperatura del refrigerante al arrancar);
- - el voltaje de la señal del sensor de oxígeno de control de frío USVKL es inferior a 60 mV durante 5 s;
o dentro de 10 segundos, el voltaje de la señal UDC calentada (parámetro USVKL) es inferior a 60 mV, y el voltaje de la señal DDC (parámetro USHKL) es superior a 0,5 V, mientras el sistema suministra combustible en modo de retroalimentación usando la señal UDC (V_LR=" Yes").
La luz de advertencia de falla se enciende en el tercer disparo después de que se haya producido una falla permanente.
Descripción de los cheques
La secuencia corresponde a los números de la tarjeta.
- 1 - El valor de voltaje de la señal del sensor de oxígeno de control se verifica utilizando una herramienta de diagnóstico.
- 2 - Se comprueba la capacidad de servicio del circuito de señal del sensor.
Información de diagnóstico
El voltaje en el pin "A" de un sensor de oxígeno frío es de 1,6 V. Para un sensor caliente, el voltaje cuando funciona en un circuito cerrado varía en el rango de 50-900 mV.

Código P0132 Circuito del sensor de oxígeno al convertidor, nivel de salida alto

Se ingresa el código P0132 si:
- - el motor ha funcionado durante un tiempo suficiente para calentar el sensor de oxígeno (hasta 10 minutos, determinado por la temperatura del refrigerante al arrancar);
- - el voltaje de la señal del sensor de oxígeno de control USVKL es superior a 1,2 V durante 5 s.
La luz de advertencia de falla se enciende en el tercer disparo después de que se haya producido una falla permanente.
Descripción de los cheques
La secuencia corresponde a los números de la tarjeta.
- 1 - El valor de voltaje de la señal del sensor de oxígeno de control se verifica utilizando una herramienta de diagnóstico.
- 2 - Se comprueba la capacidad de servicio del circuito de señal del sensor.
Información de diagnóstico
El voltaje en el pin "A" de un sensor de oxígeno frío es de 1,6 V. Para un sensor caliente, el voltaje cuando funciona en un circuito cerrado varía en el rango de 50-900 mV.

Código P0133 Circuito del sensor de oxígeno al convertidor, respuesta lenta a cambios en la composición de la mezcla

Se ingresa el código P0133 si:
- - el período de la señal UDC DTPSVKMF es superior a 2 segundos;
- - no hay códigos de falla P0030, P0031, P0032, P0441, P0444, P0458, P0459, P0560, P0562, P0563;
- - el control del suministro de combustible se realiza en modo de retroalimentación basándose en la señal del sensor de oxígeno de control (B_LR="Sí");
- - el neutralizador se ha calentado a la temperatura de funcionamiento;
- - La velocidad del cigüeñal del motor NMOT está en el rango de 1440 a 2880 rpm;
- - el valor del parámetro de carga RL está en el rango del 15 al 50%;
- - han pasado más de 10 segundos desde que se apagó la purga del adsorbedor.
La luz de advertencia de falla se enciende en el tercer disparo después de que se haya producido una falla permanente.
Descripción de los cheques
La secuencia corresponde a los números de la tarjeta.
- Comprueba si hay otras fallas.
- Comprueba si hay una falla permanente.
- Se comprueba la posibilidad de que se produzca un código debido a un mal funcionamiento en el sistema de escape o a un contacto roto, y se comprueba el circuito de puesta a tierra del sensor.
- Se comprueba la capacidad de servicio del circuito de señal de salida del sensor.
- Se comprueba la capacidad de servicio del circuito de señal de salida del sensor.
Información de diagnóstico
Un mal funcionamiento intermitente puede deberse a las siguientes fallas:
Conexión incorrecta o poco confiable de los contactos de los bloques de cableado del sistema de encendido, sensor y controlador. Inspeccione los conectores del sensor y del controlador, los conectores del mazo de cables para verificar que estén completos y alineados correctamente, daños en las cerraduras, la presencia de contactos dañados y la calidad de la conexión de los contactos al cable.
Daños en el arnés. Compruebe el arnés en busca de daños.

Código P0134 El circuito del sensor de oxígeno al convertidor está inactivo

Se ingresa el código P0134 si:
- - el motor ha funcionado durante un tiempo suficiente para calentar el sensor de oxígeno (hasta 10 minutos, determinado por la temperatura del refrigerante al arrancar);
- - el voltaje de la señal del sensor de oxígeno USVKL estuvo en el rango de 1,2...1,6 V durante 5 s.
La luz de advertencia de falla se enciende en el tercer disparo después de que se haya producido una falla permanente.
Descripción de los cheques
La secuencia corresponde a los números de la tarjeta.
- 1 Si el voltaje está dentro de los límites especificados, entonces el sensor de oxígeno no se ha calentado o el circuito de señal de salida del sensor está defectuoso.
- 2 La capacidad de servicio del circuito de señal de entrada del sensor se verifica midiendo el voltaje entre el contacto "A" del bloque de cableado y tierra.
Información de diagnóstico
El voltaje en el pin “A” del sensor de oxígeno frío es de 1,6 V.
Para un sensor calentado, el voltaje cuando funciona en un circuito cerrado varía en el rango de 50...900 mV.
La causa del código P0134 puede ser:
- - potencia insuficiente del calentador del sensor de oxígeno;
- - instalación de un tipo diferente de sensor de oxígeno;
- - contacto poco fiable en el arnés y las almohadillas del sensor.
Si se registra lo siguiente simultáneamente con el código P0134
- código P0030, entonces la causa probable del mal funcionamiento es la desconexión del bloque del sensor de oxígeno del mazo de cables y la solución de problemas debe comenzar con el mapa de códigos P0030.

Código P0135 Sensor de oxígeno antes del convertidor, calentador defectuoso

Se ingresa el código P0135 si:
- - el motor está en marcha;
- - la temperatura del neutralizador calculada por el controlador está por encima del umbral;
- - La resistencia UDC calculada por el controlador está por encima del umbral.
La luz de advertencia de falla se enciende en el tercer disparo después de que se haya producido una falla permanente.
Descripción de los cheques
La secuencia corresponde a los números de la tarjeta.
- Compruebe la fiabilidad de la conexión entre el sensor de oxígeno y el mazo de cables.
Información de diagnóstico
Durante el funcionamiento, el controlador calcula la resistencia del elemento sensible UDC, que depende de la temperatura de funcionamiento del sensor.
Este, a su vez, está determinado por la temperatura de su calentador y de los gases de escape.
Dependiendo del modo de funcionamiento del motor, la resistencia del sensor de oxígeno puede variar en el rango de 90...550 ohmios.
Si el código P0030 se registra simultáneamente con el código P0135, entonces la solución de problemas debe comenzar con el mapa de códigos P0030.
La causa del código P0135 puede ser:
- - instalación de un tipo diferente de sensor de oxígeno;
- - contacto poco fiable en el arnés y las almohadillas del sensor.
