Durante diversos impactos, partes del cuerpo se deforman, lo que a veces no se puede determinar visualmente

Por lo tanto, para una corrección más precisa del cuerpo y una evaluación de la deformación, se deben utilizar dimensiones de referencia.

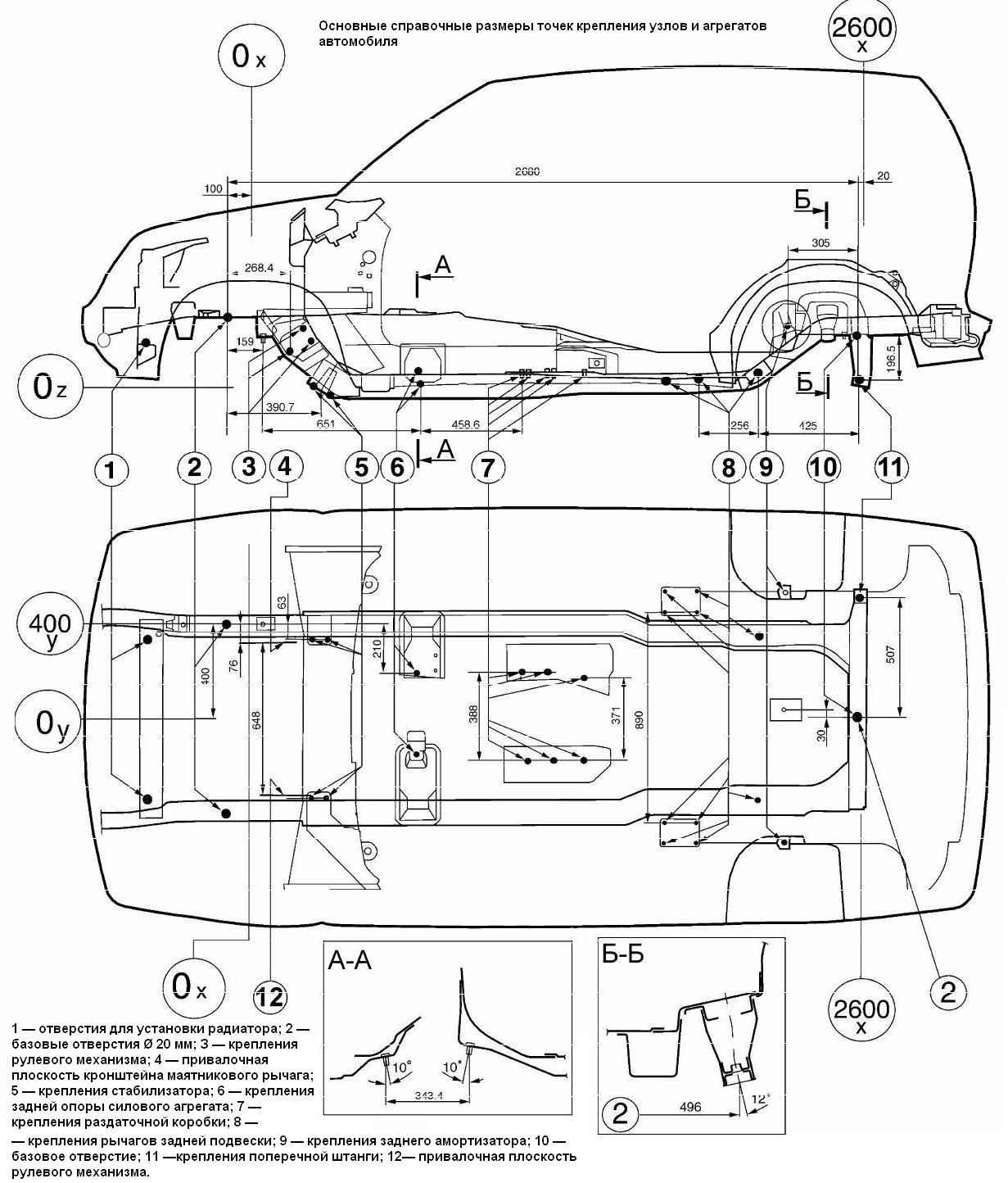
Los puntos de referencia se muestran en la Figura 1.

El diseño del marco está diseñado para que cuando se impacta desde cualquier lado, la energía del impacto sea absorbida.

Las partes de la carrocería que componen el interior deben recibir la mínima deformación posible, es decir, la carrocería debe eliminar o reducir la gravedad de las consecuencias del accidente.

Principales dimensiones de referencia de los puntos de montaje de los componentes y conjuntos del vehículo: 1 - orificios para la instalación del radiador; 2 - orificios de base ∅ 20 mm; 3 - soporte del mecanismo de dirección; 4 - plano de acoplamiento del soporte del brazo pendular; 5 - soporte estabilizador; 6 - fijación del soporte trasero de la unidad de potencia; 7 - fijación de la caja de transferencia; 8 - fijación de los brazos de suspensión trasera; 9 - soporte del amortiguador trasero; 10 - agujero base; 11 - fijación de la varilla transversal; 12 - plano de acoplamiento del mecanismo de dirección

Los parachoques se utilizan para absorber la energía del impacto durante una colisión.

Para garantizar la seguridad dentro de la cabina hay un panel de instrumentos suave, cubiertas de pilares y el diseño de otros elementos.

Los cinturones de seguridad también desempeñan un papel determinado a la hora de garantizar la seguridad.

El bastidor de la carrocería incluye los siguientes elementos: parte delantera, piso, paredes laterales, techo con marco de ventanilla, panel trasero y elementos de potencia: largueros, travesaños, bastidores.

Partes del equipo: paneles delanteros de la carrocería y componentes montados: capó, portón trasero, guardabarros delanteros.

Todas las piezas y conjuntos, excepto los elementos articulados y las aletas delanteras, están conectados mediante soldadura por puntos de resistencia, y las piezas del marco con cargas significativas se sueldan adicionalmente mediante soldadura por arco eléctrico.

La parte delantera consta de un escudo vertical, guardabarros, travesaños, caja de entrada de aire, amplificadores y otras piezas pequeñas.

Los guardabarros están conectados a los largueros delanteros.

El piso del vehículo incluye los pisos delantero, medio y trasero.

En la parte delantera, que tiene forma de artesa, hay un túnel para colocar los tubos de escape, combustible y frenos.

El túnel sirve para proteger estas piezas de daños y aumentar la rigidez del suelo.

Los largueros están soldados a lo largo de los pisos. Los travesaños delantero, medio y trasero también están soldados al suelo.

Los lados del cuerpo constan de paneles externos e internos.

Los exteriores son macizos con pilares centrales y traseros y aberturas para ventanas laterales.

Los paneles internos de la carrocería combinan estructuralmente los pasos de rueda exteriores traseros y los refuerzos de los puntales.

Detrás del amplificador, en el lado derecho, hay un nicho para instalar una trampa de vapor de gasolina, ranuras y bridas para sellos de puertas y vidrios.

Los componentes extraíbles son puertas, portón trasero, capó, guardabarros delanteros, parachoques, molduras del radiador, etc.

Las alas se fijan al marco con pernos autorroscantes; Se instalan juntas debajo de las alas para reducir la vibración. Las bisagras de la puerta delantera y del capó se pueden ajustar.

Para aumentar la rigidez y resistencia de la carrocería se utilizan forros de refuerzo, soportes y nervaduras de refuerzo.

Para proteger contra daños mecánicos y crear aislamiento térmico y acústico, la parte exterior inferior de la carrocería, los guardabarros de las ruedas y las superficies internas de las alas están cubiertas con material anticorrosión, y el piso de la cabina y el maletero están cubiertos con masillas especiales amortiguadoras de vibraciones.

Antes de soldar las zonas susceptibles a la corrosión, las piezas a soldar se recubren con un compuesto conservante especial.

Las superficies externas e internas del cuerpo se tratan con compuestos especiales, como resultado de lo cual se forman en ellas compuestos protectores que son insolubles en agua.

El exterior de la carrocería está pintado con esmaltes sintéticos.

Elementos de la carrocería que aumentan la seguridad

La velocidad más probable del vehículo durante el impacto es de 80 km/h para impactos frontales y traseros y de 64 km/h para impactos laterales.

Estas cifras son el punto de partida para calcular la resistencia de las carrocerías y desarrollar medidas de diseño para garantizar la seguridad de los turismos.

Cavidades ocultas del cuerpo (vista lateral): 1 - capó; 2 - alerón delantero; 3 - tornillo; 4 - cuerpo; 5 - puerta de entrada; 6 - puerta trasera; 7 - tapa de registro, boca de llenado culpa; 8 - tuerca con brida; 9 - soporte del parachoques delantero; 10 - viga del parachoques delantero

Mejorar la seguridad del vehículo incluye medidas de seguridad "activas", que ayudan a prevenir accidentes, y medidas de seguridad "pasivas", que están integradas en el diseño del automóvil para garantizar la seguridad del conductor y los pasajeros si no se puede evitar un accidente.

Las medidas de seguridad "activa" del vehículo incluyen el desarrollo de diseños de piezas y conjuntos que garanticen la eficiencia de frenado y el funcionamiento confiable del sistema de frenado, sistemas de frenos antibloqueo que permitan que el automóvil se mueva en una dirección determinada al frenar, así como así como medidas para aumentar la visibilidad de la carretera y alrededores desde el asiento del conductor.

Esto incluye la instalación de un limpiaparabrisas de modo dual, un calentador y un ventilador, que evitan la formación de hielo y el empañamiento del vidrio.

Las medidas de seguridad pasiva implican prevenir o reducir las lesiones del conductor y los pasajeros en un accidente.

El resultado se logra proporcionando una zona protectora alrededor de cada pasajero, limitando la capacidad del conductor y de los pasajeros para moverse en relación con el asiento, reduciendo el nivel de lesiones por impactos en las superficies internas de la cabina y asegurando que el El conductor y los pasajeros pueden salir del vehículo accidentado.

Garantizar las propiedades protectoras de la carrocería consiste en desarrollar e implementar soluciones de diseño que permitan crear una zona protectora alrededor del conductor y los pasajeros.

El interior rígido, combinado con las partes delanteras y traseras de la carrocería que absorben energía, reduce la aceleración de las personas en el momento del impacto y proporciona la mejor zona de protección posible alrededor de los pasajeros.

Las carrocerías de este diseño se construyen según el principio de intensidad energética progresiva, es decir, con un determinado grado de refuerzo de algunas partes con la compresión máxima permitida de otras para absorber la energía del impacto.

Sobre las puertas, las bisagras y las cerraduras de las puertas actúan cargas muy grandes debidas a impactos en diferentes direcciones (longitudinal, transversal y vertical).

Las puertas protegen el interior de la penetración de objetos extraños durante un accidente y no deben abrirse durante una colisión para que los pasajeros no puedan caerse del cuerpo.

Las cerraduras de las puertas están equipadas con un sistema de bloqueo confiable que evita su desbloqueo accidental bajo la influencia de cargas inerciales o durante un impacto en el momento de un accidente, ya que las puertas en sí no están excluidas del contorno general de rigidez del interior de la carrocería.

Para proteger al conductor y a los pasajeros en caso de colisiones laterales, se han incorporado barras protectoras en forma de caja en las puertas de la carrocería.

La viga se coloca dentro de la puerta entre el cristal corredero y el panel exterior.

Además de proteger el interior de la penetración de un coche impactante, las barras parecen mover el coche impactado hacia un lado.

Cavidades ocultas del cuerpo (vista superior): 1 - cuerpo; 2 - viga del parachoques delantero; 3 - capó; 4 - bisagra del capó; 5 - puerta trasera

Los parachoques de los turismos modernos tienen propiedades protectoras combinadas con elementos decorativos creados por los diseñadores.

Hoy en día instalan parachoques de perfil ancho y con las formas más redondeadas.

Sus propiedades protectoras son altas, los parachoques protegen el automóvil de daños en colisiones leves y deben cumplir con los estándares internacionales de seguridad.

Los sistemas que restringen el movimiento del conductor y los pasajeros dentro del cuerpo incluyen asientos y cinturones de seguridad.

El nivel de lesiones en accidentes se reduce de manera más efectiva si el diseño del vehículo prevé una sujeción confiable del pasajero al asiento, que, a su vez, no debe arrancarse del piso de la carrocería bajo la influencia de sobrecargas de emergencia.

Los asientos están asegurados para que puedan soportar los requisitos de seguridad para cargas longitudinales que actúan en ambas direcciones, así como el par.

Los cinturones de seguridad disponen de un sencillo dispositivo de bloqueo que proporciona una sujeción segura y, si es necesario, permite desabrocharlos rápidamente.

En posición de trabajo, los cinturones proporcionan suficiente libertad de movimiento al conductor y no interfieren con la conducción.

Los cálculos y la práctica demuestran que los cinturones de seguridad protegen de forma fiable a los pasajeros en caso de impacto frontal a velocidades de hasta 80 km/h.

El siguiente elemento es el volante.

La seguridad del volante tiene como objetivo excluir casos de lesiones graves a los conductores en colisiones frontales de vehículos.

De acuerdo con los requisitos, durante una prueba de choque de un vehículo con una barrera de hormigón armado que pese al menos 70 toneladas a una velocidad 48,3 km/h La parte superior de la columna de dirección y el eje de dirección no deben moverse hacia atrás en forma horizontal y paralela al eje longitudinal del vehículo más de 12,7 cm.

Si la columna de dirección choca con un modelo de torso que golpea la columna con una velocidad relativa de al menos 24,1 km/h, entonces la fuerza ejercida por la columna de dirección en la parte delantera del modelo de torso no excederá los 11,35 kN (1135 kgf).

Los parabrisas de los automóviles deben cumplir con los requisitos de la normativa ONU EEE.

Por ejemplo, las ventanillas de los coches VAZ son de tres capas; constan de dos cristales pulidos perfilados con una capa de plástico transparente pegajoso.

La principal ventaja de un parabrisas laminado es que, tras el impacto, las grietas se propagan desde el centro del impacto, los fragmentos se retienen sobre una capa de plástico, el vidrio conserva su transparencia, forma y no se cae por la abertura de la carrocería.

Las ventanillas trasera y lateral están fabricadas en vidrio templado y se someten a un tratamiento térmico especial para garantizar una mayor resistencia.

Cuando se rompen, estos vasos se rompen en muchos fragmentos pequeños sin esquinas ni bordes afilados que puedan causar heridas profundas.

Los reposacabezas deben evitar lesiones graves, como daños en las vértebras cervicales y en las vértebras de la parte superior del pecho.

Estas lesiones ocurren cuando un vehículo en movimiento golpea la parte trasera de un vehículo parado.

En este tipo de accidente de tráfico, la resistencia de los reposacabezas debe cumplir con las normas internacionales de la UNECE y su diseño debe excluir la posibilidad de lesiones al pasajero trasero en una colisión frontal.

El interior del cuerpo es importante. Incluye molduras interiores, que deben cumplir con los requisitos estéticos y ergonómicos modernos.

El panel de instrumentos está fabricado sin partes salientes ni bordes afilados, con una ubicación conveniente de la instrumentación y los controles.

La intensidad energética del panel está garantizada no sólo por el suave tapizado, sino también por la introducción en la estructura del marco de paneles de finas chapas de acero, que son capaces de absorber energía en caso de impacto debido a su deformación parcial.

Los reposabrazos, las puertas y los parasoles están revestidos con materiales suaves.

Las manijas de las puertas, los elevalunas eléctricos, los botones de los interruptores y las cerraduras de las puertas están colocados y fabricados de manera que, en caso de impacto, el pasajero no pueda resultar herido.

Daños del coche en accidentes

El mayor número de colisiones de vehículos se produce en la parte delantera, algo menos en la parte trasera y el menor en los laterales.

Los daños a la carrocería resultantes de una colisión se dividen en tres categorías. La primera categoría incluye daños muy graves, como resultado de los cuales es necesario reemplazar la carrocería.

La segunda categoría incluye daños moderados, en los que la mayoría de las piezas requieren reemplazo o reparaciones complejas.

El tercero incluye daños menos significativos: agujeros, desgarros en los paneles frontales, abolladuras y rayones causados ​​por impactos al conducir a baja velocidad.

Estos daños no suponen ningún peligro para los pasajeros y el conductor durante el funcionamiento del coche, aunque su aspecto no cumple con los requisitos estéticos.

Cavidades corporales ocultas (vista inferior): 1 - cuerpo; 2 - portón trasero; 3 - bucle de conexión; 4 - bisagra superior de la puerta

El daño más destructivo a la carrocería se observa durante las colisiones frontales: impactos causados ​​al automóvil directamente en la parte delantera de la carrocería o en un ángulo de no más de 40 a 45° en el área de la A- pilares.

Este tipo de colisiones suelen producirse entre dos vehículos que se dirigen hacia ellos, cuyas velocidades se suman, lo que genera altas cargas de impacto.

La cantidad de energía que debe absorberse durante este tipo de colisiones es enorme: entre 80 y 100 kJ para un coche que pesa aproximadamente una tonelada.

Esta energía se absorbe cuando el coche se deforma en menos de 0,1 s.

La carrocería del automóvil se destruye, especialmente su parte delantera, y las grandes cargas resultantes en las direcciones longitudinal, transversal y vertical se transfieren a todas las partes adyacentes del bastidor de la carrocería y especialmente a sus elementos de potencia.

Veamos lo dicho usando ejemplos

Así, el impacto frontal del coche se produjo con la parte delantera de la carrocería en la zona del guardabarros delantero izquierdo, larguero y faro izquierdo.

Se producen daños devastadores en el panel frontal, los guardabarros, el capó, los guardabarros, los largueros delanteros, el marco del parabrisas y el techo.

Esta deformación está cansada se integra visualmente.

Se producen deformaciones invisibles en los pilares A, B y traseros de ambos lados, en las puertas delanteras y traseras izquierdas, en el guardabarros trasero izquierdo e incluso en el panel del maletero trasero.

O: la colisión se produjo con la parte delantera de la carrocería del automóvil en un ángulo de 40 a 45°.

Los guardabarros delanteros, el capó, el panel frontal, los guardabarros y los largueros delanteros sufrieron daños devastadores.

Es casi imposible restaurar los puntos básicos de la parte delantera de la carrocería sin sustituir las partes deformadas por otras nuevas.

En este caso, es necesario restablecer las dimensiones a lo largo de las aberturas de las puertas delanteras y la posición de los pilares delantero y central, ya que las cargas de fuerza se transmitieron a través de las puertas delanteras a los pilares delantero y central de la carrocería, creando fuerzas de compresión en el umbral y la parte superior del costado del cuerpo.

Otro ejemplo: se dio un golpe desde el lateral hacia la parte delantera de la carrocería del coche, en la zona donde el panel frontal se une a las partes delanteras del larguero y al alerón izquierdo.

Ambas aletas delanteras, el panel frontal, los guardabarros, los largueros y el capó sufren daños devastadores.

Las fuerzas de tracción interrumpen la apertura de la puerta delantera izquierda, las fuerzas de compresión provocan deformaciones en la apertura de la puerta derecha y en la pared lateral de la puerta delantera izquierda.

Los pilares delantero y central también reciben importantes sobrecargas de fuerza y ​​se desvían de su posición original.

El golpe se recibió desde un lateral, en el pilar A de la carrocería del coche, en el lado izquierdo.

Al mismo tiempo, el pilar delantero izquierdo, el marco de la ventanilla, el techo, el piso y los largueros delanteros del piso, el panel frontal, el capó, los guardabarros, los guardabarros y los largueros delanteros están significativamente deformados.

La parte delantera de la carrocería se movió hacia la izquierda, el umbral y la parte superior de la pared lateral derecha recibieron cargas de tracción, y los pilares central y trasero recibieron cargas de compresión; el guardabarros derecho junto con el pilar delantero experimentaron fuerzas de desgarro.

Durante una inspección externa de la carrocería dañada, es posible determinar la presencia de distorsiones en la extensión o retracción de las puertas, la tapa del maletero y el capó en relación con las superficies estacionarias de las partes de la carrocería.

La violación de la uniformidad de los espacios a lo largo de las líneas de contacto de las piezas montadas y fijas también indica la presencia de deformaciones en las partes del bastidor de la carrocería causadas por el accidente.

Cabe recordar que una inspección externa no puede determinar desviaciones en las dimensiones lineales de las aberturas de la carrocería y los parámetros geométricos en función de los puntos base de la base de la carrocería.

Para estos fines es necesario utilizar instrumentos de medición, dispositivos de control especiales y soportes.

Daños al cuerpo causados ​​durante la operación

Estamos hablando de daños menos importantes en la carrocería que se producen durante el funcionamiento del coche y que empeoran el aspecto.

Las abolladuras aparecen como resultado de deformaciones residuales debido a impactos, reparaciones inadecuadas y también debido a un ensamblaje de carrocería de mala calidad.

Las abolladuras pueden ser simples y fáciles de reparar, o complejas, con curvas y pliegues pronunciados o ubicadas en lugares de difícil acceso para reparar.

Las grietas son daños corporales comunes.

Pueden aparecer en cualquier lugar como resultado de una sobretensión del metal (impactos, dobleces), así como como resultado de conexiones débiles de componentes y piezas y una resistencia estructural insuficiente.

Los desgarros y agujeros se dividen en simples, que toman la forma de una grieta después de enderezar el metal, y complejos, que requieren la aplicación de parches al reparar la zona dañada.

Las roturas en partes del cuerpo se caracterizan por el tamaño de la parte rasgada del panel o cola.

Las roturas grandes a menudo se eliminan instalando insertos con un perfil complejo y, en algunos casos, la pieza se reemplaza por completo.

Las superficies metálicas estiradas se distinguen por su ubicación: en la superficie del panel en forma de protuberancia y en las pestañas de las piezas (lados y bordes estirados).

La corrosión en su manifestación externa puede ser uniforme, cuando el metal se destruye uniformemente en toda la superficie, y local, cuando el metal se destruye en áreas individuales.

Esta última forma de corrosión se detecta por manchas oscuras o puntos negros profundos en el metal y es más peligrosa, ya que el metal puede colapsar rápidamente con la formación de agujeros pasantes.

El fallo de las uniones soldadas se produce en conjuntos de piezas que están conectadas mediante soldadura por puntos y en soldaduras continuas del cuerpo.

El fallo de las uniones remachadas es el resultado del aflojamiento o corte de los remaches, así como del desgaste de los orificios de los pernos y remaches.

Las deflexiones, distorsiones y torsiones generalmente ocurren como resultado de cargas de emergencia.

Las distorsiones pueden ser entre nodos y en el plano de una unidad o parte (distorsión en la entrada de la carrocería, distorsión en la puerta misma, desviación del piso).

El desgaste de orificios y varillas se produce como resultado de la fricción por rodadura (ejes y orificios en las bisagras de las puertas) o por el aflojamiento del conjunto con remaches o pernos; Desgaste de superficies: debido a la carga sistemática aplicada a la superficies, por ejemplo, al transportar cargas abrasivas en la parte trasera de un coche.

En la reparación de automóviles se utilizan dos áreas principales de control dimensional: sistemas mecánicos (sondas, cintas métricas, plantillas, etc.) y sistemas ópticos que proyectan un rayo láser sobre los puntos de control.