Un generador de corriente alterna con un rectificador semiconductor incorporado y un regulador de voltaje integrado es la principal fuente de energía eléctrica

El generador es una máquina eléctrica síncrona trifásica de doce polos con una unidad rectificadora incorporada, un condensador supresor de interferencias, un portaescobillas con regulador de tensión y un sistema de ventilación de tiro forzado.

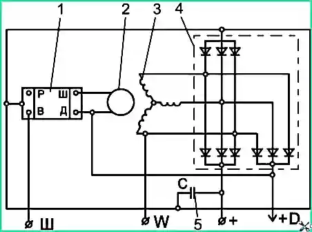
Generador: 1 - portaescobillas; 2 - estator; 3 - eje del rotor; 4 - ventilador; 5, 7 - cojinetes; 6 - polea; 8 - anillos de contacto; 9 - pinceles

El generador funciona en un circuito eléctrico de bus de un solo cable con el "negativo" conectado al cuerpo.

El generador está conectado en paralelo con las baterías de almacenamiento y proporciona energía a los consumidores en cualquier modo de funcionamiento del motor, además de recargar las baterías de almacenamiento.

El generador está montado en el motor y es impulsado por la polea del cigüeñal del motor.

El generador está unido al motor con dos patas a través de un soporte y con una tercera pata a una barra tensora, la cual, al moverse, tensa la correa de transmisión del generador.

El diagrama esquemático del generador se muestra en la Fig. 2

Circuito generador 3112.3771; 1- regulador de voltaje; 2 - rotor; 3 - estator; 4 - bloque rectificador; 5- condensador de supresión de interferencias. Conclusiones: "+" - para la conexión a la batería y la carga; "Ш" - para la conexión al interruptor de encendido y a la luz indicadora de carga de la batería; "W" - para conexión al tacómetro; "+0" - para conexión al circuito de bloqueo del arrancador

¡Atención! Desconecte y conecte los cables al generador sólo cuando la batería esté desconectada.

El correcto funcionamiento del generador solo está garantizado si todos los contactos están conectados eléctricamente de forma fiable, incluso entre el cuerpo del generador y el motor.

El funcionamiento del generador con la batería desconectada puede dañar el regulador de tensión, así como otros consumidores de la red de a bordo.

El mantenimiento y la reparación del generador deben realizarse únicamente en talleres especializados y por especialistas cualificados.

Verifique la unidad rectificadora únicamente en un generador desmontado y con el devanado del estator desconectado.

Realice la prueba únicamente desde una fuente de CC con un voltaje no mayor a 24 V, conectada en serie con la lámpara de prueba.

Mantenimiento del generador

Para garantizar el funcionamiento del generador, se recomienda mantenerlo limpio y seguir las siguientes reglas de mantenimiento.

Verifique diariamente el rendimiento del generador utilizando las lecturas de la lámpara de control y el voltímetro ubicados en el grupo de instrumentos del panel de instrumentos.

Cuando el motor arranca, la luz indicadora debe encenderse y, una vez que el motor arranca, debe apagarse.

Cuando el generador está funcionando normalmente, la aguja del voltímetro está en la zona verde de la escala "G" (generador).

La ubicación de la aguja del voltímetro en cualquiera de las zonas rojas de esta escala indica un mal funcionamiento del generador.

El estado y la tensión de las correas de transmisión deben comprobarse diariamente. Durante el TO-1 se realizan comprobaciones mediante instrumentos de medición.

Se debe prestar especial atención a la tensión de las correas al inicio de su funcionamiento durante (1-2) días.

La tensión de la correa se ajusta de tal manera que al presionar en el centro de la correa con una fuerza de 40 N, la deflexión está dentro de (10-15) mm.

Al instalar correas nuevas, se permite establecer un valor de deflexión menor: 10 mm.

La tensión de la correa se ajusta mediante la barra tensora.

Para ello, después de aflojar la fijación del generador al soporte y a la barra, mueva el cuerpo del generador a la posición deseada y fíjelo.

¡Atención! Si la tensión de la correa es débil, el generador no entregará toda la potencia. Si la correa está demasiado tensa o torcida, el generador fallará prematuramente.

El criterio para el estado límite de la correa es la delaminación de más de 1/3 de la longitud, la presencia de grietas en el caucho hasta el cordón y la imposibilidad de compensar el alargamiento en la transmisión.

Al comprobar la tensión e instalar una correa nueva, verifique que no haya daños, que no haya grasa en las superficies de las ranuras de las poleas y que las ranuras de las poleas estén en el mismo plano.

Se recomienda comprobar al menos una vez al mes el nivel de carga de las baterías, que no debe ser inferior al 75%.

Durante el TO-2 sin desmontar el generador del motor, se debe comprobar la fijación del generador al motor y la fijación de las tuercas de los tirantes de la tapa.

Verifique la estanqueidad y la limpieza de todas las conexiones de cables al generador y a las baterías. Si es necesario, limpie los puntos de conexión, apriete las tuercas y tornillos de contacto.

Durante cada mantenimiento estacional (sin retirar el generador), se debe verificar el estado del conjunto de escobillas en el siguiente orden:

Desconecte el cable del terminal "Ш" del generador.

Desatornille los tornillos que sujetan el portaescobillas y retírelo con cuidado.

Verificar el libre movimiento de las escobillas en las guías del portaescobillas (sin atascos ni tirones).

Comprueba la altura de los cepillos, que debe ser de al menos 8 mm. Reemplace las escobillas si es necesario.

Instale el portaescobillas con escobillas en el generador en el orden inverso.

El generador debe retirarse del motor únicamente para realizar reparaciones de rutina y trabajos relacionados con el desgaste de los anillos de contacto, el reemplazo de cojinetes y otros trabajos especiales.

Si el desgaste de los anillos de contacto supera los 0,5 mm de diámetro, es necesario tornearlos.

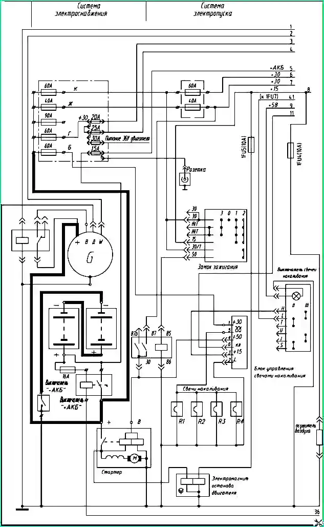
Diagrama de alimentación y puesta en marcha
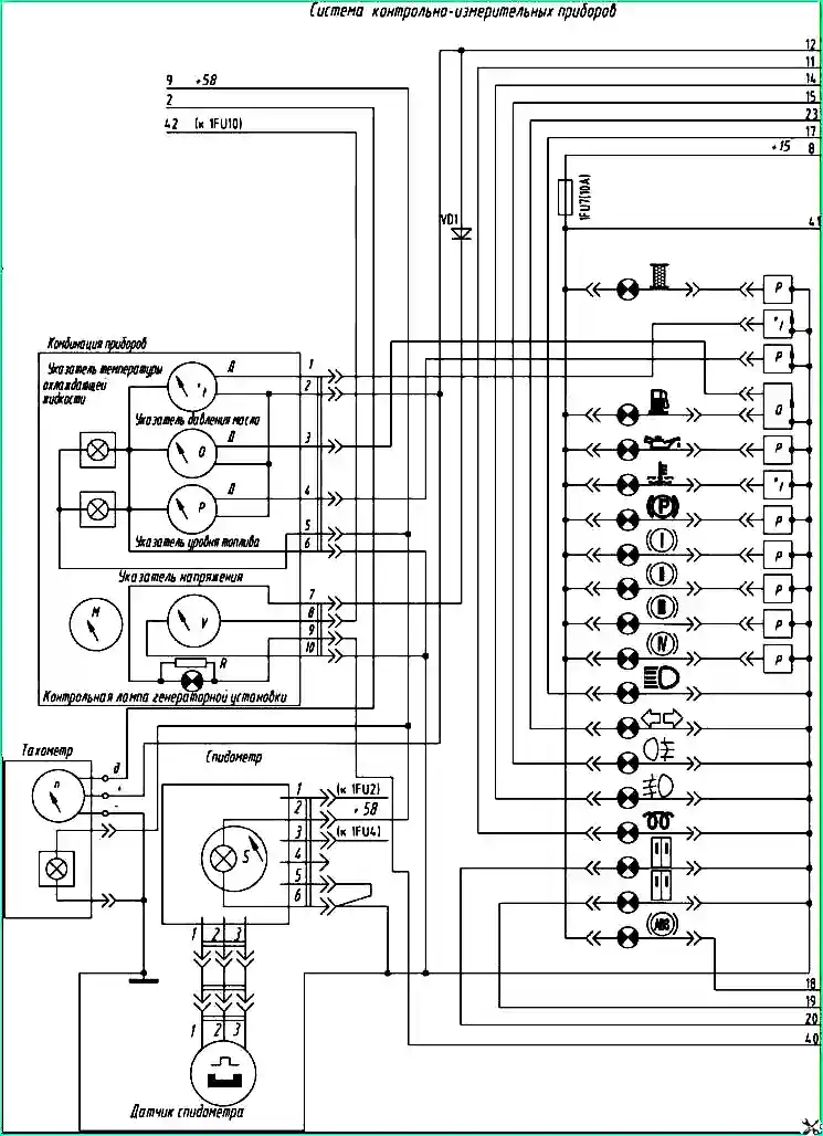
Diagrama de instrumentación de control y medición

Inicio

El motor de arranque es un motor eléctrico de cuatro polos con un relé de tracción electromagnético y un accionamiento con embrague de rueda libre.

El arranque se activa mediante el instrumento y la llave del interruptor de arranque.

¡Atención! Está prohibido accionar el arranque cuando el motor esté en marcha, así como mover el autobús desde parado girando la transmisión a través del motor con el arranque.

Comprobación del estado del motor de arranque diésel

Cada 120.000 km de recorrido:

Compruebe el apriete de los tornillos de montaje y apriételos si es necesario.

Pele las puntas de los cables de los terminales de arranque y de la batería y ajuste sus sujetadores.

Retire la tapa del lado del colector y verifique el estado del conjunto cepillo-colector.

La superficie de trabajo del colector debe ser lisa y no presentar quemaduras significativas.

Si el colector está sucio o presenta importantes rastros de quemado, límpielo con un paño limpio empapado en gasolina.

Si no es posible eliminar la suciedad o las marcas de quemaduras con un paño, limpie el colector con papel de lija fino.

Si hay un exceso de suciedad en el colector que no se puede limpiar, encienda el colector en una máquina.

Las escobillas deben moverse libremente en los portaescobillas y ajustarse firmemente contra el conmutador.

Cuando las escobillas estén desgastadas hasta el límite, o presenten desgastes importantes, sustitúyalas por otras nuevas.

Limpie con aire comprimido la unidad de recolección de cepillos y la tapa del lado del colector.

Verifique el estado del sistema de contactos del relé de arranque.

En caso de quemaduras importantes, limpie los pernos de contacto y la placa de contacto con papel de lija o una lima, eliminando las irregularidades causadas por las quemaduras, sin alterar la planitud de las superficies de contacto de los pernos de cobre.

Si la placa y los pernos están muy desgastados, gire la placa de contacto y gire los pernos de contacto 180°.

Compruebe la facilidad de movimiento del accionamiento a lo largo del eje de la armadura. Al encender y apagar el relé, el accionamiento debe moverse a lo largo de las estrías del eje de la armadura sin atascarse.

Eliminar de las superficies internas del manguito guía de la transmisión (estriado y liso), de las partes adyacentes del eje, la grasa espesa contaminada con productos de desgaste que ha entrado desde el cárter, lo que complica significativamente el movimiento axial de la transmisión a lo largo de las estrías del eje cuando el engranaje engrana con la corona del volante.

Aplique una capa fina de lubricante TSIA-TIM-221 (TSIA-TIM-201) a las superficies limpias.

Verifique visualmente el estado del engranaje impulsor y de las arandelas de empuje.

Posición del engranaje de accionamiento en la posición de apagado (A no más de 34 mm)
Medición de la distancia entre el extremo del engranaje y el anillo de empuje

El espacio entre el extremo del engranaje y las arandelas de empuje cuando el engranaje está en funcionamiento La posición m debe ser (2-4) mm.

Posibles averías del generador y del arrancador y métodos para su eliminación

Fallo en el generador

Cableado defectuoso o conexiones de contacto al generador u otros elementos de potencia: localice la falla y repárela

No hay contacto fiable entre los cepillos y los anillos:

  • - los cepillos están atascados en las guías - verifique el estado del conjunto de cepillos y solucione el problema;
  • - los cepillos están desgastados - reemplace los cepillos;
  • - los anillos están sucios o aceitosos - límpielos con un paño limpio empapado en gasolina.
  • Si la suciedad no se elimina de esta manera, limpie los anillos con papel de lija recubierto de vidrio y vuelva a secarlos.

Soldadura de los cables del devanado de excitación de los anillos colectores o rotura en la bobina de excitación. Retire el portaescobillas con el regulador de voltaje.

Compruebe la resistencia de la bobina de excitación entre los anillos colectores. Si no está soldado, suelde; si está roto, reemplace el rotor.

Fallo (avería o circuito abierto) de los diodos del bloque rectificador - Comprobar y, si es necesario, sustituir el bloque rectificador

Fallo (avería o circuito abierto) de los diodos adicionales de la unidad rectificadora - Comprobar y, si es necesario, sustituir la unidad rectificadora

Rotura o cortocircuito en el devanado del estator - Desmontar el generador, quitar el estator y verificar la resistencia de los devanados de fase.

Si el estator está en buen estado, la resistencia de los devanados de fase no debe diferir entre sí en más del 10%.

En caso de rotura o cortocircuito, sustituir el estator.

Circuito abierto o cortocircuito en las válvulas del bloque rectificador - Reemplazar el bloque rectificador

El generador no proporciona corriente de carga

(La lámpara de control está encendida. La aguja del voltímetro está en la zona roja izquierda de la escala "G")

Mal funcionamiento del relé de descarga del circuito de excitación del generador: reemplace el relé

La luz indicadora de carga parpadea, la aguja del amperímetro fluctúa

Correa de transmisión suelta: apriete la correa

No hay contacto fiable entre escobillas y anillos: - Ver arriba

La aguja del voltímetro está en la zona roja derecha de la escala "G"

El regulador de voltaje está defectuoso: reemplace el regulador de voltaje

Cortocircuito en el conjunto de escobillas del generador o en el circuito entre el generador y el regulador - Eliminar el cortocircuito

La batería está defectuosa: verifique, cargue o reemplace la batería si es necesario

La correa de transmisión está demasiado tensa o desalineada: ajuste la tensión de la correa y elimine la desalineación

Fallos mecánicos

Ruido de rodamiento

Los cojinetes están desgastados o dañados: reemplácelos

Fallo en el motor de arranque

El motor de arranque no funciona (al ponerlo en marcha las luces delanteras no se atenúan)

    - Cableado roto o defectuoso - Verifique el cableado hacia el arrancador y repare la falla. Limpie el colector con una servilleta empapada en gasolina o limpie el colector con papel de lija de vidrio. Compruebe que los cepillos no estén atascados en los portaescobillas.
  • - No hay contacto entre escobillas y colector
  • - Conexiones rotas dentro del arrancador

Limpie los bordes laterales de los cepillos o reemplace los cepillos desgastados por otros nuevos.

Verifique el estado de los resortes del cepillo y, si están defectuosos, reemplácelos.

Desmontar el motor de arranque, comprobar y eliminar defectos o sustituir el motor de arranque

- Mal funcionamiento del relé de tracción

Limpie los contactos del relé de arranque o gire los pernos de contacto en los zócalos 180° e instale la placa de contacto con el lado inverso, o reemplace el relé

El motor de arranque no hace girar el motor o lo hace muy lentamente

  • - Temperatura del motor baja (en invierno) - Calentar el motor
  • - Utilizar aceite no apropiado para la temporada - Cambiar aceite
  • - Corrosión de las conexiones de contacto en las baterías - Limpiar las conexiones de contacto
  • - Las baterías están descargadas o defectuosas. Cargue o reemplace las baterías.
  • - Mal contacto en el circuito de alimentación del motor de arranque - Limpie y apriete los terminales del cable
  • - Contactos de relé quemados - Limpiar los contactos del relé
  • - Mal contacto de las escobillas con el conmutador - Limpiar el conmutador y las escobillas, eliminar atascos o sustituir las escobillas
  • - Contacto débil en los terminales de la batería - Limpiar, asegurar, lubricar

La armadura del motor de arranque gira a alta velocidad, pero no hace girar el motor

    - La unidad no funciona. Reemplace la unidad. - El ajuste del motor de arranque está roto - Ajuste el motor de arranque

El relé funciona de forma intermitente (enciende el motor de arranque y luego lo apaga inmediatamente)

  • - Rotura en el devanado de retención del relé - Reemplazar el relé
  • - Las baterías están descargadas - Cargue o reemplace las baterías.

El engranaje impulsor sistemáticamente no se acopla con el engranaje anular del volante durante el funcionamiento normal del relé

  • - Los extremos de los dientes de la corona del volante están muy obstruidos - Reemplace la corona del volante
  • - El ajuste del arranque está roto a - Ver arriba - El engranaje está atascado en el eje debido a falta de lubricación o mala calidad de la misma. - Limpie el eje y las estrías de la suciedad y lubrique con grasa TSIA-TIM-221 (-201).
  • - Fresado de los dientes del engranaje de accionamiento debido a su inclusión en un motor en marcha - Sustitución del accionamiento

Después de arrancar el motor diésel, el motor de arranque permanece en estado encendido

- La placa de contacto está soldada a los pernos del relé de contacto de arranque. - Limpie los contactos del relé de arranque o gire los pernos de contacto en los zócalos 180° e instale la placa de contacto con el lado inverso. O reemplace el relé