Removing the connecting rod and piston group

Number the connecting rods and connecting rod caps in accordance with the number of the cylinder on the side opposite the camshaft (if this is not provided for by the design)

Remove the connecting rod caps.

Remove the connecting rod lower head bearings (650.1004059).

Lay out the parts in the correct order.

Disassembly of the YaMZ-650 crank mechanism

Remove the connecting rod with piston assembly.

Remove the upper connecting rod bearings (650.1004058).

Lay out the parts in the correct order.

Disassembly of the connecting rod and piston group

Removing piston rings YaMZ-650

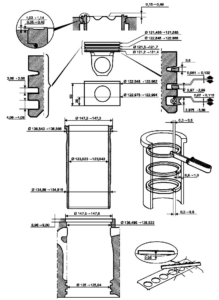
Remove the piston rings (8) using tool 0825 (see Fig. 2).

Remove retaining rings (6, 10).

Compress fingers (7).

Separate the piston heads (9) from the skirts (11).

KSHM details control

Piston: diameter, pin and its seating surface, grooves for piston rings.

Piston rings: thickness, clearance in the groove for piston rings, clearance of retaining rings. Cranks: straightness and straightening, liners.

Assembly of the connecting rod and piston group

Assembly sequence of connecting rod and piston group YaMZ-650

  • 1. Mount the piston head with the skirt, orienting the bosses, opposite each other (see Fig. 3), (650.1004013 - composite piston assembly).
  • 2. Assemble the piston with piston rings using tool 0825 (see Fig. 2):

Assembly sequence of connecting rod and piston group YaMZ-650

A set of piston rings is installed on the piston:

  • - the first compression ring has a double-sided trapezium in cross section, the working surface is coated with chromoceramic
  • - second compression ring of rectangular section (minute);
  • - box-type oil scraper ring with a twisted expander, chrome-plated working edges
  • - upper compression ring (650.1004030),
  • - second compression ring (650.1004032),
  • - oil scraper ring (650.1004034). Locate the lock of the piston oil scraper ring on the side of the notch on the piston skirt (see Fig. 4).

Assembly sequence of connecting rod and piston group YaMZ-650

The locks of the 3 piston rings must not be in line (see Fig. 5).

3. Lubricate the piston pin (650.1004020) and the connecting rod bush with oil.

Assembly sequence of connecting rod and piston group YaMZ-650

  • 4. Assemble the piston with the connecting rod and pins so that the groove for the bushing tongue is on the side of the nozzle recess on the piston skirt (see Fig. 6).
  • 5. Install retaining rings (650.1004022).

Installing the connecting rod and piston group

Installing the YaMZ-650 connecting rod and piston group

  • 1. Install the upper and lower bearings of the lower end of the connecting rod and lubricate the working surface with engine oil.
  • 2. Lubricate the working surface of the cylinder liners with engine oil.
  • 3. Install the connecting rod assembly with the piston into the cylinder block using tool 2560 (see Fig. 7 a).
  • 4. The groove on the piston skirt for the piston cooling nozzle must match the location of the nozzle itself, and the numbers on the connecting rods must be on the side opposite the camshaft (see Fig. 7 B).

Repair of YaMZ-650 connecting rod and piston group

5. Install the connecting rod caps according to the numbering.

Repair of YaMZ-650 connecting rod and piston group

  • 6. Tighten the connecting rod cap nuts:
  • - ensure the first tightening by 80 ± 8 Nm;
  • - obesbake the second puff at 180˚ ± 6˚.
  • 7. Check clearance between connecting rod caps and crankshaft journals

Crankshaft tightening torques

Crankshaft main bearing cap bolts:

  • - pre-tightening torque: 80 ± 8 Nm
  • - final tightening torque: 180 ± 6 Nm

Manual transmission flywheel bolts. Bolts are used only 2 times. Installation of bolts for the third time is not allowed.

  • - pre-tightening torque: 60 ± 6 Nm
  • - final tightening torque: 120 ± 6 Nm

Connecting rod cap bolts :

  • - pre-tightening torque: 80 ± 8 Nm
  • - final tightening torque: 90 ± 6 Nm

Damper mounting bolts on the hub:

  • - pre-tightening torque: 50 ± 5 Nm
  • - final tightening torque: 120 ± 12 Nm

Damper pulley bolts 67 ± 7 Nm