• Додому
  • Разделитель
    • Лада Гранта
    • Лада Калина
    • ВАЗ-2121
    • Лада-Ларгус
    • Лада Пріора
    • Лада Веста
    • ГАЗ-66
    • ГАЗ-2705
    • ГАЗ-3110
  • Разделитель-2
    • УАЗ-3151
    • Нива Шевроле
  • Разделитель-3
    • ЗІЛ-5301
    • Камаз
    • МАЗ
    • авто Урал
    • ЗІЛ-131
    • авто ПАЗ
  • Разделитель-4
  • Системи
    • Двигуни

авто ГАЗ-2705

Як перевірити та замінити щітки генератора та регулятора напруги автомобіля Газель

Перевірка та заміна щіток та регулятора напруги з двигуном ЗМЗ-405, ЗМЗ-406

На двигуни сімейств ЗМЗ-406 та ЗМЗ-405 встановлюють генератори 9422.3701 або 5122.3771 із вбудованими інтегральними регуляторами напруги

Заміна шланга гідроприводу зчеплення автомобіля Газель

Зливаємо робочу рідину з гідроприводу, дивимося - Як прокачати та замінити рідину гідроприводу зчеплення газелі

ремонт системи живлення ГАЗ-2705 із двигуном ЗМЗ-402

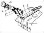
Паливний бак автомобіля Газель

У разі порушення герметичності паливного бака його слід зняти з автомобіля

Зняття кермового механізму автомобіля Газель

Рульовий механізм встановлений на лівому лонжероні та закріплений через кронштейн болтами та гайками

Вакуумний підсилювач гальм ГАЗель

Для зменшення зусилля, що прикладається до педалі гальма, між нею та головним гальмівним циліндром встановлено двокамерний вакуумний підсилювач, який спрацьовує від розрідження у впускній трубі двигуна

Як зняти, розібрати та відрегулювати рульову колонку автомобіля Газель

Якщо положення передніх коліс відповідає прямолінійному руху, а спиці рульового колеса розташовані не горизонтально, це вказує на порушення регулювальних кутів установки коліс, наявність дефектів у рульовому управлінні чи підвісці

Несправності кермового керування ГАЗ-2705

У статті розглянемо можливі несправності кермового керування автомобіля Газель та способи усунення несправностей

Сторінка 5 із 43

  • 1
  • 2
  • 3
  • 4
  • 5
  • 6
  • 7
  • 8
  • 9
  • 10

Виберіть свою мову

  • Русский
  • Қазақша (kk-KZ)
  • Українська (Україна)
  • Español (España)
  • German (DE)
  • English (UK)