• Авторук
  • Системы
    • Схемы
    • Двигатели
    • ВАЗ-2108-2170
    • ВАЗ-2101-2107
    • Лада Приора
    • Лада Калина
    • ВАЗ-2121
    • ВАЗ-2110
    • Лада-Ларгус
    • Lada Xray
    • Лада Веста
    • Лада Гранта
  • Разделитель
    • ГАЗ-3110 (Волга)
    • ГАЗ-2705
    • ГАЗ-66
    • Соболь
  • Разделитель-2
    • Камаз
    • ЗИЛ-131
    • МАЗ
    • ПАЗ
    • ЗИЛ-5301
    • Урал
  • Разделитель-3
    • УАЗ-Патриот
    • УАЗ 3151
    • Нива Шевролет
  • Разделитель 4
    • Peugeot 307
    • Все по Форд Таурус
    • Опель Корса
    • Grand Cherokee
    • VW-Passat
    • Авео Шевролет
    • Mitsubishi Lancer
  • Разделитель 5
  • поиск

МАЗ

Конструкция и ремонт полуприцепа МАЗ-938, 938Б

Двухосный полуприцеп МАЗ-938 (рис. 1) с металлическим настилом грузоподъемностью 13 т, а МАЗ-938Б (рис. 2) с удлиненной рамой без настила грузоподъемностью 13,5 т

Особенности электрики МАЗ

Система электрооборудования автомобиля МАЗ имеет номинальное напряжение 24 В. Бортовая сеть автомобиля выполнена по однопроводной схеме

Тормозной кран автомобиля МАЗ

Снятие и разборку тормозного крана (рис. 1) производите в следующем порядке:

  • - снимите оттяжную пружину педали тормоза и отсоедините тягу педали тормоза от рычага;

Продолжение 2 статьи сборка дизеля ЯМЗ-236/238

Установка головок цилиндров, коромысел клапанов и регулировка зазоров в клапанах

Шпильки крепления головки цилиндров ввертывают в правый и левый ряды блока цилиндров, предварительно смазав резьбовые отверстия под шпильки в блоке дизельным маслом

Натяжение ремней приводов МАЗ

Регулировка натяжения ремней приводов автомобиля МАЗ

Привод водяного насоса, компрессора и генератора осуществляется клиновыми ремнями, от надежной работы которых зависит нормальная работа этих агрегатов

Конструкция системы питания МАЗ

Система питания двигателя включает узлы, детали и агрегаты, предназначенные для тщательной очистки и равномерного распределения по цилиндрам строго дозированных порций топлива

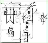
Диагностика АБС ф. Wabco МАЗ

Контрольная диагностика АБС ф. Wabco автомобиля МАЗ

Вход в режим диагностики

Включение электронного блока в режим диагностики производится путем нажатия диагностической кнопки 12 (рис. ) и удержания ее во включенном состоянии от 0,5 до 3,0 сек., при включенном состоянии выключателя «массы» и замка включения стартера и приборов (замок должен быть включен в положение «приборы»)

Страница 10 из 14

  • 5
  • 6
  • 7
  • 8
  • 9
  • 10
  • 11
  • 12
  • 13
  • 14

Выберите язык

  • Русский
  • Қазақша (kk-KZ)
  • Українська (Україна)
  • Español (España)
  • German (DE)
  • English (UK)