Код Р2123 Ланцюг датчика положення педалі А, високий рівень сигналу
Код Р2123 заноситься, якщо:
- - запалювання включено;
- - сигнал датчика положення педалі акселератора А (UPWG1ROH) більше 4,6 У протягом 0,2 с.
Сигналізатор несправностей спалахує через 5 с після виникнення коду несправності.

Опис перевірок
Послідовність відповідає цифрам на карті.
- 1 За допомогою діагностичного приладу перевіряється, чи активний код Р2123 у момент діагностики.
- 2 Виконується перевірка напруги в сигнальному ланцюзі ДППА А з вимкненим датчиком. Напруга має бути близько 0 В.
- 3 Виконується перевірка ланцюга маси ДППА А на наявність обриву.
- 4 Повторно виконується перевірка напруги в сигнальному ланцюзі ДППА А після заміни контролера.
Діагностична інформація
При виявленні несправності ланцюга ДППА А система керування двигуном працюватиме в аварійному режимі до кінця поточної поїздки.
Можливі такі аварійні режими:
- - обмеження потужності двигуна, якщо справний ланцюг ДППА В;
- - холостий хід, якщо несправні ланцюги ДППА А та ДППА В.
Діагностичний прилад у режимі "1 - Параметри; 6 - Дод. Параметри; 3 - Входи АЦП" показує сигнали ДППА А (UPWG1ROH) та ДППА В (UPWG2ROH) у вольтах.
Сигнали ДППА А та ДППА В збільшуються пропорційно натисканню педалі акселератора. За будь-якого положення педалі акселератора сигнал ДППА А повинен бути вдвічі більше сигналу ДППА В.
При відпущеній педалі акселератора сигнал ДППА А повинен перебувати в діапазоні 0,46…0,76 В, сигнал ДППА В повинен перебувати в діапазоні 0,23…0,38 В.
Для розрахунку положення педалі акселератора, вираженого у відсотках (WPED), використовується мінімальний сигнал із UPWG1ROH та 2 × UPWG2ROH.
При кожному включенні запалювання контролер визначає нульове положення педалі акселератора. Положення 100% досягається при напрузі 2,30 В / 1,15 В з датчика ДППА А / ДППА В.

Код Р2127 Ланцюг датчика положення педалі В, низький рівень сигналу

Код Р2127 заноситься, якщо:
- - запалювання включено;
- - сигнал датчика положення педалі акселератора (UPWG2ROH) менше 0,16 В протягом 0,2 с.
Сигналізатор несправностей спалахує через 5 с після виникнення коду несправності.
Опис перевірок
Послідовність відповідає цифрам на карті.
- 1 За допомогою діагностичного приладу перевіряється, чи активний код Р2127 у момент діагностики.
- 2 Виконується перевірка контролера: на контакт "1" колодки до ДППА має надходити опорна напруга 5 В з контролера.
- 3 Перевірка сигнального ланцюга на наявність обриву або замикання на масу.
- 4 Виконується перевірка контролера: при перемиканні контактів "1" і "6" колодки до ДППА за допомогою пробника сигнал ДППА на діагностичному приладі повинен змінюватися.
Діагностична інформація
При виявленні несправності ланцюга ДППА Система управління двигуном працюватиме в аварійному режимі до кінця поточної поїздки.
Можливі такі аварійні режими:
- - обмеження потужності двигуна, якщо справний ланцюг ДППА А;
- - холостий хід, якщо несправні ланцюги ДППА А та ДППА В.
Діагностичний прилад у режимі "1 - Параметри; 6 - Дод. Параметри; 3 - Входи АЦП" показує сигнали ДППА А (UPWG1ROH) та ДППА В (UPWG2ROH) у вольтах.
Сигнали ДППА А та ДППА В збільшуються пропорційно натисканню педалі акселератора. За будь-якого положення педалі акселератора сигнал ДППА А повинен бути вдвічі більше сигналу ДППА В.
При відпущеній педалі акселератора сигнал ДППА А повинен перебувати в діапазоні 0,46…0,76 В, сигнал ДППА В повинен перебувати в діапазоні 0,23…0,38 В.
Для розрахунку положення педалі акселератора, вираженого у відсотках (WPED), використовується мінімальний сигнал із UPWG1ROH та 2 × UPWG2ROH.
При кожному включенні запалювання контролер визначає нульове положення педалі акселератора. Положення 100% досягається при напрузі 2,30 В / 1,15 В з датчика ДППА А / ДППА В.

Код Р2128 Ланцюг датчика положення педалі В, високий рівень сигналу

Код Р2128 заноситься, якщо:
- - запалювання включено;
- - сигнал датчика положення педалі акселератора (UPWG2ROH) більше 2,3 В протягом 0,2 с.
Сигналізатор несправностей спалахує через 5 с після виникнення коду несправності.
Опис перевірок
Послідовність відповідає цифрам на карті.
- 1 За допомогою діагностичного приладу перевіряється, чи активний код Р2128 у момент діагностики.
- 2 Виконується перевірка напруги сигнального ланцюга ДППА В з відключеним датчиком. Напруга має бути близько 0 В.
- 3 Виконується перевірка ланцюга маси ДППА на наявність обриву.
- 4 Повторно виконується перевірка напруги в сигнальному ланцюзі ДППА після заміни контролера.
Діагностична інформація
При виявленні несправності ланцюга ДППА Система управління двигуном працюватиме в аварійному режимі до кінця поточної поїздки.
Можливі такі аварійні режими:
- - обмеження потужності двигуна, якщо справний ланцюг ДППА А;
- - холостий хід, якщо несправні ланцюги ДППА А та ДППА В.
Діагностичний прилад у режимі "1 - Параметри; 6 - Дод. Параметри; 3 - Входи АЦП" показує сигнали ДППА А (UPWG1ROH) та ДППА В (UPWG2ROH) у вольтах.
Сигнали ДППА А та ДППА В збільшуються пропорційно натисканню педалі акселератора. За будь-якого положення педалі акселератора сигнал ДППА А повинен бути вдвічі більше сигналу ДППА В.
При відпущеній педалі акселератора сигнал ДППА А повинен перебувати в діапазоні 0,46…0,76 В, сигнал ДППА В повинен перебувати в діапазоні 0,23…0,38 В.
Для розрахунку положення педалі акселератора, вираженого у відсотках (WPED), використовується мінімальний сигнал із UPWG1ROH та 2 × UPWG2ROH.
При кожному включенні запалювання контролер визначає нульове положення педалі акселератора. Положення 100% досягається при напрузі 2,30 В / 1,15 В з датчика ДППА А / ДППА В.

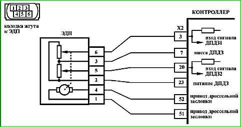
Код Р2135 Датчики "А" / "В" положення дросельної заслінки, неузгодженість сигналів

Код Р2135 заноситься, якщо:
- - запалювання включено;
- - сигнали ДПДЗ А і ДПДЗ відрізняються більш ніж на 6% протягом 0,3 с.
Сигналізатор несправностей спалахує через 5 с після виникнення коду несправності.
Опис перевірок
Послідовність відповідає цифрам на карті.
- 1 За допомогою діагностичного приладу перевіряється, чи активний код Р2135 у момент діагностики.
- 2 Виконується перевірка ланцюгів ДПДЗ А та ДПДЗ на наявність обриву.
- 3 Вимірюється опір сигнальних ланцюгів ДПДЗ А та ДПДЗ (контакти "6" і "5") щодо маси автомобіля.
- 4 Вимірюється опір ланцюга маси ДПДЗ (контакт "1") щодо маси автомобіля.
- 5 Вимірюється напруга в ланцюгах ДПДЗ щодо маси автомобіля.
- 6 Повторно вимірюється напруга в ланцюгах ДПДЗ щодо маси автомобіля при заміненому контролері.
- 7 Повторно вимірюється опір сигнальних ланцюгів ДПДЗ А та ДПДЗ (контакти "6" і "5") щодо маси автомобіля при заміненому контролері.
Діагностична інформація
Діагностичний прилад у режимі "1 - Параметри; 6 - Дод. Параметри; 3 - Входи АЦП" показує сигнали ДПДЗ А (UDKP1) та ДПДЗ В (UDKP2) у вольтах.
При відкритті дросельної заслінки сигнал ДПДЗ А збільшується, сигнал ДПДЗ зменшується.
При повністю закритій дросельній заслінці сигнал ДПДЗ А повинен перебувати в діапазоні 0,3…0,6 В, сигнал ДПДЗ В має перебувати в діапазоні 4,4…4,7 В.
Сума сигналів ДПДЗ А та ДПДЗ В повинна дорівнювати (5±0,1) В за будь-якого положення дросельної заслінки.
Контролер перераховує напругу сигналів ДПДЗ А та ДПДЗ В у відсоток відкриття дросельної заслінки.
Діагностичний прилад в режимі "1 - Параметри; 1 - Загальний перегляд" відображає відсоток відкриття дросельної заслінки WDKBA, який розраховується як середнє арифметичне сигналів ДПДЗ А (%) та ДПДЗ В (%). 0 % відповідаютьтвує повністю закритою дросельною заслінкою. 100% відповідає максимальному відкриттю дросельної заслінки.
Для контролю неузгодженості використовуються сигнали ДПДЗ А (%) та ДПДЗ В (%).
При виявленні неузгодженості сигналів ДПДЗ А та ДПДЗ Система управління двигуном працюватиме в аварійному режимі до кінця поточної поїздки.
Можливі такі аварійні режими:
- - обмеження потужності двигуна, якщо контролер визначив, який із датчиків несправний;
- - знеструмлення електроприводу дросельної заслінки та обмеження обертів двигуна (2500 об/хв), якщо контролер не довіряє сигналам обох датчиків.
Якщо електропривод дросельної заслінки знеструмлений, за допомогою прямої та зворотної пружин дросельна заслінка утримується в положенні Limp home (7-8%).
У разі заміни ЕДП або контролера ЕСУД, або скидання контролера за допомогою діагностичного приладу (режим "5 - Додаткові випробування; 1 - Скидання ЕБУ з ініціалізацією") необхідно виконати процедуру адаптації нуля дросельної заслінки.
Для цього на автомобілі, що стоїть, необхідно включити запалення, почекати 30 с, вимкнути запалення, дочекатися відключення головного реле.
Адаптація буде перервана, якщо:
- - прокручується двигун;
- - автомобіль рухається;
- - натиснута педаль акселератора;
- - температура двигуна нижче 5 °С або вище 100 °С;
- - температура навколишнього повітря нижче 5 °С.

Код Р2138 Датчики "А" / "В" положення педалі акселератора, неузгодженість сигналів

Код Р2138 заноситься, якщо:
- - запалювання включено;
- - зменшений вдвічі сигнал датчика положення педалі акселератора (UPWG1ROH/2) і сигнал датчика положення педалі акселератора (UPWG2ROH) відрізняються на величину порога протягом 0,25 с.
Сигналізатор несправностей спалахує через 5 с після виникнення коду несправності.
Опис перевірок
Послідовність відповідає цифрам на карті.
- 1 За допомогою діагностичного приладу перевіряється, чи активний код Р2138 у момент діагностики.
- 2 Виконується перевірка ланцюгів ДППА А та ДППА В на наявність обриву.
- 3 Вимірюється опір сигнальних ланцюгів ДППА А та ДППА В (контакти "4" та "6") щодо маси автомобіля.
- 4 Вимірюється опір ланцюга маси ДППА А та ДППА В (контакти "3" та "5") щодо маси автомобіля.
- 5 Вимірюється напруга в ланцюгах ДППА щодо маси автомобіля.
- 6 Повторно вимірюється напруга в ланцюгах ДППА щодо маси автомобіля при заміненому контролері.
- 7 Повторно вимірюється опір сигнальних ланцюгів ДППА А та ДППА В (контакти "4" та "6") щодо маси автомобіля при заміненому контролері.
Діагностична інформація
При виявленні неузгодженості сигналів ДППА А та ДППА В система керування двигуном працюватиме в аварійному режимі до кінця поточної поїздки.
Діагностичний прилад у режимі "1 - Параметри; 6 - Дод. Параметри; 3 - Входи АЦП" показує сигнали ДППА А (UPWG1ROH) та ДППА В (UPWG2ROH) у вольтах.
Сигнали ДППА А та ДППА В збільшуються пропорційно натисканню педалі акселератора.
При будь-якому положенні педалі акселератора сигнал ДППА А повинен бути вдвічі більшим за сигнал ДППА В.
При відпущеній педалі акселератора сигнал ДППА А повинен перебувати в діапазоні 0,46…0,76 В, сигнал ДППА В повинен перебувати в діапазоні 0,23…0,38 В.
Для розрахунку положення педалі акселератора, вираженого у відсотках (WPED), використовується мінімальний сигнал із UPWG1ROH та 2 × UPWG2ROH.
При кожному включенні запалювання контролер визначає нульове положення педалі акселератора. Положення 100% досягається при напрузі 2,30 В / 1,15 В з датчика ДППА А / ДППА В.

Код Р2176 Система керування приводом дросельної заслінки, адаптація положення нуля заслінки не виконана

Код Р2176 заноситься, якщо:
- - запалювання включено;
- - адаптуція положення нуля дросельної заслінки не була виконана жодного разу.
Сигналізатор несправностей спалахує через 5 с після виникнення коду несправності.
Опис перевірок
Послідовність відповідає цифрам на карті.
- 1 За допомогою діагностичного приладу перевіряється, чи активний код Р2176 у момент діагностики. Якщо код неактивний, і одночасно в пам'яті контролера відсутні коди Р0122, Р0123, Р0222, Р0223, Р2135, Р1545, Р1558, Р1559, необхідно стерти код Р2176 за допомогою діагностичного приладу.
- 2 Виконується перевірка механічних та електричних вузлів дросельного патрубка.
- 3 Виконується перевірка ланцюгів керування електроприводом дросельної заслінки.
Діагностична інформація
При виявленні несправності Р2176 система керування двигуном працюватиме в аварійному режимі до кінця поточної поїздки:
- - електропривод дросельної заслінки знеструмлений;
- - обмеження обертів двигуна (до 2500 об/хв залежно від положення педалі акселератора).
Діагностичний прилад у режимі "1 - Параметри; 1 - Загальний перегляд" відображає відсоток відкриття дросельної заслінки WDKBA.
При включенні запалювання контролер проводить:
- - тест зворотної пружини;
- - перевірку положення заслінки при знеструмленому електроприводі;
- - адаптацію нуля положення дросельної заслінки;
- - тест прямої пружини.
Якщо контролер новий (адаптація проводиться вперше), всі вищеописані процедури виконуються відразу після включення запалювання протягом 1,5 секунд.
Якщо контролер був навчений раніше, то відразу після включення запалювання виконується тест зворотної пружини.
Інші процедури будуть виконані протягом наступних 30 секунд, якщо в цей час не буде порушено жодної з умов:
- - двигун не прокручується;
- - автомобіль не рухається;
- - педаль акселератора не натиснута;
- - температура двигуна вище 5 °С та нижче 100 °С;
- - температура навколишнього повітря вище 5 °С.
Код Р2176 вказує на те, що перше навчання контролера було перервано з таких причин:
- -порушення умов проведення адаптації (див. вище);
- - несправність дросельного патрубка;
- - несправність джгута проводів;
- - несправність контролера.
Якщо електропривод дросельної заслінки знеструмлений, за допомогою прямої та зворотної пружин дросельна заслінка утримується в положенні Limp home (7-8%).

Код Р2187 Система паливоподачі надто бідна на холостому ході

Код P2187 заноситься, якщо:
- - двигун працює;
- - управління паливоподачею здійснюється в режимі зворотного зв'язку за сигналом датчика кисню (B_LR = "Так");
- - активізовано функцію адаптації палива (B_LRA = "Так");
- - значення параметра MSLEAK виходить за верхню межу допустимого діапазону (більше 5).
Сигналізатор несправностей спалахує на 3-й поїздці після виникнення стійкої несправності.
Опис перевірок
Послідовність відповідає цифрам на карті.
- 1 Аналізується діагностична інформація.
- 2 На двигуні, що працює, за допомогою діагностичного приладу імітуються умови виникнення несправності.
- 3 Перевіряються системи та вузли, несправність яких може призвести до виникнення коду.
- 4 Під час повторної перевірки №2 після усунення можливої причини несправності значення параметра FR не повинно виходити за межі діапазону 1±0,1.
Діагностична інформація
Несправність непостійного характеру може бути викликана наявністю таких несправностей:
Ненадійне з'єднання контактів колодок джгута системи запалювання, датчика та контролера.
Оглянути роз'єм датчика та контролера, колодки джгута на повноту та правильність зчленування, пошкодження замків, наявність пошкоджених контактів та якість з'єднання контактів з проводом.
Неправильна траса джгута проводів. Переконатись у тому, що відведення до датчика не стосується елементів системи випуску газів, що відпрацювали.
Ушкодження джгута.
Перевірити джгут на пошкодження. Якщо джгут зовні в нормі, поворухнути відповідну колодку і джгут одночасно спостерігаючи за показаннями діагностичного приладу.
Ненадійне заземлення контролера.
Перевірити надійність приєднання одів джгута системи запалення до блоку циліндрів. Переконатись у відсутності забруднення контактів.
Деградація УДК. Замінити УДК.

Код Р2188 Система паливоподачі занадто багата на холостому ході

Код P2188 заноситься, якщо:
- - двигун працює;
- - управління паливоподачею здійснюється в режимі зворотного зв'язку за сигналом керуючого датчика кисню (B_LR = "Так");
- - активізовано функцію адаптації палива (B_LRA = "Так");
- - значення параметра MSLEAK виходить за нижню межу допустимого діапазону (менше -5).
Сигналізатор несправностей спалахує на 3-й поїздці після виникнення стійкої несправності.
Опис перевірок
Послідовність відповідає цифрам на карті.
- 1 Аналізується діагностична інформація.
- 2 На двигуні, що працює, за допомогою діагностичного приладу імітуються умови виникнення несправності.
- 3 Перевіряються системи та вузли, несправність яких може призвести до виникнення коду.
- 4 Під час повторної перевірки №2 після усунення можливої причини несправності значення параметра FR не повинно виходити за межі діапазону 1±0,1.
Діагностична інформація
Несправність непостійного характеру може бути викликана наявністю таких несправностей:
Ненадійне з'єднання контактів колодок джгута системи запалювання, датчика та контролера.
Оглянути роз'єм датчика та контролера, колодки джгута на повноту та правильність зчленування, пошкодження замків, наявність пошкоджених контактів та якість з'єднання контактів з проводом.
Неправильна траса джгута проводів. Переконатись у тому, що відведення до датчика не стосується елементів системи випуску газів, що відпрацювали.
Ушкодження джгута. Перевірити джгут на наявність пошкоджень. Якщо джгут зовні в нормі, поворухнути відповідну колодку і джгут одночасно спостерігаючи за показаннями діагностичного приладу.
Ненадійне заземлення контролера. Перевірити надійність приєднання проводів джгута системи запалення до блоку циліндрів. Переконатись у відсутності забруднення контактів.
Деградація УДК. Замінити УДК.

Код Р2301 (Р2304) Котушка запалювання циліндра 1-4 (2-3), замикання ланцюга управління на бортову мережу

Код Р2301 (Р2304) заноситься, якщо:
- - двигун працює;
- - самодіагностика зафіксувала несправність.
Сигналізатор несправностей спалахує через 5 секунд після виникнення коду несправності.
Опис перевірок
Послідовність відповідає цифрам на карті.
- 1 Перевірено наявність постійної несправності.
- 2 Перевіряється наявність замикання на бортову мережу ланцюга керування котушкою запалювання.
- 3 Перевірка справності котушки запалювання.
Діагностична інформація
У контролері МЕ17.9.71 проводиться постійний моніторинг величини струму через котушку запалювання. У разі відсутності струму або недостатньої величини фіксується код несправності.
