Код Р0422 Ефективність нейтралізатора нижче порога
Код Р0422 заноситься, якщо:
- - відсутні коди несправностей Р0102, Р0112, Р0113, Р0116, Р0117, Р0118, Р0122, Р0123, Р0130, Р0132, Р0133, Р0130, Р0130 0223, P0300, Р0301, Р0302 , Р0303, Р0304, Р0363, Р0441, Р0444, P0458, P0459, Р0562, Р0563.
- - управління паливоподачею здійснюється в режимі зворотного зв'язку за сигналом керуючого датчика кисню (В_LR="Так");
- - виконуються умови проведення циклу діагностики нейтралізатора;
- - контролер визначає, що ступінь деградації нейтралізатора вищий за поріг.
Сигналізатор несправностей спалахує на 3-й поїздці після виникнення стійкої несправності.

Опис перевірок
Послідовність відповідає цифрам на карті.
- 1 Перевіряється відповідність типу нейтралізатора.
- 2 Перевіряється нейтралізатор на наявність пошкоджень.
- 3 Перевіряється наявність несправностей у випускній системі.
Діагностична інформація
Контролер стежить за станом нейтралізатора, аналізуючи сигнали керуючого та діагностичного датчиків кисню, встановлених до та після нейтралізатора. Якщо нейтралізатор працює ефективно, значення параметра АНКАТ, що відображається діагностичним приладом, буде прагнути до 0. Чим більше нейтралізатор деградує, тим більше значення АНКАТ.
Контролер здійснює цикл діагностики нейтралізатора, якщо:
- - температура охолоджуючої рідини не менше 70 °С;
- - температура повітря на впускі не нижче -10 °С;
- - частота обертання колінчастого валу двигуна в межах 1800... 2500 об/хв;
- - навантаження двигуна (параметр RL) має стабільне значення в межах 15…50%.
Виконання цих умов гарантує, що нейтралізатор достатньо прогрітий, і контролер може проводити цикл діагностики.

Код Р0441 Система уловлювання парів бензину, неправильна витрата повітря через клапан продування адсорбера

Код Р0441 заноситься якщо:
- - двигун працює більше 1200 секунд;
- - двигун працює на холостому ходу;
- - перевірка системою керування клапана продування адсорбера дала негативний результат.
Сигналізатор несправностей спалахує на 3-й поїздці після виникнення стійкої несправності.
Опис перевірок
Послідовність відповідає цифрам на карті.
- 1 Перевірено наявність постійної несправності.
- 2 Перевіряється справність клапана продування адсорбера.
Діагностична інформація
Процедура перевірки клапана продування адсорбера виконується таким чином:
- - на холостому ході плавно змінюється пропускна здатність клапана продування адсорбера від 0 до 92%;
- - система при цьому контролює зміну складу паливоповітряної суміші та значення масової витрати повітря.
Якщо зміни не зафіксовані, несправний клапан продування або з'єднувальні шланги.
Процедура перевірки виконується один раз за поїздку при позитивному результаті та двічі при негативному результаті першої перевірки.
Перевірка може бути перервана, якщо двигун працює нестабільно.
Причиною виникнення коду несправності можуть бути:
- - заклинений у відкритому або закритому стані клапан продувки адсорбера, який починає відкриватися тільки при великому коефіцієнті продування адсорбера (вище 70%);
- - перетискання або засмічення шлангів, що з'єднують адсорбер із двигуном;
- - неправильне підключення шлангів до клапана продування адсорбера;
- - витік розрідження в системі уловлювання парів бензину.

Код Р0444 Клапан продування адсорбера, обрив ланцюга управління

Код Р0444 заноситься якщо:
- - двигун працює;
- - самодіагностика драйвера клапана продування адсорбера визначила на виході відсутність навантаження.
Сигналізатор несправностей спалахує через 2 драйв-цикли після виникнення коду несправності.
Опис перевірок
Послідовність відповідає цифрам на карті.
- 1 Перевірено наявність постійної несправності.
- 2 Перевіряється ланцюг живлення клапана продування адсорбера.
- 3 Перевіряється ланцюг керування клапаном продування на обрив.
- 4 Перевіряється справність електромагнітного клапана продування адсорбера.
Діагностична інформація
У контролері використовується драйвер клапана продування адсорбера, що має функцію самодіагностики. Він може визначати наявність таких несправностей, як урвище, коротке замикання на масу або джерело живлення ланцюга управління клапаном продувки адсорбера.
Керувати станом клапана можна за допомогою діагностичного приладу в режимі: "2 - Управління ІМ".

Код Р0458 Клапан продування адсорбера, замикання ланцюга управління на масу

Код Р0458 заноситься якщо:
- - двигун працює;
- - самодіагностика драйвера клапана продування адсорбера визначила на виході замикання на масу.
Сигналізатор несправностей спалахує через 2 драйв-цикли після виникнення коду несправності.
Опис перевірок
Послідовність відповідає цифрам на карті.
- 1 Перевірено наявність постійної несправності.
- 2 Визначається наявність замикання на масу ланцюга керування клапаном продування.
Діагностична інформація
У контролері MЕ17.9.71 використовується драйвер клапана продування адсорбера, що має функцію самодіагностики. Він може визначати наявність таких несправностей, як урвище, коротке замикання на масу або джерело живлення ланцюга управління клапаном продувки адсорбера.

Код Р0459 Клапан продування адсорбера, замикання ланцюга управління на бортову мережу

Код Р0459 заноситься якщо:
- - двигун працює;
- - самодіагностика драйвера клапана продування адсорбера визначила на виході замикання на джерело живлення.
Сигналізатор несправностей спалахує через 2 драйв-цикли після виникнення коду несправності.
Опис перевірок
Послідовність відповідає цифрам на карті.
- 1 Перевірено наявність постійної несправності.
- 2 Визначається замикання на джерело живлення ланцюга управління клапаном продувки.
- 3 Перевіряється справність електромагнітного клапана продування адсорбера.

Діагностична інформація
У контролері MЕ17.9.71 використовується драйвер клапана продування адсорбера, що має функцію самодіагностики. Він може визначати наявність таких несправностей, як урвище, коротке замикання на масу або джерело живлення ланцюга управління клапаном продувки адсорбера.
Код Р0480 (Р0481) Реле вентилятора 1 (2), обрив ланцюга управління

Код Р0480 (Р0481) заноситься якщо:
- - двигун працює;
- - самодіагностика драйвера реле вентилятора визначила на виході відсутність навантаження.
Сигналізатор несправностей спалахує через 2 драйв-цикли після виникнення коду несправності.
Опис перевірок
Послідовність відповідає цифрам на карті.
- 1 Перевірено наявність постійної несправності.
- 2 Перевіряється ланцюг живлення реле вентилятора.
- 3 Перевіряється ланцюг управління реле вентилятора на обрив.
- 4 Перевіряється реле вентилятора.
Діагностична інформація
У контролері використовується драйвер реле вентилятора, що має функцію самодіагностики. Він може визначати наявність таких несправностей, як урвище, коротке замикання на масу або джерело живлення ланцюга управління реле.
Замикання ланцюга керування на джерело живлення може бути визначене в момент, коли контролер видає команду на включення вентилятора.
Електродвигун вентилятора може бути включений за допомогою діагностичного приладу в режимі "2 - Управління ІМ; Вентилятор".

Код Р0500 Датчик швидкості автомобіля несправний

Код Р0500 заноситься, якщо:
- - оберти колінчастого валу двигуна NMOT більше 1700 об/хв;
- - значення параметра навантаження RL більше 50%;
- - температура охолоджуючої рідини ТМОТ вище 20 °С;
- - сигнал швидкості автомобіля VFZG менше 5 км/год.
Сигналізатор несправностей спалахує на 3-й поїздці після виникнення стійкої несправності.
Опис перевірок
Послідовність відповідає цифрам на карті.
- 1 Перевіряється, чи активовано код Р0500 у момент запиту.
- 2 Виконується перевірка електричних кіл.
- 3 Визначається несправна деталь.
Діагностична інформація
Діагностичний прилад у режимі "1 - Параметри; 1 - Загальний перегляд" показує швидкість автомобіля "VFZG, км/год".

Код Р0501 Датчик швидкості автомобіля, вихід сигналу з допустимого діапазону

Код Р0501 заноситься, якщо протягом 3 секунд швидкість автомобіля не відповідає оборотам двигуна та включеній передачі.
Сигналізатор несправностей спалахує на 3-й поїздці після виникнення стійкої несправності.
Опис перевірок
Послідовність відповідає цифрам на карті.
- 1 Перевіряється, чи активовано код Р0501 у момент запиту.
- 2 Виконується перевірка електричних кіл.
- 3 Визначається несправна деталь.
Діагностична інформація
Діагностичний прилад у режимі "1 - Параметри; 1 - Загальний перегляд" показує швидкість автомобіля "VFZG, км/год".

Код Р0504 Вимикачі "А/В" педалі гальма, неузгодженість сигналів

Код Р0504 заноситься якщо:
- - сигнали кінцевих вимикачів "1-4/2-3" педалі гальма неузгоджено більше 200 секунд на запущеному двигуні в режимі холостого ходу;
- - або кількість натискань на педаль гальма, що визначаються за сигналами двох кінцевих вимикачів "1-4/2-3" відрізняється на величину діагностичного порога на автомобілі, що рухається.
Сигналізатор несправностей спалахує на 3-й поїздці після виникнення стійкої несправності.
Опис перевірок
Послідовність відповідає цифрам на карті.
- 1 Перевіряється, чи активовано код Р0504 у момент запиту.
- 2 Виконується перевірка електричних кіл.
- 3 Здійснити регулювання зазору вимикача педалі гальма.
Діагностична інформація
Діагностичний прилад в режимі "1 - Параметри; 1 - Загальний перегляд" показує біт стану B_BREMS контактів "2-3" вимикача педалі гальма та біт стану B_BREMSS контактів "1-4" вимикача педалі гальма.
Також контроль стану контактів "1-4" можна проводити по лампах стоп-сигналів.
При виявленні неузгодженості сигналів вимикачів "1-4/2-3" система керування двигуном працюватиме в аварійному режимі до кінця поточної поїздки.

Код Р0532 Датчик тиску системи кондиціювання, низький рівень сигналу

Код Р0532 заноситься якщо:
- - двигун працює;
- - напруга сигналу датчика тиску менше 0,2 В.
При виникненні цього коду сигналізатор несправностей не спалахує.
Опис перевірок
Послідовність відповідає цифрам на карті.
- 1 Перевірено наявність постійної несправності.
- 2 Перевіряється наявність напруги живлення.
- 3 Перевірка справності ланцюга вхідного сигналу.
Діагностична інформація
Несправність непостійного характеру може бути викликана поганим контактом, пошкодженням ізоляції або жилою проводу.
Необхідно переконатися у відсутності таких несправностей.
Ненадійне з'єднання контакту "X1/10" колодки джгута системи запалення та контролера.
Оглянути колодку джгута та роз'єм контролера на повноту та правильність зчленування, пошкодження замків, наявність пошкоджених контактів та якість з'єднання контактів із проводом.
Ушкодження джгута. Перевірити джгут на наявність пошкоджень. Якщо джгут зовні в нормі, поворухнути відповідну колодку і джгут одночасно спостерігаючи за показаннями діагностичного приладу.

Код Р0533 Датчик тиску системи кондиціювання, високий рівень сигналу

Код Р0533 заноситься якщо:
- - двигун працює;
- - напруга сигналу датчика тиску понад 3,8 В.
При виникненні цього коду сигналізатор несправностей не спалахує.
Опис перевірок
Послідовність відповідає цифрам на карті.
- 1 Перевірено наявність постійної несправності.
- 2 Перевіряється напруга на контакті "3" колодки джгута до датчика тиску.
- 3 Перевірка справності ланцюга маси датчика.
Діагностична інформація
Несправність непостійного характеру може бути викликана поганим контактом, пошкодженням ізоляції або жилою проводу.
Необхідно переконатися у відсутності таких несправностей.
Ненадійне з'єднання контакту "X1/3" колодки джгута системи запалення та контролера.
Оглянути колодку джгута та роз'єм контролера на повноту та правильність зчленування, пошкодження замків, наявність пошкоджених контактів та якість з'єднання контактів із проводом.
Ушкодження джгута. Перевірити джгут на наявність пошкоджень.
Якщо джгут зовні в нормі, поворухнути відповідну колодку та джгут, одночасно спостерігаючи за показаннями діагностичного приладу.

Код Р0560 Напруга бортової мережі автомобіля

Код Р0560 заноситься, якщо:
- напруга на контактах "Х1/55", "X1/56" контролера нижче порога працездатності контролера (нижче 6 В).
Сигналізатор несправностей спалахує через 5 секунд після виникнення коду несправності.
Опис перевірок
Послідовність відповідає цифрам на карті.
- 1 Перевіряється, чи активний код зараз.
- 2 Перевірити напругу бортової мережі за допомогою діагностичного приладу.
Діагностична інформація
Діагностичний прилад у режимі "1 - Параметри; 1 - Загальний перегляд" показує напругу бортмережі "UBSQ, B", виміряну на контакті "Х1/16".
У режимі "1 - Параметри; 6 - Додаткові Параметри; 3 - Входи АЦП" показує напруга бортмережі "WUB, B", виміряна на контактах "Х1/55", "X1/56".
За наявності стійкої несправності система керування двигуном перейде в аварійний режим у поточній поїздці.

Код Р0561 Напруга бортової мережі нестабільна

Код Р0560 заноситься, якщо:
- - миттєві зміни напруги на контактах "Х1/55", "X1/56" контролера вище порогового значення;
- - двигун працює.
Сигналізатор несправностей спалахує через 5 секунд після виникнення коду несправності.
Опис перевірок
Послідовність відповідає цифрам на карті.
- 1 Перевіряється, чи активний код зараз.
- 2 Перевіряється надійність кріплення клем до акумуляторної батареї.
Діагностична інформація
Діагностичний прилад у режимі "1 - Параметри; 1 - Загальний перегляд" показує напругу бортмережі "UBSQ, B", виміряну на контакті "Х1/16".
У режимі "1 - Параметри; 6 - Додаткові Параметри; 3 - Входи АЦП" показує напругу бортмережі "WUB, B", виміряну на контактах "Х1/55", "X1/56".
За наявності стійкої несправності система керування двигуном перейде в аварійний режим у поточній поїздці.

Код Р0562 Напруга бортової мережі, низький рівень

Код Р0562 заноситься, якщо:
- - напруга на контактах "X1/55", "X1/56" контролера нижче 9 В;
- - двигун працює.
Сигналізатор несправностей спалахує через 5 секунд після виникнення коду несправності.
Опис перевірок
Послідовність відповідає цифрам на карті.
- 1 Перевіряється, чи активний код зараз.
- 2 Перевірити напругу бортової мережі за допомогою діагностичного приладу.
- 3 Виконати перевірку напруги бортової мережі на клемах акумулятора.
Діагностична інформація
Діагностичний прилад у режимі "1 - Параметри; 1 - Загальний перегляд" показує напругу бортмережі "UBSQ, B", виміряну на контакті "Х1/16".
У режимі "1 - Параметри; 6 - Додаткові Параметри; 3 - Входи АЦП" показує напругу бортмережі "WUB, B", виміряну на контактах "Х1/55", "X1/56".
За наявності стійкої несправності система керування двигуном перейде в аварійний режим у поточній поїздці.

Код Р0563 Напруга бортової мережі, високий рівень

Код Р0563 заноситься, якщо:
- - напруга на контактах "X1/55", "X1/56" контролера більше 17 В;
- - двигун працює.
Сигналізатор несправностей спалахує через 5 секунд після виникнення коду несправності.
Опис перевірок
Послідовність відповідає цифрам на карті.
- 1 Перевіряється, чи активний код зараз.
- 2 Перевірити напругу бортової мережі за допомогою діагностичного приладу.
- 3 Виконати перевірку напруги бортової мережі на клемах акумулятора.
Діагностична інформація
Діагностичний прилад у режимі "1 - Параметри; 1 - Загальний перегляд" показує напругу бортмережі "UBSQ, B", виміряну на контакті "Х1/16".
У режимі "1 - Параметри; 6 - Додаткові Параметри; 3 - Входи АЦП" показує напругу бортмережі "WUB, B", виміряну на контактах "Х1/55", "X1/56".
За наявності стійкої несправності система керування двигуном перейде в аварійний режим у поточній поїздці.

Код Р0606 Контролер СУД, несправність АЦП
Код Р0606 заноситься, якщо:
- - запалювання включено;
- - внутрішні тести контролера визначили несправність АЦП.
Сигналізатор несправностей спалахує через 5 секунд після виникнення коду несправності.
Опис перевірок
Послідовність відповідає цифрам на карті.
1 Якщо несправність періодично фіксується, необхідно замінити контролер.
Діагностична інформація
З моменту ввімкнення запалювання та до моменту відключення головного реле контролер виконує внутрішні перевірки, спрямовані на визначення несправності апаратури процесора.
Частина перевірок виконується одноразово під час увімкнення та вимкнення запалювання.
Частина перевірок виконується циклічно.
При виявленні несправності виконується скидання та ініціалізація процесора.
У разі заміни контролера необхідно виконати процедуру адаптації нуля дросельної заслінки та процедуру адаптації функції діагностики перепусток займання

Код Р0615 Додаткове реле стартера, обрив ланцюга управління

Код Р0615 заноситься якщо:
- - двигун працює;
- - самодіагностика драйвера дод. реле стартера визначила несправність.
При виникненні цього коду сигналізатор несправностей не спалахує.
Опис перевірок
Послідовність відповідає цифрам на карті.
- 1 Перевірено наявність постійної несправності.
- 2 Перевіряється ланцюг живлення дод. реле стартера.
- 3 Перевіряється ланцюг управління дод. реле стартера на урвище.
- 4 Перевіряється справність дод. реле стартера.
Діагностична інформація
У контролері використовується драйвер дод. реле стартера, що має функцію самодіагностики. Він може визначати наявність таких несправностей, як урвище, коротке замикання на масу або джерело живлення ланцюга управління реле.
Причиною виникнення коду може бути неправильне підключення сигналізації.
Керувати включенням дод. реле стартера можна за допомогою діагностичного приладу в режимі "2 - Управління ІМ; Реле стартера".

Код Р0616 Додаткове реле стартера, замикання ланцюга управління на масу

Код Р616 заноситься якщо:
- - двигун працює;
- - самодіагностика драйвера дод. реле стартера визначила на виході замикання масою.
При виникненні цього коду сигналізатор несправностей не спалахує.
Опис перевірок
Послідовність відповідає цифрам на карті.
- 1 Перевірено наявність постійної несправності.
- 2 Визначається наявність замикання на масу ланцюга керування дод. реле стартера.
Діагностична інформація
У контролері використовується драйвер дод. реле стартера, що має функцію самодіагностики. Він може визначати наявність таких несправностей, як урвище, коротке замикання на масу або джерело живлення ланцюга управління реле.
Причиною виникнення коду може бути неправильне підключення сигналізації.
Керувати включенням дод. реле стартера можна за допомогою діагностичного приладу в режимі "2 - Управління ІМ; Реле стартера".

Код Р0617 Додаткове реле стартера, замикання ланцюга керування на бортову мережу

Код Р0617 заноситься якщо:
- - двигун працює;
- - самодіагностика драйвера дод. реле стартера визначила на виході замикання на джерело живленняія.
При виникненні цього коду сигналізатор несправностей не спалахує.
Опис перевірок
Послідовність відповідає цифрам на карті.
- 1 Перевірено наявність постійної несправності.
- 2 Визначається наявність замикання на джерело живлення ланцюга управління дод. реле стартера.
- 3 Перевіряється справність дод. реле стартера.
Діагностична інформація
У контролері використовується драйвер дод. реле стартера, що має функцію самодіагностики. Він може визначати наявність таких несправностей, як урвище, коротке замикання на масу або джерело живлення ланцюга управління реле.
Причиною виникнення коду може бути неправильне підключення сигналізації.
Керувати включенням дод. реле стартера можна за допомогою діагностичного приладу в режимі "2 - Управління ІМ; Реле стартера".

Код Р0627 Реле бензонасоса, обрив ланцюга управління

Код Р0627 заноситься якщо:
- - двигун працює;
- - самодіагностика драйвера реле бензонасоса визначила несправність.
При виникненні цього коду сигналізатор несправностей не спалахує.
Опис перевірок
Послідовність відповідає цифрам на карті.
- 1 Перевірено наявність постійної несправності.
- 2 Перевіряється ланцюг живлення реле бензонасоса.
- 3 Перевіряється ланцюг управління реле бензонасоса на урвище.
- 4 Перевірка справності реле бензонасоса.
Діагностична інформація
У контролері використовується драйвер реле бензонасоса, що має функцію самодіагностики. Він може визначати наявність таких несправностей, як урвище, коротке замикання на масу або джерело живлення ланцюга управління реле.
Керувати включенням реле бензонасоса можна за допомогою діагностичного приладу в режимі "2 - Управління ІМ".

Код Р0628 Реле бензонасоса, замикання ланцюга управління на масу

Код Р628 заноситься якщо:
- - двигун працює;
- - самодіагностика драйвера реле бензонасоса визначила на виході замикання на масу.
При виникненні цього коду сигналізатор несправностей не спалахує.
Опис перевірок
Послідовність відповідає цифрам на карті.
- 1 Перевірено наявність постійної несправності.
- 2 Визначається наявність замикання на масу ланцюга керування реле бензонасоса.
Діагностична інформація
У контролері використовується драйвер реле бензонасоса, що має функцію самодіагностики. Він може визначати наявність таких несправностей, як урвище, коротке замикання на масу або джерело живлення ланцюга управління реле.
Керувати включенням реле бензонасоса можна за допомогою діагностичного приладу в режимі "2 - Управління ІМ".

Код Р0629 Реле бензонасоса, замикання ланцюга управління на бортову мережу

Код Р0629 заноситься якщо:
- - двигун працює;
- - самодіагностика драйвера реле бензонасоса визначила на виході замикання на джерело живлення.
При виникненні цього коду сигналізатор несправностей не спалахує.
Опис перевірок
Послідовність відповідає цифрам на карті.
- 1 Перевірено наявність постійної несправності.
- 2 Визначається наявність замикання на джерело живлення ланцюга керування реле бензонасосу.
- 3 Перевірка справності реле бензонасоса.
Діагностична інформація
У контролері використовується драйвер реле бензонасоса, що володіє функцією самодіагностики. Він може визначати наявність таких несправностей, як урвище, коротке замикання на масу або джерело живлення ланцюга управління реле.
Керувати включенням реле бензонасоса можна за допомогою діагностичного приладу в режимі "2 - Управління ІМ".

Код Р0645 Реле муфти компресора кондиціонера, обрив ланцюга управління

Код Р0645 заноситься якщо:
- - двигун працює;
- - команда на включення кондиціонера виконана (B_KOE = ВКЛ);
- - самодіагностика драйвера реле муфти компресора кондиціонера визначила несправність.
Сигналізатор несправностей спалахує через 2 драйв-цикли після виникнення коду несправності.
Опис перевірок
Послідовність відповідає цифрам на карті.
- 1 Перевірено наявність постійної несправності.
- 2 Перевіряється ланцюг живлення реле муфти компресора кондиціонера.
- 3 Перевіряється ланцюг керування реле муфти компресора кондиціонера на обрив.
- 4 Перевірка справності реле муфти компресора кондиціонера.
Діагностична інформація
У контролері використовується драйвер реле муфти компресора кондиціонера, що має функцію самодіагностики. Він може визначати наявність таких несправностей, як урвище, коротке замикання на масу або джерело живлення ланцюга управління реле.
Керувати включенням стартера муфти компресора кондиціонера можна за допомогою діагностичного приладу в режимі "2 - Управління ІМ".

Код Р0646 Реле муфти компресора кондиціонера, замикання ланцюга управління на масу

Код Р646 заноситься якщо:
- - двигун працює;
- - команда на включення кондиціонера виконана (B_KOE = ВКЛ);
- - самодіагностика драйвера реле муфти компресора кондиціонера визначила на виході замикання на масу.
Сигналізатор несправностей спалахує через 2 драйв-цикли після виникнення коду несправності.
Опис перевірок
Послідовність відповідає цифрам на карті.
- 1 Перевірено наявність постійної несправності.
- 2 Визначається наявність замикання на масу ланцюга керування реле муфти компресора кондиціонера.
Діагностична інформація
У контролері використовується драйвер реле муфти компресора кондиціонера, що має функцію самодіагностики. Він може визначати наявність таких несправностей, як урвище, коротке замикання на масу або джерело живлення ланцюга управління реле.
Керувати включенням реле муфти компресора кондиціонера можна за допомогою діагностичного приладу в режимі "2 - Управління ІМ".

Код Р0647 Реле муфти компресора кондиціонера, замикання ланцюга управління на бортову мережу

Код Р0647 заноситься якщо:
- - двигун працює;
- - команда на включення кондиціонера виконана (B_KOE = ВКЛ);
- - самодіагностика драйвера реле муфти компресора кондиціонера визначила на виході замикання на джерело живлення.
Сигналізатор несправностей спалахує через 2 драйв-цикли після виникнення коду несправності.
Опис перевірок
Послідовність відповідає цифрам на карті.
- 1 Перевірено наявність постійної несправності.
- 2 Визначається замикання на джерело живлення ланцюга управління реле муфти компресора кондиціонера.
- 3 Перевірка справності реле муфти компресора кондиціонера.
Діагностична інформація
У контролері використовується драйвер реле муфти доомпресора кондиціонера, що має функцію самодіагностики. Він може визначати наявність таких несправностей, як урвище, коротке замикання на масу або джерело живлення ланцюга управління реле.
Керувати включенням реле муфти компресора кондиціонера можна за допомогою діагностичного приладу в режимі "2 - Управління ІМ".

Код Р0691 (Р0693) Реле вентилятора 1 (2), замикання ланцюга управління на масу

Код Р0691 (Р0693) заноситься якщо:
- - двигун працює;
- - самодіагностика драйвера реле вентилятора визначила на виході замикання на масу.
Сигналізатор несправностей спалахує через 2 драйв-цикли після виникнення коду несправності.
Опис перевірок
Послідовність відповідає цифрам на карті.
- 1 Перевірено наявність постійної несправності.
- 2 Визначається замикання на масу ланцюга управління реле вентилятора.

Діагностична інформація
У контролері використовується драйвер реле вентилятора, що має функцію самодіагностики. Він може визначати наявність таких несправностей, як урвище, коротке замикання на масу або джерело живлення ланцюга управління реле.
Замикання ланцюга керування на джерело живлення може бути визначене в момент, коли контролер видає команду на включення вентилятора.
Електродвигун вентилятора може бути включений за допомогою діагностичного приладу в режимі "2 - Управління ІМ; Вентилятор".
Код Р0692 (Р0694) Реле вентилятора 1 (2), замикання ланцюга управління на бортову мережу

Код Р0692 (Р0694) заноситься якщо:
- - двигун працює;
- - самодіагностика драйвера реле вентилятора визначила на виході замикання на джерело живлення.
Сигналізатор несправностей спалахує через 2 драйв-цикли після виникнення коду несправності.
Опис перевірок
Послідовність відповідає цифрам на карті.
- 1 Перевірено наявність постійної несправності.
- 2 Визначається замикання на джерело живлення ланцюга управління реле вентилятора.
- 3 Перевіряється реле вентилятора.
Діагностична інформація
У контролері використовується драйвер реле вентилятора, що має функцію самодіагностики. Він може визначати наявність таких несправностей, як урвище, коротке замикання на масу або джерело живлення ланцюга управління реле.
Замикання ланцюга керування на джерело живлення може бути визначене в момент, коли контролер видає команду на включення вентилятора.
Електродвигун вентилятора може бути включений за допомогою діагностичного приладу в режимі "2 - Управління ІМ; Вентилятор".

Код Р0830 Вимикач педалі зчеплення, ланцюг несправний

Код Р0830 заноситься якщо:
- - двигун працює;
- - не активна помилка датчика швидкості;
- - автомобіль рухається;
- - немає змін напруги сигналу на вході "Х1/36" контролера при натиснутій / відпущеній педалі зчеплення під час перемикання передач.
Сигналізатор несправностей спалахує на 3-й поїздці після виникнення стійкої несправності.
Опис перевірок
Послідовність відповідає цифрам на карті.
- 1 Перевіряється наявність коду Р0830 у пам'яті КСУД.
- 2 Виконується перевірка спрацювання вимикача педалі зчеплення (ВПС).
- 3 Виконується перевірка електричних кіл.
Діагностична інформація
При натиснутій педалі зчеплення вимикачь розімкнуто.
Діагностичний прилад у режимі "1 - Параметри; 1 - Загальний перегляд" показує біт стану B_KUPPL вимикача педалі зчеплення.

Код Р1335 Моніторинг управління приводом дросельної заслінки, положення заслінки поза допустимим діапазоном

Код Р1335 заноситься, якщо:
- - запалювання включено;
- - положення дросельної заслінки перевищує максимально допустиме протягом 0,5 с;
- - дросельна заслінка знаходиться в максимально допустимому положенні протягом 3 с.
Сигналізатор несправностей спалахує через 5 с після виникнення коду несправності.
Опис перевірок
Послідовність відповідає цифрам на карті.
- 1 За допомогою діагностичного приладу перевіряється наявність кодів Р0122, Р0123, Р0222, Р0223, Р2135, Р1545, Р1558, Р1559, Р1602, Р1336, Р1388, Р1389, Р0606. Пошук несправності необхідно розпочинати з цих кодів.
- 2 Якщо несправність періодично фіксується, необхідно замінити контролер.
Діагностична інформація
З моменту включення запалювання і до моменту відключення головного реле контролер виконує моніторинг положення дросельної заслінки. Максимально допустиме положення дросельної заслінки розраховується залежно від оборотів двигуна, положення педалі акселератора, температури двигуна тощо.
При виявленні несправності система керування двигуном працюватиме в аварійному режимі до кінця поточної поїздки:
- знеструмлення електроприводу дросельної заслінки та обмеження оборотів двигуна (2500 об/хв).
Причиною фіксації коду Р1335 можуть бути несправність апаратури процесора або помилки програмного забезпечення, що призводять до некоректного розрахунку заданого положення дросельної заслінки.

Код Р1336 Моніторинг управління приводом дросельної заслінки, неузгодженість сигналів датчиків "А" / "В" положення дросельної заслінки

Код Р1336 заноситься, якщо:
- - запалювання включено;
- - сума сигналів ДПДЗ А і ДПДЗ відрізняються від опорної напруги 5 В більш ніж на 0,3 В протягом 0,5 с.
Сигналізатор несправностей спалахує через 5 с після виникнення коду несправності.
Опис перевірок
Послідовність відповідає цифрам на карті.
- 1 За допомогою діагностичного приладу перевіряється, чи активний код Р1336 у момент діагностики.
- 2 Виконується перевірка відповідно до карти для коду Р2135.
Діагностична інформація
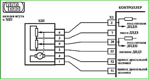
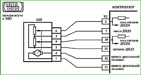
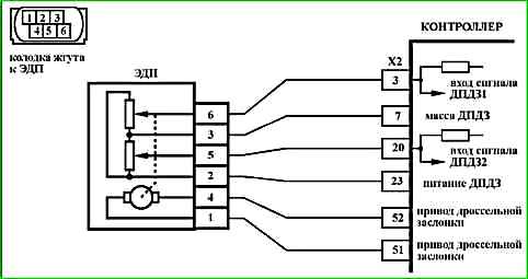
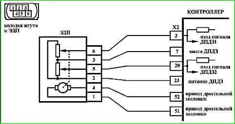
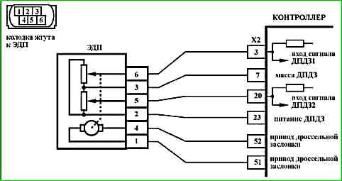
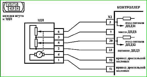
Діагностичний прилад у режимі "1 - Параметри; 6 - Дод. Параметри; 3 - Входи АЦП" показує сигнали ДПДЗ А (UDKP1) та ДПДЗ В (UDKP2) у вольтах.
При відкритті дросельної заслінки сигнал ДПДЗ А збільшується, сигнал ДПДЗ зменшується.
При повністю закритій дросельній заслінці сигнал ДПДЗ А повинен перебувати в діапазоні 0,3…0,6 В, сигнал ДПДЗ В має перебувати в діапазоні 4,4…4,7 В.
Контролер перераховує вольтові сигнали ДПДЗ А та ДПДЗ В у відсоток відкриття дросельної заслінки.
Діагностичний прилад в режимі "1 - Параметри; 1 - Загальний перегляд" відображає відсоток відкриття дросельної заслінки WDKBA, який розраховується як середнє арифметичне сигналів ДПДЗ А (%) та ДПДЗ В (%). 0% відповідає повністю закритій дросельній заслінці. 100% відповідає максимальному відкриттю дросельної заслінки.
Сигнали ДПДЗ А та ДПДЗ В неузгоджені, якщо виконується така умова:
|5 В – (UDKP1 + UDKP2)| > 0,3 Ст.
При виявленні неузгодженості сигналів ДПДЗ А та ДПДЗ В система управління двигуном працюватиме в аварійному режимі до кінця поточної поїздки:
- знеструмлення електроприводу дросельної заслінки та обмеження оборотів двигуна (2500 об/хв).
У разі заміни ЕДП або контролера ЕСУД, або скидання контролера за допомогою діагностичного приладу (режим "5 - Додаткові випробування; 1 - Скидання ЕБУ з ініціалізацією") необхідно виконати процедуру адаптації нуля дросельної заслінки.
Для цього на автомобілі, що стоїть, необхідно включити запалення, почекати 30 с, вимкнути запалення, дочекатися відключення головного реле.
Адаптація буде перервана, якщо:
- - прокручується двигун;
- - автомобіль рухається;
- - натиснута педаль акселератора;
- - температура двигуна нижче 5 °С або вище 100 °С;
- - температура навколишнього повітря нижче 5 °С.
Якщо електропривод дросельної заслінки знеструмлений, за допомогою прямої та зворотної пружин дросельна заслінка утримується в положенні Limp home (7-8%).

Код Р1388 Моніторинг управління приводом дросельної заслінки, неузгодженість сигналів датчиків "А"/"В" положення педалі акселератора

Код Р1388 заноситься, якщо:
- - запалювання включено;
- - сигнал датчика положення педалі акселератора А (UPWG1ROH) і подвоєний сигнал датчика положення педалі акселератора (2 × UPWG2ROH) відрізняються на величину порога протягом 0,5 с.
Сигналізатор несправностей спалахує через 5 с після виникнення коду несправності.
Опис перевірок
Послідовність відповідає цифрам на карті.
- 1 За допомогою діагностичного приладу перевіряється, чи активний код Р1388 у момент діагностики.
- 2 Виконується перевірка відповідно до карти для коду Р2138.
Діагностична інформація
При виявленні неузгодженості сигналів ДППА А та ДППА В система управління двигуном працюватиме в аварійному режимі до кінця поточної поїздки:
- знеструмлення електроприводу дросельної заслінки та обмеження оборотів двигуна (2500 об/хв).
Діагностичний прилад у режимі "1 - Параметри; 6 - Дод. Параметри; 3 - Входи АЦП" показує сигнали ДППА А (UPWG1ROH) та ДППА В (UPWG2ROH) у вольтах.
Сигнали ДППА А та ДППА В збільшуються пропорційно натисканню педалі акселератора. За будь-якого положення педалі акселератора сигнал ДППА А повинен бути вдвічі більше сигналу ДППА В.
При відпущеній педалі акселератора сигнал ДППА А повинен перебувати в діапазоні 0,46…0,76 В, сигнал ДППА В повинен перебувати в діапазоні 0,23…0,38 В.
Для розрахунку положення педалі акселератора, вираженого у відсотках (WPED), використовується мінімальний сигнал із UPWG1ROH та 2 × UPWG2ROH.
При кожному включенні запалювання контролер визначає нульове положення педалі акселератора. Положення 100% досягається при напрузі 2,30 В / 1,15 В з датчика ДППА А / ДППА В.

Код Р1389 Моніторинг управління приводом дросельної заслінки, обороти двигуна поза допустимим діапазоном

Код Р1389 заноситься, якщо:
- - двигун працює;
- - обороти двигуна, розраховані різними методами, відрізняються більш ніж на 300 об/хв протягом 0,3 с.
Сигналізатор несправностей спалахує через 5 с після виникнення коду несправності.
Опис перевірок
Послідовність відповідає цифрам на карті.
- 1 Виконується перевірка ДПКВ, демпфера відповідно до карти для коду Р0335.
- 2 Якщо несправність періодично фіксується, необхідно замінити контролер.
Діагностична інформація
Обороти двигуна розраховуються за сигналом ДПКВ. Для підвищення достовірності розрахунок оборотів двигуна виконується двома різними методами. При цьому контролер веде постійний моніторинг неузгодженості значень, одержуваних двома різними методами.
Якщо неузгодженість перевищує 300 об/хв протягом 0,3 с, система керування двигуном працюватиме в аварійному режимі до кінця поточної поїздки:
- знеструмлення електроприводу дросельної заслінки та обмеження оборотів двигуна (2500 об/хв).
Причиною фіксації коду Р1389 можуть бути несправність ланцюга ДПКВ (пропадання сигналу, пошкодження екрану та ін.).

Код Р1390 Моніторинг управління приводом дросельної заслінки, некоректна реакція на несправність у системі
Код Р1390 заноситься, якщо:
- - двигун працює;
- - некоректна реакція двигуна на запит обмеження обертів від функції моніторингу.
Сигналізатор несправностей спалахує через 5 с після виникнення коду несправності.
Опис перевірок
Послідовність відповідає цифрам на карті.
1 Якщо несправність періодично фіксується, необхідно замінити контролер.
Діагностична інформація
У разі виявлення будь-якої несправності електроприводу дросельної заслінки (механічна несправність, несправність електричних кіл) система керування двигуном працюватиме в аварійному режимі до кінця поточної поїздки:
- знеструмлення електроприводу дросельної заслінки та обмеження оборотів двигуна (2500 об/хв).
Бортова діагностика контролює поведінку двигуна в аварійному режимі.

Код Р1391 Моніторинг управління приводом дросельної заслінки, відсутня реакція на несправність у системі
Код Р1391 заноситься, якщо:
- - двигун працює;
- - немає реакції двигуна на запит обмеження обертів від функції моніторингу.
Сигналізатор несправностей спалахує через 5 с після виникнення коду несправності.
Опис перевірок
Послідовність відповідає цифрам на карті.
1 Якщо несправність періодично фіксується, необхідно замінити контролер.
Діагностична інформація
У разі виявлення будь-якої несправності електроприводу дросельної заслінки (механічна несправність, несправність електричних кіл) система керування двигуном працюватиме в аварійному режимі до кінця поточної поїздки:
- знеструмлення електроприводу дросельної заслінки та обмеження оборотів двигуна (2500 об/хв).
Бортова діагностика контролює поведінку двигуна в аварійному режимі.

Код Р1545 Привід дросельної заслінки, положення заслінки поза допустимим діапазоном

Код Р1545 заноситься, якщо:
- - запалювання включено;
- - реальне положення дросельної заслінки відрізняється від заданого на величину порога протягом 0,5 с.
або
- значення ПІД-регулятора перевищують граничне значення протягом 5 с.
Сигналізатор несправностей спалахує через 5 с після виникнення коду несправності.
Опис перевірок
Послідовність відповідає цифрам на карті.
- 1 За допомогою діагностичного приладу перевіряється, чи фіксується одночасно з кодом Р1545 коди Р0113, Р0118, Р0123, Р0223, Р2123, Р2128, Р2100, Р2101. Якщо фіксуються, пошук несправності необхідно починати з цих кодів.
- 2 Виконується перевірка механічних та електричних вузлів дросельного патрубка.
- 3 Виконується перевірка ланцюгів керування електроприводом дросельної заслінки.
Діагностична інформація
При виявленні несправності Р1545 система керування двигуном працюватиме в аварійному режимі до кінця поточної поїздки:
- знеструмлення електроприводу дросельної заслінки та обмеження оборотів двигуна (до 3500 об/хв залежно від положення педалі акселератора).
Діагностичний прилад у режимі "1 - Параметри; 1 - Загальний перегляд" відображає відсоток відкриття дросельної заслінки WDKBA.
У разі заміни ЕДП або контролера ЕСУД, або скидання контролера за допомогою діагностичного приладу (режим "5 - Додаткові випробування; 1 - Скидання ЕБУ з ініціалізацією") необхідно виконати процедуру адаптації нуля дросельної заслінки.
Для цього на автомобілі, що стоїть, необхідно включити запалення, почекати 30 с, вимкнути запалення, дочекатися відключення головного реле.
Адаптація буде перервана, якщо:
- - прокручується двигун;
- - автомобіль рухається;
- - натиснута педаль акселератора;
- - температура двигуна нижче 5 °С або вище 100 °С;
- - температура навколишнього повітря нижче 5 °С.
Якщо електропривод дросельної заслінки знеструмлений, за допомогою прямої та зворотної пружин дросельна заслінка утримується в положенні Limphome (7-8%).

Код Р1558 Привід дросельної заслінки, зворотна пружина несправна

Код Р1558 заноситься, якщо:
- - запалювання включено;
- - тест зворотної пружини виконаний із негативним результатом.
Сигналізатор несправностей спалахує через 5 с після виникнення коду несправності.
Опис перевірок
Послідовність відповідає цифрам на карті.
- 1 За допомогою діагностичного приладу перевіряється, чи активний код Р1558 у момент діагностики.
- 2 Виконується перевірка механічних та електричних вузлів дросельного патрубка.
- 3 Виконується перевірка ланцюгів керування електроприводом дросельної заслінки.
Діагностична інформація
При виявленні несправності Р1558 система керування двигуном працюватиме в аварійному режимі до кінця поточної поїздки:
- - електропривод дросельної заслінки не знеструмлений, але дросельна заслінка постійно знаходиться в положенні Limp home (7-8%);
- - обмеження обертів двигуна (до 3500 об/хв залежно від положення педалі акселератора).
Діагностичний прилад у режимі "1 - Параметри; 1 - Загальний перегляд" відображає відсоток відкриття дросельної заслінки WDKBA.
При включенні запалювання контролер проводить:
- - тест зворотної пружини;
- - перевірку положення заслінки при знеструмленому електроприводі;
- - адаптацію нуля положення дросельної заслінки;
- - тест прямої пружини.
Під час тесту поворотної пружини дросельна заслінка відкривається на задану величину, після чого електропривод знеструмлюється. Контролер фіксує час повернення дросельної заслінки у положення Limp home. Якщо час перевищує граничне значення, тест вважається завершеним із негативним результатом.

Код Р1559 Привід дросельної заслінки, положення заслінки в стані спокою поза допустимим діапазоном

Код Р1559 заноситься, якщо:
- - запалювання включено;
- - положення дросельної заслінки в знеструмленому стані виходить за допустимий діапазон.
Сигналізатор несправностей спалахує через 5 с після виникнення коду несправності.
Опис перевірок
Послідовність відповідає цифрам на карті.
- 1 За допомогою діагностичного приладу перевіряється, чи активний код Р1559 у момент діагностики.
- 2 Виконується перевірка механічних та електричних вузлів дросельного патрубка.
Діагностична інформація
При виявленні несправності Р1559 система керування двигуном працюватиме в штатному режимі.
Діагностичний прилад у режимі "1 - Параметри; 1 - Загальний перегляд" відображає відсоток відкриття дросельної заслінки WDKBA.
При включенні запалювання контролер проводить:
- - тест зворотної пружини;
- - перевірку положення заслінки при знеструмленому електроприводі;
- - адаптацію нуля положення дросельної заслінки;
- - тест прямої пружини.

Код Р1564 Система управління приводом дросельної заслінки, адаптація положення нуля заслінки перервана у зв'язку зі зниженою напругою бортмережі

Код Р1564 заноситься, якщо:
- - запалювання включено;
- - процедура переадаптації положення нуля дросельної заслінки перервана через некоректну напругу бортмережі.
Сигналізатор несправностей спалахує через 5 с після виникнення коду несправності.
Опис перевірок
Послідовність відповідає цифрам на карті.
- 1 За допомогою діагностичного приладу перевіряється наявність кодів Р0560, Р0562. Якщо коди присутні, пошук несправності необхідно починати з цих кодів.
- 2 Виконується перевірка ланцюгів живлення контролера.
Діагностична інформація
При виявленні несправності Р1564 система керування двигуном працюватиме в штатному режимі, для розрахунку положення дросельної заслінки будуть використовуватися значення, отримані в попередній процедурі адаптації.
Діагностичний прилад у режимі "1 - Параметри; 1 - Загальний перегляд" відображає відсоток відкриття дросельної заслінки WDKBA.
При включенні запалювання контролер проводить:
- - тест зворотної пружини;
- - перевірку положення заслінки при знеструмленому електроприводі;
- - адаптацію нуля положення дросельної заслінки;
- - тест прямої пружини.
Якщо контролер новий (адаптація проводиться вперше), всі вищеописані процедури виконуються відразу після включення запалювання протягом 1,5 секунд.
Якщо контролер був навчений раніше, то одразу після включення запалювання виконується тест зворотної пружини. Інші процедури будуть виконані протягом наступних 30 секунд, якщо в цей час не буде порушено жодної з умов:
- - двигун не прокручується;
- - автомобіль не рухається;
- - педаль акселератора не натиснута;
- - температура двигуна вище 5 °С та нижче 100 °С;
- - температура навколишнього повітря вище 5 °С.
Якщо електропривод дросельної заслінки знеструмлений, за допомогою прямої та зворотної пружин дросельна заслінка утримується в положенні Limp home (7-8%).

Код Р1570 Іммобілізатор, ланцюг несправний

Код Р1570 заноситься, якщо:
- - контролер та АПС "навчені";
- - контролер не отримує відповіді від блоку управління АПС.
При виникненні цього коду сигналізатор несправностей не спалахує.
Опис перевірок
Послідовність відповідає цифрам на карті.
- 1 Перевірено наявність постійної несправності.
- 2 Перевіряється справність ланцюга між контактом "18" блоку управління АПС та контактом "X1/39" контролера.
Діагностична інформація
При включенні запалення контролер надсилає запит на зв'язок з АПС. Якщо контролер не отримує відповіді від блоку управління АПС або отримує нерозпізнану відповідь, заноситься код Р1570.
Причиною виникнення цього коду можуть бути ненадійне з'єднання в колодках до блоку управління АПС та контролера.
Необхідно перевірити з'єднання на повноту та правильність зчленування, пошкодження замків, наявність пошкоджених контактів та якість з'єднання контактів із проводом.

Код Р1578 Система керування приводом дросельної заслінки, величина адаптації положення нуля поза допустимим діапазоном

Код Р1578 заноситься, якщо:
- - запалювання включено;
- - виконано процедуру переадаптації положення нуля дросельної заслінки;
- - величина адаптації положення нуля дросельної заслінки виходить за допустиму межу.
Сигналізатор несправностей спалахує через 5 с після виникнення коду несправності.
Опис перевірок
Послідовність відповідає цифрам на карті.
- 1 За допомогою діагностичного приладу перевіряється наявність кодів Р0122, Р0123, Р0222, Р0223, Р2135, Р1545, Р1558, Р1559. Якщо коди присутні, пошук несправності необхідно починати з цих кодів.
- 2 Виконується перевірка механічних та електричних вузлів дросельного патрубка.
Діагностична інформація
При виявленні несправності Р1578 система керування двигуном працюватиме в штатному режимі, для розрахунку положення дросельної заслінки будуть використовуватися значення, отримані в попередній процедурі адаптації.
Діагностичний прилад у режимі "1 - Параметри; 1 - Загальний перегляд" відображає відсоток відкриття дроселяної заслінки WDKBA.
При включенні запалювання контролер проводить:
- - тест зворотної пружини;
- - перевірку положення заслінки при знеструмленому електроприводі;
- - адаптацію нуля положення дросельної заслінки;
- - тест прямої пружини.
Якщо контролер новий (адаптація проводиться вперше), всі вищеописані процедури виконуються відразу після включення запалювання протягом 1,5 секунд.
Якщо контролер був навчений раніше, то одразу після включення запалювання виконується тест зворотної пружини. Інші процедури будуть виконані протягом наступних 30 секунд, якщо в цей час не буде порушено жодної з умов:
- - двигун не прокручується;
- - автомобіль не рухається;
- - педаль акселератора не натиснута;
- - температура двигуна вище 5 °С та нижче 100 °С;
- - температура навколишнього повітря вище 5 °С.
Якщо електропривод дросельної заслінки знеструмлений, за допомогою прямої та зворотної пружин дросельна заслінка утримується в положенні Limp home (7-8%).

Код Р1579 Система керування приводом дросельної заслінки, адаптація положення нуля заслінки перервана у зв'язку із зовнішніми умовами

Код Р1579 заноситься, якщо:
- - запалювання включено;
- - адаптація положення нуля дросельної заслінки перервана через некоректні зовнішні умови.
Сигналізатор несправностей спалахує через 5 с після виникнення коду несправності.
Опис перевірок
Послідовність відповідає цифрам на карті.
- 1 За допомогою діагностичного приладу перевіряється наявність кодів Р0112, Р0113, Р0116, Р0117, Р0118, Р2122, Р2123, Р2127, Р2128, Р2138. Якщо коди присутні, пошук несправності необхідно починати з цих кодів.
- 2 Перевіряється виконання умов адаптації нуля заслінки.
Діагностична інформація
При виявленні несправності Р1579 система керування двигуном працюватиме в аварійному режимі до кінця поточної поїздки:
- - електропривод дросельної заслінки знеструмлений;
- - обмеження обертів двигуна (до 2500 об/хв залежно від положення педалі акселератора).
Діагностичний прилад у режимі "1 - Параметри; 1 - Загальний перегляд" відображає відсоток відкриття дросельної заслінки WDKBA.
При включенні запалювання контролер проводить:
- - тест зворотної пружини;
- - перевірку положення заслінки при знеструмленому електроприводі;
- - адаптацію нуля положення дросельної заслінки;
- - тест прямої пружини.
Якщо контролер новий (адаптація проводиться вперше), всі вищеописані процедури виконуються відразу після включення запалювання протягом 1,5 секунд.
Якщо контролер був навчений раніше, то одразу після включення запалювання виконується тест зворотної пружини. Інші процедури будуть виконані протягом наступних 30 секунд, якщо в цей час не буде порушено жодної з умов:
- - двигун не прокручується;
- - автомобіль не рухається;
- - педаль акселератора не натиснута;
- - температура двигуна вище 5 °С та нижче 100 °С;
- - температура навколишнього повітря вище 5 °С.
Код Р1579 вказує на те, що перше навчання контролера було перервано через порушення умов проведення адаптації (див. вище).
Якщо електропривод дросельної заслінки знеструмлений, за допомогою прямої та зворотної пружин дросельна заслінка утримується в положенні Limp home (7-8%).

Код Р1602 Контролер СУД, пропадання напруги живлення
Код Р1602 заноситься, якщо:
- - запалювання включено;
- - контролер виявив зникнення напруги живлення.
При виникненні цього коду сигналізатор несправностей не спалахує.
Опис перевірок
Послідовність відповідає цифрам на карті.
- 1 Скинути код.
- 2 Перевірити силові ланцюги відповідно до карти А-4.
Діагностична інформація
У разі заміни контролера необхідно виконати процедуру адаптації нуля дросельної заслінки та процедуру адаптації функції діагностики перепусток займання

Код Р1603 Моніторинг управління приводом дросельної заслінки, несправність модуля моніторингу
Код Р1603 заноситься, якщо:
- - запалювання включено;
- - внутрішні тести контролера визначили несправність модуля моніторингу.
Сигналізатор несправностей спалахує через 5 секунд після виникнення коду несправності.
Опис перевірок
Послідовність відповідає цифрам на карті.
1 Якщо несправність періодично фіксується, необхідно замінити контролер.
Діагностична інформація
З моменту ввімкнення запалювання та до моменту відключення головного реле контролер виконує внутрішні перевірки, спрямовані на визначення несправності апаратури процесора.
Частина перевірок виконується одноразово під час увімкнення та вимкнення запалювання.
Частина перевірок виконується циклічно.
При виявленні несправності виконується скидання та ініціалізація процесора.
У разі заміни контролера необхідно виконати процедуру адаптації нуля дросельної заслінки та процедуру адаптації функції діагностики перепусток займання

Код Р2100 Електропривод дросельної заслінки, обрив ланцюга управління

Код Р2100 заноситься якщо:
- - двигун працює;
- - самодіагностика драйвера електроприводу дросельної заслінки визначила на виході відсутність навантаження.
Сигналізатор несправностей спалахує через 5 с після виникнення коду несправності.
Опис перевірок
Послідовність відповідає цифрам на карті.
- 1 Перевірено наявність постійної несправності.
- 2 Перевіряється ланцюг електродвигуна на відсутність обриву.
- 3 Перевіряється ланцюг живлення електроприводу дросельної заслінки на обрив.
Діагностична інформація
У контролері використовується драйвер електроприводу дросельної заслінки, що має функцію самодіагностики. Він може визначити наявність таких несправностей, як обрив, коротке замикання на масу або джерело живлення ланцюга управління.

Код Р2101 Електропривод дросельної заслінки, ланцюг управління несправний

Код Р2101 заноситься якщо:
- - двигун працює;
- - самодіагностика драйвера електроприводу дросельної заслінки визначила несправність.
Сигналізатор несправностей спалахує через 5 с після виникнення коду несправності.
Опис перевірок
Послідовність відповідає цифрам на карті.
- 1 Перевірено наявність постійної несправності.
- 2 Перевіряється наявність замикання на масу ланцюга керування електроприводом.
- 3 Перевіряється наявність замикання на бортову мережу ланцюга керування електроприводом.
Діагностична інформація
У контролері використовується драйвер електроприводу дросельної заслінки, що має функцію самодіагностики. Він може визначити наявність таких несправностей, як обрив, коротке замикання на масу або джерело живлення ланцюга управління.

Код Р2122 Ланцюг датчика положення педалі А, низький рівень сигналу

Код Р2122 заноситься, якщо:
- - запалювання включено;
- - сигнал датчика положення педалі акселератора А (UPWG1ROH) менше 0,4 В протягом 0,2 с.
Сигналізатор несправностей спалахує через 5 с післяе виникнення коду несправності.
Опис перевірок
Послідовність відповідає цифрам на карті.
- 1 За допомогою діагностичного приладу перевіряється, чи активний код Р2122 у момент діагностики.
- 2 Виконується перевірка контролера: на контакт "2" колодки до ДППА має надходити опорна напруга 5 В з контролера.
- 3 Перевірка сигнального ланцюга на наявність обриву або замикання на масу.
- 4 Виконується перевірка контролера: при перемиканні контактів "2" і "4" колодки до ДППА за допомогою пробника сигнал ДППА А на діагностичному приладі повинен змінюватись.
Діагностична інформація
При виявленні несправності ланцюга ДППА А система керування двигуном працюватиме в аварійному режимі до кінця поточної поїздки.
Можливі такі аварійні режими:
- - обмеження потужності двигуна, якщо справний ланцюг ДППА В;
- - холостий хід, якщо несправні ланцюги ДППА А та ДППА В.
Діагностичний прилад у режимі "1 - Параметри; 6 - Дод. Параметри; 3 - Входи АЦП" показує сигнали ДППА А (UPWG1ROH) та ДППА В (UPWG2ROH) у вольтах.
Сигнали ДППА А та ДППА В збільшуються пропорційно натисканню педалі акселератора. За будь-якого положення педалі акселератора сигнал ДППА А повинен бути вдвічі більше сигналу ДППА В.
При відпущеній педалі акселератора сигнал ДППА А повинен перебувати в діапазоні 0,46…0,76 В, сигнал ДППА В повинен перебувати в діапазоні 0,23…0,38 В.
Для розрахунку положення педалі акселератора, вираженого у відсотках (WPED), використовується мінімальний сигнал із UPWG1ROH та 2 × UPWG2ROH.
При кожному включенні запалювання контролер визначає нульове положення педалі акселератора. Положення 100% досягається при напрузі 2,30 В / 1,15 В з датчика ДППА А / ДППА В.
