ЗИЛ-5301 спидометрінің иілгіш білігін каталог бойынша орнату

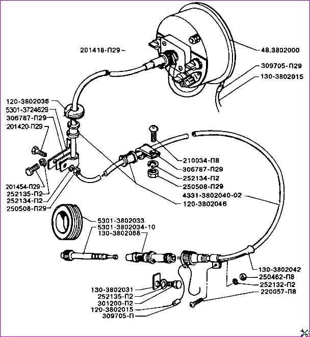
Суретте қосалқы бөлшектер каталогына сәйкес бөлшектерді орнату орындары мен олардың белгілеулері көрсетілген.

Суретке қараңыз және кестеде бөліктің бөлінуі көрсетілген.

сур. 1. Қосалқы бөлшектер каталогы бойынша ЗИЛ-5301 автокөлігінің спидометр жетегін орнату мәліметтері

Каталогқа сәйкес ZIL-5301 автокөлігінің спидометр жетегі үшін орнату мәліметтері

  • 120-3802015 Спидометр сенсорының тығыздағыш сымы
  • 120-3802036 Спидометрдің икемді білігіне арналған втулка, өту арқылы
  • 120-3802046 Втулка
  • 130-3802015 Тығыздағыш сым
  • 130-3802031 Орнату тоқтауы
  • 130-3802042 Спидометрдің икемді білігінің бағыттауы
  • 130-3802088 Спидометр жетекті беріліс тетігі
  • 201418-P29 болт
  • 201420-P29 болт
  • 201454-P29 болт
  • 210034-P8 болт
  • 220057-P8 бұранда
  • 250462-P8 гайка
  • 250508-P29 гайка
  • 252132-P2 Серіппелі шайба
  • 252134-P2 Серіппелі шайба
  • 252135-P2 Серіппелі шайба
  • 301200-P2 болт
  • 306787-P29 қысқыш
  • 309705-P29 мөрі
  • 4331-3802038-01 Бағыттауыш жинағы бар спидометрдің икемді білігі
  • 4331-3802040-02 Спидометрдің икемді білігі
  • 48.3802000 Спидометр жинағы
  • 5301-3724629 Қысқышты орнату кронштейні
  • 5301-3802033 Спидометр жетек құрты
  • 5301-3802034-10 Спидометр жетекті беріліс жинағы