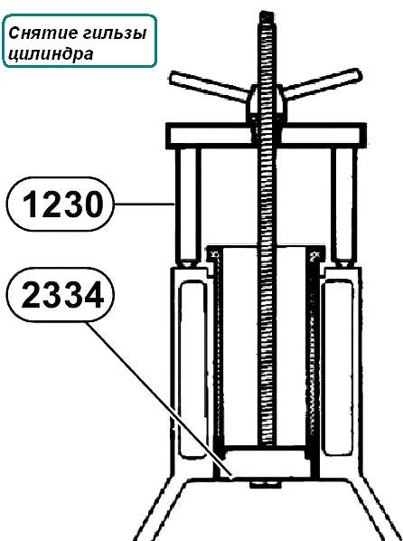
Цилиндр блогын бөлшектеу
1230 + 2334 құралдарын пайдаланып жеңдерді (650.1002021) шешіңіз (1-суретті қараңыз)
Тығыздау сақиналарын алыңыз (650.1002031).
Цилиндр төсемдерінің тығыздағыш сақиналарын алыңыз (1002023, 1002024).
Май қысымының сенсорына арналған фитингті бұрап алыңыз (650.1002600).
Цилиндр блогын жуу
- 1. Қажет болса, ашаны (1) шығарыңыз (2-суретті қараңыз).
- 2. Цилиндрлер блогындағы барлық өту жолдарын мұқият тазалаңыз
Цилиндр блогын басқару
- 1. Мойынтірек бетін цилиндр басы тығыздағыштың бар-жоғын тексеріңіз.
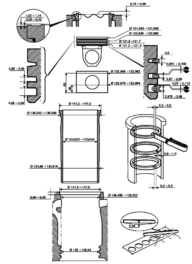
- 2. Жеңдердің сопақтығын, конустықтығын және өлшемдерін тексеріңіз (3-суретті қараңыз).
Цилиндр блоктарының жинағы
1. Цилиндр төсемдерінің тығыздағыш сақиналарын блоктың төменгі отырғызу белдеуінің ойықтарына орнатыңыз (май сақинасы (650.1002024) - жасыл, су сақинасы (650.1002023) - қара).
Цилиндр төсеніштері алынған сайын тығыздағыш сақиналарды ауыстыру қажет.
- 2. Сақиналарды жеңнің иығының астына орнатыңыз.
- 3. Цилиндр төсемдерін орнатыңыз және оларды 1462 құралдармен бекітіңіз (4-суретті қараңыз).
4. Жеңнің шығуын тексеріңіз (5-суретті қараңыз).
“A” өлшемін құрметтеңіз (6-суретті қараңыз).
- 5. Штепсельдің отыратын бетіне Loctite 542 тығыздағышын жағыңыз.
- 6. Штепсельді (1) (7-суретті қараңыз) 3016 + 2363 Ø55 мм аспапты пайдаланып орнатыңыз (9-суретті қараңыз).
- 7. Ауыстыруды тексеріңіз («A» = 2 ± 0,5 мм) (8-суретті қараңыз).
- 8. Май қысымының сенсорын тығыздағышпен бірге орнатыңыз және Mcr = 40 ± 4 Нм қатайтыңыз.
- 9. Май қысымы сенсорының (650.1130552) жіпіне Loctite 542 тығыздағышын жағып, оны фитингке бұраңыз Mcr = 20 ± 4 Нм
Цилиндрлер блогын бөлшектеуге және құрастыруға арналған құрылғы




