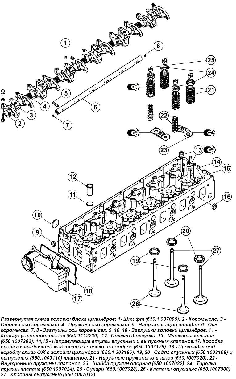
Цилиндр қақпағын бөлшектеу(1-суретті басшылыққа ала отырып)
- 1. Инжекторларға отын беретін фитингтерді бекітетін гайкаларды (311442) бұрап алыңыз
- 2. Инжекторларға жанармай беру фитингтерін алыңыз (650.1112154).
3. Инжектор кронштейндерін бекітетін болттарды (a) (300144) (2-суретті қараңыз) босатыңыз.
- 4. Инжекторды бекіту кронштейндерін (6) алыңыз (650.1112163) (2-суретті қараңыз).
- 5. Саңылауларды (c) (650.1112010) алыңыз (2-суретті қараңыз).
- 6. Мыс шайбаларды (312383) алыңыз.
- 7. 7 цилиндр басы салқындатқыш сұйықтықты төгу қорабының болттарын (a) (310022) алыңыз (3-суретті қараңыз).
- 8. Салқындатқыш сұйықтықты төгетін қорапты басынан (17) алыңыз.
- 9. Салқындатқыш сұйықтықты төгу қорабынан тығыздағышты (18) алыңыз.
- 10. 9838 құралының көмегімен серіппелерді қысыңыз (4-суретті қараңыз).
- 11. Нан үгінділерін (25) алыңыз.
- 12. Пластиналарды (24) және серіппелерді (21, 22) алыңыз.
- 13. Серіппелі шайбаларды (23) алыңыз.
- 14. Клапандарды (26, 27) алыңыз және оларды ретімен орналастырыңыз.
- 15. Клапан шыныаяқтарын (13) алыңыз.
- 16. Клапан бағыттағыштарын (14, 15) алыңыз
- 17. Клапанның орындығына шайбаны дәнекерлеңіз.
- 18. Орындықтарды (19, 20) басынан итеріңіз.
- 19. Саңылау шыныаяқтарында M26x1,5 мм ішкі жіпті кесіңіз
- 20. 1205 құралының көмегімен саптама шыныаяқтарын (12) алыңыз (5-суретті қараңыз).
- 21. Сақинаны (11) алыңыз. Инжектор шыныаяқтарын цилиндр басы шешілген күйде ауыстыру керек
Остері мен тіреуіштері бар рокер тұтқаларын бөлшектеу. (1-суретті қараңыз)
- 1. Бағыттауыш штанганы (1) тартып шығарыңыз.
- 2. Істіктерді (5) алыңыз.
- 3. Рокерлерді (2), тіректерді (3) және серіппелерді (4) алыңыз.
- 4. Қажет болса, тығындарды (7, 8) алыңыз.
Остілік және тік тіректермен рокердің ілмектерін құрастыру. (1-суретті қараңыз)
- 1. Loctite 542 тығыздағышын пайдаланып тығындарды (7, 8) орнатыңыз.
- 2. Тік тіректерді (3), тіректерді (2) және серіппелерді (4) майлаңыз және орнатыңыз.
- 3. Істіктерді орнату (1, 5).
Цилиндр басын тазалау.
(1-суретті қараңыз) Қажет болса, цилиндр басын тазалаңыз, көміртегі шөгінділерін кетіру үшін тығындарды (9, 10, 16) алыңыз.
Цилиндр басы мен MGR бөліктерін тексеру. (В қосымшасын қараңыз)
- 1. Цилиндр басының мойынтірек бетінде тығыздағыш бар-жоғын тексеріңіз.
- 2. Орнату алдында цилиндр басының герметикалығын тексеріңіз.
6 бар ауа қысымы бар 2549 құралын бекітіңіз, басын ыстық суға (80˚ C) батырыңыз және көпіршіктердің жоқтығын тексеріңіз (6-суретті қараңыз).
- 3. Серіппенің калибрленуін тексеріңіз.
- 4. Клапан мен бағыттаушы арасындағы радиалды бос орынды тексеріңіз.
- 5. Клапанның саңылауы мен шығуын тексеріңіз.
Цилиндр басының өлшемдері және рұқсат етілген шегі
Цилиндр басы жинағы
Түтіктерді орнату:
- 1. 3016 + 2363 құралдарын пайдаланып ашаларды (9, 16) орнатыңыз (1-суретті қараңыз).25 мм.
- 2. Штепсельді (10) (1-суретті қараңыз) 3016 + 2363 42 мм аспапты пайдаланып орнатыңыз.
- 3. Штепсельдерді орнатқан кезде Loctite 542 тығыздағышын пайдаланыңыз.
- 4. «A» = 1,5 ± 0,5 мм ойықтың бар-жоғын тексеріңіз (9-суретті қараңыз)
Инжектор тостағанының параметрі:
- 1. Сақинаны (11) ауыстырыңыз (1-суретті қараңыз).
- 2. Саптама тостағанын маймен майлаңыз.
- 3. Саптама тостағанын (12) ауыстырыңыз (1-суретті қараңыз).
- 4. 2556 құралын орнату.
- 5. 1220 құралы арқылы «A» (10а-суретті қараңыз) алауын жағыңыз.
- 6. 1205 құралының көмегімен 1220 құралды алыңыз (10В-суретті қараңыз)
- 7. 2556 құралын жойыңыз
- 8. Тығыздығын тексеріңіз.
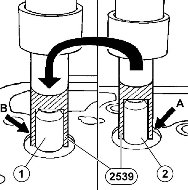
Клапан бағыттағыштарын орнату:
- 1. Бағыттауыш төлкелерді маймен майлаңыз.
- 2. 2539 құралын пайдаланып кіріс (1) және шығыс (2) клапан бағыттағыштарын басып, басыңыз (11-суретті қараңыз).
- Бағыттауыш төлкелерді ауыстырғаннан кейін клапанның орындықтары төселеді. Отырғызып болғаннан кейін сырлау.
Клапан орындықтарын орнату:
- 1. Клапан орындықтарын сұйық азотта немесе мұздатқышта шамамен 12 сағат суытыңыз.
- 2. 1332 құралды және прессті пайдаланып клапан орындықтарын орнатыңыз (12-суретті қараңыз).
Клапан отырғышының төселуі:
Орындықтарды төсемес бұрын клапан бағыттағыштарының күйін тексеріңіз. Қажет болса ауыстырыңыз.
Техникасы:
- - клапан бағыттаушылары құралды орталықтандыруды қамтамасыз етуі керек.
- - шығарылатын металдың мөлшерін анықтау үшін клапанның шөгуінің «R» мәндерін ескеріңіз; 9732 аспапты пайдаланып, «A» бұрышын сақтай отырып, «P» отырғыш бетін өңдеңіз:
- - кірісте 60˚,
- - шығарылымда 45˚
Қолданылатын жабдыққа/құралға байланысты бұрыштар цилиндр басының тығыздағышпен түйісу жазықтығына қатысты немесе клапан осіне қатысты көрсетіледі.
Клапандарды орнату (1-суретті қараңыз):
Клапандарды өздері тегістеуге болмайды, тегістеуге болмайды.
- 1. Тығыздағыштарды (13) шығару клапанының бағыттаушыларына орналастырыңыз.
- 2. Маймен майлап, клапандарды орнатыңыз.
- 3. Серіппелі тіреуіш шайбаларды (23) орнатыңыз.
- 4. Пластиналары (24) бар серіппелерді (21, 22) орнатыңыз.
- 5. 9838 құралының көмегімен шпилькаларды (25) орнатыңыз (14-суретті қараңыз).
Жылдарды орнату:
- 1. Инжекторды (2) мыс шайбамен (1) (312383) цилиндр басындағы инжектор тесігіне орнатыңыз. (Оны орнату кезінде жанармай беру тесігі цилиндр басының қабылдау саңылауларына қарай бағытталуы керек).
- 2. Инжекторға (6) жанармай беретін фитингті орнатыңыз. (Бағдарларды құрметтеңіз (B)).
- 3. Инжекторды (2) және инжекторға жанармай беруге арналған саптаманы (6) саптаманың конустары мен инжектордағы тесіктер түйісетіндей етіп басқарыңыз.
- 4. Біріктірілген гайканы (7) бұраңыз.
- 5. Инжектор кронштейнін (3) орнатыңыз.
- 6. Сфералық шайбаны (4) ауыстырыңыз (312391).
- 7. Инжектор кронштейнінің болттарын (5) қатайтыңыз.
- 8. Инжектор кронштейнінің болттарын (5) және қосқыш гайканы (7) 5 Нм аспайтын айналу моментіне дейін алдын ала қатайтыңыз.
- Соңында инжектор кронштейнінің болттарын (5) және саптаманы бекіту гайкасын (7) 60 Нм дейін қатайтыңыз.
- 9. Инжекторлардың шығуын тексеріңіз.
Салқындатқыш сұйықтықты төгу қорабын цилиндр басынан орнату:

- 1. Тығыздағышты (2) цилиндр басынан (1) салқындатқыш сұйықтықты төгу қорабына орнатыңыз (16-суретті қараңыз).
- 2. Салқындатқыш сұйықтықты төгу қорабын цилиндр басынан орнатыңыз.
- 3. Цилиндр басынан салқындатқыш сұйықтықты төгу қорапшасының бекіту болттарын бұрап, ең соңында белгіленген қатайту тәртібін сақтай отырып, Mcr = 20 ± 4 Нм қатайтыңыз (17-суретті қараңыз)
Цилиндр қақпағын жөндеуге арналған құралдар








