21129 қозғалтқышты басқару жүйесіндегі басқару құрылғысы M86 қозғалтқышты басқару жүйесінің контроллері (ECS) болып табылады

Датчиктерден алынған ақпарат негізінде контроллер жоғары жүргізу өнімділігі мен төмен жанармай шығыны үшін жанармай бүрку басқару параметрлерін есептейді.

Контроллер қозғалтқыш бөлігінде алдыңғы суспензияның сол жақ тірегінде орналасқан.

Lada Vesta автокөлік контроллері

Контроллер отын инжекторлары, электрмен басқарылатын дроссель корпусы, тұтану катушкасы, оттегі сенсорының қыздырғышы, канистрді тазарту клапаны және әртүрлі реле сияқты жетектерді басқарады.

Контроллер негізгі релені (тұтану релесі) қосуды және өшіруді басқарады, ол арқылы батареядан қоректендіру кернеуі жүйе элементтеріне беріледі.

Контроллер тұтану қосулы кезде негізгі релені қосады.

От өшірілген кезде контроллер негізгі релені өшіруді келесі қосуға дайындалу үшін қажетті уақытқа (есептеулерді аяқтау, дроссель клапанын қозғалтқышты іске қосу алдындағы қалыпқа орнату) кейінге қалдырады.

KSUD иммобилизация функциясын CBKE (VSM контроллері) арқылы кодтармен алмасу арқылы орындайды.

Егер биржа кодтардың дұрыс емес екенін анықтаса, KSUD жүйесінде қозғалтқышты іске қосуды блоктау жойылмайды.

Контроллер сонымен қатар жүйе диагностикалау функциясын орындайды.

Ол жүйе элементтеріндегі ақаулардың болуын анықтайды, дабылды қосады және оның жадында ақаудың сипатын көрсететін және механикке жөндеу жұмыстарын жүргізуге көмектесетін кодтарды сақтайды.

LADA VESTA көлігінде CAN шинасы арқылы ECU контроллері, диагностикалық розетка және басқа көлік жүйелерінің контроллері (басқару блоктары) арасында деректер алмасу интерфейсі бар.

CAN шинасы ECM және CBKE арасында иммобилизатор кодтарын алмасу үшін және қозғалтқыштың жұмыс параметрлері, трансмиссия, ABS, сенсор күйі және т.б. туралы ақпарат алмасу үшін пайдаланылады.

CAN шинасы екі сымды желі:

  • - CAN L төменгі деңгей сызығы (ECM контроллерінің "X1.1/H5", "X1.2/D5" контактілері);
  • - CAN H жоғары деңгей сызығы (ECM контроллерінің "X1.1/H4", "X1.2/D4" контактілері).

Контроллер күрделі электронды құрылғы болып табылады, оны жөндеу тек өндірушінің зауытында жүргізілуі керек.

Көлікті пайдалану және техникалық қызмет көрсету кезінде контроллерді бөлшектеуге тыйым салынады.

Контроллердің бағдарламалық құралын рұқсатсыз өзгерту қозғалтқыш жұмысының нашарлауына және тіпті оның істен шығуына әкелуі мүмкін.

Бұл жағдайда көлік құралын өндірушінің қозғалтқышқа және басқару жүйесіне техникалық қызмет көрсету және жөндеу бойынша кепілдік міндеттемелері жойылады.

Контроллер әртүрлі құрылғыларды 5В немесе 12В қуатпен қамтамасыз етеді.

Кейбір жағдайларда ол номиналды кедергісі соншалықты жоғары контроллер резисторлары арқылы беріледі, басқару шамы тізбекке қосылған кезде ол жанбайды.

Көп жағдайда ішкі кедергісі төмен кәдімгі вольтметр дәл көрсеткіштерді бермейді.

Контроллердің шығыс сигналдарының кернеуін бақылау үшін ішкі кедергісі кемінде 10 МОм болатын сандық вольтметр қажет.

Контроллер жады

Контроллерде жадтың үш түрі бар: бағдарламаланатын тек оқуға арналған жад (ROM), жедел жад (RAM) және электрлік қайта бағдарламаланатын жад (ERPROM).

Контроллердің жады тұрақты емес, яғни. оның мазмұны қуат өшірілгенде сақталады.

Тек оқуға арналған жад (ROM)

ROM жұмыс пәрмендерінің тізбегін және калибрлеу туралы ақпаратты қамтитын басқару бағдарламасын сақтайды.

Калибрлеу туралы ақпарат - бұл инъекцияны, тұтануды, бос жүріс жылдамдығын және т.б. басқаруға арналған деректер, бұл өз кезегінде көлік салмағына, қозғалтқыш түрі мен қуатына, беріліс қорабының коэффициенттеріне және басқа факторларға байланысты.

Жедел жад (RAM)

Жедел жадты микропроцессор өлшенген параметрлерді, есептеу нәтижелерін және қате кодтарын уақытша сақтау үшін пайдаланады.

Микропроцессор қажет болған жағдайда жедел жадқа деректерді жаза алады немесе деректерді оқи алады.

Электрлік қайта бағдарламаланатын жад (ERPROM)

EEPROM контроллерді, қозғалтқышты және көлік идентификаторларын, сондай-ақ иммобилизатор құпиясөз кодтарын сақтау үшін пайдаланылады.

CBKE-ден ECM контроллері алған кодтар-парольдер EPROM-да сақталғандармен салыстырылады және микропроцессор белгілі бір заңға сәйкес өзгертеді.

Контроллердің зақымдалуын болдырмау үшін Батареяның теріс терминалындағы сымды немесе контроллердің сым сымын қосқанда, тұтану өшірулі болуы керек.

Контроллер істен шыққан жағдайда ауыстыру үшін "таза" (үйретілмеген) контроллерді пайдалану қажет.

Контроллердің жұмысын тексеру

1) Контроллерді ауыстырғаннан немесе диагностикалық құралды пайдаланып контроллерді бастапқы қалпына келтіргеннен кейін («Функцияны тексеру; ECU инициализациясымен қалпына келтіру» режимі) дроссельдік клапанның нөлдік бейімделу процедурасын және қате диагностикалық функцияны бейімдеу процедурасын орындау қажет.

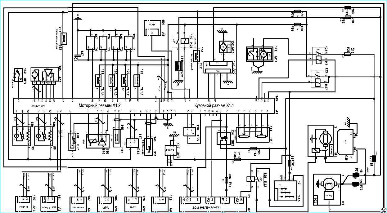
M86 EURO-5 контроллері бар Comfort AT конфигурациясындағы LADA VESTA көлігінің ECU M86 электр желісіне қосылу схемасы (21803-0000013-51):

M86 EURO-5 контроллері (21803-0000013-51) бар Comfort AT конфигурациясындағы LADA VESTA көлігінің M86 ECU электр желісіне қосылу диаграммасы

Дроссельді нөлге бейімдеу процедурасы:

- көлік тұрақта тұрғанда, тұтануды қосу керек, 30 секунд күтіңіз, отты өшіріңіз, негізгі реле сөнгенше күтіңіз.

Бейімдеу келесі жағдайларда тоқтатылады:

  • - қозғалтқыш айналады;
  • - көлік жүріп жатыр;
  • - газ педалы басылды;
  • - қозғалтқыш температурасы 5 °C төмен немесе 100 °C жоғары;
  • - қоршаған ауа температурасы 5 °C төмен.

Қателік диагностикалық функциясын бейімдеу процедурасы:

  • - қозғалтқышты жұмыс температурасына дейін қыздыру («Салқындату сұйықтығының температурасы» параметрінің мәні = 60...90 °C);
  • - 2-ші берілісте автомобильді иінді біліктің жоғарылаған айналу жиілігіне жеткенше («Қозғалтқыш иінді білігінің айналу жиілігі» параметрінің мәні = 4000 мин-1) және қозғалтқышты тежеуді орындау («Қозғалтқыштың иінді білігінің айналу жиілігі» = 1000 мин-1 );
  • - бір сапарда қозғалтқышты алты рет тежеу. 2) Диагностика жүргізу.

M86 контроллерінің контактілерін тағайындау

Байланыс - тізбек

X1.1 қосқышы

  • A1, A2, A3, A4 - пайдаланылмайды
  • A5 - Кіру. Тұтану қосқышының «15» терминалы. Тұтану қосулы және қозғалтқыш жұмыс істемей тұрғанда номиналды кернеу 12 В. Қозғалтқыш жұмыс істеп тұрғанда - 13,5-15,2 В.
  • B1, B2, B3 - пайдаланылмайды.
  • B4, B5, C1 - пайдаланылмайды.
  • C2 - енгізу. Круиз-бақылау дискретті 1. Пайдаланылмайды.
  • C3 - енгізу. Круиз-бақылау дискретті 2. Пайдаланылмайды.
  • C4 - енгізу. Тежегіш педаль қосқышы 1. Тежегіш педалі босатылған кезде контактіде автокөліктің электр жүйесінен тұтану қосқышының «15» терминалынан кернеу болады.
  • C5 - енгізу. Тежегіш педаль қосқышы 2. Тежегіш педалі басылған кезде контактіде көліктің электр жүйесінен тұтану қосқышының «30» терминалынан кернеу пайда болады.
  • D1 - пайдаланылмайды
  • D2 - Шығу. Газ педальының позициясының сенсоры 1 үшін 5В қоректендіргіш. Контактіге 5В эталондық кернеу беріледі.
  • D3 - Шығу. Салқындатқыш қысым датчигі үшін 5В қоректену. Контактіге 5 В тірек кернеуі берілген
  • D4 - Кіру. Газ педальының сенсоры 1. Газ педалі босатылған кезде сигнал 0,5…0,85 В шегінде болуы керек. Газ педальы толығымен басылған кезде сигнал 4,19…4,59 В шегінде болуы керек.
  • D5 - үдеткіш педаль сенсорының жерге тұйықталуы 1. Контактідегі кернеу нөлге тең болуы керек.
  • E1 - пайдаланылмайды.
  • E2 - Шығу. 2-ші педаль позициясының сенсоры үшін 5В қуат көзі. Контактіге 5 В эталондық кернеу беріледі.
  • E3 - Кіру. Круиздік бақылау аналогты болып табылады. Қолданбады.
  • E4 - Кіру. Газ педальының сенсоры 2. Газ педалі босатылған кезде сигнал 0,25…0,43 В шегінде болуы керек. Газ педальы толығымен басылған кезде сигнал 2,095…2,295 В шегінде болуы керек.
  • E5 - үдеткіш педаль сенсорының жері 2. Контактідегі кернеу нөлге тең болуы керек.
  • F1 - пайдаланылмайды.
  • F2 - Шығу. Кондиционердің ілінісу релесін басқару (-). Басқару сигналы дискретті, белсенді деңгей төмен, 1 В-тан аспайды, ол кондиционерді қосуға рұқсат етілгенде шығарылады.
  • F3 - пайдаланылмайды.
  • F4 - кіру. Салқындатқыш қысым датчигі. Контактідегі кернеу ауа баптау жүйесіндегі салқындатқыштың қысымына байланысты.
  • F5 - салқындатқыш қысым датчигі жерге. Контактідегі кернеу нөлге тең болуы керек.
  • G1, G3 - пайдаланылмайды.
  • G2 - Шығу. Стартер релесін басқару 1 (-). Қолданбады.
  • G4, G5, H1 - пайдаланылмайды.
  • H2 - Шығу. Қозғалтқыштың салқындату жүйесінің желдеткішінің 1 релесін басқару (-). Желдеткіш реле орамасының қоректену кернеуі негізгі реле шығысынан («87» терминалы) келеді.

Басқару сигналы дискретті, белсенді th деңгейі төмен, 1 В артық емес. Контроллер салқындатқыштың температурасы 102 °C-тан жоғары болғанда, сондай-ақ контроллер жадында салқындатқыш температурасының сенсорының ақаулық кодтары болғанда немесе кондиционер жұмыс істеп тұрғанда релені қосады.

H3 - Шығу. Қозғалтқыштың салқындату жүйесінің желдеткішінің 2 релесін басқару (-). Желдеткіш реле орамасының қоректену кернеуі негізгі реле шығысынан («87» терминалы) келеді.

Басқару сигналы дискретті, белсенді деңгей төмен, 1 В-тан аспайды. Контроллер салқындату сұйықтығының температурасы 103 °C-тан жоғары болғанда, сондай-ақ желідегі салқындатқыштың жоғары қысымы кезінде релені қосады. кондиционер жұмыс істеп тұрғанда және кондиционер жұмыс істемей тұрғанда.

  • H4 - енгізу/шығару. CAN - H.
  • H5 - енгізу/шығару. CAN - L.
  • J1 - пайдаланылмайды.
  • J2 - Шығу. Адсорбердің тазарту клапанын басқару (-). Адсорбердің тазарту клапанының қоректену кернеуі негізгі реле шығысынан («87» терминалы) келеді.

Басқару сигналы импульсті, белсенді деңгей төмен, 1 В артық емес. Жұмыс циклі қозғалтқыштың жұмыс режиміне байланысты 0...100% диапазонында өзгереді.

J3 - Шығу. Негізгі релелік басқару (-). Қоректендіру кернеуі аккумулятордың оң терминалынан реле орамына беріледі. Басқару сигналы дискретті, белсенді деңгейі төмен, 1,5 В артық емес.

Оталдыру қосқышы «өшіру» күйінен «қосулы» күйге бұрылғанда, реле дереу қосылуы керек. Тұтану қосқышы «қосу» күйінен «өшіру» күйіне ауыстырылған кезде контроллер негізгі релені өшіруді шамамен 10 секундқа кешіктіреді.

  • J4 - Шығу. Электрлік отын сорғысының релелік басқаруы (-). Электр отын сорғысының реле орамасының қоректендіру кернеуі тұтану қосқышының «15» терминалынан келеді. Басқару сигналы дискретті, белсенді деңгей төмен, 1 В-тан аспайды және отын беруге рұқсат етілгенде беріледі.
  • J5 - Кіру. Кондиционерді қосу сигналын сұрау. Сұраныс сигналы болмаған жағдайда, бұл контакт контроллердің ішкі резисторы арқылы жерге қосылады.

Кондиционер қосқышы қосылған кезде көліктің электр жүйесінен кернеу контактіге беріледі. Климаттық бақылау жүйесімен жабдықталған көлікте бұл кіріс кондиционерді қосуды сұрау сигналы CAN шинасы арқылы SAUCU контроллерінен ECM контроллеріне жіберіледі.

  • K1, K2 - Пайдаланылмаған.
  • K3 - Кіру. Негізгі реле шығысындағы борттық желі кернеуі.

Қозғалтқыш жұмыс істемей тұрған кездегі негізгі реле шығысының («87» терминалы) кернеуі (қозғалтқышты қоспай тұтануды қосқаннан кейін шектеусіз уақыт ішінде, сондай-ақ тұтануды өшіргеннен кейін 10 секунд ішінде) 12 В. Қозғалтқыш жұмыс істеп тұрғанда – 13,5 -15,2 В.

  • K4 - қуат каскадтарының массасы. Ол жетектердің шығыс кілттерінің массасын автомобиль корпусына қосу үшін қолданылады.
  • K5 - қуат каскадтарының массасы. Ол жетектердің шығыс кілттерінің массасын автомобиль корпусына қосу үшін қолданылады.
  • L1, L2 - пайдаланылмайды.
  • L3 - Кіру. Негізгі реле шығысындағы борттық желі кернеуі. Қозғалтқыш жұмыс істемей тұрған кездегі негізгі реле шығысынан («87» терминалы) кернеу (қозғалтқышты қоспай тұтануды қосқаннан кейін шексіз уақыт ішінде, сондай-ақ тұтануды өшіргеннен кейін 10 секунд ішінде) 12 В. Қозғалтқыш жұмыс істеп тұрғанда - 13,5-15, 2 Б.
  • L4 - Қуат сатыларының массасы. Ол жетектердің шығыс кілттерінің массасын автомобиль корпусына қосу үшін қолданылады.
  • L5 - тұтану қуат кезеңдерінің жері. Қолданбады.

X1.2 қосқышы

  • A1 - Шығу. Дроссель жетекі - "1" (+) контактісіне.
  • A2 - Шығу. Оттегі сенсорының қыздырғышын басқару. Оттегі сенсорының қыздырғышының қоректену кернеуі негізгі реле шығысынан («87» терминалы) келеді.

Басқару сигналы импульсті, белсенді деңгей төмен, 2 В аспайды. Жұмыс циклі сенсорды орнату аймағындағы температура мен ылғалдылыққа байланысты 0...100% диапазонында өзгереді.

A3 - Шығу. Диагностикалық оттегі сенсорының қыздырғышын басқару. Оттегі сенсорының қыздырғышының қоректену кернеуі негізгі реле шығысынан («87» терминалы) келеді.

Басқару сигналы импульсті, белсенді деңгей төмен, 2 В аспайды. Жұмыс циклі сенсорды орнату аймағындағы температура мен ылғалдылыққа байланысты 0...100% диапазонында өзгереді.

  • A4 - Шығу. Дроссель жетекі - терминал «2» (-).
  • A5, B1 - пайдаланылмайды.
  • B2 - Шығу. Инжектордың 1 цилиндрін басқару (-). Инжектор орамының қоректену кернеуі негізгі реле шығысынан («87» терминалы) келеді. Басқару сигналы импульсті, белсенді деңгей төмен, 1,5 В аспайды. Ұзақтығы қозғалтқыштың жұмыс режиміне байланысты және бірнеше миллисекундтан ондаған миллисекундқа дейін ауытқиды.
  • B3 - пайдаланылмайды.
  • B4 - Кіру. Иінді біліктің позициясының сенсорының сигналы - «А» контактісі. Иінді білікті айналу кезінде Қозғалтқыштың контактісінде синус толқынына жақын айнымалы кернеу сигналы бар. Сигналдың жиілігі мен амплитудасы иінді біліктің айналу жиілігіне пропорционал.
  • B5 - Кіру. Иінді біліктің позициясының сенсорының сигналы - «В» контактісі. Қозғалтқыштың иінді білігі айналғанда, түйіспеде синус толқынына жақын айнымалы ток кернеуінің сигналы болады. Сигналдың жиілігі мен амплитудасы иінді біліктің айналу жиілігіне пропорционал.
  • C1 - пайдаланылмайды.
  • C2 - Шығу. Инжектордың 2 цилиндрін басқару (-). Инжектор орамының қоректену кернеуі негізгі реле шығысынан («87» терминалы) келеді.

Басқару сигналы импульсті, белсенді деңгей төмен, 1,5 В-тан аспайды. Ұзақтығы қозғалтқыштың жұмыс режиміне байланысты және бірнеше миллисекундтан ондаған миллисекундқа дейін ауытқиды.

C3 - Шығу. Инжектордың 3 цилиндрін басқару (-). Инжектор орамының қоректену кернеуі негізгі реле шығысынан («87» терминалы) келеді.

Басқару сигналы импульсті, белсенді деңгей төмен, 1,5 В-тан аспайды. Ұзақтығы қозғалтқыштың жұмыс режиміне байланысты және бірнеше миллисекундтан ондаған миллисекундқа дейін ауытқиды.

  • C4 - LIN енгізу/шығару.
  • C5 - электроника массасы. Контактідегі кернеу нөлге тең болуы керек.
  • D1 - пайдаланылмайды.

D2 - Шығу. Инжектордың 4 цилиндрін басқару (-). Инжектор орамының қоректену кернеуі негізгі реле шығысынан («87» терминалы) келеді. Басқару сигналы импульсті, белсенді деңгей төмен, 1,5 В аспайды. Ұзақтығы қозғалтқыштың жұмыс режиміне байланысты және бірнеше миллисекундтан ондаған миллисекундқа дейін ауытқиды.

  • D3 - пайдаланылмайды.
  • D4 - енгізу/шығару. CAN - H.
  • D5 - енгізу/шығару. CAN - L.
  • E1, E2 - пайдаланылмайды.
  • E3 - Шығу. Дроссель күйінің сенсорлары үшін 5В қоректену. Контактіге 5 В анықтамалық кернеу қолданылады.
  • E4 - Кіру. Фазалық сенсор сигналы. Сигнал болмаған жағдайда борттық желіден кернеу контроллердің ішкі резисторы арқылы осы контактіге беріледі. Датчик тізбекті таратқыш біліктің айналымына бір рет жерге импульсімен жібереді, бұл қозғалтқыш цилиндрінің жану ретін тануға мүмкіндік береді.
  • E5, F1 - пайдаланылмайды.
  • F2 - Шығу. Ауа сорғыш коллекторының клапанын басқару. Адсорбердің тазарту клапанының қоректену кернеуі негізгі реле шығысынан («87» терминалы) келеді.
  • Басқару сигналы импульсті, белсенді деңгей төмен, 1 В артық емес.
  • F3 - Шығу. Абсолютті қысым датчигі үшін 5В қуат көзі. Контактіге 5 В тұрақтандырылған кернеу беріледі.
  • F4 - пайдаланылмайды.
  • F5 - дроссель күйінің сенсорларының жері. Контактідегі кернеу нөлге тең болуы керек.
  • G1 - пайдаланылмайды.
  • G2 - Кіру. Дроссель күйінің сенсорының сигналы 1. Тұтану қосулы кезде кірісте тұрақты кернеу сигналы болуы керек, оның мәні дроссельдік клапанның ашылу дәрежесіне байланысты: клапан толығымен жабылған кезде 0,30…0,58 В.</ li>
  • G3 - Кіру. Дроссель күйінің датчигі сигналы 2. Тұтану қосулы кезде кірісте тұрақты кернеу сигналы болуы керек, оның мәні дроссельдік клапанның ашылу дәрежесіне байланысты: клапан толығымен жабылған кезде 4,42…4,70 В.
  • G4 - Кіру. Оттегі сенсорын басқару сигналы. Оттегі сенсорының температурасы 150 °C төмен болса (жылынбаған), контактіде 1,7 В кернеу бар.

Оттегі сенсоры қызған кезде, содан кейін қозғалтқыш жабық контур режимінде жұмыс істеп тұрғанда, кернеу 180...250 мВ төмен мән мен 850...950 мВ жоғары мән арасында секундына бірнеше рет ауысады.

  • G5 - басқару оттегі сенсорының жері. Контактідегі кернеу нөлге тең болуы керек.
  • H1 - пайдаланылмайды.
  • H2 - енгізу. Соққы сенсорының сигналы - «1» (+) контактісі. Сигнал – амплитудасы мен жиілігі қозғалтқыш цилиндр блогының тербелісіне байланысты айнымалы ток кернеуі.
  • H3 - Кіру. Соққы сенсорының сигналы - контакт «2» (-). Сигнал – амплитудасы мен жиілігі қозғалтқыш цилиндр блогының тербелісіне байланысты айнымалы ток кернеуі.
  • H4 - Кіру. Оттегі сенсорының диагностикалық сигналы. Оттегі сенсорының температурасы 150 °C төмен болса (жылынбаған), контактіде 1,7 В кернеу бар.
  • Оттегі сенсоры қызған кезде, кері байланыс режимінде және тұрақты күйде жұмыс істейтін бейтараптандырғышпен жұмыс істегенде, кернеу 590...750 мВ диапазонында өзгеруі керек.
  • H5 - диагностикалық оттегі сенсорының массасы. Контактідегі кернеу нөлге тең болуы керек.
  • J1 - пайдаланылмайды.
  • J2 - Кіру. Тұтыну ауасының температурасы сенсорының сигналы. Контактідегі кернеу қозғалтқышқа түсетін ауа температурасына байланысты: 25 °C температурада кернеу шамамен 2,35 В. Егер сенсор тізбегінде үзіліс болса, контактідегі кернеу 5±0,1 болады. V.
  • J3 - Кіру. Салқындату сұйықтығының температурасы сенсорының сигналы. Контактідегі кернеу температураға байланысты салқындатқыш: 20 °C температурада кернеу шамамен 3,0 В. Егер сенсор тізбегінде ашық тізбек болса, контактідегі кернеу 5±0,1 В.
  • J4 - Кіру. Коллекторлы абсолютті қысым сенсорының сигналы. Контактідегі кернеу сору коллекторындағы қысымға байланысты: тұтану қосылып, қозғалтқыш жұмыс істемей тұрғанда, кернеу шамамен 4,07 В.
  • J5 - абсолютті қысым, ауа температурасы және салқындатқыш температурасы сенсорлары үшін жер. Контактідегі кернеу нөлге тең болуы керек.
  • K1, K2, K3, K5 - Пайдаланылмаған.
  • K4 - Кіру. Май қысымының сенсоры сигналы дискретті.
  • L1, L2, L3, L4, L5, M1, M2, M3, M4, M5, N1 - пайдаланылмайды.
  • N2 - Шығу. 4-цилиндрдің тұтану орамының бастапқы орамасын басқару (-). Тұтану катушкасының бастапқы орамасының қоректену кернеуі негізгі реле шығысынан («87» терминалы) келеді.

Басқару сигналы импульсті, белсенді деңгей төмен, 2,5 В-тан аспайды. Ұзақтығы желідегі борттық кернеуге байланысты - бірнеше миллисекундтан ондаған миллисекундқа дейін.

N3 - Шығу. 3-цилиндрдің тұтану катушкасының бастапқы орамасын басқару (-). Тұтану катушкасының бастапқы орамасының қоректену кернеуі негізгі реле шығысынан («87» терминалы) келеді.

Басқару сигналы импульсті, белсенді деңгей төмен, 2,5 В-тан аспайды. Ұзақтығы желідегі борттық кернеуге байланысты - бірнеше миллисекундтан ондаған миллисекундқа дейін.

N4 - Шығу. 2-цилиндрдің тұтану катушкасының бастапқы орамасын басқару (-). Тұтану катушкасының бастапқы орамасының қоректену кернеуі негізгі реле шығысынан («87» терминалы) келеді.

Басқару сигналы импульсті, белсенді деңгей төмен, 2,5 В-тан аспайды. Ұзақтығы желідегі борттық кернеуге байланысты - бірнеше миллисекундтан ондаған миллисекундқа дейін.

N5 - Шығу. 1-цилиндрдің тұтану орамының бастапқы орамасын басқару (-). Тұтану орамасының бастапқы орамының қоректену кернеуі негізгі реле шығысынан («87» терминалы) келеді.

Басқару сигналы импульсті, белсенді деңгей төмен, 2,5 В-тан аспайды. Ұзақтығы борттық желінің кернеуіне байланысты - бірнеше миллисекундтан ондағанға дейін