Хронометраждық жетек бөлшектерінің техникалық жағдайын тексеру
Тарату білігі мен иінді біліктің тісті білігінің, кергіш шкивтің және роликтің тозуы мен зақымдалуын тексеріңіз
Қажет болса бөлшектерді ауыстырыңыз
Керу тетігі мен роликті біркелкі айналдырып, шу бар-жоғын тексеріңіз. Қажет болса, бөлшектерді ауыстырыңыз.
Егер подшипниктен май ағып кетсе, қажет болса, кергіш пен роликті ауыстырыңыз.
Жеткі белдігі
Белдікте майдың немесе шаңның жиналуын тексеріңіз.
Қажет болса, белдікті ауыстырыңыз.
Шаңды құрғақ шүберекпен сүрту керек. Белдікті еріткішпен тазаламаңыз.
Қозғалтқыш бөлшектелгенде немесе кергіш ауыстырылғанда белдікті мұқият тексеріңіз.
Егер белдік анық зақымдалған болса, оны ауыстырыңыз.
Белдікті майыстырмаңыз, бұрмаңыз немесе ішке қарай бұрмаңыз.
Судан, майдан, т.б. алыс ұстаңыз. белдікте.
Уақыт белдеуін алу

Қозғалтқыш қақпағын (A) алыңыз.
Алдыңғы оң жақ дөңгелекті және шинаны шешіңіз.
Дөңгелектің қақпағын алыңыз.

Жетек белдігін (A), шкив (B) және кергіш (C) алыңыз.

Жетек белдігін шешкен кезде, автоматты кергіш шкив болттарын арнайы құралмен бекітіп, сағат тіліне қарсы бұраңыз.
Үстіңгі уақыт белдігінің қақпағын (A) алыңыз.

Иінді білікті сағат тілімен бұру арқылы шкив ойығын жетек белдігінің қақпағындағы белгімен туралаңыз.
Тарату білігінің жұлдызшасының белгісі цилиндр басы қақпағындағы белгіге сәйкес келетінін тексеріңіз (цилиндр №1 /TDC).

Қозғалтқышты бекіту кронштейнін алыңыз.
Қозғалтқышты қолдау үшін ұяны орнатыңыз.
Джек пен май табасының арасына ағаш блокты орнатыңыз.
Қозғалтқышты бекіту кронштейнін (A) алыңыз.

Иінді біліктің шығырын (A) алыңыз

Төменгі жетек белбеуінің қақпағын (A) алыңыз.

Қозғалтқышты бекіту кронштейнін (A) алыңыз.
Алғаннан кейін (B) суретте көрсетілген аймақта салқындатқыш сұйықтық аздап ағып кетуі мүмкін.

Жетек белбеуінің автоматты кергішін (A) алыңыз.

Жетек белдігін (A) алыңыз.
жетек белдігін алу ретін белгілеңіз.

Керу тұтқасы жинағын (A) және шкивтерді алыңыз (B) ішінде.
Иінді біліктің жұлдызшасын алыңыз.
Уақыт белдеуін орнату
Иінді біліктің берілісін орнатыңыз.

Керу тұтқасы жинағын (A) және шкивті (B) орнатыңыз. Тарту моменті:
- - кергіш рычаг: 34,3-53,9 Нм,
- - Шкив болты: 49,0-58,8 Нм.

Тарату білігі мен иінді білік жұлдызшаларындағы белгілерді туралаңыз.

Жетек белдігін келесідей орнатыңыз: иінді біліктің тісті білігі (A) ► шкив (B)
2-ші бүйірлік жұдырықша білігінің тісті (C) ► Су сорғысының шкиві (D) ► 1-ші реттік шығару таратқыш білігінің жұлдызшасы (E) ► Кергіш шкив (F).

Уақыт белдігінің кергішін орнатыңыз.
Қартқышты 5 минутқа орнатпаңыз.
Массасы 150-200 Н болатын шыбықты басыңыз.
Егер өзек қозғалмаса, реттеу істікшесін жайлап салыңыз.
Егер өзек қозғалса, ұзындығы 2,9 мм болатындай етіп оны 2-3 рет басыңыз (шыбықтың және корпустың 2 тесігі бір деңгейде болған жерден).
Қаттылықты тексеріңіз. Таяқша қозғалса, түйреуішті салып, автоматты кергішті ауыстырыңыз.

Автоматты кергішті босатпаңыз.
Таяқшаны қатты баспаңыз. Таяқшаны 4000 Н-ден аз күшпен басыңыз.
Автоматты кергіш дұрыс күйде орнатылғанын тексеріңіз.
Қыста авто кергішті үй ішінде сақтаңыз.

Автоматты кергіш түйреуішті алыңыз.
Белудің керілуін тексеріңіз.
Иінді білікті сағат тілімен 2 бұрыңыз және бірінші цилиндрді TDC күйіне орнатыңыз.
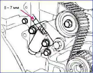
5 минуттан кейін штанганың ұзындығын өлшеңіз.
Стандартты мән: 5-7 мм.
- Әр жұлдыздың таңбаларының орнын тексеріңіз.

Қозғалтқышты орнату кронштейнін (A) орнатыңыз. Тарту моменті: 58,8 ~ 68,6 Нм
Болттардың ұзындығын тексеріңіз.
Тек бұрауыш кілтін пайдаланыңыз.

Төменгі жетек белбеуінің қақпағын орнатыңыз. Тарту моменті: 9,8 ~ 11,8 Нм
Сол жақ жетек белдігінің қақпағын төмен басып, болт тесігінің сол жағына қарай аздап жылжытыңыз.

Иінді біліктің шығырын (A) орнатыңыз. Тарту моменті: 166,7 ~ 176,5 Нм.

Қозғалтқышты орнату кронштейнін (A) орнатыңыз. Тарту моменті: 63,7 ~ 83,4 Нм.

Жоғарғы жетек белдігінің қақпағын (A) орнатыңыз. Тарту моменті: 9,8 ~ 11,8 Нм
Белдік кергішін (C) орнатыңыз. Тарту моменті: 34,3 ~ 53,9 Нм.

Белдік шкив пен жетек белдігін (A) орнатыңыз. Тарту моменті: 34,3 ~ 53,9 Нм
Оң жақ қақпақты орнатыңыз.
Алдыңғы оң жақ дөңгелекті және шинаны орнатыңыз.

Қозғалтқыш қақпағын (A) орнатыңыз. Тарту моменті: 7,8 ~ 11,8 Нм.