Жанармай сорғысының жинағы суретте көрсетілген. 1.

Жоғары қысымды жанармай сорғысында жылдамдық реттегіші 5, жанармай құю сорғысы 9 және жанармай бүрку алдын ала ілінісу 4 бір блокқа біріктірілген

Жоғары қысымды отын сорғысының дизайны және жұмысы

Жоғары қысымды отын сорғысы жалпы корпуста орналасқан бөлімдерден, бөлек сорғы элементтерінен тұрады.

Бөлімдердің саны қозғалтқыш цилиндрлерінің санына тең.

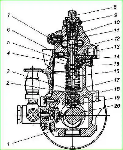
Жоғары қысымды отын сорғысы 806 және 807 үлгілері: 1 - жоғары қысымды отын сорғысы; 2 - бүйірлік қақпақ; 3 - шығыршықтар; 4 - жанармай бүрку алдын ала ілінісу; 5 - көрсеткіш; 6 - жанармай сорғысының рельсінің қақпағы; 7 - айналмалы клапан; 8 - ауаны шығаруға арналған тығындар; 9 - жылдамдықты реттегіш; 10 - максималды жылдамдықты шектейтін болт; 11 - реттегішті басқару тұтқасы; 12 - отын беруді күшейту түзеткіші; 13 - ең төменгі жылдамдықты шектейтін болт; 14 - буферлік серіппелі корпус; 15 - тоқтату кронштейні; 16 - жанармай құю сорғысы; A - максималды бос жүріс кезінде рычагтың жағдайы; B - рычагтың ең аз бос жүріс кезіндегі жағдайы; B - жұмыс кезіндегі кронштейннің жағдайы; G- беру өшірілген кездегі кронштейннің орны

Жанармай сорғы бөлігінің орналасуы күріште көрсетілген. 2.

Жоғары қысымды отын сорғысы бөлімі: 1 - сорғы корпусы; 2 - бекіткіш гайка; 3 - реттегіш болт; 4 - айналмалы жең; 5 - сақиналы беріліс; 6 - бекіту бұрандасы; 7 - ауаны шығаруға арналған тығын; 8 - фитинг; 9 - қысымды клапанның серіппесі; 10 - шығару клапаны; 11 - қысымды клапанның корпусы; 12 - плунжер втулкасы; 13 - поршень; 14 - рельс; 15 - жоғарғы серіппелі пластина; 16 - итергіш серіппе; 17- төменгі серіппелі пластина; 18 - итергіш; 19 - итергіш ролик; 20 - таратқыш білік

Плунжер жұптары, шығару клапандары 10 және фитингтер 8 жоғары қысымды құбырлар қосылған сорғы корпусында 1 орнатылған.

Шығару клапаны 10 және клапан корпусы 11, сондай-ақ гильзасы 12 бар плунжер 13 тек жинақ ретінде ауыстырылатын дәл жұптар болып табылады.

Поршень төлкесі бұрылудан 6 бұрандамен бекітілген.

Поршень 13 20 таратқыш білікпен роликтің ізбасары 18 арқылы қозғалады.

16 серіппе итергішті төменгі пластина 17 арқылы жұдырықшаға үнемі басып тұрады.

Итергіш сорғы корпусының саңылауындағы ойыққа кіретін итергіш крекер арқылы айналудан бекітіледі.

Реттеу болты 3 итергішке бұралған, ол бекіткіш гайкамен 2 бекітіледі және отын беруді бастауды реттеуге қызмет етеді.

Поршень жұбының конструкциясы отынның тұрақты іске қосылу сәтінде беру сәтін өзгерту арқылы оны мөлшерлеуге мүмкіндік береді.

Жеткiзiлетiн жанармайдың мөлшерiн өзгерту үшiн жең 12 поршенi 14 сөреге қосылған сақиналы беріліс 5 бар айналмалы жең 4 арқылы бұрылады.

Бұранда босаған сақиналы беріліске қатысты айналмалы жеңнің бұрыштық ығысуы сорғының әрбір бөліміне отын беруді реттейді.

Сорғы корпусының жоғарғы бөлігінде жанармай поршень жұптарына түсетін кіріс және шығыс арналары бар.

Реттегіш жағында арналар тығыздағыш резеңке сақиналары бар тығындармен тығындалған, жетек жағында көлденең арна арқылы өзара байланысқан.

Отынның кіріс және шығыс желілері жетек жағындағы жоғары қысымды сорғыға қосылған. Ауа шығысы 7 тығынмен жабылған (Cурет 2).

Бөлім келесідей жұмыс істейді

Поршень 13 серіппенің 16 әсерінен төмен қарай жылжыған кезде, сорғы корпусының отын беру арнасындағы жанармай құю сорғысынан жасалған шамалы қысымдағы отын поршень үстіндегі кеңістікке түседі.

Поршень жоғары қозғалғанда, поршеньдің шеткі шеті втулка кірісін жапқанша жанармай отын арнасына қайта айналып өтеді.

Поршень жоғары қарай қозғалған сайын поршень үстіндегі кеңістіктегі қысым артады.

Қысым инжектор серіппесі тудыратын күштен үлкен мәнге жеткенде, инжектор инесі көтеріліп, қозғалтқыш цилиндрінің жану камерасына отын айдау процесі басталады.

Поршень жоғары қарай жылжыған сайын, поршеньдің спиральды кесу шеті гильзада кесу тесігін ашады, бұл бүрку құбырындағы жанармай қысымының күрт төмендеуіне әкеледі.

Осы ыстықта серіппенің 9 әсерінен клапан корпусының 11 жабылатын конусына қонғаннан кейін түсіру белдігі бар клапанды 10 итеріңіз саптама мен клапан арасындағы жанармай құбырындағы көлемді арттырады.

Бұл жанармай беруді анық тоқтатады.

Жеткiзiлетiн жанармай мөлшерi оның тұрақты басталуымен оның аяқталу сәтiн өзгерту арқылы мөлшерленедi.

Төрені жылжытқанда поршень айналады және кесу жиегі ерте ме, кеш пе втулка тесігін ашады, соның нәтижесінде қоректендіру ұзақтығы, тиісінше, жеткізілетін отын мөлшері өзгереді.</ p>

Плунжердің бетінде сақиналы ойық және плунжер жұбындағы саңылау арқылы ағып кеткен отынды төгу үшін плунжер жеңінің қабырғасында радиалды тесік бар.

Поршень гильзасы мен сорғы корпусы арасындағы тығыздау резеңке сақина арқылы жүзеге асырылады.

Поршень гильзасының айналасындағы қуыстан ағып кеткен отын сорғы корпусының бойымен өтетін дренаждық арнаға, содан кейін дренаждық құбыр арқылы жанармай багіне жіберіледі.

Тарату білігі сорғы корпусының төменгі жағында орналасқан.

Тарату білігі конустық роликті мойынтіректерде айналады және аралық тірегі бар.

Тарату білігінің 0,01-0,07 мм диапазонындағы осьтік ойысы мойынтірек қақпағы мен сорғы корпусының арасына орнатылған тіректермен қамтамасыз етіледі.

Секциялар сорғы жылдамдығы реттегішіне рельс арқылы қосылған.

Жанармай сорғысының рельсі сорғы корпусына басылған бағыттаушы төлкелерде қозғалады.

Сораптан шығып тұрған рельстің ұшы жанармай сорғысы рельсінің 6 қақпағымен жабылады (1-сурет).

Жанармай сорғысын майлау қозғалтқыш майы жүйесінен орталықтандырылған.

Мұнай күшейткіш корректорға беріледі, ол жерден реттегіштің қуысына қосылып, сорғы таратқыш білігінің қуысына түседі

Жылдамдық реттегіші

Айналмалы жылдамдық реттегіші: 1 - отын беруді күшейту түзеткіші; 2 - екі қолды рычагтың осі; 3 - реттегіш серіппе; 4 - екі қолды рычаг; 5 - тексеру люкінің қақпағы; 6 - реттеу бұрандасы; 7- реттеуіш рычаг; 8 - буферлік серіппе; 9 - буферлік серіппелі корпус; 10 - реттейтін болт; 11 - серіппелі рычагтың білігі; 12 - реттегіш сырға; 13 - түзетуші; 14 - түзеткіш серіппе; 15 - түзеткіш серіппелі корпус; 16 - шайбалар жинағы; 17- қуатты реттеу бұрандасы; 18 - рельс рычагы; 19 - қанаттар; 20 - өкше; 21 - реттегіш салмақтар; 22 - жүк муфтасы; 23 - жүк осі; 24 - тауарды ұстаушы; 25 - жетекті беріліс; 26 - крекерлер; 27 - роликті ұстағыштардың жүктемелері; 28 - шыны; 29 - тірек штангасы; 30 - серіппелі тұтқа; 31 - тартпа рычагының серіппесі

Жылдамдық реттегіші 9 (3-сурет) – жанармай беруді реттеуге арналған құрылғылары бар жүк жетегі үшін шамадан тыс беріліс механизмі бар механикалық толық режимдегі тікелей әрекет және жүргізуші орнатқан қозғалтқыш жылдамдығын автоматты түрде ұстап тұруға арналған. қозғалтқыш жүктемесінің өзгеруіне байланысты берілетін отын мөлшерін өзгерту.

Сонымен қатар, реттеуші қозғалтқыштың максималды жылдамдығын шектейді және қозғалтқыштың қажетті режимде жұмыс істеуін қамтамасыз етеді.

Реттегіште қозғалтқыштың жұмыс режиміне қарамастан кез келген уақытта жанармай беруді өшіретін құрылғы бар.

Жүктеме өзгерген кезде жылдамдық режимін автоматты түрде сақтау арқылы басқарушы қозғалтқыштың үнемді жұмысын қамтамасыз етеді.

Реттегіш жоғары қысымды отын сорғысының артқы жағына орнатылған.

Жылдамдық реттегішінің құрылғысы суретте көрсетілген. 3.

Жеткі беріліс 25 таратқыш білігінің конусына орнатылған.

Сорап білігінен жетек тетігіне айналу сорғы білігінің біркелкі емес айналуын тегістейтін резеңке крекерлер 26 арқылы беріледі.

Жүргізілетін беріліс жүк ұстағышының 27 роликімен бір бөлік ретінде жасалған және шыныаяқтағы 28 екі шарикті подшипникке бекітілген.

Шығыршық ұстағыш 24 шығыршыққа басылған, оның осінде 23 салмақ 21 бұрылады.

Шығыршықтары бар салмақтар ілінісу 22 ұшына тіреледі, ол тірек мойынтірегі және өкше 20 арқылы жалпы осьте екі иінді рычагпен 4 бірге ілулі тұрған реттегіш рычагқа 7 күш береді. 2.

Иілу өкшесі жинағы бар ілініс бір ұшы ұстағыштың бағыттаушы бетіне тіреледі, ал екінші ұшы реттеуіш тетігінде бекітілген сырғаға 12 ілінеді.

Реттегіштің өкшесі жалпы ось арқылы рельстің 18 рычагымен және өзекше 29 арқылы - жанармай сорғысының рельсімен қосылған.

Төре рычагының 31 серіппесі тірек рычагының үстіңгі бөлігіне бекітілген, ал төменгі бөлікке 19 артқы сахнаның ойығына кіретін түйреуіш басылған.

11 білік басқару тұтқасына 11 (1-суретті қараңыз) және серіппелі рычаг 30 қатты жалғанған.

Реттегіш серіппесі 3 рычагқа ілінеді, оның күші екі иінді рычагтан реттеуіш рычагқа реттегіш арқылы беріледі бұранда 6.

Реттегіш рычагында серіппелі тұтқаның білігіне тірелетін реттегіш болт 10 бар.

Реттегіш рычагының төменгі жағында қозғалтқыштың тартылуын жақсартуға және пайдаланылған түтінді азайтуға арналған оң түзеткіш (поз. 13-16) бар.

Оң корректор түзеткіш 13, серіппе 14, корректор серіппелі корпусы 15 және шайбалар жинағынан 16 тұрады.

Отын беруді тоқтату механизмі толығымен сөндіріледі, ол сахна сырты 19, тоқтату кронштейнінен 15 (1-сурет) және қақпақ астындағы тоқтату кронштейнінің артында орналасқан кері серіппеден тұрады.

Тоқтатқыш кронштейні бар сілтеме буынның ішінде орналасқан және жанармай беру өшірілген кезде реттегіш механизмді шамадан тыс күштен қорғайтын серіппе арқылы қосылады.

Қозғалтқыштың жұмысы кезінде рокер кері серіппенің күшімен реттеу бұрандасына 17 басылады (3-сурет).

Артқы жағында жылдамдық реттегіші ең аз бос жүріс кезінде қозғалтқыштың тұрақты жұмысын қамтамасыз ететін буферлік құрылғысы бар тексеру люкінің қақпағымен 5 жабылады.

Буферлік құрылғы серіппеден 8, корпус 9 және бекіткіш гайкадан тұрады.

Жылдамдық реттегіші төмен жылдамдықта және өтпелі жағдайларда дизельдік пайдаланылған газдардағы жылу тығыздығы мен түтінді азайту үшін отын күшейткіш түзеткішпен жабдықталған.

Турбо күшейткіш түзеткіш қозғалтқыш цилиндрлеріне турбокомпрессор беретін ауа қысымына байланысты отын берудің оңтайлы көлемін қамтамасыз етеді.

Сонымен қатар, корректор қозғалтқышты турбо зарядтау жүйесі істен шыққан кезде пайда болатын төтенше жағдайларда қорғайды.

Күшейту түзеткішінің жұмыс істеу принципі мынада: күшейткіш ауа қысымы төмендеген кезде ол жанармай сорғысының рельсіне әсер етіп, отын беруді өзгертеді.

Отын күшейткіш түзеткіш 12 (1-сурет) жанармай сорғы реттегішінің корпусының жоғарғы жағында бекітілген.

Үстеу түзеткішінің жұмыс істеу принципі және жұмыс принципі жоғары қысымды отын сорғысы 173 үлгісіндегілерге ұқсас, мақаланы қараңыз - "TNVD - 173".

Отынды күшейту түзеткіші: а) көлденең қима: б) тік секция 1 - тоқтату гильзасы: 2 - тоқтату; 3 - жең серіппесі; 4 - поршеньді серіппе; 5 - мембраналық корпус; 6 - мембраналық қақпақ; 7 - мембраналық штанганың бекіткіш гайкасы; 8 - көктем; 9 - қабықшасы бар штанга; 10 - түзеткіш серіппелі корпус; 11 - түзеткіш серіппе; 12 - катушка; 13 - поршень; 14 - түзеткіш қақпақ; 15 - май беру арматурасы; 16 - түзеткіш корпус; 17 - тұтқа; 19 - рычаг осі; 19 - тұтқа; 20 - аралық; 21 - рычагты реттейтін болт

Күшейту түзеткіш құрылғысы суретте көрсетілген. 4

Жылдамдық реттегішінің дизайнымен қамтамасыз етілген негізгі реттеулер

  • Ең аз бос жүріс жылдамдығы ең аз жылдамдықты шектейтін болт 13 (1-сурет) және буферлік серіппе корпусы 9 (Cурет 3) арқылы реттеледі.
  • Ең жоғары бос жүріс жылдамдығы (тіректі шығарудың басы) максималды жылдамдықты шектейтін болт 10 арқылы реттеледі (1-сурет).
  • Номиналды қуат (беру) реттеу болтымен 10 (3-сурет), қуат қуат реттейтін бұрандамен 17 реттеледі.
  • Серіппенің алдын ала жүктелуі (рельстің соңы мен шығарылуының басындағы айналымдар арасындағы айырмашылық) реттеу бұрандасы 6 арқылы реттеледі (3-сурет).
  • Ең жоғары моменттегі қуат (беру) 13 корректор арқылы реттеледі (3-сурет).

ОТЫН ИНЖЕКЦИЯСЫ КЕЛДІРІЛГЕН ІЛІШІ

Отын бүркуінің алдын ала ілінісу 4 (1-сурет) қозғалтқыштың иінді білігінің айналу жиілігіне байланысты отын беру басталу сәтін өзгертуге арналған.

Жанармай бүркуінің алдын ала ілінісуін пайдалану қозғалтқыштың іске қосу сапасын айтарлықтай жақсартады және әртүрлі жылдамдықтарда ең жақсы үнемділікке қол жеткізуге ықпал етеді.

Отын бүркуінің алдын ала муфтасы: 1 - корпус; 2 - тығыздағыш сақина; 3 - жетекті муфтаның жартысы; 4 - жуғыш; 5 - жүктің осі; 6 - жетекші муфта жартысы; 7, 8 - манжеттер; 9 - аралық; 10 - жүк; 11,12 - реттеуші шайбалар; 13 - көктем

Іліністің орналасуы күріште көрсетілген. 4.

Сораптың таратқыш білігінің алдыңғы ұшының конустық бетінде жетекші муфта 3 кілтпен және сақиналы гайкамен бекітілген.

Алдыңғы муфтаның жартысы 6 жетекшінің хабына орнатылған және оны айналдыруға болады. Алдыңғы муфтаның жартысынан жетекке айналу екі салмақ 10 арқылы беріледі.

Жүктер екі осьте тербеледі 5, қозғалатын муфтаның жартысына басылған, жазықтықта, перпендикуляр муфтаның жарқын айналу осі.

Алдыңғы жартылай муфтаның аралық бекіткіштер арқылы 9 түйреуіштері жүктердегі профиль жиектеріне тіреледі және оларға екі серіппенің 13 күшімен басылады.

Олардың әрқайсысы ось пен түйреуіш арасына орнатылып, түйреуіш пен осьтегі төсемдерге тіреледі. Серіппелердің күші жүктерді жетекші муфта жартысының төлкесіндегі тоқтауға қарсы ұстауға бейім.

Ортадан тепкіш күштердің әсерінен ілінісу айналғанда жүктер 10 алшақтайды, соның нәтижесінде жетектегі жартылай муфта 3 жетекшіге қатысты сорғының таратқыш білігінің айналу бағыты бойынша айналады, бұл ұлғаюды тудырады. жанармай бүркуінің алға жылжу бұрышында.

Жылдамдық төмендегенде, салмақтар жиналады.

Серіппелер сорғы білігімен бірге жетекші іліністің жартысын жетегінің жартысына қатысты айналу бағытына қарама-қарсы бағытта бұрады, бұл жанармай бүркуінің алға жылжу бұрышының төмендеуіне әкеледі.

ОТЫНДЫҚ ПАЙДАУ СОРҒЫ

Үстеу сорғысының жұмыс схемасы: 1 - шығару клапаны; 2 - қол сорғы; 3 - кіріс клапаны; 4 - поршень; 5 - итергіш; 6 - сорғы жетек эксцентрик; A - дөрекі отын сүзгісінен; C - жұқа отын сүзгісіне

Отын құю сорғысы 16 (1-сурет) жанармай багынан жоғары қысымды жанармай сорғысына ірі және жұқа сүзгілер арқылы отын беруге арналған поршеньді түрі.

Отын құю сорғысының өнімділігі жоғары қысымды отын сорғысының өнімділігінен 3-4 есе жоғары, бұл циклден циклге дейін отын беру процесінің тұрақтылығына кепілдік береді.

Сорғы құрылғысы күріште көрсетілген. 5.

Жанармай құю сорғысы жоғары қысымды отын сорғысы корпусының сол жағындағы үш болтпен орнатылады және таратқыш білігінің эксцентрикінен роликтің ізбасары арқылы қозғалады.

Отын толтырғыш сорғы: 1 - корпус: 2 - поршень; 3 - поршеньді серіппе; 4 - тығыздағыш шайба; 5 - тығын; 6 - бағаналы төлке; 7 - итергіш штанга; 8 - итергіш серіппе; 9 - поршеньді итергіш; 10 - итергішті бекіту сақинасы; 11 - итергіш крекер; 12 - роликтің осі; 13 - итергіш ролик; 14 - шығару клапаны; 15 - көктем; 16 - тығыздағыш шайба; 17 - тығын; 18 - қол сорғы цилиндрінің корпусы; 19 - қол сорғы цилиндрі; 20 - қол сорғы поршені; 21 - поршеньдік штанга; 22 - тұтқа; 23 - тығыздағыш: 24 - цилиндр корпусының жеңі; 25 - сору клапаны; 26 - клапан орны

Сорғының 1 корпусында (6-сурет) поршень 2, поршеньдің серіппесі 3, бір жағында поршеньге қарсы, ал екінші жағында тығынға 5, сорғыш 26 және ағызу 13 клапан, серіппелер 14 арқылы отырғыштарға 27 басылған.

Поршень қозғалатын сорғы корпусының қуысы сорғыштың үстіндегі және ағызу клапандарының астындағы қуыстарға арналар арқылы қосылған.

Поршень итергіш 8 арқылы өзек 7 арқылы қозғалады. Итергіш ролик бойлық қозғалыстан екі крекермен 10 бекітілген қалқымалы осьте 11 айналады.

Сонымен бірге 1 корпустың ойықтарында қозғалатын итергіш крекерлер итергішті бұрылудан қорғайды. Шыбық 7 арнайы желіммен сорғы корпусына бұрандаланған бағыттаушы гильзада 6 қозғалады.

Сабақтар мен жең - дәл жұп.

Қозғалтқыш жұмыс істемей тұрғанда жанармай айдау үшін сорғы отынды қолмен толтыратын сорғымен жабдықталған.

Бұл сорғы қозғалтқышты іске қоспас бұрын отын жүйесінен ауаны шығару үшін, сондай-ақ отын жабдығына техникалық қызмет көрсету кезінде бүкіл желіні отынмен толтыру үшін қолданылады.