• Авторук
  • Системы
    • Схемы
    • Двигатели
    • ВАЗ-2108-2170
    • ВАЗ-2101-2107
    • Лада Приора
    • Лада Калина
    • ВАЗ-2121
    • ВАЗ-2110
    • Лада-Ларгус
    • Lada Xray
    • Лада Веста
    • Лада Гранта
  • Разделитель
    • ГАЗ-3110 (Волга)
    • ГАЗ-2705
    • ГАЗ-66
    • Соболь
  • Разделитель-2
    • Камаз
    • ЗИЛ-131
    • МАЗ
    • ПАЗ
    • ЗИЛ-5301
    • Урал
  • Разделитель-3
    • УАЗ-Патриот
    • УАЗ 3151
    • Нива Шевролет
  • Разделитель 4
    • Peugeot 307
    • Все по Форд Таурус
    • Опель Корса
    • Grand Cherokee
    • VW-Passat
    • Авео Шевролет
    • Mitsubishi Lancer
  • Разделитель 5
  • поиск

Камаз

Коленвал и маховик Камаз

Коленчатый вал изго­товлен из высокоуглеродистой стали горя­чей штамповкой и упрочнен азотированием или закалкой токами высокой частоты ша­тунных и коренных шеек.

Колеса Камаз

Устройство колес. Автомобили КамАЗ с клееной формулой 6X4 включают два одинарных передних управляемых колеса четыре сдвоенных задних ведущих колeca

Регулятор частоты Камаз

Всережимный регулятор час­тоты вращения коленчатого вала двигателя размещен в развале корпуса топливного насоса высокого давления и приводится в действие от его кулачкового вала;

Предохранитель замерзания Камаз

Предохранитель от замерзания воздушной системы тормозов КамАЗ

Предохранитель от замер­зания предназначен для защиты трубо­проводов и приборов пневматического тор­мозного привода от замерзания конденса­та

Система питания дизеля Камаз

Система питания дизеля служит для по­дачи в цилиндры двигателя воздуха и топ­лива

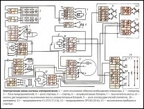
Электропитание Камаз

Система электрооборудования автомо­билей КамАЗ однопроводная с номиналь­ным напряжением 24 В. С массой авто­мобиля соединены отрицательные полюсы источников тока и потребителей тока

Передние мосты Камаз

Передние мосты автомобиля Камаз

Передний ведущий мост ав­томобилей КамАЗ-4310 и КамАЗ-43105, оставаясь управляемым, в то же время передает крутящий момент ведущим колесам.

Страница 22 из 30

  • 17
  • 18
  • 19
  • 20
  • 21
  • 22
  • 23
  • 24
  • 25
  • 26

Выберите язык

  • Русский
  • Қазақша (kk-KZ)
  • Українська (Україна)
  • Español (España)
  • German (DE)
  • English (UK)