Система электрооборудования автомо­билей КамАЗ однопроводная с номиналь­ным напряжением 24 В. С массой авто­мобиля соединены отрицательные полюсы источников тока и потребителей тока

От­рицательный вывод аккумуляторных бата­рей подсоединен к массе автомобиля через выключатель, поэтому все потребители электроэнергии работают только при со­единении батарей с массой.

Для надежнос­ти контакта между кабиной и рамой, рамой и двигателем использованы дополнитель­ные провода массы.

В общей схеме электрооборудования можно выделить группы приборов, образу­ющие самостоятельные системы, наиболее важными из которых являются система электропитания, включающая:

  • -  аккумуля­торные батареи и генераторную установку с регулятором напряжения;
  • - система пуска двигателя, состоящая из стартера, аккуму­ляторных батарей и средств облегчения пуска;
  • - система контрольно-измерительных приборов, в которую входят спидометр, тахометр, приборы для измерения темпера­туры, давления, уровня топлива и силы тока, а также системы наружного и внут­реннего освещения, световой сигнали­зации, отопления, звуковой сигнализации и стеклоочистки.

Некоторые приборы не могут быть четко классифицированы по системам и их можно отнести к дополни­тельному оборудованию.

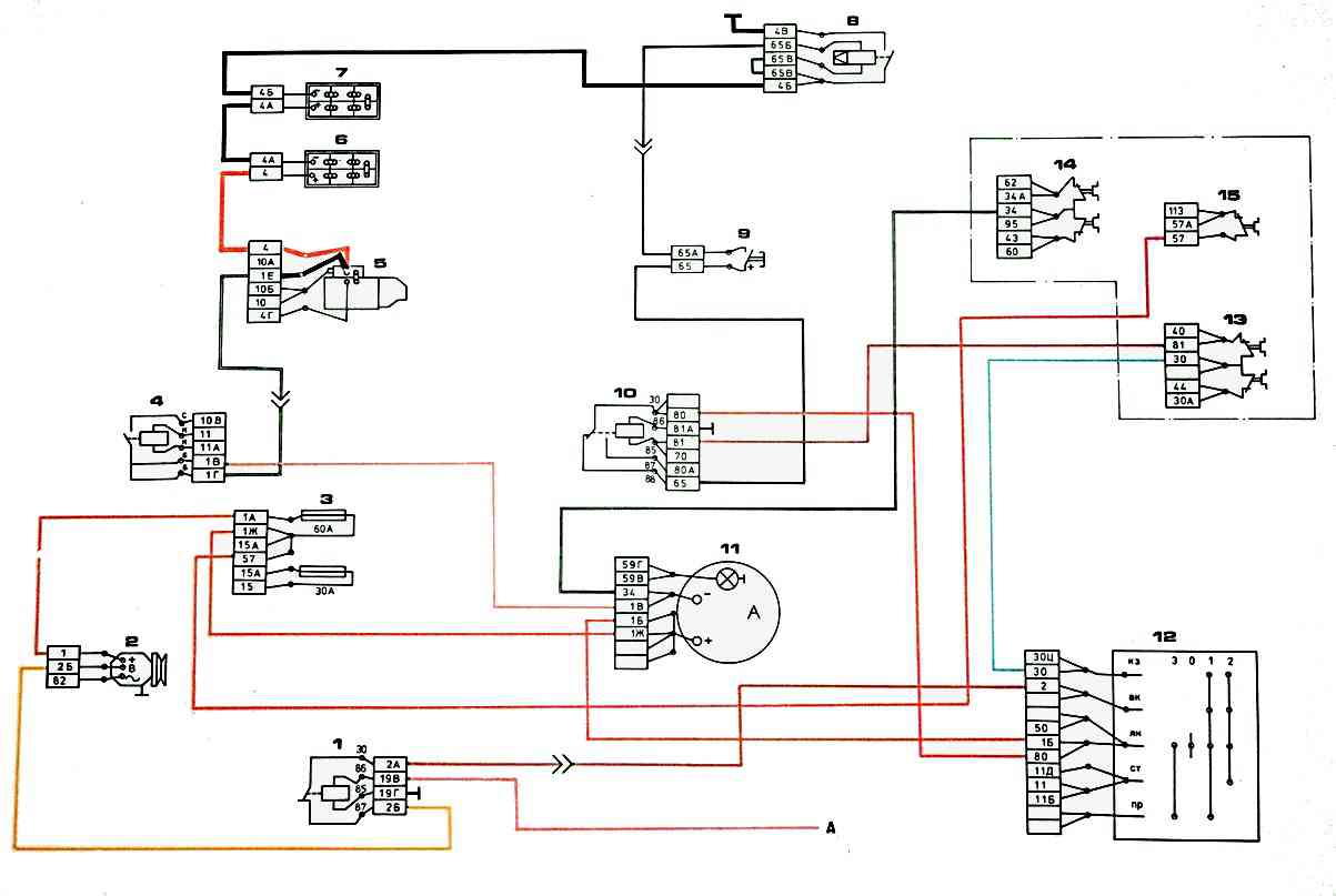
Схема системы электроснабжения: 1 – реле включения обмотки возбуждения генератора; 2 – генератор; 3 – блок предохранителей; 4 – реле стартера; 5 – стартер; 6, 7 – аккумуляторные батареи; 7 – выключатель «массы»; 9 – кнопка дистанционного выключения «массы» аккумуляторных батарей; 10 – реле электродвигателей отопителя; 11 – амперметр; 12 – выключатель приборов и стартера; 13, 14 – предохранители (7,5 А); 15 – предохранители (10 А); А – к термореле электрофакельного устройства

Выключатели, переключатели, реле, предохранители, соединительные панели и штекерные соединения относятся к груп­пе коммутационной аппаратуры и входят во все системы.

На электрических схемах рядом с цифровым обозначением проводов буква­ми указан их цвет: Б — белый, Г — голу­бой, Ж — желтый, 3 — зеленый, К — кра­сный, КЧ — коричневый, О — оранжевый, Р — розовый, С — серый, Ф — фиоле­товый. Ч — черный.

 Источниками электроэнергии являются две аккумуля­торные батареи 6 , соединенные последовательно, и генераторная установ­ка 2, подключенная параллельно аккуму­ляторным батареям.

Отрицательный вывод аккумуляторных батарей подсоединен к массе автомобиля через выключатель 7 массы с дистанционным управлением.

Цепь заряда аккумуляторных батарей от генераторной установки защищена плавким предохранителем 3 на 60 А.

В схему введено реле 1, через которое к источнику питания подключена обмотка возбуждения генераторной установки.

При пуске двига­теля с помощью электрофакельногю устройства напряжение подается на катушку реле 1, которое размыкает все свободно замкнутые контакты и блокирую генераторную установку на период работы электрофакельного устройства.

Кроме того, в схеме предусмотрена блокировка выключения массы аккумуляторных батарей при работающем генераторе, так как в противном случае при отклю­чении аккумуляторных батарей возможен отказ генераторной установки.

Для этого кнопка 8 дистанционного включения массы подключена к источнику питания через нормально замкнутые  контакты  реле электродвигателей отопителя.

При нахождении ключа выключателя 13 приборов и стартера в положении «0» питание кнопки 8 осуществляется по цепи: «+» аккуму­ляторных батарей — клеммы стартера 5 — реле 4 стартера — амперметр 10 — выклю­чатель 13 приборов и стартера — реле 9 электродвигателей отопителя — кноп­ка 8 — обмотка выключателя 7 массы — « —» аккумуляторных батарей.

При нажа­тии кнопки 8 выключатель 7 срабатывает и соединяет или разъединяет «—» аккуму­ляторных батарей с массой автомобиля.

При повороте ключа выключателя приборов и стартера в положение «1» или «2» напряжение подается на катушку реле 9, которое размыкает свои нормально замкнутые контакты и разрывает цепь питания кнопки дистанционного выклю­чения массы.

Выключатель тока типа ВК-860-В: 1 - корпус; 2 - прокладка уплотнительная; 3 - плита опорная; 4 - устройство ручного включения с защитным чехлом; 5 - шток; 6 - электромагнит; 7 - система контактная

Выключатель массы ВК 860-В установлен на переднем кронштейне ящика аккумуляторных батарей и состоит из электромагнита, корпуса с контактной частью и устройства ручного включения с защитным чехлом (рис. 2).

Отключение аккумуляторных батарей кнопкой 8 возможно только при переводе ключа выключателя приборов и стартера в положение «О», т. е. когда генераторная установка отключена от системы электро­оборудования.