Система контрольно-измерительных приборов (рис. 1) предназначена для контроля режима работы агрегатов и отдельных сборочных единиц автомобиля, а также определения скорости движения

Контрольно-измерительные приборы состоят из указателей и датчиков. Все указатели установлены на щитке приборов в кабине водителя, датчики расположены на агрегатах шасси и двигателя.

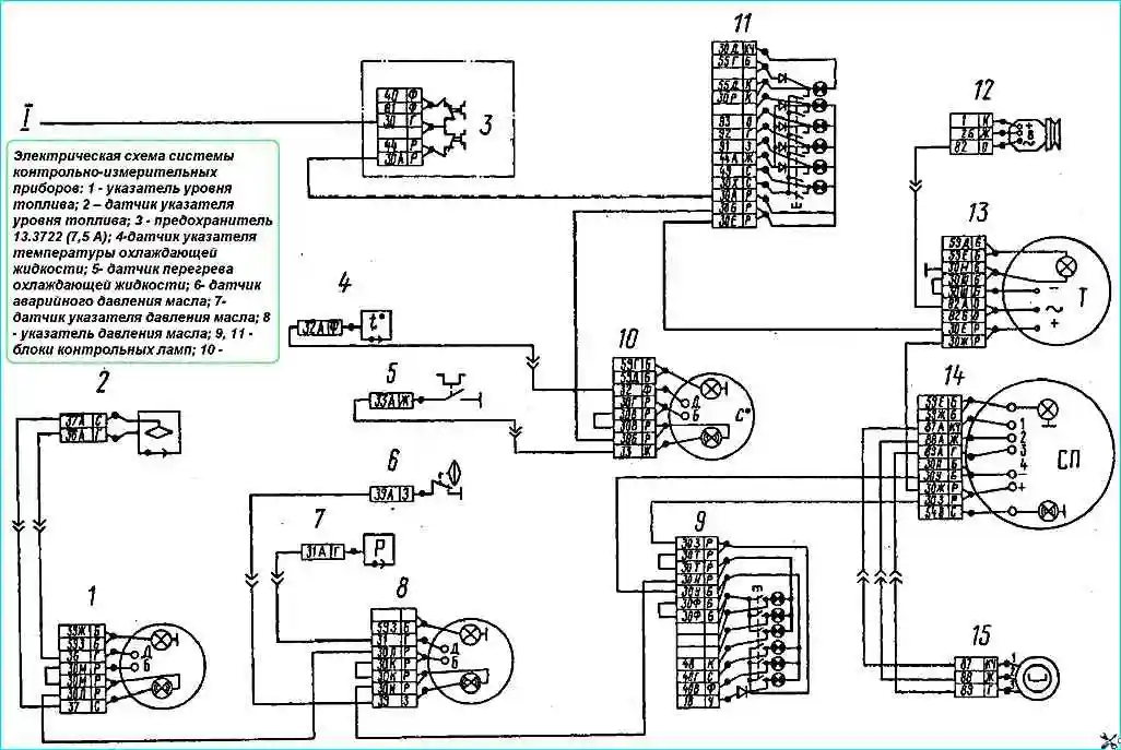
Электрическая схема системы контрольно-измерительных приборов: 1 – указатель уровня топлива; 2 – датчик указателя уровня топлива; 3 – предохранитель 13.3722 (7,5 А); 4 – датчик указателя температуры охлаждающей жидкости; 5 – датчик перегрева охлаждающей жидкости; 6 – датчик аварийного давления масла; 7 – датчик указателя давления масла; 8 – указатель давления масла; 9, 11 – блоки контрольных ламп

Электрическое соединение приборов выполнено по однопроводной схеме.

Отрицательным выводом является щиток приборов, соединенный с общей массой автомобиля; приборы соединены между собой параллельно через выключатель приборов и стартера.

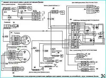
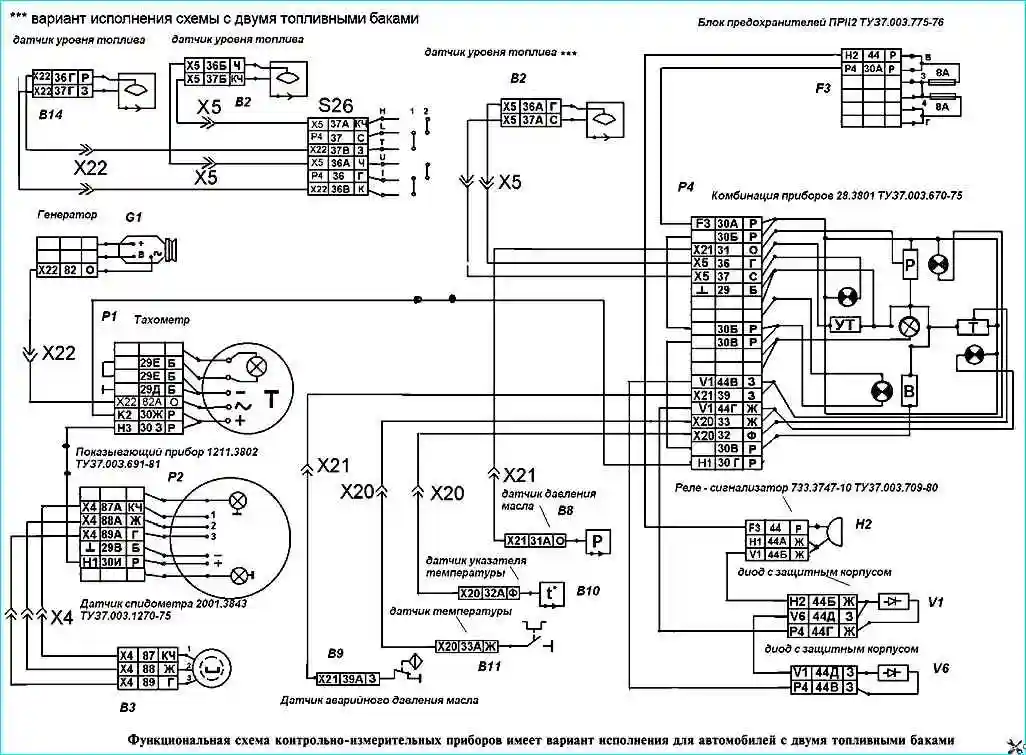
Электрическая схема системы контрольно-измерительных приборов для автомобилей с двумя топливными баками

Функциональная схема контрольно-измерительных приборов имеет вариант исполнения для автомобилей с двумя топливными баками. Этот вариант представлен на рисунке 2.