Система электроснабжения (рис.1) служит для питания потребителей при работающем двигателе

Источниками электроэнергии являются две аккумуляторные батареи 6, соединенные последовательно, генераторная установка 2, подключенная параллельно аккумуляторным батареям.

Отрицательный вывод аккумуляторных батарей подсоединен к корпусу автомобиля через выключатель 7 массы с дистанционным управлением.

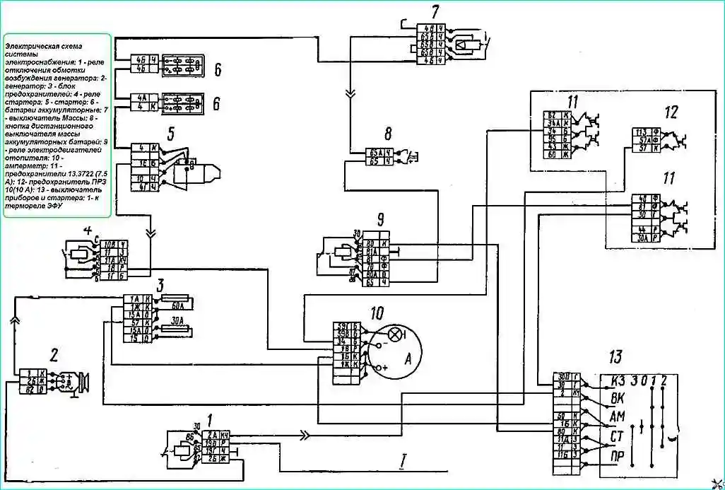
Электрическая схема электроснабжения: 1 - реле отключения обмотки возбуждения генератора; 2 - генератор; 3 - блок предохранителей; 4 - реле стартера; 5 - стартер; 6 - батареи аккумуляторные; 7 - выключатель "массы"; 8 - кнопка дистанционного выключателя "массы" аккумуляторных батарей; 9 - реле электродвигателей отопителя; 10 - амперметр; 11 - предохранители 13.3722 (7,5 А); 12 - предохранитель ПР310 (10 А); 13 - выключатель приборов и стартера; I - к термореле ЭФУ

Схема оборудована реле 1, разрывающим цепь обмотки возбуждения генератора при работе ЭФУ.

Кроме того, при рабочем положении ключа выключателя 13 приборов и стартера ток не подается к кнопке 8 дистанционного выключателя массы, что предотвращает случайное выключение массы при работающем двигателе (выключение аккумуляторных батарей возможно только после отключения генератора от системы электрооборудования установкой ключа выключателя приборов и стартера в нейтральное положение).

Ниже приведены электрические схемы этих систем и их описание.

На схемах рядом с условным изображением элементов электрооборудования приведены номера подсоединяемых проводов, буквами обозначен их цвет: Б — белый; Г — голубой; Ж — желтый; З — зеленый; К — красный; КЧ — коричневый; О — оранжевый; Р — розовый; С — серый; Ф — фиолетовый; Ч — черный.

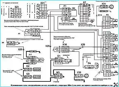
Функциональная схема электроснабжения для автомобилей с генератором 800 вт

Рис 2. Функциональная схема электроснабжения для автомобилей с генератором 800 вт. Схема имеет два варианта выключения приборов и стартера

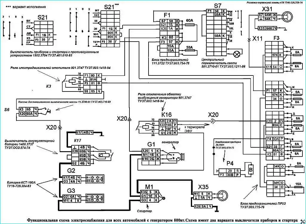
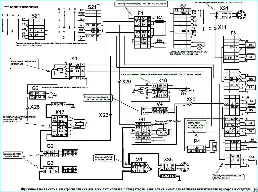
Схема электроснабжения для автомобилей с генератором 2 Квт

Рис 3. Функциональная схема электроснабжения для автомобилей с генератором 2 квт. Схема имеет два варианта выключения приборов и стартера