Система наружного и внутреннего освещения (рис. 1) предназначена для обеспечения безопасности движения автомобиля, а также освещения рабочего места водителя

К системе наружного и внутреннего освещения автомобиля относятся фары головного света, противотуманные фары, передние фонари, задние фонари, подкапотная лампа, плафоны освещения вещевого ящика и спального места, патроны с лампами освещения приборов, плафоны кабины, переносная лампа.

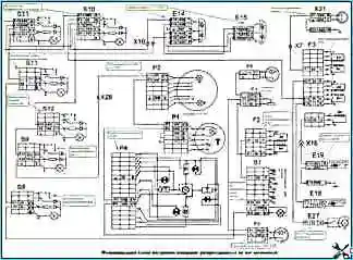
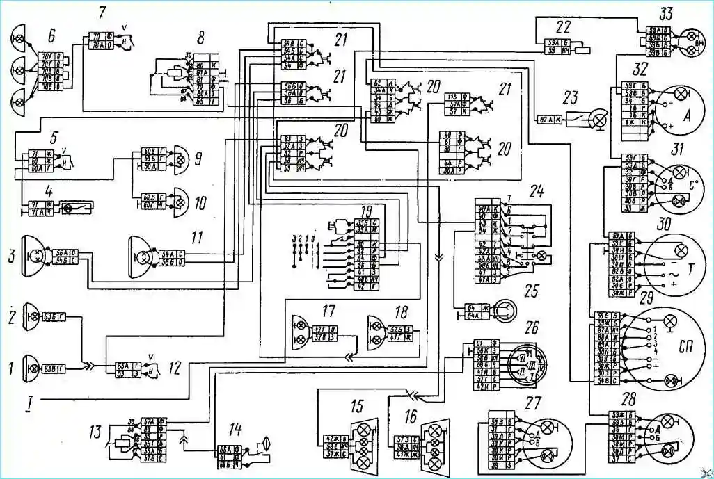
Электрическая схема системы наружного и внутреннего освещения: 1, 2 - фары противотуманные правая и левая; 3,11 - фары головного света правая и левая; 4 - плафон вещевого ящика; 5 - выключатель плафонов; 6 - фонари автопоезда; 7 - выключатель фонарей автопоезда; 8 - реле электродвигателей отопителя; 9,10- плафоны кабины левый и правый; 12 - выключатель противотуманных фар; 13 - реле сигналов торможения; 14 - выключатель электромагнитного клапана прицепа; 15,16 - фонари задние правый и левый; 17,18- фонари передние правый и левый; 19 - переключатель света комбинированный; 20 - предохранитель 13.3722 (7,5 А); 21 - предохранитель ПР-310 (10 А); 22 - выключатель освещения приборов; 23 - лампа подкапотная; 24 - выключатель аварийной световой сигнализации; 25 - розетка переносной лампы; 26 - розетка семиконтактная; 27 - указатель давления масла; 28 - указатель уровня топлива; 29 - спидометр; 30 - тахометр; 31 - указатель температуры охлаждающей жидкости; 32- амперметр; 33 - манометр; 1-к выключателю приборов и стартера

Соединение всех потребителей с источником питания выполнено по однопроводной схеме за исключением плафона 4 вещевого ящика, минусовый вывод которого выведен на панель предохранителей.

Включение ближнего и дальнего света фар 3 и 11, противотуманных фар 1 и 2 и габаритных огней осуществляется комбинированным переключателем 19 непосредственно от источника питания через амперметр.

Цепи фар ближнего света и противотуманных фар защищены термобиметаллическими предохранителями ПРЗ 10, установленными на панели предохранителей.

Цепь фар дальнего света защищена отдельным предохранителем того же типа.

Цепь габаритных огней и ламп освещения приборов защищена автоматическим термобиметаллическим предохранителем типа 13.3722.

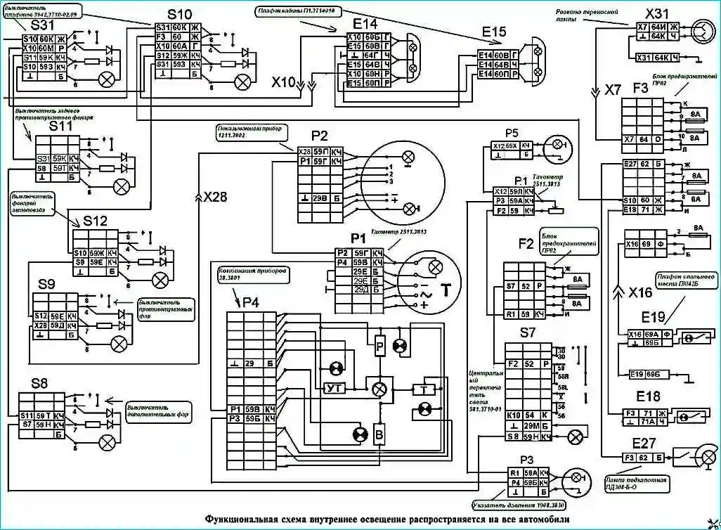
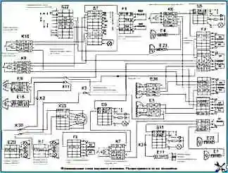
Функциональная схема внутреннего освещения: S31, S10 - выключатель плафона; E14, E15 - плафон кабины; X31 - розетка переносной лампы; F2, F3 - блок предохранителей; E19 - плафон спального места; E27 - лампа подкапотная; S11 - выключатель заднего противотуманного фонаря; P2 - показывающий прибор; P1 - Тахометр 2511.3813; S12 - выключатель фонарей автопоезда; P4 - комбинация приборов; S9 - выключатель противотуманных фар; S8 - выключатель дополнительных фар; P3 - указатель давления; S7 - центральный переключатель света

Функциональная схема внутреннего освещения

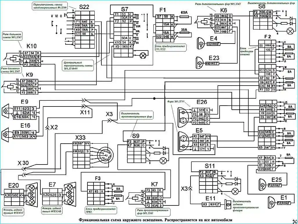
Функциональная схема наружного освещения: S22 - переключатель света комбинированный; S7 - центральный переключатель света; F1, F2, F3 - блок предохранителей; K6 - реле дополнительных фар; S8 - выключатель дополнительных фар; S11 - выключатель заднего противотуманного фонаря; S9 - выключатель противотуманных фар; K7 - реле противотуманных фар; E7 - фонарь задний левый; E20 - фонарь задний правый; K9 - реле ближнего света; K10 - реле дальнего света

Функциональная схема наружного освещения