Все устройства, предназначенные для пуска автомобильных двигателей при отрицательных температурах окружающего воздуха, делят на два вида: устройств. обеспечивающие пуск холодного двигателя, и устройства, обеспечивающие его предпусковым разогревом

Первый вид устройств дает возможность обеспечить пуск двигателя без пpeдварительного изменения его теплового состояния, второй изменяет тепловое а стояние двигателя перед пуском с помощью подогрева его до температуры, при которой возможен надежный пуск.

На двигателях КамАЗ применяют оба вида устройств. В качестве первого используют электрофакельное устройство ЭФУ в качестве второго — предпусковой подогреватель.

Схема работы подогревателя автомобиля КамАЗ: 

1 - поддон картера; 2 - насосный агрегат; 3 - котел подогревателя; 4 - трубка подвода жидкости; 5 - заливная горловина; 6, 9 - трубки отвода жидкости от блока в подогреватель; 7 - топливный фильтр; 8 - топливоподкачивающий насос; 10 - водяная рубашка блока; 11 - водяной насос; 12 - топливный бачок

Предпусковой подогреватель

Предпусковой подогреватель является устройством, предназначенным для обеспечения общего разогрева двигателя перед пуска при отрицательных температурах окружающего воздуха.

Подогреватель монтируется непосредственно на автомобиле работает автономно, независимо от двигателя, используя лишь электроэнергию аккумуляторных батарей автомобиля.

Это пламенный подогреватель (рис.1), в котором за счет теплоты, выделяемой при сжигании жидкого топлива, обеспечивается нагрев теплоносителя системы охлаждения двигателя.

Теплоноситель, постоянно циркулируя через теплообменник подогревателя, нагревается и переносит теплоту, отдавая ее деталям двигателя.

Одновременно обеспечивается подогрев масла в поддоне масляного картера выходящим! отработавшими газами.

Установка предпускового подогревателя: 1 - клапан электромагнитный; 2 - теплообменник; 3 - воронка заливная; 4 - двигатель; 5 - бачок топливный; 6 - поперечина передней рамы; 7 - агрегат насосный

На двигателях КамАЗ применен подогреватель жидкости — дизельный модель ПЖД-30.

Подогреватель установлен под передней поперечиной 6 (рис.) рамы автомобиля и включает в себя котел 2 с горелкой, электромагнитный топливный клапан 1 с форсункой и электронагрева­телем топлива, насосный агрегат 7 с элек­тродвигателем, вентилятором, жидкост­ным и топливным насосами, систему электроискрового разжига топливной смеси и систему дистанционного управления подо­гревателем.

Питание подогревателя осуществляет­ся из специального топливного бачка 5, заполнение которого происходит автомати­чески при работающем двигателе.

При неработающем двигателе бачок может быть наполнен ручным топливопрокачивающим насосом, установленным на ТНВД.

Теплообменник подогревателя: 1-теплообменник: 2 - газоход обратный; 3 - газоход прямой; 4 - горелка; 5 - нагреватель газовый топлива; 6 - патрубок подвода жидкости: 7 - электронагреватель топлива; 8 - клапан электромагнитный; 9 - патрубок отвода жидкости из теплообменника; 10 - свеча электроискровая; 11- штуцер подвода топлива к нагревателю в теплообменнике; 12 - форсунка; 13 - патрубок отвода отработавших газов; 14 - фильтр топливный

Котел подогревателя (рис. 3) изготовлен из листовой нержавею­щей стали и предназначен для передачи теплоты циркулирующей через него жидко­сти.

По принципу действия котел является рекуперативным теплообменником (пере­дача теплоты от продуктов сгорания к теп­лоносителю осуществляется через разде­ляющую их твердую стенку) и состоит яз двух жидкостных рубашек и двух газоводов.

Продукты сгорания из горелки направляются в прямой газоход, затем заходят по обратному газоходу и отво­дятся из котла к картеру двигателя для подогрева масла.

На выходе из обратного газохода установлен нагреватель, обес­печивающий подогрев топлива, подаваемо­го к форсунке, до температуры 60-80° С отработавшими газами.

Горелка съемная, закреплена к котлу болтами. Это позволяет периодически или по мере необходимости очищать внутрен­ние поверхности горелки и газохода котла от нагара.

В камере сгорания горелки, в зоне ее смесеобразования, происходит приготовле­ние горючей смеси, состоящей из топлива и воздуха, ее воспламенение и сгорание.

Подвод воздуха в горелку осуществляется в направлении, перпендикулярном ее оси. Это обеспечивает обдув торца форсунки и искровой свечи, уменьшая нагарообразование на их поверхностях.

Искровая свеча (рис.4) подо­гревателя отличается от обычной автомо­бильной свечи зажигания боковым элект­родом, роль которого выполняет наружный экран 3.

Наличие экрана вокруг централь­ного электрода дает возможность получать искровой разряд в любой части окружно­сти экрана, повышая этим надежность свечи в условиях работы в зоне повышен­ного нагарообразования.

Длина свечи подобрана так, чтобы зона искрового раз­ряда находилась в зоне распыла топлива форсункой.

Насосный агрегат представляет собой устройство, состоящее из вентилятора (нагнетателя), топливного и жидкостного насосов, приводимых от одного электродвигателя

Насосный агрегат: 1- краник сливной; 2 - корпус жидкостного насоса; 3 - колесо рабочее жидкостного насоса; 4, 11- манжеты уплотнительные; 5 - крыльчатка вентилятора; 6 - корпус вентилятора; 9 - шестерня ведущая топливного насоса; 10 - шестерня ведомая топливного насоса; 12 - клапан редукционный

Жидкостный насос и вентилятор, изготовлены в литом алюминиевом корпусе, установлены с одной стороны приводного электродвигателя

Топливный насос, имеющий автономный корпус, закреплен с противоположной стороны электродвигателя

Такая конструкция насосного агрегата не вызывает трудностей при установке и удобна в обслуживании

Жидкостный насос центробежного типа предназначен для обеспечения циркуляции жидкости между предпусковым подогревателем и системой охлаждения двигателя

Рабочее колесо установлено на вал электродвигателя и закреплено гайкой.

Со стороны вентилятора рабочая полость насоса уплотнена резиновой манжетой.

Жидкость к насосу подводится через патрубок на крышке насоса, а отводится через патрубок на корпусе насоса. Для слива жидкости из полости насоса служит краник

Вентилятор центробежного типа обеспечивает пода­чу воздуха в горелку подогревателя.

Крыльчатка вентилятора установлена на вал электродвигателя на шпонке и закреплена гайкой.

Необходимый зазор меж­ду крыльчаткой и корпусом вентилятора обеспечивает­ся распорной втулкой, установленной между подшип­ником электродвигателя и ступицей крыльчатки.

Топливный насос шестереночного типа обеспе­чивает подачу топлива под давлением к форсунке подогревателя.

Вал насоса со стороны электродвигателя уплотнен резиновой манжетой. Вал ве­дущей шестерни насоса соединен с валом элек­тродвигателя эластичной муфтой.

Подача топливного насоса регулируется редук­ционным клапаном, обеспечивающим перепуск топлива из нагнетательной полости насоса во вса­сывающую.

Система электроискрового розжига предназна­чена для обеспечения искрового разряда в горелке при пуске подогревателя.

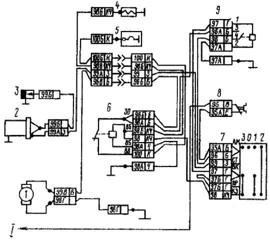
Электрическая схема системы предпускового подогрева теля: 1 - электродвигатель насоса; 2 - катушка зажигания предпускового подогревателя с коммутатором; 3 - свеча искровая; 4 - клапан электромагнитный; 5 - нагреватель топлива; 6 - реле нагревателя; 7 - переключатель управле­ния предпусковым подогревателем; 8 - предохранитель 30 А; 9 - контактор; I - к предохранителю

Воспламенение топливной смеси в горелке подогревателя осуществляется вы­соковольтным разрядом, который образуется между электродами свечи 3.

Высокое напряже­ние на электродах свечи создается транзисторным коммутатором с индукционной катушкой 2.

Система дистанционного управления подогре­вателем дает возможность управлять работой по­догревателя, как при рабочем положении кабины автомобиля, так и при поднятой кабине.

Переключатель 7 управления работой подогре­вателя, установленный на кронштейне в кабине, имеет четыре возможных положения:

  • - положение 0 - все выключено;
  • - положение I - включен электродвигатель на­сосного агрегата, электромагнитный клапан и пус­ковая свеча;
  • - положение II - включен электродвигатель насосного агрегата и электромагнитный клапан;
  • - положение III - включен электродвигатель насосного агрегата и электродвигатель топлива.

Подогреватель работает следующим образом. Топ­ливный насос подогревателя отбирает топливо из бачка, которое через открытый элект­ромагнитный клапан подводится к форсунке и впрыс­кивается во внутреннюю полость горелки.

Распы­ленное топливо смешивается с подаваемым венти­лятором воздухом, воспламеняется и сгорает, нагре­вая в теплообменнике охлаждающую жидкость.

Продукты сгорания топлива через выпускную трубу направляются под масляный картер дви­гателя и нагревают в нем масло.

При сервисе С (осенью):

  • - очистите от нагара искровую свечу;
  • - промойте редукционный клапан топливного насоса;
  • - проверьте работу предпускового подогревателя.

При проверке работы предпускового подогре­вателя не допускайте подтекания охлаждающей жид­кости и топлива в соединениях трубопроводов и кранах.

Нормальная работа определяется по рав­номерному гулу горения в теплообменнике и выходу отработавших газов без дыма и открытого пламени.

При необходимости отрегулируйте расход топлива редукционным клапаном топливного насоса в сле­дующем порядке:

  • - отверните колпачковую гайку на топливном насосе;
  • - ослабьте контргайку регулировочного винта;
  • - поворачивая регулировочный винт вправо (по­дача топлива увеличивается) или влево (подача топ­лива уменьшается), отрегулируйте режим работы подогревателя.

По окончании регулирования застопорите регу­лировочный винт контргайкой и наверните колпач­ковую гайку.

Для обеспечения нормальной работы подогре­вателя регулирование подачи топлива следует про­изводить при отрицательных температурах окру­жающего воздуха (не выше минус 5ºС).

После мойки автомобиля и преодолевания брода в холодное время года удалите воду, попавшую в воздушный тракт вентилятора, включением на­сосного агрегата на 3-4 мин, для этого переведите ручку переключателя в положение III, предварительно отсоединив провод электронагревателя топлива.

На некоторые автомобили устанавливается предпусковой подогреватель 15.8106 - Предпусковой подогреватель 15.8106 двигателя Камаз