Предпусковой подогреватель предназначен для разогрева холодного двигателя и автоматического поддержания теплового состояния двигателя и кабины, независимо от работы дизельного двигателя

Эксплуатация подогревателя осуществляется при температуре окружающего воздуха от минус 50° С до плюс 65° С при относительной влажности до 80% при температуре 15°С.

Требования безопасности

  1. При пользовании подогревателем следует помнить, что нарушение правил эксплуатации подогревателя или его неисправности могут послужить причиной пожара.
  2. Использование подогревателя при незаполненной системе охлаждения двигателя категорически запрещается.
  3. Запрещается включение подогревателя без топлива.
  4. Запрещается выключение подогревателя до окончания цикла продувки разрывом цепи электродвигателя вентилятора.
  5. При работающем подогревателе запрещается открывать горелку.
  6. Открывание горелки допускается только после отключения электропитания подогревателя и окончания цикла продувки, о чем свидетельствует остановка электродвигателей насоса и вентилятора. При закрывании горелки необходимо надежно затянуть гайки на откидных болтах.
  7. При частой езде по загрязненным дорогам необходимо регулярно прочищать патрубки поступления воздуха для горения и для выхода отработанных газов. В летнее время систему воздухозабора желательно закрыть.
  8. В местах заправки автомобиля топливом подогреватель должен быть отключен.
  9. При выполнении электросварочных работ на автомобиле необходимо разъединить шестиштекерную колодку на блоке управления подогревателя (для защиты электронного блока управления).
  10. «Минус» электропитания подогревателя должен непосредственно соединяться с минусовой клеммой аккумуляторной батареи, но не через выключатель «массы».
  11. Запрещается эксплуатация подогревателя с неисправностями, вызывающими пожарную опасность.
  12. Автомобиль, оборудованный подогревателем, должен иметь огнетушитель.
  13. Запрещается работа подогревателя в закрытых невентилируемых помещениях.
  14. После окончания работы закрыть топливный кран.

Техническая характеристика подогревателя

  • Модель: 15.8106-01
  • Теплопроизводительность: 11,6 (10000) кВт (ккал/ч)
  • Топливо: Дизельное
  • Расход топлива, кг/ч: 1,25
  • Номинальное напряжение, В: 24
  • Рабочее напряжение, В: 20-30
  • Потребляемая мощность (без насоса), Вт: 70
  • Насос: электрический циркуляционный мод.35.3730
  • Производительность насоса при противодавлении 0,015 МПа, л/час, не менее: 1600
  • Номинальное напряжение, В: 24
  • Потребляемая мощность, Вт, не более: 46

Подогреватель устанавливается на передней поперечине рамы и состоит из теплообменника 19 (рис. 1) и откидывающейся горелки.

Предпусковой подогреватель: 1 - блок управления; 2 - электродвигатель постоянного тока; 3 - всасывающий патрубок; 4 - муфта: 5 - вентилятор: 6 подшипник; 7 зубчатая передача; 8 - топливный насос; 9 - электромагнитный клапан; 10 корпус форсунки; 11 форсунка; 12 электрод зажигания; 13 - держатель электродов; 14 перепускной клапан; 15 - индикатор пламени: 16 диск; 17 - трубка подвода топлива; 18 - трубка отвода топлива; 19 - теплообменник: 20 - завихритель; 21, 22- трубы теплообменника; 23 - патрубок для выхода отработавших газов; 24 - патрубок «входа»; 25 - патрубок «выхода»; 26, 27 - кронштейны подогревателя; 28 - источник питания высоковольтный; 29 - термопредохранитель: 30, 31 - датчики для управления работой подогревателя

Теплообменник сварной с «рубашкой», внутри которой циркулирует подогреваемая жидкость - теплоноситель. Внутрь теплообменника вставлена камера сгорания с завихрителем 20.

На наружной трубе теплообменника приварены патрубки 24, 25 входа и выхода подогреваемой жидкости, патрубок 23 для выхода отработавших газов.

На теплообменнике под кожухом установлены термопредохранитель 29 и датчики температур 30 и 31, которые контролируют температуру жидкости в системе подогревателя и кабины автомобиля.

Датчик 30 контролирует температуру жидкости от (48±5)°С до (70±3)°С, датчик 31 - от (40±3)°С до (30±5)°С (поддерживает тепловой режим в кабине автомобиля).

Термопредохранитель отключает подогреватель при достижении максимально допустимой температуры жидкости в теплообменнике (103±5)°С (при выходе из строя датчика 30, отсутствия воды в системе и т.д.).

Горелка состоит из вентилятора 5, топливного насоса 8, форсунки 11, электромагнитного клапана 9, индикатора пламени 15 и двух электродов зажигания 12.

Горелка служит для создания факела и обеспечения необходимого теплового режима подогреваемой среды.

Вентилятор с пластмассовой крыльчаткой и электродвигателем 2 постоянного тока предназначен для создания потока воздуха.

Топливный насос 8 шестеренный, предназначен для подачи топлива к форсунке под давлением.

Привод насоса от электродвигателя 2 через зубчатую передачу 7. Форсунка 11 распыляет подаваемое топливо.

Для повышения надежности работы форсунки перед распылителем устанавливается фильтр из спеченной бронзы.

Электромагнитный клапан 9 управляет подачей топлива от топливного насоса к форсунке по команде блока управления в зависимости от режимов работы подогревателя.

Индикатор пламени 15 установлен на диске 16 в непосредственной близости от форсунки и пламени и подает команды на источник высокого напряжения, включая и выключая его.

Два электрода зажигания 12 расположены перед форсункой и обеспечивают розжиг подогревателя за счет искры между ними, образующейся при подаче высокого напряжения от источника 28 питания.

Горелка закреплена к теплообменнику откидными болтами и обеспечивает доступ к ее элементам при монтаже и обслуживании.

Установка электродов зажигания по шаблону: 1 - электроды зажигания; 2 - болт крепления электродов; 3 - скоба; 4 - шаблон

Схема подключения подогревателя к системе отопления кабины и охлаждения двигателя пластмассовым кожухом, на котором закреплен источник 28 высокого напряжения и всасывающий патрубок 3 для забора воздуха.

Установка электродов зажигания осуществляется по шаблону, как показано на рис. 2

Циркуляционный насос установлен на передней поперечине и предназначен для прокачивания охлаждающей жидкости через подогреватель.

Схема подключения подогревателя к системе отопления кабины и охлаждения двигателя: 1 - двигатель; 2 - подводящий патрубок; 3 - радиатор системы охлаждения; 4 - циркуляционный насос; 5 - подогреватель; 6 - радиатор отопителя кабины; 7 - запорный кран; 8 - заглушка; 9 - теплообменник системы смазки

Схема подключения подогревателя к системе охлаждения двигателя и отопления кабины (см. рис. 3) позволяет оптимально использовать тепловую энергию подогревателя за счет создания различных контуров циркуляции теплоносителя.

При работе подогревателя топливо насосом подается под давлением форсунке. Излишки топлива от топливного насоса поступают снова в бачок подогревателя.

Схема питания топливом подогревателя: 1 - подогреватель; 2 - фильтр тонкой очистки топлива; 3 - запорный кран; 4 - топливный бачок; 5 - трубка слива топлива от фильтра тонкой очистки двигателя; 6 - трубка топливная; 7 - трубка подвода топлива к подогревателю; 8 - трубка слива топлива

Схема питания топливом подогревателя показана на рисунке 4

Работа подогревателя

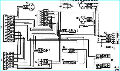
Электрическая схема управления подогревателем приведена на одноименном рисунке 5.

Электрическая схема подогревателя: 1 котел подогревателя; 2 - блок управления; 3 - электродвигатель насоса; 4 - таймер; 5 - сигнализатор КОМ; 6 - терморегулятор; 7, 8, 10 - предохранители 10А; 9 - диод с защитным корпусом; 11, 12 - электродвигатели отопителя; 13 - переключатель электродвигателей отопителя; 14 - аккумуляторные батареи

Для регулирования температуры жидкости в системе используется датчик температуры, установленный на теплообменнике.

Для управления работой подогревателя используется электронный таймер.

На лицевой панели таймера расположены:

  • - органы управления таймера - кнопки «СБРОС», «ПОДОГРЕВ», «ТАЙМЕР», «МИНУТЫ», «ЧАСЫ», «ИНДИКАЦИЯ»;
  • - цифровое табло;
  • - индикаторы «ПОДОГРЕВ» (зеленый), «ТАЙМЕР » (красный);
  • - индикатор «НАГРЕВ ФОРСУНКИ» - красная точка в правом нижнем углу цифрового табло.

Порядок работы таймера:

  • - таймер предварительно устанавливается в исходное состояние нажатием кнопки «СБРОС»;
  • - на цифровом табло таймера устанавливается с помощью кнопок «ЧАСЫ» и «МИНУТЫ» число, равное интервалу времени (до 23 часов 59 минут), через который таймер должен включить подогреватель.

Пуск таймера осуществляется нажатием кнопки «ТАЙМЕР», то есть момент нажатия этой кнопки является началом отсчета установленного интервала времени;

  • - после пуска, таймер через установленный на табло интервал времени включит на (90+30) с нагреватель форсунки (для подогрева форсунки), а затем выдаст сигнал на включение подогревателя, время действия этого сигнала составляет (64+10) мин.

На этом таймер завершает свой цикл работы, прекращает отсчет времени, на цифровом табло сохраняется значение интервала времени и значение отсчитанного времени.

В таймере предусмотрен режим немедленного включения подогревателя (немедленной выдачи сигнала на включение подогревателя), осуществляемый нажатием кнопки «ПОДОГРЕВ» - при этом таймер выдает сигнал на включение подогревателя независимо от того, в каком режиме до этого находился.

Выключение подогревателя в этом случае осуществляется нажатием кнопки «СБРОС».

Работа индикаторов:

  • - «ПОДОГРЕВ» - загорается в момент начала работы подогревателя и гаснет при выключении подогревателя;
  • - «НАГРЕВ ФОРСУНКИ» - загорается на время разогрева форсунки;
  • - «ТАЙМЕР» - начинает мигать при нажатии на кнопку «ТАЙМЕР», (то есть в момент пуска таймера): мигание индикатора означает, что таймер ведет отсчет установленного на табло интервала времени.

В момент выдачи таймером сигнала на включение подогревателя индикатор перестает мигать - горит постоянно в течение всего времени работы подогревателя. При несрабатывании одного из индикаторов таймера нажать кнопку «СБРОС». Определить причину отказа.

Работа цифрового табло:

  • - при первичном подключении таймера к бортовой сети автомобиля цифровое табло включается на время (10+5) с и гаснет;
  • - табло включается при нажатии на кнопку «ИНДИКАЦИЯ » и автоматически выключается (гаснет) через (10+5) с после отпускания этой кнопки;
  • - кнопка «ИНДИКАЦИЯ» одновременно осуществляет также перевод цифрового табло в один из режимов работы: «ОТСЧЕТ» и «ИНТЕРВАЛ» (на лицевой панели нанесена соответствующая маркировка).

Режим «ОТСЧЕТ» - кнопка «ИНДИКАЦИЯ» нажата, на табло высвечивается время, прошедшее с момента пуска таймера.

Режим «ИНТЕРВАЛ» - кнопка «ИНДИКАЦИЯ» отпущена, на табло - установленный интервал времени;

  • - установка интервала времени, через который таймер должен включить подогреватель, на цифровом табло производится в следующей последовательности: нажимается кнопка «СБРОС», с помощью кнопок «ЧАСЫ» и «МИНУТЫ» (при нажатии на них включается табло, при опускании - выключается) устанавливается интервал времени.

Нажатием кнопки «СБРОС» таймер возвращается в исходное состояние из любого режима.

Включение:

Открыть топливный кран питания подогревателя.

Включение подогревателя производится при помощи таймера (в заранее установленное время или немедленно).

После разогрева форсунки, в случае, если контакты датчика температуры замкнуты (то есть, если температура жидкости ниже заданного предела), включаются электродвигатели циркуляционного насоса и вентилятора и загорается контрольная лампа, встроенная в выключатель.

Примерно через 20 с автоматически включается высоковольтный источник напряжения и топливный электромагнитный клапан.

Между электродами появляется искра, топливо воспламеняется, после чего при устойчивом горении по сигналу индикатора пламени отключается высоковольтный источник.

Горение будет продолжаться до тех пор, пока температура жидкости не достигнет заданного значения, после чего контакты датчика разомкнутся, и топливный электромагнитный клапан обесточивается, подача топлива и горение прекращается.

В течение 150 с оба электродвигателя будут продолжать работать, по истечении этого времени электродвигатель вентилятора отключится, дальше будет работать только электродвигатель циркуляционного насоса, контрольная лампа продолжает гореть.

При снижении температуры жидкости ниже заданного предела контакты датчика замкнутся и произойдет розжиг подогревателя, как было показано выше.

В случае, если в момент включения подогревателя контакты температурного датчика разомкнуты (температура жидкости выше заданного предела), включится только электродвигатель насоса и загорится контрольная лампа.

Розжиг подогревателя произойдет при снижении температуры жидкости ниже заданного предела (см. выше).

Режим работы (если розжиг не произошел или прекратилось горение):

В случае, если при включении подогревателя либо при замыкании контактов датчиков температуры в процессе регулирования температуры жидкости розжиг не произойдет (например, из-за отсутствия топлива, из-за разомкнутого состояния контактов термопредохранителя (на теплообменнике), через 10 с после включения высоковольтного источника напряжения и клапана они автоматически выключатся, при этом лампа погаснет, а через 150 с выключатся электродвигатели насоса и вентилятора (полное отключение подогревателя).

В случае срыва пламени включается на 10 с высоковольтный источник и если розжиг не произойдет, подогреватель отключается в порядке, изложенном выше.

Для повторного включения подогревателя необходимо выключить его, нажав кнопку «СБРОС», а затем снова включить нажатием кнопки «ПОДОГРЕВ » таймера.

Выключение:

Для выключения подогревателя необходимо нажать на кнопку «СБРОС» таймера. При этом погаснет контрольная лампа и выключится топливный клапан (горение прекращается), а через 150 с выключатся электродвигатели насоса и вентилятора (полное отключение подогревателя).

Закрыть топливный кран питания подогревателя.

Аварийные режимы

Если температура жидкости превысит 103±5°С, что возможно в случае отказа датчика температуры, разомкнутся контакты термопредохранителя. При этом отключается топливный клапан и горение прекращается.

Необходимо определить и устранить причину дефекта и только после этого и остывания термопредохранителя до температуры примерно плюс 30°С замкнуть его контакты нажатием на кнопку, расположенную на корпусе термопредохранителя, и снова включить подогреватель выключателем.

Если при включенном состоянии контрольная лампа гаснет, то это указывает на неисправность подогревателя.

При включении подогревателя предусмотрены следующие блокировки его включения:

  • - напряжение питания в цепи ниже 18 В: загорится контрольная лампа и включаются электродвигатели насоса и вентилятора, по истечении 10 с лампа погаснет, а через 150 с выключатся электродвигатели (розжига не произойдет);
  • - цепь электродвигателя насоса разомкнута: включится электродвигатель вентилятора, контрольная лампа не загорится и через 150 с электродвигатель вентилятора выключится (розжига не произойдет);
  • - разомкнуты контакты термопредохранителя (в цепи питания обмотки топливного клапана): включаются электродвигатели и загорится лампа, через 20 с включится высоковольтный источник напряжения, но из-за отсутствия питания клапан не включится и розжиг не произойдет.

После 10 с работы отключится высоковольтный источник.

При пользовании подогревателем следует учитывать, что при принудительном выключении подогревателя или при неудавшемся розжиге контрольная лампа погаснет сразу и превратится горение, однако, выключение электродвигателей насоса и вентилятора произойдет только через 150 с, что обеспечивает охлаждение горелки и завихрителя.

В течение этого времени нельзя пытаться обесточить подогреватель (например, разъединением колодки пучка проводов подогревателя, так как это приведет к возрастанию температуры внутри подогревателя, что может вызвать, в частности, обгорание электропроводов внутри подогревателя, отказ индикатора пламени и коробление завихрителя).

Работа в режиме автоматического поддержания теплового состояния кабины

Для работы в режиме автоматического поддержания теплового состояния кабины необходимо включить выключатель массы, замок зажигания и переключатель электродвигателей отопителя кабины на низкую частоту вращения.

При пользовании подогревателем могут включаться и отключаться электродвигатели штатного отопителя кабины помимо автономного управления штатным клавишным переключателем.

Для управления включением электродвигателей отопителя используется датчик температуры, контакты которого замыкаются при температуре жидкости в системе плюс 40°С.

Указанный датчик установлен на теплообменнике подогревателя, а его контакты включены в цепь терморегулятора со встроенным реле.

Электродвигатели отопителя включаются не сразу при включении подогревателя, а только после замыкания контактов датчика температуры (плюс 40°С) и при включенном выключателе приборов и стартера.

Терморегулятор будет включать и выключать электродвигатели отопителя в зависимости от температуры воздуха в кабине. Работа самого подогревателя не зависит от состояния контактов данного датчика температуры и терморегулятора.

Возможные неисправности предпускового подогревателя 15.8106, и методы их устранения

Неисправность

- Причина

Метод устранения

Подогреватель не пускается

- Отсутствует напряжение в цепи питания подогревателя

Проверьте предохранители, электропровода, полярность подсоединения

- Неисправен коллектор или щетки электродвигателя вентилятора

Замените электродвигатель или щетки

- Обрыв цепи электродвигателя циркуляционного насоса

Проверьте работу насоса подсоединением его непосредственно к аккумуляторной батарее

Отсутствует розжиг, блок управления автоматически выключается

- Недостаток топлива

Залейте топливо

- Топливо застыло в трубопроводах (при низкой температуре)

Залейте рекомендуемое топливо. Продуйте трубопроводы, прочистите фильтр

- Топливный насос не подает топливо

Проверьте привод, замените насос

- Электромагнитный клапан не открывается

Проверьте электроподсоединения клапана, замените электромагнитный клапан. Проверьте термопредохранитель (нажмите его кнопку)

- Засорилась форсунка

Прочистите топливный фильтр, замените распылитель форсунки

- Отсутствует напряжение зажигания

Проверьте электропровода и штекерные соединения.

Замените блок управления.

Замените высоковольтный источник напряжения

- Неплотность трубопроводов (насос всасывает воздух)

Подтяните соединения топливопроводов

- Неправильно установлены электроды зажигания

Отрегулируйте зазоры между электродами и форсункой

- Слишком много воздуха для горения

Отрегулируйте подачу воздуха заслонкой воздухозаборного патрубка

Подогреватель не обеспечивает качественное горение

- Избыток топлива, плохой распылитель форсунки, засорение форсунки (топливо подается под углом)

Прочистите форсунку, замените распылитель форсунки

На выхлопе образуется сажа

- Недостаток воздуха для горения подогреватель “густо” дымит

Прочистите всасывающий воздушный патрубок. Отрегулируйте положение заслонки воздухозаборника, зазор между крыльчаткой и корпусом вентилятора

- Плохой распыл воздуха

Отрегулируйте давление перепускного клапана насоса

- Низкое число оборотов электродвигателя вентилятора (пониженное напряжение на электродвигателе или изношенные щетки) и повреждения в двигателе

Устраните пониженное напряжение, замените щетки, замените электродвигатель

- Выпускной патрубок для отработавших газов погнут или смещен, забит сажей, грязью

Исправьте или очистите выпускной патрубок. Прочистите теплообменник (жаровую трубу и внутреннюю трубу теплообменника)

Образуется голубой дым

- Недостаток топлива. Забита форсунка или фильтр

Прочистите или замените форсунку. Прочистите фильтр

- Слишком много воздуха для горения

Отрегулируйте положение заслонки воздухозаборника

Подогреватель отключается от термопредохранителя

- Недостаток охлаждающей жидкости в системе охлаждения

Заполните систему циркуляции охлаждающей жидкости и устраните воздушные пробки

- Неисправен выносной термостат

Замените термостат

- Отсутствует или мала циркуляция охлаждающей жидкости

Проверьте правильность подключения жидкости и исправность циркуляционного насоса

Теплопроизводительность подогревателя недостаточна

- В камере сгорания и теплообменнике сажа

Прочистите камеру сгорания и теплообменник

- В теплообменнике образовалась накипь

Удалите накипь

При работе подогреватель сильно шумит

Крыльчатка вентилятора задевает за корпус.

Отрегулируйте зазор между корпусом и крыльчаткой и закрепите ее.

- Неисправен топливный насос

Замените насос