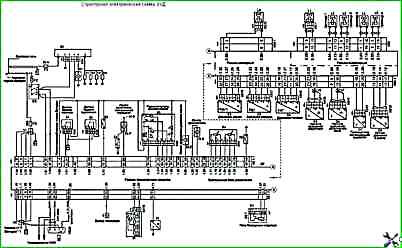
Abbildung 1 zeigt das D-245E3-Motorsteuerungsdiagramm.

Diagramm des D-245E3-Motorsteuerungssystems

Erläuterungen zum Diagramm finden Sie in den Abbildungen 2, 3, 4.

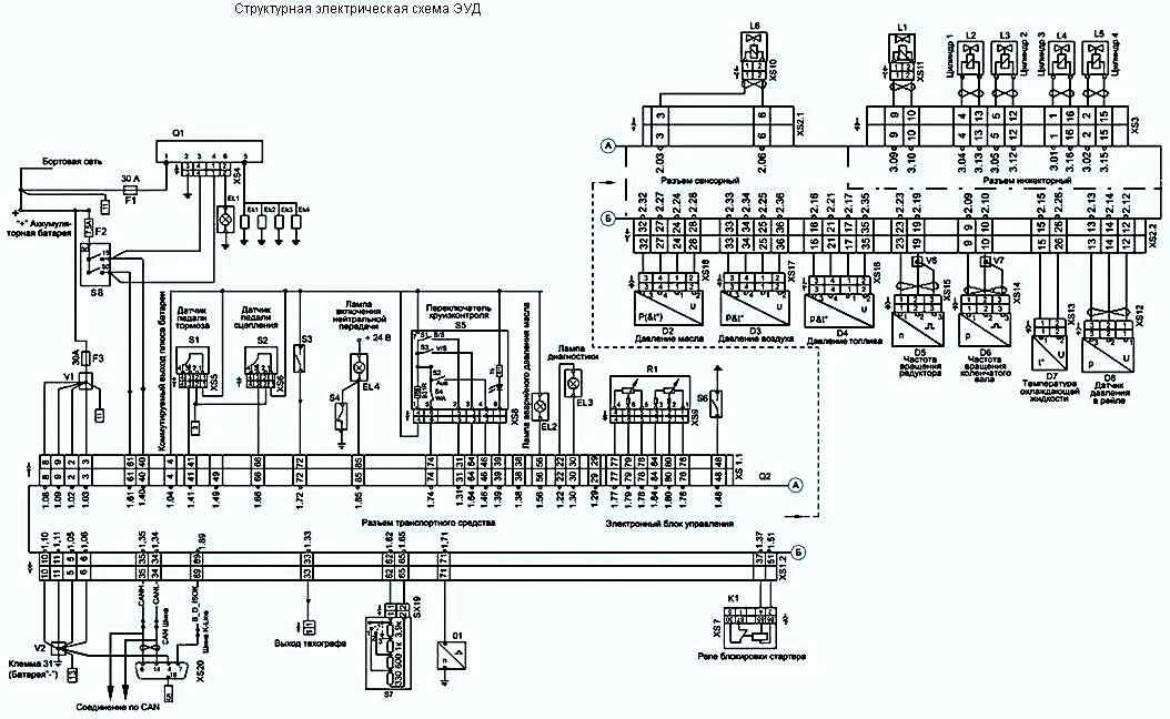
Erläuterungen zum Diagramm

Abb. 2

Erläuterungen zum Diagramm

Abb. 3

Erläuterungen zum Diagramm

Abb. 4