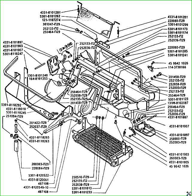
Katalog der Innenraumheizung ZIL-5301

Die Katalogdetails sind in der Abbildung dargestellt, aus der Sie die Nummer entnehmen und den Namen dieses Teils in der Tabelle herausfinden können

Abb. 1. Teile der Innenraumheizung ZIL-5301 gemäß Katalog

Teile der Kabinenheizung ZIL-5301 gemäß Katalog

  • 131M-8102087 Abzweigrohr
  • 201458-P29 Bolzen
  • 250464-P29 Mutter
  • 252003-P29 Unterlegscheibe
  • 252038-P29 Unterlegscheibe
  • 258000-P29 Splint
  • 301047-P29 Bolzen
  • 4331-8101897 Heizungsklappe
  • 4331-8101907 Dämpferachse
  • 4331-8118265 Rohrhülse
  • 45 9642 1026 Schraube
  • 5301-8101013 Kühlerbaugruppe
  • 5301-8101174 Heizungsgehäuse, hintere Hälfte
  • 5301-8101241 Heizungshalterung, links, Baugruppe
  • 5301-8101299 Kabelklemmenhalterung
  • 5301-8118247 Gehäusedichtung
  • 114-3730166 Widerstand
  • 164-8101353 Kühlerrohrdichtung
  • 220080-P29 Schraube
  • 250510-P29 Mutter
  • 252036-P29 Unterlegscheibe
  • 252133-P2 Federscheibe
  • 260003-P29 Finger
  • 4331-8101281 Dämpferfeder
  • 4331-8101903 Dämpferschloss
  • 4331-8118010 Heizgebläsebaugruppe
  • 4331-8120061 Ablaufschlauch
  • 487108  Klemme
  • 5301-8101123 Heizungsdichtung
  • 5301-8101233 Kühlerhalterung
  • 5301-8101262 Frischluftdämpfer mit Achsbaugruppe
  • 5301-8118244 Lüftergehäuse mit montierten Rohren
  • 5301-8118292 Dichtung
  • 121-1107274 Kabelklemme
  • 201422-P29 Bolzen
  • 220084-P29 Schraube
  • 251084-P29 Mutter
  • 252037-P29 Unterlegscheibe
  • 252135-P2 Federscheibe
  • 288003-P29 Klemme
  • 4331-8101887 Heizungsklappenanschlag
  • 4331-8101905 Dämpferfeder
  • 4331-8118263 Mantelrohr
  • 4331-8120546-10 Winkelschlauch
  • 5301-8101010 Heizungsbaugruppe
  • 5301-8101173 Heizungsgehäuse, vordere Hälfte
  • 5301-8101240 Rechte Heizungshalterungsbaugruppe
  • 5301-8101285 Dämpferwellenabdeckung
  • 5301-8118245 Lüfterhaube
  • 5301-8120522 Adapter