Hochdruck-Kraftstoffpumpe ZIL-5301 laut Katalog

Die Abbildung zeigt die Einbauorte der Teile und deren Bezeichnungen gemäß Ersatzteilkatalog

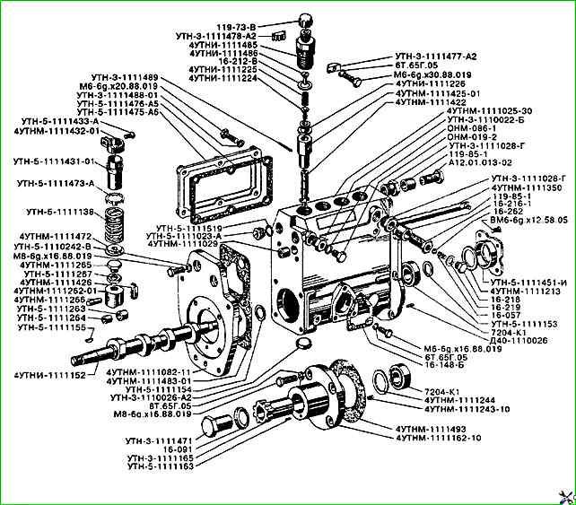
Abb. 1. Teile der Hochdruck-Kraftstoffpumpe des D-245-Motors gemäß Ersatzteilkatalog

Sehen Sie sich das Bild an und die Tabelle zeigt die Aufschlüsselung der Details

Einspritzpumpenteile gemäß Katalog

Teilenummer Teilename

  • 119-73-B-Kappe
  • 119-85-1 Schutzhülle
  • 16-057 Ventilfeder
  • 16-091 Unterlegscheibe
  • 16-148-B Dichtung
  • 16-212-B Dichtung
  • 16-216-1 Ventilkörper
  • 16-218 Stopper
  • 16-219 Dichtung
  • 16-262 Kugel
  • 4UTNI-1111010 Kraftstoffpumpenbaugruppe
  • 4UTNI-1111152 Nockenwelle
  • 4UTNI-1111220 Auslassventilbaugruppe
  • 4UTNI-1111224 Ventil
  • 4UTNI-1111226 Sattel
  • 4UTNI-1111485 Fitting
  • 4UTNI-1111486 Verdränger
  • 4UTNI-T-1111005-50 Hochdruck-Kraftstoffpumpe mit Reglerbaugruppe
  • 4UTNM-1111025-30 Pumpengehäuse
  • 4UTNM-1111029 Buchse
  • 4UTNM-1111082-11 Platte
  • 4UTNM-1111090-01 Drückerbaugruppe
  • 4UTNM-1111162-10 Flansch
  • 4UTNM-1111213 Dichtung
  • 4UTNM-1111243-10 Frühling
  • 4UTNM-1111244 Platte
  • 4УТНМ-1111262-01 Drückerkörper
  • 4UTNM-1111265 Bolzen
  • 4UTNM-1111266 Achse
  • 4UTNM-1111350 Schiene
  • 4UTNM-1111410-01 Kolbenpaarbaugruppe
  • 4UTNM-1111422 Kolben
  • 4UTNM-1111425-01 Buchse
  • 4UTNM-1111426 Halter
  • 4UTNM-1111432-01 Venets
  • 4UTNM-1111472 Platte
  • 4UTNM-1111483-01 Dichtung
  • 4UTNM-1111493 Dichtung
  • 6Т.65Г.05 Unterlegscheibe
  • 7204K2 Lager
  • 8Т.65Г.05 Unterlegscheibe
  • А12.01.013-02 Drehwinkelbolzen
  • VM6-6gx12.58.05 Schraube
  • D40-1110026 Stift
  • M6-6gх20.88.019 Bolzen
  • M6-6gx30.88.019 Bolzen
  • M8-6gx16.88.019 Bolzen
  • M8-6gx30.88.05 Bolzen
  • ONM-019-2 Bolzen
  • ONM-086-1 Dichtung
  • UTN-3-1110022-B Futorka
  • UTN-3-1111026-A2 Stopper
  • UTN-3-1111028-G Futorka
  • UTN-3-1111165 Buchse
  • UTN-3-1111471 Mutter
  • UTN-3-1111477-A2 Klemme
  • UTN-3-1111478-A2 Klemme
  • UTN-3-1111488-01 Unterlegscheibe
  • UTN-3-1111489 Pin
  • UTN-5-1110242-V Unterlegscheibe
  • UTN-5-1111023-A Stopper
  • UTN-5-1111138 Frühling
  • UTN-5-1111153 Unterlegscheibe
  • UTN-5-1111154 Einstelldichtung
  • UTN-5-1111155-Schlüssel
  • UTN-5-1111163 Stecker
  • UTN-5-1111263 Walze
  • UTN-5-1111264 Buchse
  • UTN-5-1111267 Sicherungsmutter
  • UTN-5-1111431-01 Buchse
  • UTN-5-1111433-A Schraube
  • UTN-5-1111451-I Glas
  • UTN-5-1111473-A Platte
  • UTN-5-1111475-A6-Abdeckung
  • UTN-5-1111476-A5 Dichtung
  • UTN-5-1111519 Ring