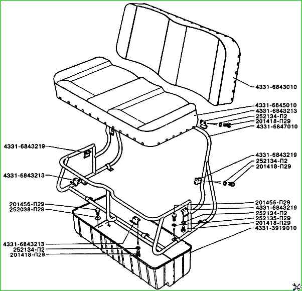
Doppelsitz ZIL-5301 - Katalog

Die Abbildung zeigt die Einbauorte der Teile und deren Bezeichnungen gemäß Ersatzteilkatalog.

Sehen Sie sich das Bild an und die Tabelle zeigt die Aufteilung des Teils.

Abb. 1. Doppelsitz ZIL-5301 Katalog

Teile der Beifahrersitze des Wagens ZIL-5301 laut Katalog

201418-P29 Bolzen

201456-P29 Bolzen

252038-P29 Unterlegscheibe

252134-P2 Federscheibe

252135-P2 Federscheibe

4331-3919010 Werkzeugkasten

4331-6843010 Doppelsitzkissen

4331-6843213 Kissenanschlag

4331-6843219 Sitzkissenklemme

4331-6845010 Doppelte Rückenlehne

4331-6847010 Sitzbasis

4331-6847071 Doppelsitzbasishalter