Die Winde (Abb. 2) ist zum Selbstziehen sowie zum Ziehen von Pkw und Anhängern in schwierigen Bereichen konzipiert

Es besteht aus einem Schneckengetriebe, einer Trommel mit daran befestigtem Seil und einer Seilführung.

Der Getriebemechanismus besteht aus einem Globoidpaar mit einem Übersetzungsverhältnis von 31:1.

Winde: 1 – Anlaufscheibe; 2 – Lager; 3 – Distanzhülse; 4 – Trommelstützflansch; 5 – oberer Kabelpuffer; 6 - Trommel; 7 – Trommelwelle; 8 – Querträger der Windenaufhängung; 9 – Öldichtung; 10 – Kabelbefestigungsabdeckung; 11 – Kabelbefestigungshalterung; 12 – bewegliche Trommelkupplung; 13 – Schneckenradnabe; 14 – Getriebedeckel; 15 – Einstelldichtung; 16 – vordere Lagerabdeckung; 17 – Einfüllstopfen; 18 – Getriebegehäuse; 19 – Zahnradschnecke; 20 – Schneckenrad; 21 – hintere Lagerabdeckung; 22 – Bremstrommel der Winde; 23 – Bremsband; 24 – obere Führungsrolle 425 – rechte Leitspindelhalterung; 26 – Einstellmutter des Bremsbandes; 27 – Spitze des Bremsbandes; 28 – Kopf des Trommelaktivierungshebels; 29 – Steuerhebelhalterung; 30 – Aktivierungsantriebsstange; 31 – feste Kupplung; 32 – Betätigungshebel der Trommel; 33 – Kupplungsgabelstange; 34 – Trommelkupplungsgabel; 35 – Leitspindel; 36 – Führungsrollenfinger; 37 – Stützdeckel des Crackers; 38 – horizontale Walze; 39 – Buchse; 40 – horizontaler Rollenhalter; 41 – Leitspindelhalter; 42 – Gehäuse des Führungsrollenhalters; 43 – Führungsrolle; 44 – angetriebenes Kettenrad; 45 – linke Leitspindelhalterung; 46 – Buchsenrollenkette; 47 – Einstellscheiben für die Kettenspannung; 48 – Trommelwellenhalterung; 49 – Antriebsritzel; 50 - Kabel

Das Schneckenrad 20 ist mit der Nabe vernietet, die über eine bewegliche Kupplung 22 mit der Trommelwelle 10 verbunden werden kann.

Auf der Getriebeschnecke ist eine automatische Bandbremse 1 installiert (Abb. 3), die ein spontanes Drehen der Windentrommel und ein Abwickeln des Seils verhindert, wenn die Kupplung des Fahrzeugs ausgekuppelt und der Sicherungsstift abgeschnitten wird.

Windengetriebe: 1 - Öler; 2 - Anlaufscheibe; 3 - Sternchen; 4 - Trommelwellenhalterung; 5 - Sicherungsscheibe; 6 - Nuss; 7 - Gleitlager; 8 - Distanzhülse; 9 - Trommel; 10 - Trommelwelle; 11.15 - Schrauben; 12 - Getriebedeckel; 13 - Kabelstoßstange; 14 - feste Kupplung; 16, 24, 28, 33 - Einstelldichtungen; 17, 25, 27, 37 - Lagerdeckel; 18, 23, 29, 31, 32 - Lager; 19 - Getriebegehäuse; 20 - Schneckenrad; 21 - Stecker; 22 - bewegliche Kupplung; 26 - Flansch; 30 - Zahnradschnecke; 34 - Dichtung; 35 - Bandbremse; 36 - Kabelbefestigungshalterung; 38 – rechte Leitspindelhalterung; 39 - Koppelstange; 40 - Gabel; 41 - Cracker; 42 – Querträger der Windenaufhängung

Stellen Sie die Bremse ein, während der Antrieb im Rückwärtsgang läuft und die bewegliche Trommelkupplung ausgekuppelt ist.

Wenn sich die Bremse innerhalb von 1 - 3 Minuten über die Temperatur erwärmt, die die Hand aushalten kann (ca. 60 °C), lösen Sie die Mutter 3 und die Kontermutter 4, mit denen das Band befestigt ist, um zwei oder drei Umdrehungen.

Einstellen des Windengetriebes

Stellen Sie die Getriebelager ein, wenn darin Axialspiel auftritt, sowie beim Einbau eines neuen Schneckenpaares.

Stellen Sie die Lager nur ein, wenn das Anziehen der Lagerdeckelschrauben das Axialspiel nicht beseitigt.

Lager müssen unter Spannung eingestellt werden.

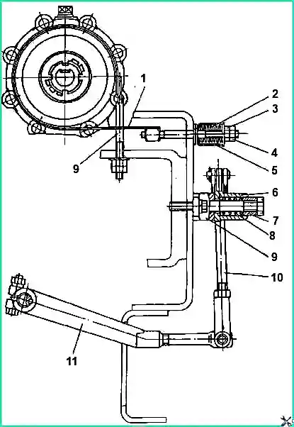
Windensteuerung: 1 - Bandbremse; 2, 8 - Federn; 3 - Nuss; 4 - Kontermutter; 5 - Crimpkupplung; 6 - Windensteuerhebel; 7 - Buchse; 8 - Halterung; 10 - Traktion; 11 - Aktivierungshebel der Winde

Das zum Drehen der Getriebeschnecke in den Lagern 29, 31 und 32 (siehe Abb. 2) erforderliche Drehmoment sollte 1,0–2,5 Nm (0,1–025 kgf.m) betragen.

Wenn sich die Welle zu frei dreht oder axiales Spiel hat, entfernen Sie einen Teil der Unterlegscheiben 28 und 33 gleicher Dicke unter den vorderen und hinteren Lagerdeckeln.

Wenn zum Drehen der Welle ein Drehmoment von mehr als 2,5 Nm (0,25 kgf.m) erforderlich ist, fügen Sie unter den Abdeckungen gleich dicke Distanzstücke hinzu.

Beim Überprüfen des Drehmoments der Schneckenwelle müssen die Schrauben, mit denen die Abdeckungen befestigt sind, fest angezogen werden.

Die Anzahl der Abstandshalter unter der hinteren und vorderen Abdeckung sollte nach der Einstellung ungefähr betragen identisch, was eine nachträgliche Einstellung des Eingriffs des Schneckenpaares erleichtert.

Stellen Sie die Kegellager der Schneckenradwelle ein, indem Sie die Anzahl der Unterlegscheiben 16 und 24 unter den Lagerdeckeln ändern.

Überprüfen Sie die Vorspannung der Schneckenradwellenlager im Eingriff mit der Schnecke.

Das zum Drehen der Schneckenradwelle in den Lagern erforderliche Drehmoment sollte 3–6 Nm (0,3–0,6 kgf.m) betragen.

Überprüfen Sie nach dem Einstellen der Lager anhand der Kontaktfläche der Zähne, ob das Schneckenpaar ordnungsgemäß mit der Farbe in Eingriff steht.

Bei einem richtig eingestellten Paar sollte sich die Kontaktfläche der Arbeitsfläche des Radzahns ohne Belastung in der Mitte befinden und mindestens 5 mm breit und 2/3 der Zahnhöhe betragen.

Die Lage der Kontaktfläche entlang der Zahnhöhe wird durch die entsprechende Bewegung der Schnecke 30 in axialer Richtung unter Verwendung von Abstandshaltern verändert.

Um die Kontaktfläche zum Zahnschaft zu verlagern, entfernen Sie einige der Dichtungen 28 unter der Abdeckung 27 auf der Flanschseite; um die Kontaktfläche zum Zahnkopf zu verlagern, fügen Sie Abstandshalter hinzu.

Ändern Sie in diesem Fall entsprechend die Anzahl der Unterlegscheiben 33 unter der Abdeckung 37 auf der Bremsenseite, damit die Gesamtdicke der Unterlegscheiben auf beiden Seiten erhalten bleibt.

Die Verschiebung der Kontaktfläche entlang der Breite des Radzahns wird durch eine axiale Bewegung des Schneckenrads in die gleiche Richtung erreicht, in der die Fläche verschoben wird.

Das Globoid-Schneckenpaar kann nur dann gut funktionieren, wenn das Getriebe richtig eingestellt ist.

Eine falsche Einstellung führt zu einer starken Erwärmung des Paars und einem schnellen Verschleiß der Schneckenradzähne.

Windenantrieb

Kardanwelle vorne für Windenantrieb: 1 - Kreuzgelenkgabel; 2 - Sicherheitsnadel; 3 - Kardanwelle; 4 - Nadellagerabdeckung; 5 - Sicherungsplatte; 6 - Kreuz; 7 - Gleitgabel; 8 - Dichtungsringe

Die Kraftübertragung vom Verteilergetriebe über eine zusätzliche Zapfwelle zum Windengetriebe erfolgt über drei Kardanwellen.

An der vorderen Antriebswelle ist zum Schutz der Windenteile vor Überlastung ein Sicherungsstift 2 angebracht (Abb. 3), der abschaltet, wenn die Belastung höher als zulässig ist.

Alle Kardangelenke sind baugleich und entsprechen den Gelenken des GAZ-53A-Wagens.

Installation der Winde und Kardanwellen: A – zusätzlicher Nebenabtriebskasten; B – vordere Antriebswelle; C – Zwischenwellenhalterung; D - Zwischenwelle; E – hintere Propellerwelle; F - Winde; G – Kabelunterbrecher

Die Zwischenantriebswelle ist auf zwei Stützen montiert.

Um Ungenauigkeiten beim Einbau auszugleichen, werden die Gleitgabeln 7 der Vorder- und Hinterwelle an den verzahnten Enden der Zwischenpropellerwelle montiert.

Schmiermittel in der Keilwellenverbindung wird durch O-Ringe 8 zurückgehalten.

Um die ungleichmäßige Drehung der Windengetriebeschnecke zu reduzieren, werden die Antriebswellen so installiert, dass die Achsen der Löcher für die Lager in den Gleitgabeln der vorderen 4 (siehe Abb. 5) und hinteren 6 Wellen in der liegen gleiches Flugzeug.

Windenkabelführung: 1 – Windenquerstange; 2, 14 - Einstellscheiben für die Kettenspannung (rechts und links); 3, 12 - Leitspindelhalterungen (rechts und links); 4, 11 - Nüsse; 5 - Sicherungsplatte; 6 - Leitspindel; 7 - Führungsrollen; 8 - horizontale Walze; 9 - horizontale Rollenhalterung; 10, 16 - angetriebene und angetriebene Kettenräder; 13 - Kette; 15 - Trommelwellenhalterung; 17 - Führungsrollenfinger; 18 - Buchse; 19 - Führungsrolle; 20 - Leitspindelblock; 21 - Stützabdeckung für den Cracker; 22 - Führungsrollenhaltergehäuse

Kabelverlegemaschine

Die Winde ist mit einer Seilauflage ausgestattet (Abb. 4), die eine korrekte Verlegung des Seils auf der Trommel bei Abweichungswinkeln von der Fahrzeugachse von nicht mehr als 15° gewährleistet.

Das Kabel ist mit einer Halterung an der Trommel befestigt und reicht nur nach hinten.

Das Gehäuse 22 des Führungsrollenhalters verlegt das Kabel und führt eine hin- und hergehende Bewegung entlang der Leitspindel 6 und entlang zweier Führungsrollen 7 aus.

Eine auf zwei Lagern montierte Schnecke mit Links- und Rechtsgewinde wird über eine Kettenübertragung von der Trommelwelle über den Antrieb 16 und 10 Kettenräder angetrieben.

Die Kettenspannung wird durch die Distanzstücke 2 und 14 eingestellt; Kettendurchhang 3–10 mm.

Die Axialkraft der Leitspindel 6 wird über die Leitspindel 20 auf den Körper des Führungsrollenhalters übertragen.

Der Block wird in das Gehäuse des Führungsrollenhalters eingebaut und mit der Abdeckung 21 gesichert.

Führungsrollen 19 sind auf Polyamidbuchsen 18 montiert und drehen sich auf Stiften 17, die durch eine Sicherungsplatte 5 fixiert sind.

Regeln für die Verwendung der Winde

Stellen Sie vor dem Betrieb der Winde sicher, dass der Antrieb zum Ein- und Ausschalten der Windentrommel ordnungsgemäß funktioniert und dass das Seil richtig aufgewickelt und sicher befestigt ist.

Bei richtig eingestelltem Antrieb sollte die Länge der Stange 10 (siehe Abb. 3) entlang der Achsen der Löcher der Einstellgabeln 228-232 mm betragen.

Wenn sich die Windentrommel in der kalten Jahreszeit nur schwer einschalten lässt, ist es notwendig, das Windengetriebe 3-5 Minuten lang im Leerlauf aufzuwärmen.

Verwenden Sie das Windenseil nicht zum Ziehen eines Autos oder Anhängers oder bei Abweichungen von der Fahrzeugachse um mehr als 15°.

So schalten Sie die Winde ein:

  • - Bringen Sie die Hebel des Verteilergetriebes und des Getriebes in die neutrale Position;
  • - Bringen Sie den beweglichen Kupplungshebel mit einem 30-mm-Schraubenschlüssel in die obere (Ein-)Position, wenn Sie das Kabel herausdrücken.

Beim manuellen Abwickeln des Kabels muss sich der bewegliche Kupplungshebel in der unteren (Aus-)Position befinden;

  • - Lösen Sie den Stopper und bewegen Sie den Hilfszapfwellenhebel bis zum Anschlag nach vorne;
  • - Nachdem Sie den ersten oder zweiten Gang eingelegt haben, ziehen Sie das Kabel auf die erforderliche Länge aus; Wählen Sie den Durchhang des Kabels manuell aus.

Bevor Sie mit dem Hochziehen beginnen, müssen sich mindestens drei bis vier Windungen des Seils auf der Trommel befinden;

  • - Legen Sie den Rückwärtsgang ein, um die Last hochzuziehen;
  • - Legen Sie beim Herausziehen des Fahrzeugs die Herunterschaltung des Verteilergetriebes und den Rückwärtsgang des Getriebes ein.

Erhöhen Sie die Drehzahl der Motorkurbelwelle sanft.

Ein starker Anstieg der Motordrehzahl erhöht nicht die Zugkraft auf das Kabel, kann jedoch zum Abscheren des Sicherheitsstifts führen.

Nach dem Schneiden des Stifts sofort die Kupplung auskuppeln und den Schalthebel in die Neutralstellung bringen, andernfalls kann die Welle im Flansch stecken bleiben.

Ersetzen Sie den Schnittstift durch einen neuen.

Verwenden Sie keine Schrauben oder andere Teile anstelle der Sicherheitsnadel.

Im Betrieb ist es schwierig, die Kraft auf das Seil zu bestimmen. Bevor Sie die Winde verwenden, sollten Sie daher anhand spezifischer Bedingungen ungefähr ermitteln, ob die Verwendung des Blocks ratsam ist.

Methoden und Regeln für den Einsatz einer Winde: I – zur Erhöhung der Zugkraft beim Selbstziehen; II – um die Richtung der Zugkraft beim Herausziehen des Fahrzeugs zu ändern; III – zur Erhöhung der Zugkraft beim Herausziehen des Fahrzeugs

Die Verwendung einer Winde mit einem Block ist in Abb. dargestellt. 7. Wenn Sie einen Block ohne Haken verwenden, verwenden Sie ein am Fahrzeug befestigtes Abschleppseil.

Wenn der Block zur Erhöhung der Zugkraft beim Selbstziehen (I-Position) verwendet wird, wird er mit einem Zugseil an dem als Stütze ausgewählten Gegenstand befestigt und der Haken des Windenseil am Haken der Zugvorrichtung befestigen.

Wenn der Block zum Ändern der Zugrichtung beim Herausziehen eines anderen Autos verwendet wird (Position II), wird er mit einem Abschleppseil an einem als Stütze dienenden Gegenstand und dem Haken befestigt des Windenseils an der Abschleppöse des auszufahrenden Fahrzeugs befestigt ist.

Wenn der Block zur Erhöhung der Zugkraft beim Herausziehen eines anderen Autos verwendet wird (Position III), wird er an der Abschleppöse oder am Abschleppseil befestigt, das über die Abschlepphaken des Fahrzeugs gehängt wird herausgezogen und das Windenseil mit dem zweiten Schleppseil am stationären Objekt eingehakt.

Es ist erlaubt, das Windenseil direkt an einem stationären Gegenstand zu befestigen, während der Haken an einem vorgespannten Seil eingehakt wird.

Um eine Überhitzung des Windengetriebes zu vermeiden, ziehen Sie die Last nicht mehr als dreimal hintereinander mit oder nahe der maximalen Last über die gesamte Länge des Seils.

Wartung

Wenn Sie die Winde nach 10 ÷ 15 Klimmzügen oder einmal im Jahr während der „Wartung“ warten, ersetzen Sie das Öl im Getriebe (Abb. 8).

Schmierpunkte der Winde

Dazu das Öl aus dem Getriebe ablassen und über die Einfüllschraube 7,5 Liter Motoröl einfüllen.

Schmieren Sie das Wellenlager der Windentrommel mit Litol-24 (Abb. 2).

Reinigen Sie die Winde von Schmutz und schmieren Sie die Leitspindel und die Kette Überprüfen Sie die Befestigung der Winde und den Zustand des Kardanantriebs daran.

Schmierpunkte der Winde:

  • 1 – Windengetriebe, alle zwei Jahre 7,5 Liter Hypoidöl;
  • 2 – Anhängerkupplungsbuchsen, zwei Schmierstellen, nach 4000 km Litol-24-Schmiermittel;
  • 3 – Schmieren Sie die Arbeitsflächen der Seilführungsspindel der Winde nach jedem Gebrauch der Winde mit Graphitfett. Schmieren Sie die Rollenbuchsen und die Hohlräume des Gehäuses des Windenkabelführungsrollenhalters bei der Demontage mit Graphitfett;
  • 4 – Schmieren Sie den Kettenantrieb der Windenkabelführung einmal im Jahr mit USSA-Graphitfett;
  • 5 – Gleitlager der Windentrommelwelle, einmal im Jahr während der saisonalen Wartung schmieren