Überprüfung der Stromkreise

Zur Messung elektrischer Parameter wird ein digitaler oder analoger (Pfeil-)Tester verwendet – ein Voltmeter, ein Ohmmeter und andere Geräte in einem Gehäuse vereint

Digitale Instrumente haben eine geringe Trägheit, sie sind unempfindlich gegenüber Vibrationen und der Körperposition während der Messung, Zeigerinstrumente zeigen jedoch deutlicher die Dynamik von Änderungen der gemessenen Parameter.

Darüber hinaus reagiert die Flüssigkristallanzeige digitaler Geräte empfindlich auf Licht- und Temperaturänderungen.

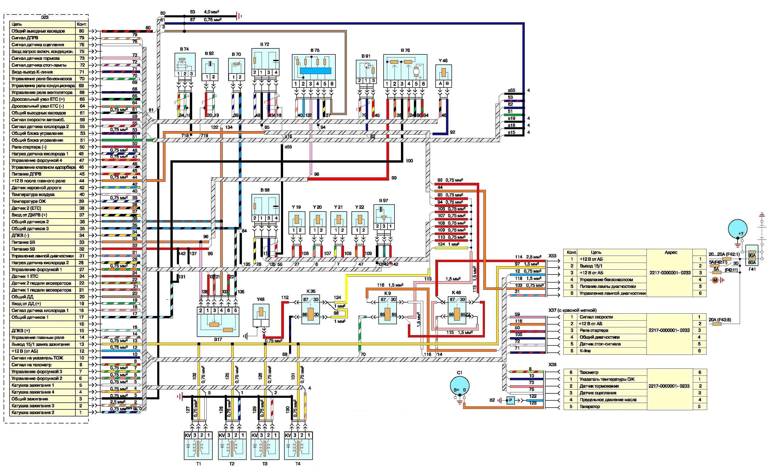
Diagramm des Steuerungssystems eines Gazelle-Autos mit einem ZMZ-40524-Motor

Systemdiagramm des ZMZ-405-Motors: A9 – Kraftstoffmodul; B1 - Öldruckanzeigesensor; B2 - Warnlampensensor für Notöldruckabfall; B5 - Warnlampensensor für Notabfall des Bremsflüssigkeitsstands; B7 - Kühlmitteltemperaturanzeigesensor; B8 – Sensor für Kühlmittelüberhitzungswarnleuchte; B12 - Kraftstoffstandanzeigesensor; B13 - Kraftstoffstandanzeigesensor im rechten Tank (GAZ-33027); B17 – Gaspedalstellungssensor; B46 - Geschwindigkeitssensor; B57 - Sensor zum Einschalten der elektromagnetischen Lüfterkupplung; B64, B70 – Temperatursensoren; B72 – Sauerstoffkonzentrationssensor (für Fahrzeuge mit Abgaskonverter); B74 - Synchronisations- und Kurbelwellendrehzahlsensor; B75 – Luftmassenmesser; B76 – Drosselklappensensor (elektronische Drosseleinheit des ZMZ-40524-Motors); B91 – Phasensensor; B92 - Klopfsensor; B97 – Straßenunebenheitssensor; 07 - Steuergerät für das Antiblockiersystem (bei einigen Fahrzeugen eingebaut); 021 - Bedienfeld der Heizungs- und Lüftungseinheit; 023 - Motorsteuergerät; 027 - Instrumentendimmer; E1 - linker Scheinwerfer; E2 – rechter Scheinwerfer; E9 – linker Blinker; E10 – Blinker rechts; E16 – Deckenleuchte für die Vordersitze des Fahrerhauses; E17 - Beleuchtungslampe für die Ladefläche (GAZ-3302, -33021, -33027); E18, E19 – Lampenschirme zur Beleuchtung des Laderaums von Lieferwagen; E20 – Lampen für die Innenraumbeleuchtung (rechts); E27 - linke Rückleuchte; E28 – Lampe hinten rechts; E30, E54 – Kennzeichenbeleuchtung; E35 - Motorraumleuchte; E59 - Zigarettenanzünder; E60, E61 – Lampen für die Innenraumbeleuchtung (links); E63 - Fußstützenlampe; E65 – Lampenschirm zur Beleuchtung der zweiten Sitzreihe (für Transporter mit zwei Sitzreihen); E71 – Lampe für Handschuhfachbeleuchtung; F1-F4 – Zündkerzen; F41 – zusätzlicher Sicherungsblock; P42 – oberer Sicherungsblock; P43 – unterer Sicherungsblock; 01 - Generator - Batterie; H1, H2 – Tonsignale; H6 - Fahrersignalsummer (GAZ-3302. -33021, -33027); H62 - linke Standlichtlampe; H63 – rechte Seitenleuchte; H70 - Nebelschlussleuchte links; H71 - Nebelschlussleuchte rechts; H72 - linker Rückfahrscheinwerfer; H73 - rechter Rückfahrscheinwerfer; H74 - linke Bremslichtlampe; H75 - rechte Bremslichtlampe; H76 – linke Rücklichtlampe; H77 – rechte Rücklichtlampe; H78 - Blinkerleuchte hinten links; H79 – Blinkerleuchte hinten rechts; H98 - linkes Abblendlicht; H99 - rechtes Abblendlicht; H100 – linkes Fernlicht; H101 – rechtes Fernlicht; H102 – Blinkerleuchte vorne links; H103 – Blinkerleuchte vorne rechts; K1 - Starterrelais; K3 - Scheibenwischer-Steuerrelais; K7 - Signalrelais; K9, K46 - Relais; K12 – Blinkerschalter; K13 – Unterbrecher für die Warnleuchte der Feststellbremse; K16 – Batteriefernschalter (für Busse – Relais zum Einschalten der elektromagnetischen Kupplung; K40 – Relais zum Einschalten der Scheinwerfer; M1 – Anlasser; M2 – Elektromotor für das Heizgebläse; M4 – Elektromotor für den Scheibenwischer; M5 – Elektromotor für die Scheibenwaschpumpe; M8 – elektrische Pumpe für die Zusatzheizung (für Busse und Transporter mit zwei Sitzreihen); M10 – elektrische Kraftstoffpumpe; M20 – Elektromotor einer Zusatzheizung (für Busse und Transporter mit zwei Sitzreihen). der Sitze); M38 - Elektroantrieb für Leuchtweitenregulierung (rechts); M39 - Elektroantrieb für Leuchtweitenregulierung (links); M43 - Heizungsventil-Getriebemotor; P2 - Kombiinstrument; R12 - Widerstand des Heizungs-Elektromotors; P13 - Widerstand des Elektromotors der Zusatzheizung (für Busse und Transporter mit zwei Sitzreihen); S1 - Schalter für das Startsystem und die Instrumente; S3 - Schalter für die zweiten Lampen Sitzreihe (für Wohnmobile mit zwei Sitzreihen); S5 – Alarmschalter; S6 – Schalter für Elektromotor und elektrische Heizpumpe; S9 - Schalter für Fahrtrichtungsanzeiger und Scheinwerfer; S12 – Wischerschalter; S13 – Druckknopfschalter für Batteriefernschalter (für Busse); S14 - Schalter des Kraftstoffstandsensors (GAZ-33027); S29 – Rückfahrlichtschalter; S30 - Bremslichtschalter; S31 – Schalter für die Warnleuchte für die Mittendifferenzialsperre (für Fahrzeuge mit 4x4-Radanordnung); S36 - Fahrersignalschalter (GAZ-3302, -33021, -33027); S39 - Lichtschalter; B52 – Schalter für die Warnleuchte der Feststellbremse; B54 - Schalter zur Überprüfung der Funktionsfähigkeit von Signallampen; B60 – Handschuhfachlampenschalter; S62 – Schalter für die richtigen Lampen zur Beleuchtung des Fahrgastraums von Bussen; S63 - Schalter für die linken Lampen zur Beleuchtung des Fahrgastraums von Bussen; S73 - Schalter für den Elektromotor der Zusatzheizung (für Busse und Transporter mit zwei Sitzreihen); S116 – Schalter für Leuchtweitenregulierung; T1-T4 - Zündspulen; U1 – Funkempfänger; X38, X51 – Sockelblöcke; X53 - Pinblock; U19-U22 – elektromagnetische Einspritzdüsen; U23 - Leerlaufdrehzahlregler; U46 – Kanister-Entlüftungsventil (für Fahrzeuge mit Kraftstoffdampf-Rückgewinnungssystem); U48 – elektromagnetische Kupplung zum Abschalten des Lüfters des Motorkühlsystems; (I) - Einschalten der Rücklichter von Lieferwagen und Bussen; (II) – Fahrgestelloption; (III) – Option mit zwei Kraftstofftanks; I - PIN-Nummern

Überprüfung unterbrochener Stromkreise

Vor der Arbeit kalibrieren wir das Ohmmeter. Bei der gewählten Messgrenze (für die meisten Stromkreise bis 200 Ohm) schließen wir die Spitzen der Sonden. Bei einem analogen Gerät verwenden Sie den Einstellknopf „0“, um den Pfeil auf die Nullteilung einzustellen.

In digitalen Haushaltsgeräten gibt es keinen solchen Regler.

Daher bestimmen wir vor der Messung kleiner Werte (bis zu 1–2 Ohm) durch Kurzschließen der Sonden den Innenwiderstand des Ohmmeters und seiner Drähte, der 0,03–0,06 Ohm beträgt.

Dieser Wert muss vom resultierenden Widerstandswert abgezogen werden.

Um den Stromkreis zu überprüfen, trennen wir mindestens ein Ende davon (andernfalls fließt der Strom durch andere Abschnitte des Stromkreises und die Messwerte sind falsch).

Es ist besser, eine Krokodilklemme an einer der Sonden anzubringen und diese mit Masse zu verbinden.

Berücksichtigen Sie bei der Überprüfung von Geräten mit Einwegleitfähigkeit (z. B. einer Generator-Gleichrichtereinheit) die Polarität des Geräts.

Zum Überprüfen der Wicklungen des Anlassers, des Generators, der Hochspannungskabel usw. Schalten Sie das Gerät auf die untere Messgrenze.

In der Praxis reicht die Genauigkeit herkömmlicher Autotester nicht aus, um Abschnitte des Stromkreises zu testen, bei denen selbst die geringste Erhöhung des Widerstands beispielsweise aufgrund eines schlechten Kontakts nicht akzeptabel ist.

Daher achten wir auf geringfügige Abweichungen der Nadel von der Nullteilung und überprüfen nach der Messung noch einmal die Kalibrierung der Instrumente.

Wir prüfen die Kurzschlüsse der Wicklung zum „Gehäuse“ und zur Windung mit einem Megaohmmeter (Bereich „M“).

Für viele Tester (Zeiger) ist beim Betrieb in diesem Bereich eine zusätzliche Gleichstromquelle erforderlich.

Wenn es nicht vorhanden ist, prüfen wir vorsichtig den Stromkreis mit einer Lampe, die mit einer Spannung von 220 V betrieben wird.

Prüfung spannungsführender Stromkreise

Wir prüfen stromführende Stromkreise mit einem Voltmeter und Amperemeter. Wir schließen das Voltmeter parallel zum zu prüfenden Gerät oder Stromkreisabschnitt an. Messgrenze 0–15 oder 0–25 V DC.

Wir verbinden die Minusleitung (Sonde) mit Masse, die Plusleitung mit Verbrauchern oder Stromquellen.

Anhand des Spannungsabfalls können Sie eine Fehlfunktion des Versorgungsstromkreises (Unterbrechung, Oxidation von Kontakten usw.) sowie einen Kurzschluss im Verbraucher feststellen.

Um stromführende Stromkreise zu überprüfen, können Sie eine Prüflampe mit einer Leistung von nicht mehr als 3-4 W verwenden, die für eine Spannung von 12 V ausgelegt ist (z. B. eine AMH12-3-Lampe, die im Kombiinstrument verwendet wird).

Das Amperemeter muss über eine obere Messgrenze von 10 A oder mehr Gleichstrom sowie einen Überlastschutz verfügen.

Wir schalten das Amperemeter in Reihe mit dem zu prüfenden Gerät. Wir verbinden das „Plus“ des Geräts mit der Stromquelle und das „Minus“ mit dem Verbraucher.

Wir messen den Stromverbrauch und vergleichen ihn mit dem Nennwert, der in den technischen Spezifikationen des zu testenden Geräts angegeben ist.

Da die tatsächliche Spannung im Bordnetz von der Nennspannung abweicht (in den Referenzdaten entspricht der Nennstrom der Nennspannung, also 12 V), kann der resultierende Wert geringfügig vom angegebenen Wert abweichen.

Ist der Strom geringer als erforderlich, liegt ein Fehler im Stromkreis vor, liegt er darüber, liegt ein Kurzschluss im Verbraucher vor.