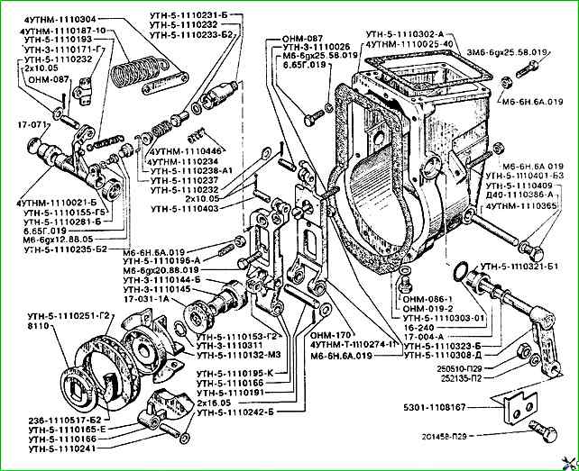
Регулятор топливного насоса высокого давления ЗИЛ-5301

На рисунке представлены места установки деталей и их обозначения по каталогу запасных частей

Смотрим по рисунку и в таблице указана расшифровка детали

рис. 1. Детали регулятора топливного насоса высокого давления Д-245 по каталогу

Детали регулятора топливного насоса высокого давления Д-245 по каталогу

  • 16-240 Кольцо уплотнительное
  • 17-004-А Манжета
  • 17-031-1А Шарикоподшипник 8202У
  • 17-071 Заглушка
  • 201458-П29 Болт
  • 236-1110517-Б2 Сухарь
  • 245-1111213 Рычаг промежуточный
  • 250510-П29 Гайка
  • 252135-П2 Шайба пружинная
  • 2х10.05 Шплинт
  • 2х16.05 Шплинт
  • 3М6-6gх25.88.019 Болт
  • 4УТН-1110230 Корректор в сборе
  • 4УТНМ-1110020-30 Корпус в сборе
  • 4УТНМ-1110021-Б Втулка
  • 4УТНМ-1110025-40 Корпус
  • 4УТНМ-1110187-10 Пружина
  • 4УТНМ-1110234 Пружина
  • 4УТНМ-1110304 Тяга
  • 4УТНМ-1110365 Ось
  • 4УТНМ-1110446 Пружина
  • 4УТНМ-Т-1110010-01 Регулятор в сборе
  • 4УТНМ-Т-1110290-10 Рычаг в сборе
  • 4УТНМ-Т-П10274-11  Рычаг основной
  • 5301-1108167 Кронштейн
  • 6.65Г.019 Шайба
  • 8110 Шарикоподшипник
  • Д40-111386-А Прокладка
  • М6-6gх12.88.05 Болт
  • М6-6gх20.88.019 Болт
  • М6-6gх25.88.019 Болт
  • М6-6Н.6А.019 Гайка
  • ОНМ-019-2 Болт
  • ОНМ-086-1 Прокладка
  • ОНМ-087 Палец
  • ОНМ-170 Втулка
  • УТН-3-1110026 Упор
  • УТН-3-1110144-Б Муфта
  • УТН-3-1110145 Втулка
  • УТН-3-1110171-Г Серьга
  • УТН-3-1110311-Б Кольцо
  • УТН-5-1110132-М3 Ступица
  • УТН-5-1110140 Муфта в сборе
  • УТН-5-1110153-Г2 Пята
  • УТН-5-1110155-Г5 Рычаг пружины
  • УТН-5-1110160-В Груз в сборе
  • УТН-5-1110165-Е Груз
  • УТН-5-1110166 Втулка
  • УТН-5-1110191 Ось ролика
  • УТН-5-1110193 Пружина
  • УТН-5-1110195-К Рычаг промежуточный
  • УТН-5-1110196-А Шпилька
  • УТН-5-1110200-В Рычаг промежуточный в сборе
  • УТН-5-1110231-Б Корпус
  • УТН-5-1110232 Прокладка
  • УТН-5-1110233-Б2 Шток
  • УТН-5-1110235-Б2 Винт
  • УТН-5-1110237 Скоба
  • УТН-5-1110238-А1 Тарелка
  • УТН-5-1110240-И Ступица в сборе
  • УТН-5-1110241 Ось грузов
  • УТН-5-1110251-Г2 Шайба
  • УТН-5-1110281-Б Втулка
  • УТН-5-1110301-А Прокладка
  • УТН-5-1110302-А Прокладка
  • УТН-5-1110303-01 Прокладка
  • УТН-5-1110308-Д Рычаг управления
  • УТН-5-1110320-В Втулка в сборе
  • УТН-5-1110321-Б1 Втулка
  • УТН-5-1110323-Б Обойма
  • УТН-5-1110401-Б3 Винт
  • УТН-5-1110403 Палец
  • УТН-5-1110409 Заглушка
  • УТН-5-111242-Б Шайба
  • УТН-5-111281-Б Втулка