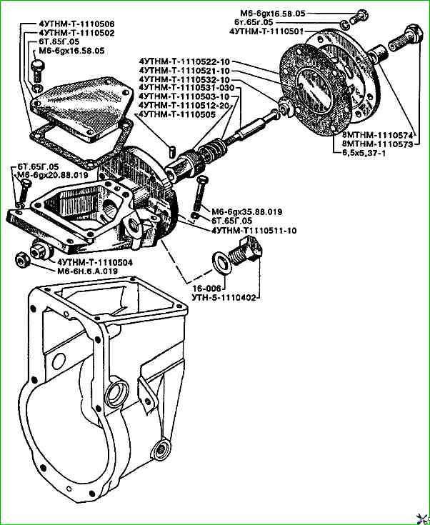
На рисунке представлены места установки деталей и их обозначения по каталогу запасных частей

Смотрим по рисунку и в таблице указана расшифровка детали

рис. 1. Детали корректора по наддуву ТНВД  дизеля Д-245 по каталогу

Детали корректора по наддуву ТНВД  дизеля Д-245 по каталогу

№детали Название детали

  • 16-006 Прокладка
  • 3М6-6gх16.58.05 Болт
  • 3М6-6gх20.58.019 Болт
  • 3М6-6gх35.88.019 Болт
  • 4УТНМ-Т-1110500-01 Корректор по наддуву в сборе
  • 4УТНМ-Т-1110501 Крышка
  • 4УТНМ-Т-1110502 Крышка
  • 4УТНМ-Т-1110503-10 Пружина
  • 4УТНМ-Т-1110504 Упор
  • 4УТНМ-Т-1110505 Штифт
  • 4УТНМ-Т-1110506 Прокладка
  • 4УТНМ-Т-1110511-10 Корпус
  • 4УТНМ-Т-1110512-20 Втулка
  • 4УТНМ-Т-1110521-10 Диафрагма
  • 4УТНМ-Т-1110522-10 Тарелка
  • 4УТНМ-Т-1110531-30 Шток
  • 4УТНМ-Т-1110532-10 Тарелка
  • 6,5х5,37-1 Заклепка
  • 6М6-6gх20.58.05 Винт
  • 6Т.65Г.05 Шайба
  • 8МТНМ-1110573 Болт штуцера
  • 8МТНМ-1110574 Втулка защитная
  • М6-6gх16.58.05 Болт
  • М6-6gх20.88.019 Болт
  • М6-6gх35.88.019 Болт
  • М6-6Н.6А.019 Гайка
  • УТН-5-1110402 Пробка