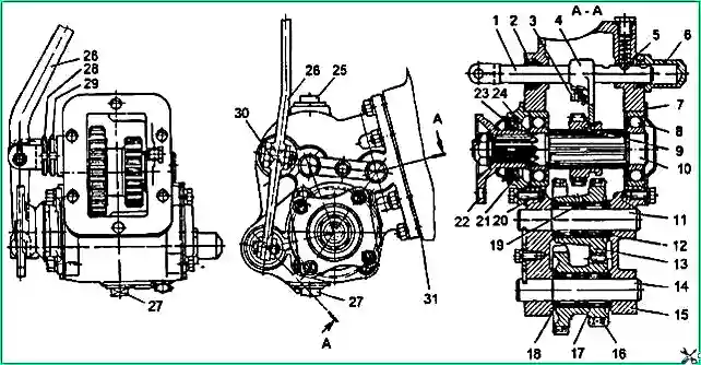
Коробка отбора мощности (рис 1) реверсивная, служит для привода лебедки и устанавливается на фланец люка коробки передач

Ведущий блок 16 зубчатых колес и промежуточное зубчатое колесо 13 установлены на неподвижных осях 11 и 14 на роликовых подшипниках 17

Вал 10 вращается на двух шариковых подшипниках 8. По шлицам вала скользит зубчатое колесо 9 включения передач.

На выходе вала, уплотненном манжетой 23, установлен фланец 22.

Установка фланца на валу при необходимости может быть осуществлена как для передачи момента вперед по ходу автомобиля, так и назад, соответствующей перестановкой вала 10.

Коробка отбора мощности: 1 - шток вилки включения передач; 2 и 23 - манжеты; 3 - уплотнительное кольцо; 4 - вилка включения; 5 - шариковый фиксатор; 6 - заглушка штока; 7 - крышка заднего подшипника, 8 - шариковый подшипник; 9 - зубчатое колесо включения передач; 10 - главный вал; 11 - ось зубчатого колеса постоянного зацепления; 12 - опорная шайба; 13 - промежуточное зубчатое колесо постоянного зацепления; 14 - ось блока зубчатых колес; 15 - картер коробки передач; 16 - блок зубчатых колес; 17 - роликовый подшипник; 18 - опорная шайба; 19 - распорное кольцо; 20 - прокладка крышки подшипника; 21 - крышка переднего подшипника, 22 - фланец; 24 - опорная шайба фланца; 25 - заливная пробка; 26 - рычаг включения коробки отбора мощности; 27 - сливная пробка, 28 - гайка; 29  контргайка; 30 - кронштейн рычага; 31 – прокладка

Передачи включаются вилкой 4, неподвижно закрепленной на штоке 1. На выходе штока имеется манжета 2.

Все зубчатые колеса коробки отбора мощности — прямозубые.

Управление коробкой отбора мощности осуществляется через люк в полу кабины ключом S=46 из комплекта шоферского инструмента, применяемым в качестве удлинителя рычага коробки отбора мощности и вставляемым во втулку на рычаге

Шестерня ведущего блока 16 коробки отбора мощности находится в постоянном зацеплении с зубчатым колесом блока заднего хода коробки передач.

Неправильная установка коробки отбора мощности увеличивает шум зубчатых пар и приводит к ускоренному их изнашиванию.

Для правильной установки следует гайки шпилек затягивать равномерно крест- накрест, одновременно проворачивая вал 10.

Уплотнительная прокладка 31 между привалочными плоскостями фланцев коробки передач и коробки отбора мощности должна быть толщиной 0,3—0,4 мм (используется прокладка из-под крышки люка коробки передач).

При правильной установке коробки отбора мощности вал 10 проворачивается свободно (без заедания зубчатых колес) усилием руки, приложенным к выходному концу вала.

Техническое обслуживание коробки отбора мощности такое же, как и коробки передач.

После проведения технического обслуживания коробки отбора мощности или ее замены необходимо проверить нахождение рычага коробки отбора мощности в нейтральном положении.

Невыполнение этого требования может привести к обрыву троса лебедки при пуске двигателя.

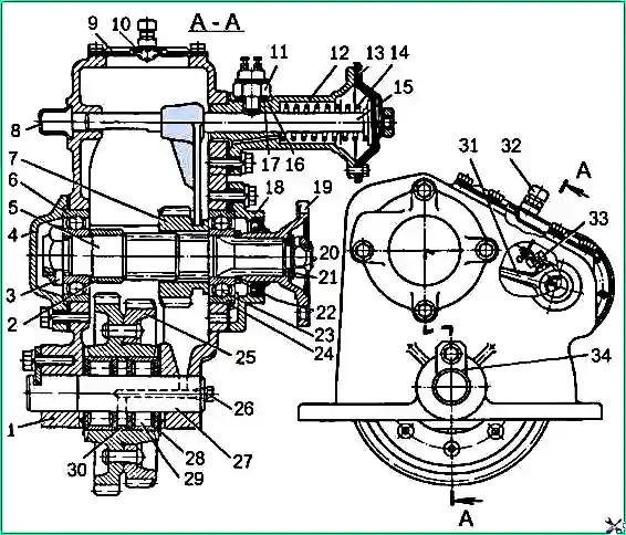
Устройство коробки отбора мощности от раздаточной коробки (КОМ-1)

Односкоростную коробку отбора мощности (рис. 2) устанавливают на верхний люк раздаточной коробки.

Это дает возможность отбора мощности от трансмиссии для привода различных специальных агрегатов, применяемых потребителем при использовании шасси автомобиля в качестве транспортной базы.

Односкоростная коробка отбора мощности предназначена для кратковременной работы.

Коробка отбора мощности (КОМ-1): 1 - картер; 2 - распорная втулка; 3 и 20 - гайки; 4 и 18 - крышки подшипников; 5 - ведомый вал; 6 и 23 - шариковые подшипники; 7 - шестерня каретка; 8 - заглушка, 9 - крышка люка; 10 - щиток; 11 - выключатель; 12 - камера включения; 13 - мембрана; 14 - пружина; 15 - шток, 16 - прокладка; 17 - регулировочная шайба; 19 - фланец; 21 - пружинная шайба; 22 и 28 - опорные шайбы; 24 - стопорное кольцо, 25 - шестерня постоянного зацепления; 26 - пробка; 27 - ось; 29 - роликовый подшипник; 30 - распорное кольцо; 31 - вилка; 32 - штуцер вентиляционной трубки; 33 - стопорный болт; 34 - стопорная пластина

Длительность непрерывной работы зависит от фактической величины отбираемой мощности и в каждом конкретном случае проверяется предварительными испытаниями.

Детали односкоростной коробки отбора мощности смонтированы в литом чугунном картере 1 (см. рис. 2).

Блок зубчатых колес установлен на неподвижной оси 27 на двух роликовых подшипниках 29, между которыми расположено распорное кольцо 30.

Ось запрессована в переднюю и заднюю стенки картера и застопорена пластиной.

На оси по торцам ступицы блока зубчатых колес установлены опорные шайбы 28, которые предотвращают изнашивание опорных торцов картера.

Ось имеет осевое и радиальное отверстия для подвода масла из картера к роликовым подшипникам. Осевое отверстие снаружи закрыто конической пробкой 26.

При включении коробки отбора мощности шестерня-каретка 7, установленная подвижно на шлицах вала 5, входит в зацепление с шестерней 25.

Для предотвращения самовыключения вторичный вал имеет щлиц-замок.

Между шлицевой частью вала и передним подшипником 6 установлена распорная втулка 2. Подшипник и распорная втулка затянуты гайкой 3.

Стопорение гайки осуществляется вдавливанием тонкого края гайки в паз вала 5.

Вал вращается на двух шариковых подшипниках 6 и 23, наружные кольца которых установлены в гнездах картера, а внутренние — напрессованы на шейки вала.

В осевом направлении вторичный вал фиксируется крышками подшипников 4 и 18. В крышку 18 установлена манжета, предохраняющая коробку от попадания грязи и течи масла.

На шлицевом конце вала 5 установлен фланец 19 крепления карданного вала. Фланец закреплен гайкой 20, которую стопорят так же, как гайку 3.

Включение коробки отбора мощности осуществляется вилкой 31. Вилка закреплена неподвижно на штоке 15 болтом 33, который застопорен проволокой.

В передней стенке картера имеется отверстие, в котором перемещается шток 15. Это отверстие закрыто заглушкой 8.

Верхний люк коробки отбора мощности закрыт крышкой.

На крышке установлен штуцер 32, соединенный резиновым шлангом с вентиляционной трубкой, закрепленной на задней стенке кабины. Штуцер защищен от прямого попадания масла щитком 10.

Электропневматическое управление осуществляется кнопкой, установленной на панели приборов в кабине.

Кнопка размыкает и замыкает электрическую цепь управления реле электромагнита привода воздушного клапана.

Реле установлено на щите двигателя в подкапотном пространстве над реле включения электромагнита переднего моста.

При включении коробки отбора мощности выключателем реле срабатывает и замыкает цепь электроснабжения электромагнита.

Сердечник электромагнита, перемещаясь вниз, давит на шток включения воздушного клапана и открывает его.

Воздух через впускной клапан поступает в камеру включения и, воздействуя на мембрану 13, перемещает шток 15, соединенный с вилкой включения коробки отбора мощности.

На корпусе камеры включения установлен выключатель 11 сигнализатора выключения коробки отбора мощности.

При перемещении штока контакты выключателя замыкаются, и загорается сигнализатор красного цвета.

При выключении коробки отбора мощности размыкается цепь электроснабжения электромагнита, воздушный клапан закрывается, возвратная пружина мембранной камеры перемещает шток с вилкой в исходное положение.

Шестерня-каретка 7 выходит из зацепления, и коробка отбора мощности выключается, при этом контакты выключателя сигнализатора размыкаются и сигнализатор гаснет.

Техническое обслуживание односкоростной коробки отбора мощности такое же, как и раздаточной коробки.

Ремонт коробки отбора мощности

Перед снятием коробки отбора мощности надо сначала слить масло из картера коробки передач и коробки отбора мощности, отвернув две сливные пробки спускных отверстий.

Отсоединить карданную передачу привода лебедки, отвернуть гайки крепления коробки отбора мощности на фланце люка картера и снять вручную со шпилек люка коробки передач коробку отбора мощности.

Снятие фланца

Отвернуть торцовым ключом гайку крепления фланца, снять шайбу.

Отвертывание гайки крепления

При отвертывании гайки надо удерживать вал от провертывания при помощи медной или алюминиевой оправки, вставив ее между шестернями коробки (рис. 3).

Снять рычаг переключения, предварительно расшплинтовав пассатижами и вынув осевой и соединительный пальцы со штоком вилки.

Демонтаж фланца с помощью съемника

Установить на фланец съемник 20П-7973 и с его помощью снять фланец с вала (рис. 4).

Отвернуть болты крепления крышек, слегка постучать молотком по крышкам и снять крышки и прокладки.

Для снятия стопорной пластины осей блоков шестерен надо отвернуть болт крепления пластин и снять пластину

Демонтаж блока шестерен

Установить коробку на пресс и выпрессовать (в направлении конца с канавкой) ось блока шестерен (рис. 5), вынуть блок шестерен из картера, снять упорные шайбы, вынуть из блока два роликовых подшипника и распорную втулку.

Снятие шестерни 25 (см. рис. 2) постоянного зацепления проводится так же, как блока шестерен.

При этом шестерня 7 включения передач должна быть выведена из зацепления с шестерней постоянного зацепления.

Демонтаж главного вала

Установить корпус коробки на пресс, выпрессовать (рис. 6) главный вал до выхода колец одного подшипника из коробки и снять подшипник и шестерню включения.

Спрессовать второй подшипник с главного вала при помощи съемника мод. 20П-7973.

Выпрессовка оси блока шестерен

Расшплинтовать пассатижами стопорный болт крепления вилки включения и вывернуть его.

Затем вывернуть пробку фиксатора и вынуть из гнезда пружину и шарик фиксатора.

После чего вынуть шток, одновременно снимая с него вилку переключения передач.

Выпрессовка главного вала вместе с подшипниками

Манжета штока вынимается из гнезда только при ее замене.

Детали коробки отбора мощности

Требования при ремонте к картеру, шестерням, валам и другим деталям коробки отбора мощности аналогичны требованиям к деталям коробки передач.

Сборка коробки отбора мощности

Детали, подготовленные к сборке, должны быть проверены по размерам, промыты в обезжиривающем растворе и продуты сжатым воздухом.

В случае износа или повреждения манжет подшипника главного вала и манжеты штока их надо заменить новыми.

Сборка коробки отбора мощности проводится в последовательности, обратной разборке.

При установке вилки переключения передач ее следует закрепить стопорным болтом и зашплинтовать.

Установка и крепление фиксатора штока должны быть проведены после установки на главный вал шестерни переключения передач.

Осевой зазор главного вала регулируют прокладками 20 (см. рис. 1▲), уменьшая или увеличивая количество прокладок, расположенных под крышками.

Подшипники отрегулированы правильно, если вал свободно проворачивается от усилия руки (при отсутствии манжеты) и не имеет ощутимого осевого зазора.

При регулировке подшипников болты крепления крышек (передней и задней) должны быть затянуты до отказа с помощью ключа усилием руки.

Коробка отбора мощности устанавливается на фланец люка коробки передач.

Уплотнительная прокладка используется из-под крышки люка картера коробки передач или устанавливается новая прокладка толщиной 0,3—0,4 мм.

Гайки шпилек крепления коробки отбора мощности должны затягиваться равномерно крест-накрест при одновременном проворачивании главного вала рукой, что обеспечивает правильность установки коробки по пятну контакта зубьев в зацеплении шестерен.

При правильной установке коробки отбора мощности главный вал проворачивается свободно (без заеданий шестерен) усилием руки, приложенным к выходному концу вала.

Неправильная установка коробки отбора мощности приводит к увеличению шума зубчатых пар и ускоренному их износу.

После установки коробки отбора мощности надо отрегулировать положение рычага 26 переключения (см. рис. 1▲).

Для этого следует удалить заглушку в полу кабины и, изменяя в осевом направлении положение кронштейна 30, добиться ориентации верхнего конца рычага примерно в середине отверстия в полу кабины.

После этого надо затянуть контргайки крепления кронштейна 30 при положении нейтрали в коробке отбора мощности.

Регулировка реверсивной коробки отбора мощности и ее привода

Для привода лебедки коробка 5 (см. рис. 7◄) отбора мощности имеет две передачи: первую передачу I для наматывания троса (при включении рычаг 6 передвигают вперед); вторую передачу II для разматывания троса (при включении рычаг 6 передвигают назад).

Рычаг в нейтральном положении запирается замком-задвижкой 7, установленной на полу кабины.

Реверсивная коробка отбора мощности

В реверсивной коробке отбора мощности регулируют предварительный натяг подшипников главного вала и положение рычага управления коробкой.

Предварительный натяг подшипников главного вала получается за счет величины осевого зазора вала.

Осевой зазор главного вала регулируют прокладками.

Уменьшая или увеличивая количество прокладок под передней крышкой подшипника, устанавливают необходимый осевой зазор.

При этом считают, что подшипники отрегулированы правильно, если вал свободно проворачивается от усилия руки (при отсутствии сальника) и не имеет ощутимого осевого зазора.

При регулировке предварительного натяга подшипников болты крепления крышек (передней и задней) должны быть затянуты до отказа усилием руки на длине ключа.

При нейтральном положении рычаг 6 должен точно соответствовать нейтральному положению шестерни, а шток 1, соединенный с рычагом 6, должен надежно фиксироваться.

Если положение рычага 6 управления коробкой отбора мощности не соответствует указанному требованию, то необходимо его отрегулировать гайкой 3 при ослабленной контргайке 4, передвигая кронштейн 2 рычага 6 в осевом направлении до нужного положения.

Закончив регулировку, закрепляют гайку 8 кронштейна контргайкой 4.

Регулировку положения рычага следует проверить, переключая передачи рычагом 6 при включении первой передачи (наматывание) и при включении второй передачи (разматывание).