Складання та встановлення коробки передач ЗІЛ-5301

Складання та встановлення проміжного валу

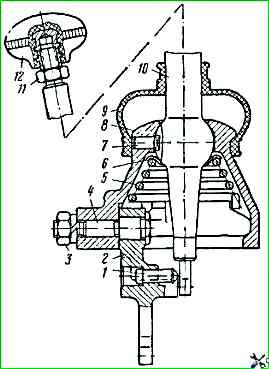
Встановити в пази валу шпонку 8 і послідовно напресувати на вал попередньо підібрані по шийках шестерню другої передачі (натяг 0,005-0,055 мм), шестерню заднього ходу (посадка від натягу 0,04 мм до зазору 0,01 мм), шестерню та четвертої передач (натяг 0,015-0,065 мм).

Встановити розпірну втулку, напресувати шестерню постійного зачеплення (натяг 0,015-0,065 мм) та закріпити її замковим кільцем. Кільце встановити за допомогою оправки.

Всі шестерні проміжного валу мають бути напресовані до упору в торець.

Проміжний вал коробки передач у зборі: 1 - замкове кільце; 2 – шестерня постійного зачеплення; 3 – розпірна втулка; 4 – шестерня четвертої передачі; 5 – шестерня третьої передачі; 6 – шестерня заднього моста; 7 - шестерня другої передачі; 8 - шпонка; 9 - зубчастий вінець першої передачі; 10 - вал

Встановити картер коробки на пристосування

Вставити в гніздо картера кільце переднього роликового підшипника проміжного валу (посадка від натягу 0,01 мм до зазору 0,033 мм).

Вдягти роликовий підшипник на передній кінець проміжного валу (зазор 0,015-0,047 мм).

Вставити в картер проміжний вал у зборі з шестернями, спрямувавши послідовно спочатку задній кінець валу в гніздо кулькового підшипника, потім встановити в зовнішнє кільце передній кінець валу з роликовим підшипником у зборі.

Напресувати кульковий підшипник у зборі із замковим кільцем на задній кінець проміжного валу (натяг 0,003-0,032 мм), направити його в гніздо картера, встановити підшипник разом з валом у гніздо картера за допомогою спеціальної оправки (посадка від натягу 0 0,038 мм).

Навернути гайку та затягнути її. Момент затягування не менше 250 Нм.

Закріпити гайку, вдавивши її тонкий край у паз валу. Встановити задню кришку з прокладкою та закріпити кришку болтами із пружинними шайбами.

Встановити у виточку гнізда картера переднього підшипника стопорне кільце і посадити його за допомогою оправки, вставити в гніздо заглушку та запресувати її спеціальною оправкою.

Вставити в отвір блоку шестерень заднього ходу роликові підшипники, встановивши між ними розпірну пружину, встановити блок в картер коробки, вставити вісь блоку шестерень (з посадкою: кінець осі великого діаметра - від натягу 0,052 мм до зазору 0,004 мм, діаметра - із зазором 0,007-0,060 мм).

Встановити у виточку стопорну пластину та закріпити її болтом із пружинною шайбою.

Коробка передач: 1 – первинний вал; 2, 21,30 та 45 - підшипники; 3, 28, 31 і 47 - стопорні кільця; 4 – кришка заднього підшипника первинного валу; 5 - синхронізатор четвертої та п'ятої передач; 6 – втулка шестерні четвертої передачі; 7 та 40 - зубчаста пара четвертої передачі; 8 та 38 - зубчаста пара третьої передачі; 9 - головка стрижня перемикання першої передачі та передачі заднього ходу; 10 - вилка перемикання другої та третьої передач; 11 – кришка коробки передач; 12 - установча втулка; 13 - кулька фіксатора; 14 - пружина фіксатора; 15 - штифт замкового пристрою стрижнів перемикання передач; 16 - кулька замкового пристрою, 17 - синхронізатор другої та третьої передач; 18 та 34 - зубчаста пара другої передачі; 19, - вилка перемикання першої передачі та передачі заднього ходу; 20 - зубчасте колесо першої передачі та передачі заднього ходу; 22 - черв'як приводу спідометра; 23 та 59 - шестерні приводу спідометра; 24 - кришка підшипника вторинного валу; 25 - фланець з відбивачем; 26 - гайка фланця вторинного валу; 27 та 51 - манжети; 29 - гайка проміжного валу; 32 – картер коробки передач; 33 – вторинний вал; 35, 39 та 41 - опорні шайби; 36 і 42 - замкові кільця; 37 - зубчасте колесо передачі заднього ходу проміжного валу; 43 - проміжний вал; 44 – шестерня постійного зачеплення; 46 - заглушка; 48 – прокладка; 49 - блокуючий палець, 50 та 53 - роликові підшипники; 52 - стопорна пластина; 54 та 67 - пружини; 55 - вісь блока зубчастих коліс передачі заднього ходу; 56 - блок зубчастих коліс передачі заднього ходу; 57 - пробка контрольно-заливного отвору; 58 - кришка люка відбору потужності; 60 - зливна пробка з магнітом; 61 - сапун; 62 - запобіжник вимикання першої передачі та передачі заднього ходу; 63 - вісь проміжного важеля; 64 - картер наконечника важеля перемикання передач; 65 – фіксатор важеля; 66 - чохол важеля перемикання передач; 68 - наконечник важеля перемикання передач; 69 - проміжний важіль; 70 - сухар проміжного важеля; 71 - стрижень перемикання першої передачі та передачі заднього ходу; 72 - шток перемикання четвертої та п'ятої передач; 73 - шток перемикання другої та третьої передач; 74 - штуцер валу приводу спідометра; 75 - важіль перемикання передач

Складання та встановлення вторинного валу та синхронізаторів

Встановити вал у лещата з м'якими підкладками заднім кінцем вниз і зібрати деталі валу в наведеній нижче послідовності.

Вдягти на шліци шестерню 12 першої передачі, встановити шестерню 11 другої передачі, надіти на вал завзяту шайбу 10, закріпити шестерні замковим кільцем 9, посадивши його в виточення валу за допомогою спеціальної оправки.

Вторинний вал у зборі: 1 - синхронізатор четвертої та п'ятої передач; 2 та 9 - замкові кільця; 3, 6 і 10 - наполегливі шайби, 4 - шестерня четвертої передачі, 5 - втулка шестерні четвертої передачі; 7 – шестерня третьої передачі; 8 - синхронізатор другої та третьої передач; 11 - шестерня другої передачі; 12 – шестерня першої передачі; 13 - вторинний вал, блок шестерень, два роликові підшипники та розпірна втулка

Встановити на шліці валу синхронізатор 8 другої та третьої передач, встановити на шийку вала шестерню 7 третьої передачі, поставивши завзяту шайбу 6, встановити втулку 5 шестерні четвертої передачі, направивши її фіксаторний штифт у шліцевий паз валу.

Встановити на втулку шестерню четвертої передачі, поставити завзяту шайбу 3 і закріпити шестерню замковим кільцем 2, посадивши його у виточення валу за допомогою порожнистої оправки.

Кільце має щільно сидіти в канавці.

Встановити на шліці валу синхронізатор четвертої та п'ятої передач.

Встановити вторинний вал у картер коробки, направивши задній кінець валу в гніздо картера, надіти підшипник у зборі із замковим кільцем на кінець валу і, направивши його в гніздо картера, запресувати підшипник разом з валом за допомогою спеціальної оправки.

Складання та встановлення первинного валу

Для складання первинного валу треба встановити його в пристосування та напресувати підшипник (натяг 0,003-0,038 мм).

Первинний вал у зборі: 1 - вал; 2 - замкові кільця; 3 - стопорне кільце; 4 - шарикопідшипник; 5 - роликовий підшипник

Встановити у проточки замкові кільця 2. Вийняти вал із пристосування та встановити у гніздо роликовий підшипник.

Встановити в гніздо картера первинний вал з підшипником у зборі (посадка підшипника від натягу 0,012 мм до зазору 0,038 мм) і направити кінець вторинного валу в роликовий підшипник первинного валу.

Встановити кришку підшипника первинного валу з прокладкою, закріпити їх болтами із пружинними шайбами.

Вдягти на направляючу кришку муфту з підшипником вимкнення зчеплення та встановити на муфту відтяжну пружину.

Складання кришки коробки передач

Складання кришки коробки передач проводиться в послідовності, зворотному розбиранні.

При складання кришки спочатку вставити шток 11 з вилкою перемикання першої передачі та заднього ходу, потім шток 10 з вилкою перемикання четвертої та п'ятої передач і, нарешті, шток 9 з вилкою перемикання другої та третьої передач.

Після встановлення штоків та виделок їх слід закріпити стопорними болтами 14, зашплінтувати дротом, загорнувши його кінці, як показано на рис. 5-7 (поз. 8, 13 та 15).

Перевірити та за потреби встановити в нейтральне положення шестерню першої передачі та каретки синхронізаторів.

Кришка коробки передач у зборі: 1 та 20 - заглушки; 2 - кришка, 3 - вилка четвертої та п'ятої передач; 4 - настановна втулка; 5 - вилка другої та третьої передач; 6 - вилка першої передачі - заднього ходу; 7 - сапун; 8, 13 і 15 - шплінтовий дріт; 9 - шток вилки перемикання другої та третьої передач; 10 - шток вилки перемикання четвертої та п'ятої передач, 11 - шток вилки перемикання першої передачі та заднього ходу; 12 - головка штока вилки перемикання першої передачі - заднього ходу; 14 - стопорні болти, 16 - пружина фіксатора, 17 - фіксаторна кулька; 18 - штифт замка штоків, 19 - кулька замка штока

Встановити кришку коробки з прокладкою, направивши кінці вилки в паз шестерні першої передачі та пази лапок інших вилок на диски кареток синхронізаторів, потім закріпити кришку болтами з пружинними шайбами.

Складання картера наконечника важеля перемикання передач

Закріпити картер наконечника важеля в лещата, вставивши фіксатор 7 важеля в отвір картера, встановити важіль 10 перемикання передач, накласти трохи солідолу на кульову поверхню важеля, надіти на хвостовик важеля опору 6 кульової частини важеля, встановити пружину 5 так, як показано на малюнку, і завести пружину за виступи картера.

Зібрати проміжний важіль 2, встановивши сухар 1 і вісь 4, змастивши їх солідолом.

Встановити важіль разом із віссю в картер, після чого закріпити його в картері гайкою 3 із пружинною шайбою.

Вийняти картер з лещат, встановити захисний чохол 9, повернути кульову рукоятку 12 на важіль перемикання та закріпити її гайкою 11.

Вузол картера наконечника важеля перемикання передач: 1 - сухар проміжного важеля; 2 - проміжний важіль включення першої передачі та передачі заднього ходу; 3 - гайка осі; 4 - вісь важеля; 5 – пружина важеля; 6 – опора важеля; 7 – фіксатор важеля; 8 – картер важеля; 9 - захисний чохол; 10 - наконечник важеля перемикання передач

Встановити картер 8 наконечника важеля з прокладкою, направивши кінець проміжного важеля в проріз головки штока першої передачі та заднього ходу, а кінець наконечника важеля перемикання передач - в паз вилки перемикання передач, закріпити картер важеля болтами з пружинними шайбами.

Встановити на кінець вторинного валу провідну шестерню приводу спідометра.

Встановити кришку вторинного валу та закріпити болтами із пружинними шайбами.

Встановити на шліці фланець з відбивачем, поставити на вал завзяту шайбу, навернути гайку та затягнути її; момент затягування - не менше 300 Нм.

Зупинити гайку, вдавивши тонкий край у паз вторинного валу.

Встановити у кришку вторинного валу штуцер із веденою шестернею спідометра. Штуцер закріпити болтом із шайбою.

Всі прокладки кришок рекомендується встановлювати на герметиці.

Встановити важіль перемикання передач зі шпонкою на наконечник та закріпити гайкою із пружинною шайбою.

Випробування коробки передач

Після складання в коробку передач необхідно залити масло до рівня контрольної пробки та перевірити її на спеціальному стенді.

Обкатування коробки передач слід проводити від електродвигуна протягом 3-5 хв, на кожній послідовно включеній передачі.

У процесі обкатки коробки передач перевіряють нормальне включення передач, відсутність підвищених шумів шестерень у зачепленні та стуків, відсутність течі олії в манжетах та стиках, а також відсутність інших несправностей.

Справну коробку передач встановити на двигун за допомогою домкрат-візка або талі при знятому вентиляційному люку кабіни, закріпити коробку передач на шпильках гайками з пружинними шайбами.Момент затягування гайок повинен бути 120-150 Нм.