Електрична схема електропневматичного приводу дверей ЗІЛ-5301

На автобусах та спеціальних автомобілях застосовується електропневматичний привід зачинення дверей. Нижче наведено електричну схему приводу

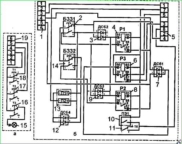
Схема приводу дверей автомобіля

Деталі схеми приводу: а - блок циліндрів; б – блок управління; 1, 5 та 19 - штекерні роз'єми 502606 457373 9011; 2 та 14 - блоки захисту від затискання 9У5.662.001; 3, 7, 9 та 12 - діодні зборки 9У4.135.003; 4 та 8 - реле 90.3747-11; 6 – реле 90.3747-01; 10 - пневмоелектричний перетворювач; 11 - мікроперемикач ПМ 22-2; 13 – пневморозподільник 9У5.155.003-05; 15 - ліхтар освітлення підніжки; 16, 17 та 18 - мікроперемикачі МП 110 1ЛУХЛЗ