Схеми електричних з'єднань ВАЗ-2123 євро 3

Проводи на даних схемах мають літерне позначення кольору та позначення номера елемента схеми, до якого приєднується цей провід

Через дріб вказується номер контакту колодки.

Умовне позначення “S 1/29” означає, що провід приєднується до контакту 29 елемента схеми під номером 1 через точку з'єднання, не показану на схемі.

Схема електричних з'єднань джгута проводів системи запалювання: 1 - контролер; 2 - електровентилятор системи охолодження правий двигун; 3 – електровентилятор системи охолодження двигуна лівий; 4 – модуль запалення; 5 – свічки запалювання; 6 - форсунки; 7 - резистор; 8 - колодка джгута системи запалення до джгута форсунок; 9 - колодка джгута форсунок до джгута системи запалювання; 10 – регулятор холостого ходу; 11 - датчик положення дросельної заслінки; 12 - датчик температури охолоджувальної рідини; 13 - датчик масової витрати повітря; 14 - датчик контрольної лампи тиску олії; 15 - датчик кисню; 16 - датчик положення колінчастого валу; 17 – датчик детонації; 18 - електромагнітний клапан продування адсорбера; 19 - датчик фаз; 20 - датчик покажчика температури охолоджуючої рідини; 21 - колодка джгута системи запалення до джгута панелі приладів; 22 - запобіжник ланцюга живлення електровентилятора правого; 23 - реле запалювання; 24 - запобіжник реле запалювання; 25 - запобіжник ланцюга живлення електровентилятора лівого; 26 - реле електробензонасоса 27 - запобіжник ланцюга живлення електробензонасоса; 28 – реле електровентилятора лівого; 29 - запобіжник ланцюга живлення контролера; 30 – реле електровентилятора правого; 31 - додаткове реле; 32 - колодка джгута системи запалення до джгута проводів заднього; 33 – реле кондиціонера; 34 - запобіжник кондиціонера; 35 – датчик тиску; 36 - колодка джгута системи запалення до джгута проводів компресора кондиціонера; 37 - колодка джгута проводів компресора кондиціонера до джгута системи запалювання; 38 - компресор кондиціонера; A - до клеми "мінус" акумуляторної батареї; B - до клеми "плюс" акумуляторної батареї; C1, C2 - точки заземлення джгута системи запалювання.

1. Схема електричних з'єднань джгута проводів системи запалювання

Схема електричних з'єднань джгута панелі приладів: 1 - колодка джгута панелі приладів до джгута системи запалення; 2 - колодка джгута панелі приладів до джгута заднього; 3 - колодка джгута панелі приладів до джгута переднього; 4 - реле протитуманних фар; 5 - реле електросклопідйомників; 6 - реле звукового сигналу; 7 – реле обігрівача сидінь; 8 - колодка джгута панелі приладів до джгута переднього; 9 – вимикач зовнішнього освітлення; 10 - монтажний блок; 11 - комбінація приладів; 12 - реле стартера; 13 - регулятор коректора фар; 14 - потенціометр; 15 - вимикач сигналу гальмування; 16 - вимикач звукового сигналу; 17 - перемикач світла фар і покажчиків повороту; 18 - перемикач очищувача та омивача вітрового скла; 19 - колодка діагностики; 20 - вимикач запалювання; 21 - блок управління автомобільної протиугінної системи; 22 - прикурювач; 23 – блок контрольних ламп; 24 - вимикач аварійної сигналізації; 25 - вимикач обігріву заднього скла; 26 - вимикач протитуманних фар; 27 - вимикач заднього протитуманного вогню; 28, 29 - колодки джгута панелі приладів до радіоапарата; 30 - плафон освітлення речового ящика; 31 - вимикач освітлення речового ящика; 32 - електродвигун обігрівача; 33 - додатковий опір; 34 - колодки джгута панелі приладів та джгута освітлювача; 35 - перемикач електродвигуна обігрівача; 36, 37 - табло підсвічування важелів обігрівача; 38 - вимикач кондиціонера; A1, A2 – точки заземлення джгута панелі приладів X1, X2 – колодки джгута панелі приладів до комбінації приладів; Ш1, Ш5 - рознімання монтажного блоку до відповідних колодок джгута панелі приладів

2. Схема електричних з'єднань джгута панелі приладів

Схема електричних з'єднань підкапотного джгута: 1 - фара права; 2 - противотуманна фара права; 3 - звуковий сигнал; 4 – датчик температури повітря; 5 – протитуманна фара ліва; 6 – фара ліва; 7 – стартер; 8 - акумуляторна батарея; 9 – генератор; 10 - електродвигун склоочисника; 11 – електродвигун омивачів; 12 - колодки джгута АКБ і стартера та джгута переднього; 13, 14 колодки джгута переднього до джгута панелі приладів; 15 – вимикач підкапотної лампи; 16 - лампа підкапотна; 17 - датчик рівня гальмівної рідини; A1, A2, A3, A4 - точки заземлення джгута переднього. Провіди на даній схемі мають літерне позначення кольору та позначення номера елемента схеми, до якого приєднується даний провід. Через дріб вказується номер контакту колодки. Джгут проводів передній 2123-3724010-50

3. Схема електричних з'єднань підкапотного джгута:

Схема електричних з'єднань джгута задньої частини автомобіля: 1 - колодка джгута заднього до джгута правих передніх дверей 2 - колодка джгута заднього до джгута панелі приладів, 3 - колодка джгута заднього до джгута лівих передніх дверей, 4 - бічний покажчик5 - датчик ручного гальма; 6 - плафон індивідуального освітлення; 7 - плафон освітлення салону; 8 - блок управління блокуваннями дверей; 9 - датчик включення диференціала; 10 - бічний покажчик поворотів лівий; 11 - колодки джгута заднього до гучномовця заднього правого; 12 - датчик швидкості автомобіля: 13 - електробензонасос; 14 - ліхтар освітлення багажника; 15 – вимикач ламп світла заднього ходу; 16 - блок керування електродзеркалами; 17 - колодки джгута заднього до гучномовця заднього лівого; 18 - колодка джгута заднього до джгута правих задніх дверей; 19 - колодка джгута задніх правих дверей та джгуту заднього: 20 - ліхтар правий, 21 - колодка джгута ліхтарів освітлення номерного знака, 22, 23 ліхтарі освітлення номерного знака; 24 - колодка джгута заднього до джгута обігріву сидінь, 25 - колодка джгута обігріву сидінь до джгута заднього. 26 - колодка джгута заднього до джгута заднього додаткового; 27 - ліхтар лівий; 28 - колодка джгута заднього до джгута лівих задніх дверей; 29 - колодка джгута задніх лівих дверей і джгуту заднього: 30 - сигналізатор відкриття замку правих задніх дверей, 31 - електроблокатор правих задніх дверей, 32 - електрообігрівач правого сидіння, 33 - блок керування електрообігрівом; 34 - електрообігрівач лівого сидіння, 36 - електроблокатор лівих задніх дверей, 35 - сигналізатор відкриття замку лівих задніх дверей. 37 - колодка джгута заднього до джгута системи запалення, 38 - датчик кисню. A1, A 2, A 3 - точки заземлення джгута заднього; A 4 - точка заземлення джгута ліхтарів освітлення номерного знака

4. Схема електричних з'єднань джгута задньої частини автомобіля:

Схема електричних з'єднань джгута лівих передніх дверей: 1 - колодка джгута лівих передніх дверей до джгута заднього; 2 – електродвигун склопідйомника; 3 – вимикач склопідйомника; 4 - електродвигун та електронагрівач дзеркала зовнішнього; 5 - сигналізатор відкриття замка лівих передніх дверей; 6 - електроблокатор лівих передніх дверей; 7 - колодки джгута до гучномовця переднього лівого; 8 - вимикач склопідйомника.

5. Схема електричних з'єднань джгута лівих передніх дверей:

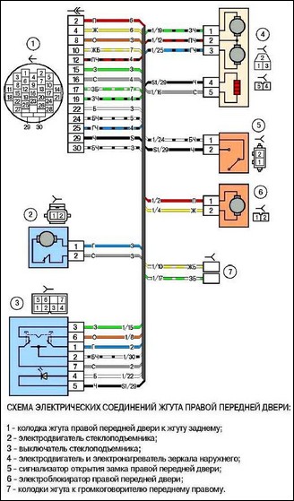
Схема електричних з'єднань джгута правих дверей: 1 - колодка джгута правих передніх дверей до джгута заднього; 2 – електродвигун склопідйомника; 3 – вимикач склопідйомника; 4 - електродвигун та електронагрівач дзеркала зовнішнього; 5 - сигналізатор відкриття замка правих передніх дверей; 6 - електроблокатор правих передніх дверей; 7 - колодки джгута до гучномовця переднього правого

6. Схема електричних з'єднань джгута правих дверей

Схема електричних з'єднань додаткового джгута заднього: 1 - колодка джгута заднього додаткового до джгута заднього; 2 – додатковий сигнал гальмування; 3- електродвигун очищувача заднього скла; 4 - сигналізатор відкриття замка дверцят задка; 5 - електроблокатор дверей задка; 6 – електродвигун омивача заднього скла; 7 – елемент обігріву заднього скла; А1 точка заземлення джгута заднього додаткового

7. Схема електричних з'єднань додаткового джгута заднього