Призначення, пристрій та дія ЕФУ

Пристрій призначений для полегшення пуску холодного двигуна при температурі повітря до -25 °С, швидкого виходу двигуна на нормальний температурний режим та зменшення димлення, що виникає у непрогрітого двигуна.

Свічки розжарювання ЕФУ повернуті до різьбових отворів впускних колекторів.

Електромагнітний клапан ЕФУ встановлений на двигун, термореле на панелі кабіни з внутрішньої сторони.

Розташування приладів за панеллю запобіжників: 1 - реле блокування стартера; 2 – термореле ЕФУ; 3 - переривник покажчиків поворотів; 4 – блок запобіжників; 5 - реле стартера

Реле включення ЕФУ розташоване на панелі передньої частини кабіни з правого боку по ходу руху автомобіля (див. рис. 1).

Факельна свічка: 1 - корпус; 2 – нагрівач; 3 – гільза захисна; 4 – сітка; 5 – випарник; 6 – контргайка; 7 – гайка з фільтром; 8 - жиклер

Реле увімкнення нагрівача та контактор увімкнення ЕФУ — у кабіні за панеллю запобіжників.

Під час пуску двигуна паливопідкачуючий насос подає паливо через фільтр тонкого очищення до свічок.

Перепускний клапан ТНВД та клапан-жиклер фільтра тонкого очищення палива закриті, і паливо під тиском надходить на свічки ЕФУ з мінімальною затримкою від моменту відкриття електромагнітного клапана.

При тиску більше 25-45 кПа (0,25-0,45 кгс/см 2) клапан-жиклер відкривається, підтримуючи оптимальний тиск перед жиклером свічки ЕФУ для стійкого горіння факела.

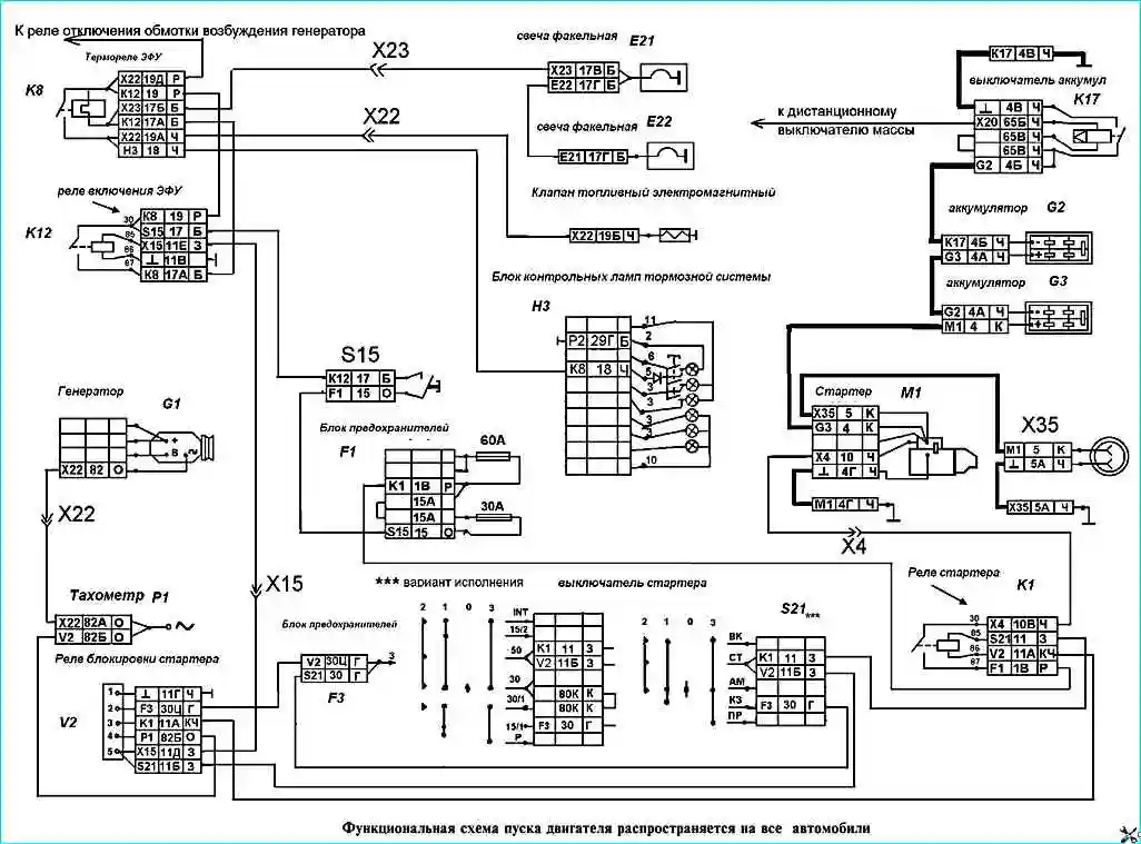
Функціональна схема пуску двигуна поширюється на всі автомобілі: К8 – термореле ЕФУ; К12 – реле включення ЕФУ; Е21, Е22 - свічка факельна; К17 – вимикач акумулятора; G2, G3 – акумуляторні батареї; H3 – блок контрольних ламп гальмівної системи; G1 – генератор; P1 – тахометр; V2 – реле блокування стартера; F1, F3 – блок запобіжників; S21 – вимикач стартера; К1 - реле стартера

Електрична схема системи ЕФУ складається з кнопки включення, реле включення свічок, термореле, електромагнітного паливного клапана, двох штифтових свічок, контрольної лампи.

Електрофакельний пристрій працює таким чином: при включенні кнопки свічок напруга від акумуляторних батарей через амперметр, реле та термореле подається на ЕФУ, штифтові свічки. При цьому відбувається їхнє розігрів.

Одночасно з розігрівом свічок нагрівається та спрацьовує термореле, включаючи електромагнітний паливний клапан та контрольну лампу блоку.

При цьому клапан відкриває доступ до свічок, а загоряння контрольної лампи вказує на готовність пристрою до запуску двигуна.

Крім того, при включенні кнопки свічок напруга подається на реле, що розриває ланцюг обмотки збудження генератора, що необхідно для захисту свічок від напруги, що виробляється генератором, коли вихід двигуна на стійкий режим супроводжується роботою ЕФУ.

Струм, що споживається електрофакельним пристроєм, не перевищує 24 А. Таке значення споживаного струму не впливає на наступний стартерний розряд акумуляторних батарей.

Опір спіралі термореле обрано таким чином, щоб на виводах свічок забезпечувалася напруга 19 В (номінальна напруга свічок).

Під час пуску двигуна термореле шунтується, тобто. на виведення свічок подається напруга в обхід спіралі термореле, тому що при провертанні колінчастого валу двигуна стартером напруга на виводах батарей знижується.

На малюнку 3 представлено функціональну схему пуску двигуна автомобілів сімейства КамАЗ.

Перевірка працездатності ЕФП

Перевірка кнопки ЕФУ: 1 – кнопка вимикання; 2 – контрольна лампа; 3 - висновок 15

Роботу ЕФП слід перевіряти під час справних та заряджених акумуляторних батарей у наступному порядку:

  • - перевірити справність сигналізатора ЕФУ на панелі приладів у кабіні (натисканням кнопки контролю);
  • - включити ЕФУ та визначити час моменту включення ЕФУ до загоряння сигналізатора.

Для першого включення ЕФУ воно має становити при температурі повітря вище нуля 50-70 с., а при температурі нижче нуля — 70-110 с.

При повторному включенні ЕФУ час загоряння сигналізатора скорочується, тому для отримання достовірного значення необхідно дати охолонути термореле до температури навколишнього повітря:

  • - перевірити наявність полум'я факела у впускних колекторах.

Для перевірки факела необхідно:

  • - вивернути свічки з колекторів, приєднати до них паливні трубки та електропроводи;
  • - забезпечити надійне з'єднання корпусів свічок з масою та переконатися, що виведення ізольовано від маси;
  • - увімкнути ЕФУ, і після загоряння сигналізатора за допомогою стартера провернути колінчастий вал. Якщо немає полум'я, замініть несправну свічку.
Перевірка термореле: 1 - термореле; 2 - провід 17Б; 3 - контрольна лампа

Працездатність реле 4 включення ЕФУ визначте в наступному порядку:

  • - від'єднайте будь-який провід від виведення «К» додаткового реле стартера;
  • - натисніть кнопку включення ЕФУ і двічі-тричі не більше ніж на 1с, поверніть ключ вимикача приладів та стартера в положення II (крайнє праве положення). При справному реле повинні прослуховуватися характерні клацання;
  • - вимкніть ЕФУ та приєднайте провід до виводу «К».

Працездатність реле відключення ОВГ визначте так:

  • - натисніть кнопку ЕФУ та пустіть двигун стартером. Стрілка амперметра при зміні частоти обертання двигуна у всьому діапазоні повинна показати розрядний струм близько 30 А. Зупиніть двигун і лише після цього відпустіть кнопку ЕФУ;
  • - знову пустіть двигун і переконайтеся, що генератор дає заряд.

Відмови ЕФУ

Стрілка вольтметра в нижній межі шкали:

  • - Замикання спіралі термореле або електропроводів
  • - Замикання свічки на масу - Якщо свічки справні, від'єднайте від термореле дріт, що з'єднує його з кнопкою включення ЕФУ.

Відсутність зміни показань стрілки свідчить про замикання спіралі термореле. У цьому випадку слід замінити термореле.

Якщо спіраль термореле ціла (визначається навпомацки) і при від'єднаних від свічок проводах положення стрілки не змінюється, то це вказує на замикання електропроводів.

Усунути замикання.

Від'єднати провід від виведення лівої свічки, виключивши контакт наконечника з масою, і знову увімкніть ЕФУ.

При виході стрілки за межі шкали від'єднати провід від виведення правої свічки.

Відсутність виходу стрілки за межі шкали вказує на замикання правої свічки.

Замінити свічку, що відмовила.

Після усунення замикання рекомендується перевірити стан ізоляції електропроводів, працездатність термореле та реле включення ЕФУ, а якщо замикання сталося при пуску двигуна працездатність реле шунтуючого

Показ вольтметра не змінюється:

Перегорання спіралі термореле - Увімкніть ЕФУ та перевірте напругу на виводах термореле.

Відсутність напруги на виводі з боку штекерного з'єднання за наявності напруги на іншому виведенні свідчить про перегорання спіралі.

Замініть термореле

Перегорання свічок або відсутність контакту в ланцюзі - Увімкніть ЕФУ та перевірте наявність напруги на висновках кожного виробу ЕФУ, починаючи з факельних свічок.

Наявність напруги на виведенні правої свічки свідчить про перегорання свічок.

Замініть свічку та відновіть контакт

Перегорання однієї зі свічок - Включити ЕФУ на 10-15 с, потім замінити холодну свічку

Немає смолоскипа:

Відсутність надходження палива до свічки - Послабити паливопідвідний штуцер на свічці.

Увімкнути ЕФУ та після загоряння сигналізатора (відкриття електромагнітного клапана) провернути за допомогою стартера колінчастий вал.

Якщо паливо при відкритому клапані не просочується через нещільно загорнуте різьбове з'єднання штуцера, усунути несправність у системі живлення паливом

Непроходження палива через свічку - Вивернути свічку з колектора.

Промити та продути стисненим повітрям жиклер, паливний фільтр та паливні порожнини.

Перевірити полум'я факела

Негерметичність системи живлення паливом - Усунути негерметичність

Ознаками відмови пристрою можуть бути:

  • зашкалювання стрілки амперметра;
  • стрілка амперметра не відхиляється;
  • стрілка амперметра показує вдвічі менший струм розряду; відсутність смолоскипа полум'я.

До найбільш характерних відмов відносяться:

  • замикання свічок на “масу” замикання або перегорання спіралі термореле;
  • перегорання свічок або відсутність контакту в ланцюгу;
  • отказ паливної системи.

Кнопку ввімкнення ЕФУ перевіряють за допомогою контрольної лампи почерговим приєднанням її до висновків (рис. 4).

При підключенні лампи до виводу 15 лампа повинна горіти, при під'єднанні до висновків 19 та 17 лампа горіти не повинна (при відпущеній кнопці включення ЕФП).

При натиснутій кнопці напруга має бути на всіх трьох висновках.

Перевірку амперметра проводять аналогічно.

Для перевірки термореле ЕФУ приєднують контрольну лампу до висновку 19: лампа повинна горіти.

Потім перевіряють справність обмотки термореле підключенням лампи до виведення 17А або 17Б (рис. 5): лампа повинна горіти (кнопка включення ЕФУ натиснута).

Для перевірки справності контактів термореле необхідно підключити лампу до виведення 18 (або 19А), натиснути кнопку увімкнення ЕФУ. Реле має увімкнути лампу через 75-110 с.

Для перевірки реле ЕФУ необхідно підключити контрольну лампу до виведення 17Б реле ЕФУ (кнопка включення ЕФУ натиснута).

Лампа повинна горіти, якщо вона не горить, отже, несправний провід.

Потім перевіряють справність контактів реле, для чого приєднують лампу до виведення 17А (кнопка включення ЕФУ натиснута): лампа повинна горіти.

Щоб перевірити електромагнітний паливний клапан, необхідно провід від “+“ акумуляторних батарей приєднати до виведення клапана. При цьому має бути чути клацання спрацьовування клапана.

Для перевірки свічок факелів необхідно вивернути свічки, встановити їх на корпус автомобіля і включити кнопку ЕФУ. Через 75-110 зі свічки мають розжаритися.

Ремонт

Вироби електрофакельного пристрою не підлягають ремонту; при виявленні відмови виробу замініть його.

Для перевірки подачі палива до свічок від'єднайте паливопровід від свічки та прокачайте систему живлення двигуна паливом ручним паливопідкачуючим насосом.

Потім відкрийте електронагнітальний клапан, подавши напругу на штекер клапана зі штекера дроту підкапотної лампи. При цьому з від'єднаного паливопроводу має з'являтися паливо.

Схема установки для перевірки пропускної спроможності свічок ЕФУ: 1 - клапан; 2 – манометр; 3 – ресивер; 4 – паливопровід; 5 - запірний вентиль; 6 - свічка факельна; 7 - мірний циліндр з ціною поділів 0,1-02 см 3

Пропускну здатність свічки визначайте на вітчизняних стендах СДТА-З (КІ-22201) та інших, що дозволяють плавно регулювати тиск палива.

При надмірному тиску дизельного палива 73,6 кПа (0,75 кгс/см 2) та температурі 15-25°С пропускна здатність свічки повинна бути 5,5-6,5 см 3/хв.

Виміряйте після попередньої протоки свічки паливом протягом 20-30 с.

За відсутності зазначених стендів зберіть установку за схемою на рис. 6.

Схема перевірки споживаного свічкою струму: 1 - джерело живлення; 2 – реостат; 3 – амперметр; 4 – вольтметр; 5 – свічка; 6 - вимикач

Для визначення величини споживаного струму свічки зберіть схему (рис. 7), що дозволяє мати вихідну напругу постійного струму 19 В.

Напруга підтримуйте реостатом 2. При такій напрузі струм, що споживається, через хвилину після включення свічки повинен бути 11-11,8 А.

Схема перевірки термореле: 1 - джерело живлення; 2 – реостат; 3 – амперметр; 4 – лампа контрольна; 5 - термореле; 6 – вольтметр; 7 - вимикач

Для перевірки параметрів термореле зберіть схему, вказану на рис. 8. Встановіть терморегулятор на горизонтальну поверхню захисним екраном вгору.

Номінальну величину струму 22,8 А, що проходить через реле, встановлюйте та підтримуйте реостатом 2.

Час до замикання контактів та утримання їх у замкнутому стані визначайте загорання контрольної лампи 4.

Для цього один провід контрольної лампи з'єднайте зі штекером термореле, а другий з джерелом постійного струму (акумуляторною батареєю).

Час з моменту включення струму до замикання контактів термореле (загоряння контрольної лампи) при температурі навколишнього повітря 15-25 °С має бути 55-65 с, а час утримання контактів (горіння контрольної лампи) після відключення - не менше 45 с.

Герметичність електромагнітного клапана перевіряйте подачею стисненого повітря під тиском 147 кПа (1,5 кгс/см 2) до вхідного каналу клапана.

При зануренні клапана у воду не повинні виділятися бульбашки повітря.