Для зменшення зусилля, що прикладається до педалі гальма, між нею та головним гальмівним циліндром встановлено двокамерний вакуумний підсилювач, який спрацьовує від розрідження у впускній трубі двигуна
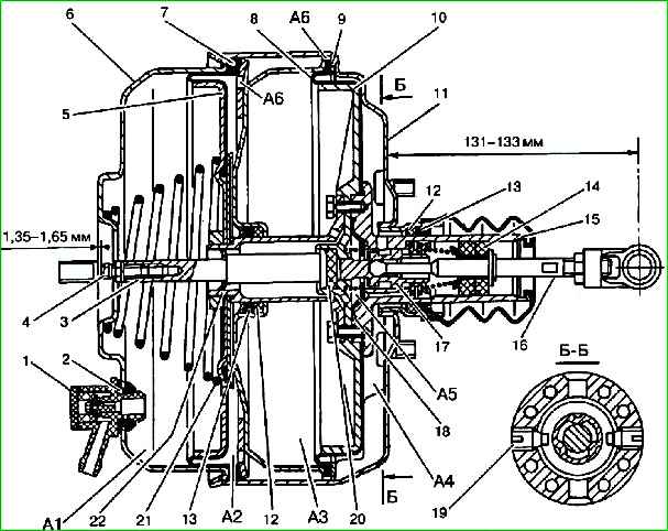
Підсилювач складається з корпусу 11, кришки корпусу 6, завзятої кришки, які встановлено поршні 5 і 10 з діафрагмами 7 і 8.
На різьбовому кінці з'єднувача поршнів 22 за допомогою гайки кріпиться вторинний поршень 5, а до фланцевої частини з'єднувача кріпляться поршень 10 та діафрагма 18 за допомогою шести болтів, які ввертаються в корпус клапанів 15.
У корпусі 15 клапанів двома гвинтами 19 фіксується штовхач 16 з поршнем 17 і фільтром 14.
У поршні 10 встановлена реактивна шайба 20, через яку на штовхач 3 передається сумарне зусилля від штовхача 16, безпосередньо пов'язаного з педаллю гальма, та від обох поршнів підсилювача.
Для забезпечення розгальмовування системи необхідний зазор між штовхачем 3 та первинним поршнем головного гальмівного циліндра.
Зазор забезпечується за допомогою регулювального болта 4.
Головка болта має бути втоплена на 1,35—1,65 мм щодо привалкової площини кришки, до якої кріпиться фланець головного циліндра.
Робота вакуумного підсилювача гальм
Розрідження, створюване під час роботи двигуна, через гумовий шланг і зворотний клапан 1 передається в порожнину А1.
Оскільки порожнина А1 через центральний отвір у з'єднувачі 22 і отвори у фланці з'єднувача та поршні 10 постійно повідомляється з порожнинами АЗ та А5, то в цих порожнинах також створюється розрідження.
Коли педаль гальма не натиснута, порожнина А5 через зазор між діафрагмою 18 клапанів, поршнем 17 і радіальні отвори з'єднувача 22 повідомляється з порожниною А4, яка, у свою чергу, через отвори А6 в наполегливій кришці з'єднана з порожниною А2.
Отже, у всіх порожнинах А1, А2, АЗ, А4 та А5 підсилювача створюється розрідження.
Зворотний клапан 1 утримує в підсилювачі найбільше розрідження, яке утворюється під час роботи двигуна.
При натисканні на педаль гальма поршень 17 під дією штовхача 16, пов'язаного з педаллю, стосується діафрагми 18 клапанів і перериває повідомлення порожнин А1, АЗ, А5 з порожнинами А4 та А2.
Потім поршень 17, переміщуючи діафрагму 18, відриває її від сідла на корпусі 15 клапанів.
В результаті атмосферне повітря, проходу через фільтр 14, отвори в корпусі 15, надходить до діафрагми 18 і далі через радіальні свердління в корпусі 15 клапанів - в порожнину А4 і через отвори А6 в порожнину А2, тобто до поршнів 5 і 10 .
Атмосферне повітря надходить у порожнини А4 і А2 доти, поки діафрагма 18 клапанів під впливом реактивної шайби 20 не сяде одночасно на сідла поршня 17 і корпусу 15, перекриваючи надходження повітря.
Таким чином, через реактивну шайбу здійснюється стежить дія системи, тобто зусилля, створюване підсилювачем, прямо пропорційно зусилля, що додається водієм до педалі гальма.
При збільшенні зусилля на педаль 17 поршень стискає реактивну шайбу 20, відсуває діафрагму 18 від сідла в корпусі 15 клапанів і додаткова кількість атмосферного повітря знову надходить до поршнів 5 і 10, що збільшує дію підсилювача.
Зусилля від ноги водія та від поршнів 5 і 10 підсилювача через реактивну шайбу передається на штовхач 3 і далі — на поршні головного циліндра.
При відпусканні педалі поршень 17 відходить від діафрагми 18, дозволяючи їй переміститися на сідло в корпусі 15.
У цьому випадку припиняється доступ атмосферного повітря, а розрідження через торцевий зазор, що утворився, між поршнем 17 і діафрагмою 18 передається з порожнини А5 в порожнини А4, А2.
Порожнини А1, А2, АЗ, А4 та А5 знову повідомлятимуться між собою, а поршні під дією пружини 21 повернуться у вихідне положення і гальмування припиниться.
Підсилювач готовий до нового гальмування.
У разі зупинки двигуна розрідження, що зберігається в підсилювачі зворотним клапаном, дозволяє здійснити 2—3 ефективні гальмування автомобіля.
При відсутності вакууму в підсилювачі, на штовхач 3 буде впливати тільки зусилля, що додається водієм до педалі гальма.
Зняття вакуумного підсилювача гальм

Послабити хомут 1 кріплення та від'єднати шланг 3 від зворотного клапана 2 вакуумного підсилювача.
Зняти головний циліндр гальм

Вийняти шплінт 1, відвернути гайку 2 кріплення, вийняти вісь 5 і від'єднати штовхач 4 підсилювача від важеля 3 підсилювача гальм, вийнявши при цьому пластмасові втулки 6.

Відвернути чотири гайки 1 кріплення та зняти вакуумний підсилювач 3 з кронштейна 2.
Перевірка вакуумного підсилювача
При підвищенні зусилля на педаль гальма необхідно перевірити працездатність вакуумного підсилювача.
Натиснути на педаль гальма до упору кілька разів під час непрацюючого двигуна і, утримуючи педаль у натиснутому положенні, запустити двигун.
При цьому за рахунок перепаду тиску в порожнинах підсилювача гальмівна педаль має переміститися вперед.
Якщо цього не відбувається, перевірити герметичність з'єднань шланга вакуумного підсилювача та за необхідності усунути підсмоктування повітря.
Якщо це не дасть позитивного результату, підсилювач несправний і його необхідно замінити.
Щоб перевірити герметичність вакуумного підсилювача, необхідно відкрити капот і запустити двигун на 1 хв.
Приблизно через 30 секунд після того, як двигун був заглушений, натиснути на гальмівну педаль 2 рази, при цьому має прослуховуватися характерне шипіння повітря, що входить у підсилювач.
Інакше підсилювач замінити.
Продуть шланг із зворотним клапаном з обох кінців. Повітря має проходити лише з боку зворотного клапана.
Інакше замінити зворотний клапан.
Встановлення вакуумного підсилювача гальм

Встановлюють вакуумний підсилювач у порядку, зворотному зняттю.
Перед установкою перевірити зазор між торцем кришки вакуумного підсилювача та регулювальним болтом1.
Зазор повинен становити 1,35—1,65 мм.
Якщо величина зазору відрізняється від зазначеної, відвернути контргайку 2 і, обертаючи регулювальний болт 1, виставити необхідний зазор.
Після цього затягнути контргайку 2.