Заміна насоса та фільтра грубого очищення ГАЗ-2705 з двигуном ЗМЗ-405, ЗМЗ-406
Насос зазвичай змінюють при появі стороннього шуму в районі насоса, а також при провалах та зниженні потужності двигуна.
Попередньо потрібно перевірити тиск у системі подачі палива в наступному порядку:
- - перевіряємо справність регулятора тиску.
- - перевіряємо тиск палива на холостому ході. Якщо тиск менше 300 кПа (3 кгс/см 2), знімаємо насос і промиваємо сітку фільтра грубого очищення палива;
- - якщо це не допомогло, замінюємо фільтр тонкого очищення палива (дивимося статтю – «Як замінити паливний фільтр автомобіля Газель»).
Знижуємо тиск палива у системі подачі палива. Для цього виймаємо запобіжник паливного насоса із блоку запобіжників.
Запускаємо двигун і даємо йому попрацювати до повного вироблення палива з паливопроводу. Після цього двигун затихне.
Від'єднуємо клему мінус від АКБ
У суцільнометалевих автомобілів знімаємо килимок підлоги над люком

Вивертаємо шість гвинтів кріплення кришки люка в основі кузова над модулем паливного насоса

Знімаємо кришку

Віджимаємо фіксатор

Від'єднуємо колодку джгута проводів від модуля паливного насоса

Натискаємо на фіксатор

Від'єднуємо від штуцерів модуля наконечники паливопроводу високого тиску та зливного паливопроводу

Викрутіть вісім гвинтів кріплення фіксуючого кільця модуля паливного насоса

Знімаємо кільце

Піднімаємо модуль, нахиливши його вбік, виймаємо його, вивівши поплавець датчика рівня палива з отвору в паливному баку, і зливаємо з нього паливо в заздалегідь приготовлений посуд.

Знімаємо з фланця бака гумове кільце ущільнювача.
Сильно обжате, затверділе або надірване кільце потрібно замінити
Заміна фільтру грубого очищення палива
Знімаємо модуль паливного насоса

Вивертаємо гвинт кріплення сітки попереднього очищення палива

Знімаємо сітку

Від'єднуємо від корпусу модуля насоса зливну трубку, підчепивши її викруткою

Подолаючи зусилля пружини, трохи переміщаємо корпус модуля вгору по напрямних і підчепивши викруткою, знімаємо з однієї з напрямних стопорне кільце. Після цього корпус модуля можна відвести вниз від кронштейна.

Віджимаємо пластмасові фіксатори

Знімаємо корпус модуля з напрямних кронштейна

Для заміни паливного фільтра підтягніть його основу загостреним інструментом

Знімаємо фільтр з корпусу насоса, долаючи опір пружинної стопорної шайби.

Перед встановленням фільтра виймаємо стопорну шайбу

Виправляємо її пасатижами та встановлюємо її в корпус фільтра

Встановлюємо фільтр у зворотній послідовності
Встановлюємо модуль у порядку зворотного зняття.
Під час встановлення паливного модуля в паливний бак установча стрілка на кронштейні модуля повинна бути спрямована у бік передньої частини автомобіля.
При підключенні паливопроводів орієнтуйтеся на стрілки на штуцерах, що показують напрямок подачі палива.
Технічна характеристика модуля занурювального електробензонасоса
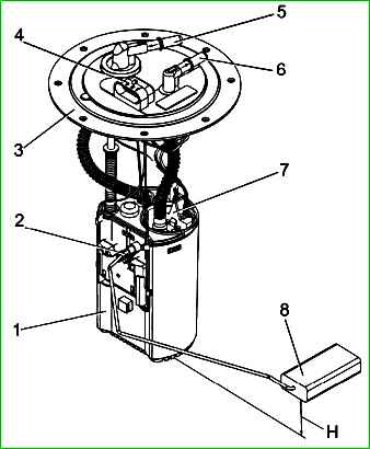
Модуль занурювального електробензонасосу 155.1139002: 1 – противідливна склянка; 2 – датчик рівня палива; 3 - кільце притискне; 4 – колодка роз'єму для підключення; 5,6 – наконечники; 7 - електробензонасос; 8 - поплавець датчика рівня палива
Технічна характеристика:
Тип 155.1139002*
Номінальна напруга, 12
Споживаний струм:
- при роботі в системі, не більше, А 7,5
Продуктивність при напрузі живлення не менше л/год:
- - 13,5 110
- - 10,8 80
Номінальний робочий тиск у паливній системі автомобіля, кПа, 400
Максимальний тиск, кПа 550-850
Робоче тіло – всі марки товарних бензинів відповідно до посібника з експлуатації
- температура робочого тіла від мінус 45°С до плюс 65°С
95% ресурс роботи модуля:
- мотогодин 5000
* - На частини автомобілів може бути встановлений занурювальний модуль 515.1139000-10, 9П2.960.031, 7Д5.883.029, ЕО4.4100000-21
Після досягнення в бензобаку резервного залишку палива (менше 10 л, опір реостату 230±10 Ом) у комбінації приладів включається сигнальна лампа резервного залишку палива.
Електробензонасос модуля та датчик рівня палива є неремо виробами, що не обслуговуються і необслуговуються.
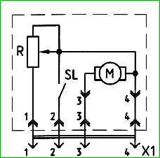
Принципова електрична схема модуля занурювального електробензонасоса 155.1139002: М - електронасос; R – реостат датчика рівня палива; SL – вимикач сигнальної лампи
Принципова електрична схема модуля показана на малюнку
Розташування контактів гнізда Х1 показано на малюнку