Система охолодження - рідинна, закрита, з примусовою циркуляцією, складається з водяної сорочки в блоці та головці циліндрів двигуна, насоса охолоджуючої рідини, радіатора, розширювального бачка, вентилятора, термостата, пробки розширювального бачка, кожуха вентилятора, кожуха вентилятора.

У схему системи охолодження включено радіатор 5 обігрівача кабіни, а для автобусів та ГАЗ-2705 "Комбі", крім того, радіатор 4 додаткового обігрівача та електронасос

Схема системи охолодження двигунів ЗМЗ-402 та УМЗ-4215: I – з одним обігрівачем; II – з двома обігрівачами та електронасосом (для фургонів із двома рядами сидінь та автобусів); 1 – розширювальний бачок; 2 – термостат; 3 – датчик покажчика температури охолоджувальної рідини; 4 – радіатор; 5 - зливна пробка (кран) радіатора; 6 – вентилятор; 7 – ремінь приводу вентилятора; 8 – ремінь приводу насоса рідини, що охолоджує; 9 – насос охолоджувальної рідини; 10 - зливальний кран блоку циліндрів; 12 – електронасос системи опалення; 11, 13 – кран обігрівача; 14 – радіатор додаткового обігрівача; 15, 16 – радіатор основного обігрівача; 17 – основний клапан термостата; 18 – байпасний клапан.

На автомобілі встановлено краник 2 радіатора обігрівача з електроприводом.

В одному корпусі знаходиться краник, з'єднаний через механічний редуктор мікроелектродвигуном, що включається ручкою 1.

Краник має два положення — повністю відкритий або повністю закритий, до повороту рукоятки на 90° вправо від вихідного положення кран закритий, при подальшому повороті рукоятки вправо до упору — кран відкритий.

У зливній гілки радіатора обігрівача у верхній її точці розташований трійник 7.

Трійник розташований у кабіні під панеллю приладів з правого боку.

У вивернутому на 2—3 обороти положенні пробки 8 трійника відбувається повідомлення системи опалення з атмосферою, що дозволяє повністю виключити повітряні пробки при заповненні системи охолодження двигуна та системи опалення робочою рідиною.

Підтримка правильного температурного режиму двигуна надає вирішальний вплив на знос двигуна та економічність його роботи.

Оптимальна температура охолоджуючої рідини (85—90° С) підтримується за допомогою термостата, що діє автоматично, та чохла на облицювання радіатора.

Для контролю температури охолоджуючої рідини є покажчик температури, датчик якого вкручений у патрубок термостата, що знаходиться на головці циліндрів.

Крім того, на щитку приладів є сигналізатор, що спалахує червоним світлом при підвищенні температури рідини вище 105° С.

Датчик сигналізатора знаходиться в задній кришці головки циліндрів.

При загоранні сигналізатора слід негайно встановити та усунути причину перегріву.

Робота термостата: А - термостат закритий; B - термостат відкритий

Термостат із твердим наповнювачем, двоклапанний, типу ТС-107-01 розташований у вихідному патрубку головки циліндрів та з'єднаний шлангами з насосом охолоджуючої рідини та радіатором.

Основний клапан термостата починає відкриватися при температурі рідини, що охолоджує, 78—82° С. При температурі 94° С він вже повністю відкритий.

При закритому основному клапані рідина в системі охолодження двигуна циркулює, минаючи радіатор, через відкритий додатковий клапан термостата всередині сорочки охолодження двигуна.

При повністю відкритому основному клапані додатковий клапан закритий і вся рідина проходить через радіатор охолодження.

Опалювач кузова з'єднаний паралельно з радіатором, і термостат не відключає його від двигуна.

Тому при прогріванні двигуна не слід відкривати заслінку припливу повітря і включати електродвигун обігрівача.

Термостат автоматично підтримує необхідну температуру охолоджуючої рідини у двигуні, відключаючи та включаючи циркуляцію рідини через радіатор.

У холодну погоду, особливо при малих навантаженнях двигуна, майже все тепло відводиться внаслідок обдування двигуна холодним повітрям, і рідина, що охолоджує, через радіатор не циркулює.

Для підтримки оптимального температурного режиму двигуна при негативних температурах навколишнього повітря необхідно закривати облицювання радіатора чохлом.

У жодному разі не можна знімати термостат.

У холодну пору року двигун без термостату прогрівається довго і працює при низькій температурі рідини, що охолоджує.

В результаті прискорюється його знос, збільшується витрата палива, відбувається рясне відкладення смолистих речей у двигуні, а також не забезпечується нормальна температура повітря в кабіні автомобіля.

У теплу пору року за відсутності термостата більша частина охолоджуючої рідини циркулюватиме по малому колу (через сорочку охолодження двигуна), минаючи радіатор. Це призведе до перегріву двигуна.

Насос охолоджуючої рідини — відцентрового типу.

Насос охолоджувальної рідини: 1 - фіксатор; 2 - сальник із ущільнювальною шайбою; 3 - контрольний отвір для виходу рідини, що охолоджує

Підшипник насоса відокремлений від охолоджуючої рідини самопідтискним сальником нерозбірної конструкції.

Рідина, що просочилася через сальник, не потрапляє в підшипник, а витікає назовні через контрольний отвір 3, який необхідно періодично очищати.

Підшипник насоса від переміщення утримується фіксатором 1, який загорнутий до упору і заблокований.

Підшипник заповнюється мастилом під час збирання, і в процесі експлуатації додавання мастила не потрібно.

Шків насоса охолоджуючої рідини обертається разом зі шківом генератора одним клиновим ременем від шківа колінчастого валу.

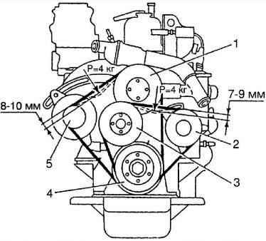
Ремені приводів допоміжних агрегатів: 1 - привод водяного насоса; 2 - шків натяжного ролика; 3 - шків приводу вентилятора; 4 - шків колінчастого валу; 5 - шків приводу генератора

Вентилятор — шестилопатевий, пластмасовий.

Приводиться у обертання від колінчастого валу клиновим ременем. Вентилятор обертається у двох підшипниках.

Підшипники встановлені у спеціальному кронштейні, закріпленому на кришці розподільчих шестерень трьома шпильками.

Радіатор: 1 - радіатор; 2, 3, 4, 8, 13, 14 – шайби; 5, 15 – гайки; 6, 11 – кронштейни; 7, 10 – втулка; 9 – болт; 12 - подушка

Радіатор  — трубчасто-стрічковий, з бічними пластмасовими бачками.

Бачки з'єднані з остовом радіатора через гумову прокладку ущільнювача шляхом обтискання опорної пластини по фланцю пластмасових бачків.

На бачках і верхній пластині остова радіатора є кронштейни для кріплення радіатора до кузова автомобіля.

На правому бачку (по ходу автомобіля) у нижній частині є зливна пробка для зливу охолоджуючої рідини.

Розширювальний бачок - пластмасовий, з'єднаний шлангом з патрубком, що підводить охолоджену рідину від радіатора до двигуна, і трубкою - з патрубком термостата і лівим бачком радіатора.

На бачку є мітка MIN — нижній допустимий рівень охолоджуючої рідини в бачку.

Розширювальний бачок закритий різьбовою пробкою, що підтримує підвищений тиск у системі охолодження.

Пробка розширювального бачка, що герметично закриває систему охолодження, має два клапани: паровий, що відкривається при тиску 80-110 кПа (0,8-1,1 кгс/см 2), і повітряний, що відкривається при розрідженні 1,0-10 кПа (0,01-0,1 кгс/см 2).