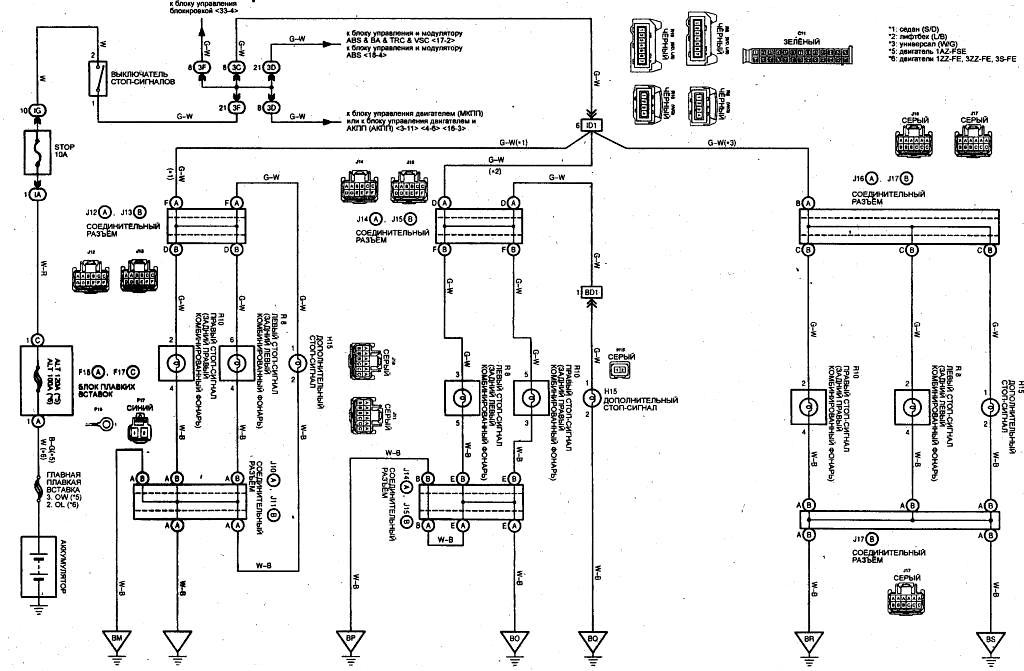
Схема - стоп сигналы (модели выпуска с 07. 2000г.)