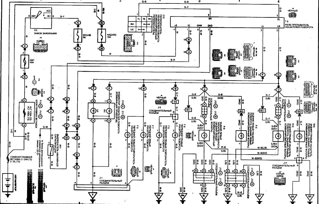
Схема - указатели поворота и аварийная сигнализация (модели выпуска с 07. 2000г.)