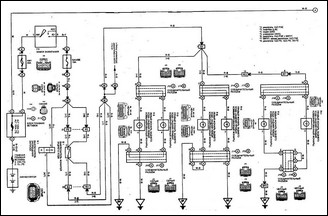
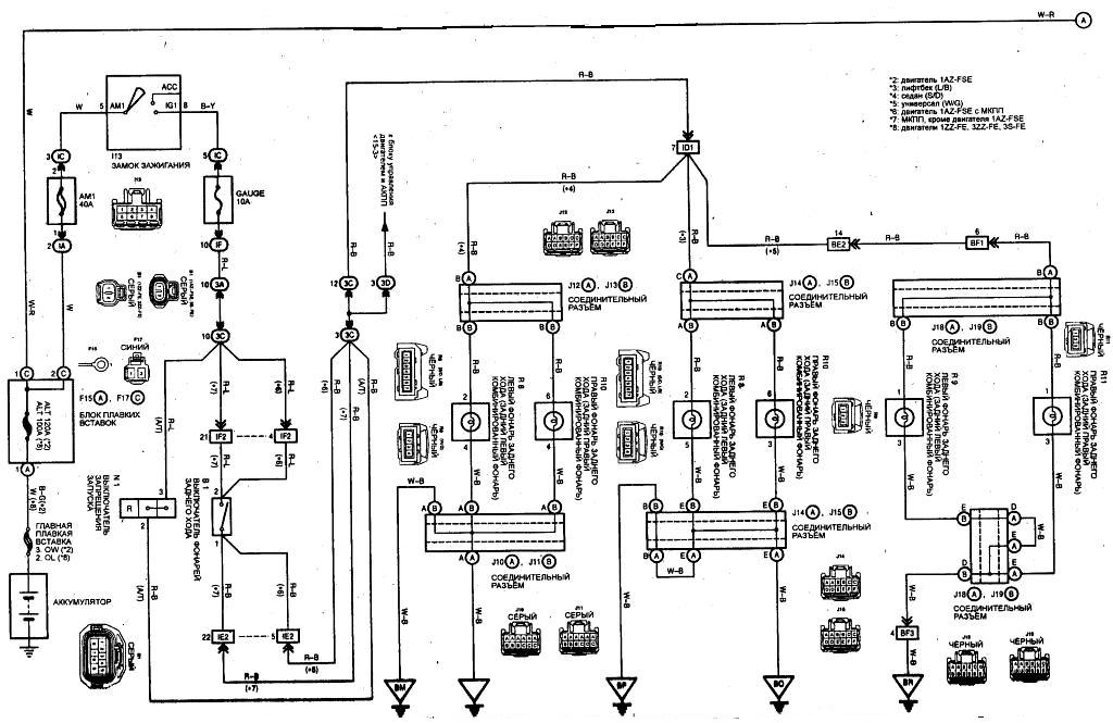
Tayota Avensis. Схема - Фонари заднего хода (модели выпуска с 07. 2000г.