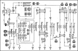
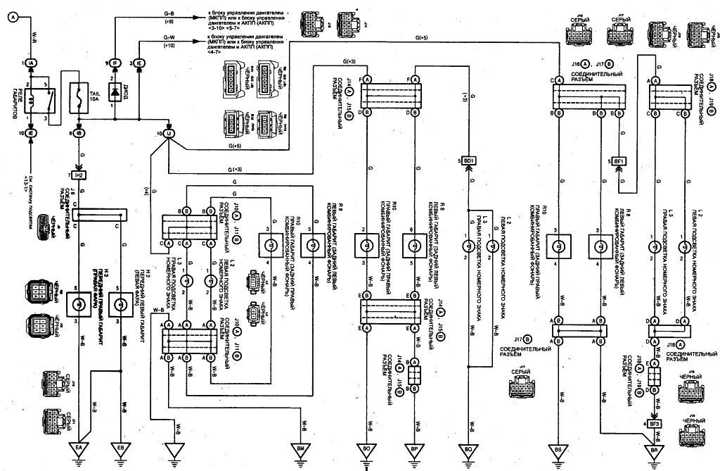
Tayota Avensis Схема "Габариты" (модели выпуска с 07. 2000 г.